Электронные пускорегулирующие аппараты для разрядных ламп высокого давления
СОДЕРЖАНИЕ
1. КЛАССИФИКАЦИЯ СХЕМ ПРА
2. СТАРТЕРНЫЕ ПУСКОРЕГУЛИРУЮЩИЕ АППАРАТЫ ДЛЯ ЛЮМИНЕСЦЕНТНЫХ ЛАМП
2.1 ОДНОЛАМПОВЫЕ СТАРТЕРНЫЕ ПРА
2.2 ДВУХЛАМПОВЫЕ СТАРТЕРНЫЕ ПРА С РАСЩЕПЛЕННОЙ ФАЗОЙ
2.3 ТРЕБОВАНИЯ К СТАРТЕРНЫМ ПРА
3. БЕССТАРТЕРНЫЕ ПУСКОРЕГУЛИРУЮЩИЕ АППАРАТЫ ДЛЯ ЛЮМИНЕСЦЕНТНЫХ ЛАМП
3.1 КЛАССИФИКАЦИЯ БЕССТАРТЕРНЫХ ПРА
3.2 ОСНОВНЫЕ СХЕМЫ БЕССТАРТЕРНЫХ ПРА
4. ПУСКОРЕГУЛИРУЮЩИЕ АППАРАТЫ ДЛЯ ЛАМП ТИПОВ ДРЛ, ДРИ И ДНаТ
5. ЭЛЕКТРОННЫЙ ПУСКОРЕГУЛИРУЮЩИЙ АППАРАТ
6. ЗАЖИГАЮЩИЕ УСТРОЙСТВА ДЛЯ ЛАМП ВЫСОКОГО ДАВЛЕНИЯ
1. КЛАССИФИКАЦИЯ СХЕМ ПРА
Пускорегулирующий аппарат—светотехническое изделие, с помощью которого осуществляется питание разрядной лампы от электрической сети, обеспечивающее необходимые режимы зажигания, разгорания и работы лампы и конструктивно оформленное в виде единого аппарата или нескольких отдельных блоков.
Пускорегулирующий аппарат обеспечивает:
1) зажигание разрядной лампы, т. е. пробой межэлектродного промежутка и формирование в нем требуемого вида разряда. Указанная функция обычно выполняется зажигающим устройством, которое часто является составным элементом ПРА. Для надежного зажигания лампы ПРА должен иметь определенные выходные параметры в режиме холостого хода, т. е. в режиме работы схемы включения при не горящей лампе. К ним относятся форма, значение напряжения, подаваемого на электроды лампы в период ее пуска, а при необходимости значение тока предварительного подогрева электродов и др.;
2) разгорание разрядной лампы, т. е. процесс установления рабочих параметров лампы после ее зажигания. Продолжительность разгорания лампы, а также характер изменения тока в ней в течение этого процесса зависят не только от газового наполнения лампы и соотношения температур ее колбы в холодном и рабочем состоянии, но и от типа и параметров ПРА (1.1);
3) устойчивость режима работы разрядной лампы в контуре, заключающуюся в способности контура автоматически восстанавливать исходное значение тока при его флюктуационных изменениях. Наличие данной функции у ПРА, которая выполняется с помощью токоограничивающих элементов (стабилизаторов тока), связано со спецификой статических вольт-амперных характеристик ламп (ВАХ). Обеспечить устойчивый режим работы от источника напряжения без токоограничивающих элементов-балластов принципиально невозможно для разрядных ламп, имеющих падающие ВАХ.
Для ламп с возрастающими ВАХ устойчивая работа от сети возможна и без балласта. Однако при малом наклоне характеристики это не всегда экономически целесообразно из-за низкой стабильности комплекта лампа — ПРА.

Рисунок 1. Обобщённая структурная схема однолампового ПРА: ВИП- вторичный источник питания; СТ - стабилизатор; ЗУ - зажигающее устройство.
Помимо элементов ПРА, выполняющих функции, в схему аппарата может, входит и вторичный источник питания. Обобщенная структурная схема однолампового ПРА показана на рис. 1.
Кроме основных функций ПРА может подавлять радио - помехи, создаваемые лампой, снижать пульсации её светового потока, обеспечивать высокий коэффициент мощности схемы др. С учетом общеинженерных и экономически соображений к ПРА предъявляется также ряд дополнительных требований. Они заключаются в том, что аппарат должен обладать минимальными собственными потерями, массой и габаритными размерами, иметь невысокую стоимость, быть надежным, долговечным, обеспечивать минимальные эксплуатационные расходы, не создавать заметного акустического шума и т.д. Совокупность этих требований является противоречивой и поэтому имеется много схем ПРА, в которых наилучшим образом выполняются лишь некоторые из них.
Классификация схем ПРА может быть проведена по различным признакам: по типу токоограничивающего элемента, по условиям зажигания и работы лампы (1.1), по типу источника питания, по количеству ламп и т. д. Для целей анализа цепей ПРА наиболее удобна классификация по типу токоограничивающего элемента, поскольку это во многом определяет метод анализа. В соответствии с такой классификацией (рис. 2) все ПРА можно разделить на три основные группы: электромагнитные, полупроводниковые, комбинированные. К отдельной, четвертой, группе целесообразно отнести ПРА без токоограничивающего элемента для специальных так называемых без балластных ламп.
В первую группу (электромагнитные ПРА) входят аппараты с реактивными и активными токоограничивающими элементами (балластами) и их комбинациями, причем в основном силовом контуре этих ПРА находятся только токоограничивающие элементы. Источником питания является сеть промышленной или повышенной частоты. В эту группу входят такие традиционные аппараты, как индуктивный и индуктивно-емкостный ПРА, аппараты с трансформатором и автотрансформатором с большим внутренним сопротивлением.

Рисунок 2. Классификация ПРА для разрядных ламп по типу токоограничивающего элемента.
Такие ПРА могут быть со стартёрным или бесстартёрным зажиганием, иметь цепи для предварительного подогрева электродов люминесцентных ламп или цепи мгновенного перезажигания ламп высокого давления типов ДРЛ, ДРИ и т. д. (см., например, рис. 3).
Аппараты с резистивными балластами применяются при подключении разрядных ламп к сети постоянного тока или промышленной частоты. В резистивных аппаратах может быть использован балластный резистор или нелинейный резистор (вольфрамовая спираль лампы накаливания). Резистивные

Рисунок 3. Обобщенная структурная схема стартерного ПРА и бесстартерного ПРА с накальным трансформатором.
аппараты не получили широкого распространения из-за низкого КПД. Однако в последнее время для компактных люминесцентных ламп бытового назначения в ряде стран находят применение емкостно-резистивные балласты, в которых указанный выше основной недостаток ПРА резистивного типа в известной степени нивелирован.
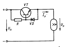
В полупроводниковых ПРА (вторая группа) стабилизация тока лампы осуществляется с помощью полупроводниковых приборов, обычно транзисторов. На рис. 4 приведена схема полупроводникового ПРА, в котором транзистор используется в качестве нелинейного сопротивления. Схема удовлетворительно работает на постоянном токе при незначительных колебаниях напряжения источника питания. На переменном токе схемы нелинейных полупроводниковых ПРА обладают большими собственными потерями.

Рисунок 4. Схема нелинейного

Рисунок 5. Схема импульсного полупроводникового ПРА. полупроводникового ПРА.
На рис. 5 дана схема импульсного полупроводникового ПРА. Приведенная схема носит название динамического балласта. В динамическом балласте транзистор работает в режиме ключа, и стабилизация тока лампы осуществляется с использованием инерционных свойств плазмы газового разряда. На рис. 6, а показана форма напряжения на разрядной лампе. При открытом транзисторе (0≤t≤Tи) напряжение на лампе приблизительно равно напряжению источника питания (Uл≈Uп). При закрытом транзисторе (Tи


Рисунок 6. Осциллограммы напряжения на лампе (а) и тока лампы (б) в схеме импульсного полупроводникового ПРА.
В третьей группе (комбинированные ПРА) стабилизация тока лампы осуществляется с помощью, как реактивных элементов, так и полупроводниковых приборов. В ПРА этой группы в качестве балластов используются дроссели, конденсаторы, транзисторы, тиристоры и другие полупроводниковые приборы. В группе существует большое количество разнообразных схем. Целесообразно рассмотреть следующие из них: с высокочастотным (ВЧ) генератором, емкостно-полупроводниковые, индуктивно-полупроводниковые и схемы с преобразованием частоты.
Все схемы с ВЧ генератором построены практически по единой схеме (рис. 7). Питание лампы осуществляется от двух источников питания: силового через Балласт 1 и повышенной частоты через Балласт 2. На рис. 8 приведен вариант схемы при использовании дросселя Др в качестве низкочастотного балласта и конденсатора С в качестве высокочастотного. Такая схема нашла применение в светорегуляторах, при работе ламп в условиях пониженного напряжения питания, а также для снижения пульсации светового потока ламп.

Рисунок 7. Обобщенная структурная схема комбинированного ПРА с ВЧ генератором.
На рис. 9 показана схема комбинированного импульсного ПРА с двумя источниками питания. Для поддержания разряда в лампе через Балласт 2 поступают ионизирующие импульсы тока.

Рисунок 8. Схема комбинированного ПРА с ВЧ генератором и индуктивным балластом.
На рис. 10, а и б показаны формы напряжения и тока лампы. Во время импульса (0≤t≤Tи) ток лампы поддерживается постоянным (iл ≈ i2=conts), и за счет ионизации положительного столба разряда сопротивление лампы и напряжение на ней уменьшаются. В интервале Ти

Рисунок 9. Схема комбинированного ПРА с двумя источниками питания.


Рисунок 10. Осциллограммы напряжения на лампе (а) и тока лампы (б) в комбинированном импульсном ПРА.
В силу того что напряжение питания меньше напряжения горения разряда, происходит деионизация плазмы столба разряда, и ток постепенно уменьшается до Imin. Затем подается импульс тока i2, и все процессы повторяются.
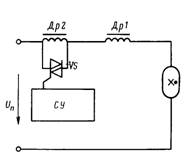
На рис. 11 и 12 приведены схемы комбинированных емкостно-полупроводникового и индуктивно-полупроводникового ПРА. В схеме рис. 11 основное падение напряжения происходит на балластном конденсаторе С, что снижает напряжение на стабилизирующем транзисторе VT и тем самым повышает КПД схемы. В схеме рис. 12 симметричный тиристор VS шунтирует вспомогательный дроссель Др2, что обеспечивает повышение стабильности работы лампы и КПД схемы.

Рисунок 11. Схема комбинированного емкостно-полупроводникового ПРА.

Рисунок 12. Схема комбинированного индуктивно-полупроводникового ПРА (СУ-схема управления)
На рис. 13 показана широко распространенная схема комбинированного резонансного ПРА с преобразователем частоты. Схемы с преобразователем обеспечивают питание лампы током повышенной частоты (20
50 кГц), при этом повышается световая отдача ламп, снижаются размеры балластных дросселей и конденсаторов.

Рисунок 13.Схема комбинированного резонансного ПРА с преобразователем частоты. (ПЧ-преобразователь частоты)
2. СТАРТЕРНЫЕ ПУСКОРЕГУЛИРУЮЩИЕ АППАРАТЫ ДЛЯ ЛЮМИНЕСЦЕНТНЫХ ЛАМП
2.1 ОДНОЛАМПОВЫЕ СТАРТЕРНЫЕ ПРА
Стартерным ПРА называют аппарат, в котором зажигание ЛЛ с предварительно нагретыми электродами осуществляется с помощью стартера с размыкающимися контактами. Собственно стартерный ПРА состоит из балластного сопротивления (индуктивного или индуктивно-емкостного) и иногда компенсирующего конденсатора и других элементов. Схема стартерного ПРА с индуктивным балластом приведена на рис. 14, а, а с индуктивно-емкостным — на рис. 14,б. Процесс зажигания ламп в обеих схемах одинаков. Пусковой ток лампы определяется полным сопротивлением балласта и электродов, а рабочий ток — полным сопротивлением балласта и сопротивлением самой лампы. Значение пускового тока определяется из условия обеспечения требуемой надежности зажигания лампы и исключения, по возможности, режима ее зажигания, с холодными или недостаточно нагретыми электродами. Поэтому он должен быть больше некоторого минимального значения.
|