Визуальное моделирование электронных схем
В 70-х гг. XX в. стали интенсивно разрабатываться программы анализа электронных схем с помощью ЭВМ. Наибольшую известность с некоторых пор получила программа SPICE (Simulation Program with Integrated Circuit Emphasis), разработанная в Калифорнийском университете (США). Она оказалась очень удачной и фактически стала эталоном. Принятые в ней математические модели компонентов используются во многих программах систем автоматизированного проектирования (САПР), таких как ДИСП, ДИСП-ПК (Санкт-Петербургский государственный электротехнический университет), Micro-Cap V и им подобных. Первая версия программы PSpice для персонального компьютера (IBM PC) была создана в 1984 г. корпорацией MicroSim. С тех пор разработано достаточно много версий программы на платформе DOS, а в последнее время – на платформе Windows. Но все последующие версии используют те же алгоритмы, что и SPICE для компьютеров типа IBM 360, тот же формат представления входных и выходных данных. Основу системы DesignLab составляет программа PSpice (11, 16, 17). Демонстрационную версию программы DesignLab можно получить через Internet по адресу www.microsim.com или www.orcad.com.
1. Управляющая оболочка Schematics
1.1 Графический редактор Schematics
Графический редактор Schematics позволяет создавать чертежи принципиальных схем в среде Windows и осуществлять запуск других программ, в частности PSpice – для моделирования аналоговых устройств и Probe – для графического отображения, обработки и документирования результатов моделирования.
Моделируемая схема может состоять из резисторов, конденсаторов, индуктивностей, диодов (включая стабилитроны и варикапы), биполярных и полевых транзисторов. Кроме того, из этих компонентов можно создавать макромодели или иерархические структуры более сложных электронных устройств – операционных усилителей, компараторов, тиристоров и др.
Графический редактор вызывается щелчком мыши по пиктограмме Psshed. В процессе его загрузки подключаются библиотеки графических символов компонентов и экран приобретает вид, показанный на рис. 1. Редактор Schematics имеет основное меню и панель инструментов. Основные символы панели инструментов совпадают с принятыми в системах MicroSoft.
Вначале нужно выбрать команду File, в ниспадающем меню – строку New, если создаётся новая схема, или строку Open, если загружается существующая схема. (Сокращённо порядок этих действий будем обозначать далее как File/ Open, разделяя имена команд и подкоманд косой чертой).

Рис. 1 - Экран графического редактора Schematics
Символы компонентов наносятся на схему по команде Draw/Get New Part (или вызывается также щелчком по пиктограмме). После этого выбирается компонент для размещения на схеме. (Для ускоренного поиска компонента в строке Part Name можно написать его имя.) Размещается компонент на чертеже нажатием кнопки Place или Place & Close. Последовательным нажатием левой кнопки мыши можно разместить необходимое количество компо-нентов на чертеже, после нажатия правой кнопки мыши компонент «отвязывается» от курсора мыши. Последние десять символов компонентов сохраняются в оперативном списке, из которого они быстро извлекаются нажатием на стрелку в правой части панели.
Проводники наносятся на схему по команде Draw/Wire или нажатием на пиктограмму с изображением карандаша.
Позиционные обозначения наносятся на схему автоматически (с возможностью их редактирования вручную после двойного щелчка левой кнопки мыши по выделенному обозначению компонента). Имена цепей проставляются автоматически и на чертёж не выводятся. Однако, если известны цепи, характеристики которых будут выводиться в программе Probe, цепи можно маркировать вручную. Для этого достаточно щелчком левой кнопки мыши выделить желаемую цепь и после двойного щелчка левой кнопки в меню Label указать имя цепи – цифровое, буквенное или смешанное. Например OUT2, IN, 123 и т.д.
Кроме того, при использовании специальных маркеров при нажатии на пиктограммы
и
именовать цепи не обязательно – достаточно пометить маркером нужную цепь, и на графике после завершения анализа будет выведена соответствующая характеристика.
Отметим, что освоить графический ввод схем достаточно легко, особенно если пользователь уже знаком с работой в любом другом графическом редакторе. Интерфейс графического редактора очень «дружественный» и осваивается достаточно быстро в процессе проб и ошибок.
1.1.1 Настройка конфигурации
Работа с графическим редактором начинается либо с загрузки созданного ранее файла схемы с расширением *.sch по команде File/Open, либо с очистки поля экрана выбором команды File/New. После этого приступают к настройке конфигурации схемного редактора с помощью команд меню Option (рис. 2). Параметры конфигурации при загрузке программы устанавливаются автоматически, однако иногда полезно их изменить или убедиться в их правильности. Параметры конфигурации заносятся в файл msim.ini и сохраняются при работе с последующими схемами.


Рис. 2 - Меню Option и диалоговое окно команды Option/Display Option
1.1.2 Установка параметров изображения
Устанавливаются следующие параметры (рис. 2б):
– Grid On – включение/выключение координатной сетки;
– Snap-to-Pin – включение/выключение режима привязки концов проводников при их нанесении на схему к ближайшему выводу компонента, находящегося в области захвата, радиус которой определяется параметром Gravity – радиусом области захвата;
– Rubberband – включение/выключение режима перемещения компонента вместе с присоединёнными к нему проводниками;
– Orthogonal – переключение режимов ввода только ортогональных проводников и проводников с произвольным наклоном;
– Cursor X and Y – вывод текущих координат курсора в строке состояния (рекомендуется включать всегда);
– Grid Size – шаг координатной сетки (шаг координатной сетки рекомендуется устанавливать равным 1,25 мм, 2,5 мм или 0,1 дюйма – с таким шагом обычно выполнены фирменные библиотеки, поставляемые вместе с DesignLab).
1.1.3 Подключение библиотек
В верхней части меню команды Editor Configuration в окне Libraries приведён список подключённых библиотек символов компонентов (с расширением.slb), а в строке Library Path – путь доступа к библиотекам.


Рис. 3 - Подключение библиотек символов а) и текстовых библиотек б)
Эти библиотеки подключаются к программе Schematic при её загрузке. Для редактирования списка этих библиотек щелчком выбирается кнопка Library Setting и открывается меню, показанное на рисунке 3а. Имя файла библиотеки указывается после щелчка по кнопке Browse в стандартном стиле Windows. После имени файла нажимается одна из кнопок Add* или Add Local. В первом случае библиотека будет доступна для всех проектов, во втором – только для текущего проекта.
Подключение текстовых библиотек компонентов с расширением.lib выполняется по команде Analysis/Library and include Files –открывается меню, приведённое на рисунке 3б. Дальнейший порядок действия аналогичен подключению библиотек символов.
1.2 Создание принципиальных схем
1.2.1 Размещение компонентов на схеме
Создание принципиальной схемы начинается с размещения компонентов. Нажатие на пиктограмму
вызывает появление окна выбора имени компонента (рис. 4).

Рис. 4 - Окно выбора имени компонента
Если в строке Part Name указан символ * (по умолчанию), то в окне выводится алфавитный список компонентов, содержащийся во всех подключённых библиотеках. Можно также в строке Part Name набрать имя компонента или его начальные символы. Нужный компонент указывается щелчком курсора, после чего его изображение выводится в центральном окне. После выбора компонента и нажатия кнопки Place или Place & Close его символ размещается на схеме, причём изображение перемещается вместе с курсором. При одновременном нажатии клавиш CTRI+R (Rotate) компонент поворачивается на 90о, CTRL+F (Flip) – зеркально отражается. Щелчок левой кнопки мыши фиксирует компонент, после чего на схеме можно разместить ещё одну копию. Щелчок правой кнопки мыши прекращает ввод данного компонента. Заметим, что выбранный компонент окрашен другим цветом, обычно красным, и перемещается по схеме после фиксации и удержания на нём курсора.
1.2.2 Размещение электрических цепей
После щелчка по пиктограмме
курсор приобретает форму карандаша. Начало цепи, точка излома, точка соединения с другой цепью или выводом компонента фиксируется щелчком левой кнопки мыши. Щелчок правой кнопки прекращает рисование цепи. При этом последний сегмент цепи окрашен в красный цвет, то есть данная цепь выбрана для редактирования.
Электрические соединения проводников обозначаются жирной точкой. Если провести два проводника, не останавливаясь в точке их пересечения, то электрическое соединение не образуется. Точка соединения проставляется только для Т-образных пересечений. Поэтому для обеспечения электрического контакта пересекающихся проводников рисование второго проводника нужно закончить в точке пересечения с первым (нажатием левой кнопки). В результате возникнет точка электрического соединения, после чего можно продолжить рисование второго проводника от этой точки.
На схеме обязательно должен быть узел «земли», всегда имеющий имя 0, – к нему присоединяется символ AGND (аналоговая земля) из библиотеки port.slb.
Внесённые в схему изменения записываются в текущий каталог в файл схемы с расширением.sch (обычным для Windows способом). Если схема создана вновь, дополнительно запрашивается имя схемы (сохранить как).
1.2.3 Редактирование параметров компонентов
Все компоненты характеризуются списком атрибутов (параметров), который открывается двойным щелчком по любой точке, находящейся внутри изображения символа компонента. На рисунке 5 в качестве примера приведены списки атрибутов биполярного транзистора и конденсатора.


Рис. 5 - Диалоговое окно редактирования атрибута транзистора а) конденсатора б)
Символ «*» слева от имени атрибута означает, что этот атрибут нельзя редактировать в режиме рисования схем (только в режиме редактирования символа). Чтобы сделать этот атрибут доступным для редактирования в режиме рисования схемы, необходимо войти в режим редактирования символа (пиктограмма
), выполнить команды Part/Attributes и установить флаг в окне Changeable schematics.
Если параметры компонента отражены на схеме (например, сопротивление резистора, ёмкость конденсатора, напряжение источника питания), их удобно редактировать индивидуально, дважды щёлкнув по нему курсором мыши. В результате открывается окно редактирования, пример которого приведён на рисунке 6.

Рис. 6 - Панель редактирования ёмкости конденсатора
2. Подготовка к моделированию
После создания схемы моделируемого устройства должны быть введены символы источников сигнала и источники питающего напряжения.
Источники сигналов представлены в системе моделирования достаточно широко (16, 17). Уделим внимание только наиболее важным и часто используемым.
Источник питания имеет имя VDC и содержит в качестве изменяемого атрибута напряжение DC =xxV.
Источник постоянного тока имеет имя IDC и содержит в качестве изменяемого атрибута ток DC=xxA.
Источник напряжения для АС анализа имеет имя VAC и содержит в качестве редактируемых атрибутов напряжение постоянного тока DC=xxV, напряжение переменного тока ACMAG=xxV и фазу ACPHASE=xx (в градусах).
Источник тока с именем IAC имеет изменяемые атрибуты, аналогичные по смыслу с атрибутами источника напряжения VAC, но, естественно, единицей измерения тока является (А).
Источник синусоидального сигнала VSIN содержит в качестве редактируемых атрибутов напряжение постоянного тока DC=xxV, напряжение переменного тока AC=xxV, напряжение смещения VOFF=xxV, амплитуду синусоидального сигнала VAMPL=xxV, частоту FRIQ=xx (в Герцах), задержку включения TD=xx (в секундах), коэффициент затухания DF=xx (в 1/с) и фазу PHASE=xx (в градусах).
Источник импульсного сигнала VPULSE содержит в качестве редактируемых атрибутов напряжение постоянного тока DC=xxV, напряжение переменного тока AC=xxV, напряжение V1=xxV в начале импульса, напряжение V2=xxV по окончании импульса, TD – задержку переднего фронта (сек.), TR – длительность переднего фронта (сек), TF – длительность заднего фронта (с), PW – длительность плоской вершины (с) и PER – период повторения.
Отметим, что всем атрибутам должно быть присвоено какое-либо значение, иначе при начале моделирования будет выдано сообщение об ошибках.
2.1 Составление задания на моделирование
Перед проведением моделирования составляется задание на моделирование по команде Analysis/Setup или при нажатии пиктограммы
. В открывшемся окне (рис. 7) нажатием курсора отмечают нужные директивы моделирования (при этом в графе Enabled появляется флаг). После нажатия соответствующей кнопки открываются диалоговые меню задания директив моделирования.

Рис. 7 - Выбор директив моделирования
2.1.1 ACSweep-расчёт частотных характеристик и уровня шума
В диалоговом окне задания параметров режима AC Sweep имеется три раздела (рис. 8).
В разделе AC Sweep Type определяют характер изменения частоты: Linear – линейная шкала; Octave – изменение частоты октавами; Decade – изменение частоты декадами.
В разделе Sweep Parameters задаются параметры диапазона частот: Total Pts – общее количество точек расчёта при выборе линейного масштаба или количество точек на октаву или декаду по частоте; Start Freq – начальная частота; End Freq – конечная частота.

Рис. 8 - Расчёт частотных характеристик и уровня шума
В разделе Noise Analysis устанавливаются параметры расчёта спектральной плотности внутреннего шума: Noise Enabled – включение режима расчёта уровня шума; Output Voltage – выходное напряжение; I/V – имя входного источника напряжения или тока; Interval – интервал расчёта парциального уровня шума.
Расчёт характеристик в частотной области производится после определения режима по постоянному току и линеаризации всех нелинейных компонентов. Все независимые источники напряжения и тока, для которых заданы значения АС-амплитуды и фазы, являются входными воздействиями.
2.1.2 DCSweep – вариация параметров при расчёте режима попостоянному току
Расчёт режима по постоянному току производится при вариации одного или нескольких источников постоянного напряжения или тока, температуры, параметров моделей компонентов схемы и глобальных параметров.
После нажатия на кнопку DC Sweep открывается основное окно (рис. 9), в котором задаются следующие параметры.
В разделе Sweep Var. Type задаётся тип варьируемого параметра: источник напряжения, температура, источник тока, параметры модели компонента, глобальные параметры.
В зависимости от выбранного типа параметра заполняется одна или несколько строк:
Name – имя варьируемого параметра (для источника напряжения, источника тока, глобального параметра);
Model Type – тип модели, например RES, DIOD, NPN (для Model Parameter);

Рис. 9 - Диалоговое окно задания цикла изменения параметров в режиме DC Sweep
Model Name – имя модели, например KT815B (для Model Parameter);
Param. Name – имя параметра (для Model Parameter, Global Parameter).
В разделе Sweep Type задаётся тип вариации параметра: Linear – линейный масштаб; Octave – логарифмический масштаб октавами; Decade – логарифмический масштаб декадами; Value List – в виде списка параметров.
Пределы изменения параметров задаются в строках: Start Value – начальное значение; End Value – конечное значение; Incremen – приращение; Value – список параметров.
Статистический анализ по методу Монте-Карло (Monte Carlo/Worst Case) не рассматривается.
Ещё одно замечание необходимо сделать о режиме Options – установка параметров моделирования. До приобретения навыков работы с программой Schematics лучше пользоваться теми опциями, которые система устанавливает по умолчанию. При ошибочно выбранных значениях некоторых параметров моделирования может быть нарушена сходимость вычислений из-за ограниченности разрядной сетки компьютера и моделирование схемы провести не удастся. Однако в некоторых случаях за счёт установки необходимых опций удаётся повысить точность расчётов, особенно связанных с определением производных.
2.1.3 Parametric – многовариантный анализ
Вариация параметров назначается по заданию Parametric. На каждом шаге вариации параметров по очереди выполняются все виды анализа характеристик цепи. Варьироваться могут все параметры всех моделей компонентов и глобальные параметры, за исключением: параметры L и W МОР-транзистора; температурные коэффициенты резисторов и других компонентов.
Приведём пример проведения многовариантного анализа по глобальному параметру А. Диалоговое окно вариации параметров имеет такое же назначение полей, как и для директивы DC Sweep (рис. 10).

Рис. 10 - Диалоговое окно вариации параметров
Например, многовариантный анализ переходных процессов при изменении амплитуды А гармонического сигнала осуществляется следующим образом: в описании синусоидального источника VSIN атрибуту VAMPL присваивается значение {A}. Далее после размещения на схеме символа стандартного компонента PARAMETRS двойным щелчком мыши вызывается диалоговое окно PartName:PARAM (рис. 11).

Рис. 11 - Окно спецификации задаваемых параметров
Далее определяется глобальный параметр А: NAME1=A и задаётся его начальное значение VALUE1=0. Это означает, что режим по постоянному току будет рассчитан при амплитуде генератора синусоидального сигнала равной нулю.
Затем будут выполнены расчёты переходных процессов согласно установкам списка значений амплитуд, установленных в окне Parametric (рис. 10): А=1V, A=5V, A=10V.
2.1.4 Temperature – вариация температуры
Список температур указывается в диалоговом окне, открывающемся после нажатия на кнопку Temperature в меню выбора директив моделирования. В этом окне указывается список значений температуры (по шкале Цельсия), для которых следует выполнить все заданные виды анализа характеристик. Если эта директива не используется, то все расчёты по умолчанию проводятся для номинальной температуры 27 оС по умолчанию.
2.1.5 TransferFunction – передаточные функции по постоянномутоку
При работе с управляющей оболочкой Schematics определение передаточных функций задаётся в диалоговом окне, открывающемся после нажатия на кнопку Transfer Function в меню выбора директив моделирования (рис. 12). В нём указываются имена входной и выходной переменной.

Рис. 12 - Определение передаточной функции
В этом случае рассчитывается передаточная функция dV(OUT1)/dV(V1). Кроме того, всегда рассчитываются входное и выходное сопротивления.
Результаты расчёта выводятся в выходной файл и могут быть просмотрены только в текстовом виде при выполнении команд Analysis/Examine Output.
2.1.6 Transient – расчёт переходных процессов
Определение параметров расчёта переходных процессов задаётся в диалоговом окне (рис. 13), открывающемся после нажатия на кнопку Transient в меню выбора директив моделирования.

Рис. 13 - Задание параметров расчёта переходных процессов
Переходные процессы всегда рассчитываются с момента времени t=0 до момента, указанного в строке Final Time, – конечное время. Перед началом расчёта переходных процессов рассчитывается режим по постоянному току. Шаг интегрирования выбирается автоматически
Если будет установлен флаг в окошке Skip initial transient solution, то расчёт режима по постоянному току отменяется. Это бывает необходимо при исследовании работы различных генераторов (11, 17).
В режиме Transient можно провести спектральный анализ. Для этого необходимо установить флаг в окне Enable Fourier и указать частоту первой гармоники Center Frequency, количество гармоник Number of harmonics и выходной узел Output Vars. В программе рассчитываются амплитуды постоянных составляющих всех указанных гармоник. Спектральному анализу подвергается последний период колебаний в конце интервала анализа. Для повышения точности расчёта рекомендуется шаг интегрирования, как это было указано выше.
Результаты спектрального анализа выводятся в выходной файл Examine Output в виде таблицы.
2.1.7 Sensitivit – анализ чувствительности выходного напряженияцепи постоянного тока к разбросам параметров компонентов
Анализ чувствительности позволяет установить, какое влияние оказывают изменения отдельных параметров компонентов схемы на узловые напряжения схемы, в частности, на выходное напряжение. Таким образом можно выяснить, какие компоненты необходимо выбирать с как можно меньшими допусками на отклонение, чтобы гарантированно обеспечить работоспособность схемы при её изготовлении в виде серийной продукции.
Результат анализа чувствительности будет помещён в выходной файл Examine Output в текстовом виде под заголовком DC Sensitivity Analysis.
Рассмотрим в качестве примера достаточно простую схему установления статического режима для одиночного транзистора (рис. 14).

Рис. 14 - Установление статического режима для одиночного транзистора
Чтобы провести анализ чувствительности, необходимо выполнить следующие действия: в открытом окне Analysis Setup установить флажок рядом с кнопкой Sensitivity и, щёлкнув по этой кнопке, открыть окно Sensitivity Analysis (рис. 15).
В этом окне необходимо установить обозначение напряжения, чувствительность которого к изменению значений компонентов схемы необходимо исследовать. Если таких напряжений несколько, их можно разделить в поле ввода с помощью пробела.
Следует отметить, что выходной файл в этом случае может оказаться огромным, особенно если схема содержит много транзисторов. Поэтому, если такого рода процедуры с различными схемами проводятся достаточно часто, необходимо периодически проводить «чистку» дискового пространства.

Рис. 15 - Окно Sensitivity Analysis с установкой для проведения анализа чувствительности напряжения в узле 2
Далее необходимо закрыть окно Sensitivity Analysis, щёлкнув по кнопке OK, и окно Analysis Setup, щёлкнув по кнопке Close.
Запустив процесс моделирования, по его окончанию результат анализа можно найти в выходном файле под заголовком DC Sensitivity Analysis:
DC SENSITIVITIES OF OUTPUT V(2)
ELEMENT ELEMENT ELEMENT NORMALIZED
NAME VALUE SENSITIVITY SENSITIVITY
(VOLTS/UNIT) (VOLTS/PERCENT)
R_R2 1.000E+03 -2.162E-03 -2.162E-02
R_R1 1.980E+03 1.085E-03 2.149E-02
V_V1 5.000E+00 9.997E-01 4.999E-02
V_V2 5.000E+00 -5.000E-01 -2.500E-02
Q_Q1
RB 1.300E+02 3.765E-06 4.894E-06
RC 1.120E+00 6.231E-07 6.978E-09
RE 0.000E+00 0.000E+00 0.000E+00
BF 3.000E+02 -2.551E-05 -7.652E-05
ISE 4.335E-08 6.845E+03 2.967E-06
BR 3.201E+00 3.770E-13 1.207E-14
ISC 5.500E-12 -1.065E+03 -5.856E-11
IS 3.628E-15 -3.576E+12 -1.298E-04
NE 1.347E+01 -5.119E-05 -6.895E-06
NC 2.000E+00 2.928E-09 5.856E-11
IKF 9.635E-02 -4.628E-03 -4.459E-06
IKR 1.000E-01 7.163E-15 7.163E-18
VAF 7.200E+01 1.134E-05 8.168E-06
VAR 3.000E+01 -1.616E-05 -4.849E-06
Смысл параметров в выходном файле следующий.
В первой колонке указано имя компонента, по вариации которого определяется чувствительность узлового напряжения V(2). Если это транзистор, то чувствительность оценивается по вариации основных параметров модели. (Физический смысл параметров модели транзистора приведён в (3).)
Во второй колонке приводится номинальное значение соответствующего компонента или параметров его модели.
В третьей колонке под именем (VOLTS/UNIT) представлено не что иное, как производная напряжения в узле 2 по соответствующему параметру компонента. Например, в первой строке представлена производная:
.
В третьей колонке чувствительность представлена следующим образом (для первой строки):
. (1)
программа моделирование pspice запуск
Как правило, при исследовании чувствительности нас интересует относительное изменение выходного напряжения при относительном изменении номинала соответствующего параметра, поэтому классическое определение чувствительности (4) выглядит следующим образом:
, (2)
откуда
. (3)
Чтобы из выражения (1) получить выражение, аналогичное (3), необходимо провести вычисления по следующей формуле:
. (4)
Естественно, что выражения типа (4) должны быть получены для каждой переменной. Однако и так очевидно, что чем больше S2, тем выше чувствительность схемы к изменению номинального значения данного компонента.
2.1.8 MonteCarlo – вероятностный анализ
Вероятностный анализ по методу Монте-Карло – это своего рода «высший пилотаж» схемотехнического моделирования. Возможно, для предлагаемого изучения элементарных схемотехнических «кирпичиков» такой вид анализа может и не потребоваться. Однако зачастую искусство проектирования радиоэлектронных схем как раз и заключается в умении создать такую схему, которая будет функционировать не только в лабораторных условиях, со специально подобранными вручную компонентами, но и в условиях серийного или мелкосерийного производства со случайным разбросом параметров компонентов.
До сих пор в процессе моделирования мы исходили из того, что компоненты проектируемых схем действительно имеют те значения, которые установлены индикатором значения: то есть если рядом с резистором стоит индикатор 1k, на самом деле резистор имеет сопротивление в 1k. Однако это предположение далеко от истины: все компоненты, используемые в электронных схемах, имеют допуски на номинальное значение.
Программа PSpice позволяет присваивать допуски параметров компонентов. Тогда в ходе одного анализа Монте-Карло одна и та же схема может моделироваться («прогоняться») до двадцати тысяч раз: каждый раз с новым набором параметров, заданных по принципу случайной выборки. Затем отдельные результаты оцениваются программой по тем критериям, которые заранее оговорены во время предварительной установки анализа.
Программа PSpice позволяет проводить анализ Монте-Карло в сочетании с анализами DC Sweep, AC Sweep и Transient. В ходе моделирования первый прогон анализа Монте-Карло всегда является «номинальным», то есть при этом все компоненты имеют свои номинальные значения.
Разброс значений компонентов может быть задан пользователем как выбором функции распределения, так и диапазоном разброса. Так, по умолчанию программа PSpice предлагает равномерное распределение (опция Uniform) в рамках заданного диапазона допуска. Возможно также и Гауссово распределение (опция Gaussian) или любое другое, определяемое пользователем (опция User Defined). Это предоставляет широчайшие возможности профессиональным разработчикам, занимающимся проектированием схем для массового производства. Однако здесь мы ограничимся только равномерным распределением параметров разброса, уже установленного в программе PSpice по умолчанию.
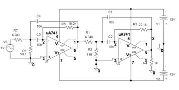
В качестве примера исследуем с помощью вероятностного анализа схему активного фильтра на операционных усилителях типа μA741 с высокой крутизной фронта амплитудно-частотной характеристики (рис. 16). Такие схемы чрезвычайно чувствительны к разбросам параметров резисторов и конденсаторов.

Рис. 16 - Схема активного полосового фильтра на операционных усилителях
На рисунке 17 приведена частотная характеристика активного полосового фильтра. Эта частотная характеристика имеет такие крутые фронты, что даже неискушённому схемотехнику придётся задаться вопросом: а сохранит ли эта схема свои качества даже при небольших разбросах параметров компонентов?

Рис. 17 - Частотная характеристика активного полосового фильтра
Чтобы провести анализ Монте-Карло, необходимо проделать следующие шаги. Всем резисторам в схеме зададим 1 % допуска, а конденсаторам – 2 %. Для этого можно было бы, войдя в таблицу атрибутов каждого элемента, задать параметр Tolerance 1 % или 2 % соответственно. Однако программа PSpice предоставляет другую возможность задать допуски.
Вначале необходимо выделить все резисторы, поочерёдно щёлкая по ним правой клавишей мышки, удерживая при этом клавишу Shift.
Далее в меню Edit необходимо выбрать опцию Attributes… В окне, которое затем откроется (рис. 18), необходимо подтвердить своё намерение одновременно изменить атрибуты всех выделенных резисторов (глобально), после чего откроется окно Global Edit Attributes (рис. 18).

Рис. 18 - Окно подтверждения намерения глобально редактировать атрибуты
Узнать, какие атрибуты являются общими для всех выделенных резисторов, можно, щёлкнув по кнопке Browse… и открыв окно Select Attribute (рис. 19).

Рис. 19 - Окно для одновременного редактирования нескольких атрибутов
Отметив строку Tolerance= (Допуск), необходимо подтвердить свой выбор щелчком по кнопке OK, после чего снова откроется окно Global Edit Attributes. В поле Value вводится требуемое значение допуска, в данном случае 1 %, и ввод подтверждается щелчком по кнопке OK (рис. 20, 21).

Рис. 20 - Окно с указанием доступных для одновременного изменения атрибутов

Рис. 21 - Окно Global Edit Attributes с установленными для всех резисторов допусками в размере 1 %
Аналогично задаются допуски в 2 % и для всех конденсаторов.
Теперь можно приступать собственно к анализу Монте-Карло. Для этого нужно открыть окно Analysis Setup, установить флажок рядом с кнопкой Monte Carlo/Worst Case… (анализ Монте-Карло/Наихудшего случая) и щёлкнуть по ней. Откроется окно Monte Carlo or Worst Case с установками для проведения анализа Монте-Карло (рис. 22).
Предварительные установки делаются, как показано на рисунке 22. В ходе моделирования будет проведено десять прогонов анализа Монте-Карло (опция MC Run) на основе анализа AC Sweep (опция Analysis Type). Все настройки в разделе Function можно оставить без изменения (по умолчанию). Они имеют значение только для выходного файла и в данный момент не представляют интереса.

Рис. 22 - Окно для установки параметров анализа Monte Carlo or Worst Case
В поле Output Var необходимо указать, какую величину следует понимать как выход. В списке MC Options выберем опцию All; в этом случае как в PROBE, так и в выходном файле будут представлены результаты всех прогонов.
Убедитесь, что все предварительные установки сделаны так, как вы хотели, и подтвердите выполненные настройки щелчком по кнопке OK, а затем запустите процесс моделирования. После того как программа завершит вычисления, откроется окно Available Sections, в котором можно выбрать для отображения на экране постпроцессора PROBE интересующие прогоны анализа Монте-Карло. Если требуются все имеющиеся данные, нужно нажать кнопку OK.
Теперь на экран может быть выведена частотная характеристика выходного напряжения полосового активного фильтра для всех десяти прогонов анализа Монте-Карло (рис. 23).
Представленные графики показывают, что фильтр не теряет работоспособность, однако его частотная характеристика претерпевает некоторые изменения.
Наряду с анализом Монте-Карло в программе PROBE можно выполнить стохастический анализ: на экране будет показано статистическое распределение величин, которые извлекаются из каждого отдельного прогона Монте-Карло с помощью целевых функций.

Рис. 23 - Поведение частотной характеристики активного полосового фильтра в ходе анализа Монте-Карло
В качестве примера изобразим в виде гистограммы статистическое распределение ширины полосы пропускания активного фильтра на уровне -3 дБ десяти полученных выше кривых (рис. 23).
В этом случае необходимо действовать следующим образом.
Необходимо удалить с экрана PROBE все графики, затем активизировать опцию Performance Analysis через меню Trace. Далее необходимо открыть окно Add Traces и отправить в строку Trace Expression целевую функцию Bandwith (1, db_level), а в скобках ввести Bandwith (V(2), 3). После щелчка по кнопке OK на экране постпроцессора PROBE создаётся гистограмма, подобная изображённой на рисунке 24 (с другими статистическими данными, соответствующими вашему моделированию, гистограмма будет выглядеть иначе).
Разумеется, ожидать подробную статистику после 10 прогонов нельзя, но теперь число прогонов можно увеличить до 399, чтобы создать более совершенную гистограмму. Чем больше прогонов будет сделано, тем тоньше будут столбцы и тем больше их будет отображено. Число столбцов можно установить, выбрав в PROBE в меню Tools/Options строку Number of Histogram Divisions (количество столбцов гистограммы). Если установить количество столбцов гистограммы 30 при 399 прогонах, гистограмма будет выглядеть, как представлено на рисунке 25.

Рис. 24 - Гистограмма статистического распределения полос частот на уровне -3 дБ при 10 прогонах
Отметим, что показать здесь использование всех целевых функций не представляется возможным. В то же время в постпроцессоре PROBE можно ознакомиться с назначением всех целевых функций и правилом их описания по процедуре Trace/Goal Function – выбор функции – View (рис. 26).

Рис. 25 - Гистограмма статистического распределения полос частот на уровне -3 дБ при 399 прогонах

Рис. 26 - Окно описания целевых функций
Приведём ещё небольшой пример того, как можно изменять параметры компонентов, если они недоступны через меню атрибутов (как это можно было сделать с резисторами и конденсаторами). Рассмотрим схему простейшего усилителя (рис. 27), у которого роль цепи смещения выполняет источник сигнала V1.

Рис. 27 - Схема простейшего усилителя на одиночном транзисторе
Сначала, как и в предыдущих случаях, необходимо маркировать транзистор (чтобы он окрасился в другой, чаще всего красный цвет), затем открыть меню Edit и выбрать в нём строку Model… Откроется окно Edit Model, где нужно щёлкнуть по кнопке Edit Instance Model (Text)… (Редактировать модель образца…). Откроется редактор моделей с параметрами транзистора. Рядом с параметром Bf (усиление тока) следует в качестве дополнения ввести допуск Dev=50 % (рис. 28).

Рис. 28 - Редактор моделей с TN15; усиление тока базы имеет разброс 50 %
Программа автоматически присваивает этой модели новое имя – (TN15-Х). Созданная модель действительна только для данной схемы. Она сохраняется в той же директории, что и рисунок, только с расширением файла.lib. Новую модель можно присвоить и другим транзисторам схемы. Для этого нужно выделить изменяемый компонент, затем открыть окно Edit Model и щёлкнуть в нём по кнопке Change Model Reference… (Изменить название модели…). В открывшемся окне можно изменить имя модели на редактированное. Такой способ позволяет создавать локальные модели, не трогая основную текстовую библиотеку моделей.
Анализ коэффициента усиления по напряжению транзисторного каскада при изменении коэффициента усиления тока базы на 50 % приведён на рисунке 29. Коэффициент усиления на частоте 10 кГц при номинальном значении коэффициента усиления тока базы составляет 9,23.

Рис. 29 - Частотная характеристика усилителя на одиночном транзисторе
Обратите внимание: построение, например, частотной характеристики целесообразно проводить при небольшом числе прогонов, например Далее, после построения гистограммы по выбранной целевой функции при числе прогонов 10 и числе столбцов гистограммы тоже 10, целесообразно увеличить число прогонов анализа Монте-Карло вплоть до 399 и довести число столбцов до 30-40. В этом случае время, необходимое для выполнения анализа, и объём выходного файла будут приемлемыми.
Гистограмма, построенная с помощью