ГЗЗ із транзисторами у ключовому режимі
ГЗЗіз транзисторами у ключовому режимі
Генераторні транзистори в сучасних передавачах працюють, як правило, з повним використанням за потужністю, особливо у вихідних каскадах.
Вимога високої надійності роботи транзисторів у цих каскадах зводиться насамперед до вибору режимів, у яких струми і напруги свідомо нижче максимально допустимих, а потужності розсіювання мінімальні. Остання вимога – мінімізація потужності розсіювання на транзисторах головним чином відноситься до біополярних транзисторів (БТ), однак і для полярних транзисторі (ПТ) воно не може бути зайвим.
Проблема мінімізації потужності, що розсіюється, на ЕП у ГЗЗ зводиться, по–перше, до максимального наближення форми імпульсів колекторного (стокового) струму і напруги на колекторі (стоці) до меандру і, по–друге, до створення таких умов для транзистора, при яких він знаходиться або в стані відсічення, або в стані насичення.
а)
б)
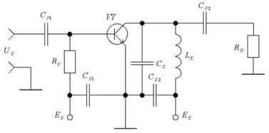
Рисунок 1 – Схема транзисторного ГЗЗ у ключовому режимі
Реалізація цих умов можлива, наприклад, у ГЗЗ на БТ за схемою рис. 1,а. Якщо в ланцюг бази подати великий струм збудження ІБ, то при порівняно великому RH транзистор буде знаходитися практично тільки в одному з двох станів: відсічення або насичення. Такий режим роботи ЕП називається ключовим.
Еквівалентна схема ГЗЗ має вигляд, зображений на рис. 1,б. Тут транзистор замінений ключем Кл з послідовно уключеним rнас. У цій схемі в сталому режимі через дросель LK тече незмінний по величині струм ІК0. При замиканні ключа струм ІКm = ІК0 + ІК~ спрямовується крізь транзистор, на якому створюється спадання напруги еост = ІКmrнас.
На цьому інтервалі заряджений конденсатор Ср2 і навантаження RH включені паралельно джерелу постачання і дроселеві. При розмиканні ключа на колекторі транзистора виникає напруга еКmах = ЕК + UK = EK + RнІК~ (рис. 2,а). На цьому інтервалі заряджений дросель уключений послідовно з джерелом постачання колекторного ланцюга.
Думаючи, що імпульси колекторного струму мають прямокутну форму (рис. 2,а) з кутом відсічення
, можна послідовність цих імпульсів розкласти у ряд Фур'є:
![]()
Тут n — номер гармоніки;
— коефіцієнти розкладання для прямокутного імпульсу:
;
.
Амплітуда першої гармоніки колекторного струму
при
= 90° має максимум і дорівнює
. При цьому від ГЗЗ можна одержати найбільшу потужність на першій гармоніці. Максимум же ККД по першій гармоніці виходить при
65°, тобто при максимальному відношенні
.
Розглянемо випадок, коли кут відсічення колекторного струму
= 90°. Стан насичення має місце, якщо ІКm = SгреКгр. Складового колекторного струму ІК0=ІК~=ІКm/2. Амплітуда напруги на колекторі UК = ІК~Rн = ІКmRн/2 = Ек–ІКmrнас. Споживана колекторним ланцюгом потужність від джерела постачання:
Р0 = ІК0ЕК = ЕКmІКm/2(1)
Потужність, що розсіюється на транзисторі, дорівнює потужності втрат на опорі
Рпот = І2Кmrнас/2 = Р0еКост/ЕК; (2)
де коефіцієнт 1/2 враховує, що
= 90°. Для колекторного ланцюга ККД
,(3)

а) б)
Рисунок 2 – Епюри струмів і напруг у ключовому ГЗЗ
Тут корисною потужністю на навантаженні є потужності всіх гармонік колекторного струму. На відміну від раніше уживаного ККД, де в якості корисної потужності враховується тільки потужність першої гармоніки
, ККД, введений у (3), будемо називати електронним і позначимо
.
Розрахунки показують, що для сучасних БТ еКост/ЕК
0,03.. .0,1 і ![]()
97...90%; для ПТ із довгим каналом еС ост/ЕС
0, 2. ..0,3 і ![]()
80.. .70%; для ПТ із коротким каналом eC ост/EС
0,05. ..0, 12 і ![]()
95.. .88%.
При використанні ГЗЗ із ЕП у ключовому режимі в передавачах необхідно, щоб коливання в навантаженні були гармонійними, а навантаження ЕП було б резестивним, тобто однакової для всіх гармонік колекторного струму. Таке навантаження можна здійснити за схемою, приведеної на рис. 3, де Rб = Rн.
транзистор потужність ключовий навантаження
Фільтр НЧ пропускає коливання першої гармоніки до навантаження Rн, фільтр ВЧ — усі частоти, починаючи з другої гармоніки і вище, до баластового опору Rб.

Рисунок 3 – ГЗЗ і навантаженням у вигляді “вилки фільтрів”
Визначимо потужність Р1, що віддається ГЗЗ у навантаження Rн. Знайшовши амплітуди перших гармонік колекторного струму
і напруги на колекторі
одержимо:
.(4)
По першій гармоніці ККД
. Підставивши в це вираження (4) і (1), знайдемо:
.(5)
Звідси випливає, що, хоча
, як правило, не вище, ніж ККД ГЗЗ з резонансним навантаженням (дійсно, при ![]()
= 0,9
= 0,72), потужність, що розсіюється на транзисторі у ключовому режимі, істотно нижче, оскільки тут сумарна потужність гармонік другої і вище розсіюється на баластовому опорі.
Режим збудження транзистора, що працює у ключовому режимі, вибирається звичайно з умов одержання
= 90° і прямокутної форми імпульсу ік.
Перша умова виконується, якщо вибрати
, друге — якщо обрати коефіцієнт насичення в ланцюзі транзистора
дорівнює 2...4. Іншими словами, струм збудження ІБmax встановлюється в 2...4 рази більше, ніж у граничному режимі.
Максимальна напруга на виході транзистора буде UEmax = Е'Б + ІБmахrб, а коефіцієнт підсилення по потужності
приблизно в Sн раз менше, ніж у граничному режимі. При виборі Ек звичайно виходять з умови еК mах = ЕК + UK < еК доп і UБ max < еБЕ доп .
Наведені вище співвідношення для потужності, ККД і Кр справедливі при роботі ГЗЗ на порівняно низьких частотах
, де практично непомітний вплив ряду причин, що ускладнюють роботу ГЗЗ у ключовому режимі на високих робочих частотах. Розглянемо вплив трьох таких причин.
1 Утрати через інерційність транзистора обумовлені тим, що перехід транзистора зі стану відсічення в стан насичення і назад, строго говорячи, займає якийсь час:
— для переднього фронту і
— для заднього фронту (зрізу).
Протягом цих інтервалів транзистор знаходиться в активній області, де втрати, тобто потужність, що розсіюється на колекторному переході, більше, ніж у режимі насичення. Тут сплески втрат на транзисторі відзначені цифрами 1. Середнє значення втрат через інерційності пропорційно час, коли вони мають місце:
. Прийнявши передній і задній фронти імпульсів іК і UK у вигляді прямих, знайдемо відносну потужність втрат у транзисторі:
.(6)
Тут Т — період робочої частоти ГЗЗ: Т = 1/fр. Максимальна робоча частота, при роботі на якій ці втрати будуть не більше 3%, виходить з (6):
.
Комутативні втрати в ГЗЗ на транзисторах у ключовому режимі виникають через наявність у схемі ГЗЗ (див. рис. 1,я) паразитних елементів Сп і Lп.
Приведена до виходу транзистора ємність Сп майже дорівнює ємності колектор–база Ск, оскільки Ск
Сд і Ск
Се.
На інтервалі відсічення ємність Сп заряджається до напруги 2ЕК – еК ост, а потім відразу після переходу транзистора в режим насичення розряджається на опір rнас.
Унаслідок цього на початку кожного імпульсу колекторного струму виникає вузький розрядний імпульс U1, (див. рис. 2,6), а на епюрі потужності втрат з'являється додатковий сплеск 2 (див. рис. 2,6 унизу).
Потужність утрат через ємність Сп пропорційна цієї ємності, квадратові напруги Ек і частоті появи сплесків, тобто робочій частоті fp :
.(7)
Розподілена індуктивність монтажу колекторного ланцюга LП виявляється в момент переходу транзистора зі стану насичення в стан відсічення у виді сплеску напруги U2 на цій індуктивності. Запасена в LП енергія розсіюється при дозарядкці конденсатора Сп, а також на опорі транзистора під час проходження їм активного стану (на епюрі потужності втрат — сплеск 3).
Утрати потужності через Lп пропорційні величині індуктивності Lп, робочій частоті fp і квадратові прохідного струму ІKm:
.(8)
Потужність Р"п ком стає помітної на дуже високих частотах. Максимальні робочі частоти, при яких відносні втрати
і
виявляються близько 3%, можуть бути знайдені з виражень
.
Збудження транзисторів, що працюють у ключовому режимі, звичайно виробляється гармонійним струмом з великою амплітудою, при якій імпульси іК мають майже прямокутну форму. Тому потужність, споживана базовим ланцюгом від попереднього каскаду, виявляється порівняно великий, а коефіцієнт підсилення по потужності Кр ГЗЗ у ключовому режимі помітно нижче чим КР ГЗЗ у ННР. Недоліки ГЗЗ у ключовому режимі з активним навантаженням — швидкий ріст утрат зі збільшенням робочої частоти і низьке значення КР — обмежують область їхнього застосування.
Істотно нижче втрати при роботі на високих частотах мають ГЗЗ у ключовому режимі з формуючим контуром. Ідея такого ГЗЗ полягає в тому, що паразитні елементи Сп і Lп у цьому ГЗЗ входять до складу коливального контуру CкLк (рис. 4), транзистор знаходиться в одному з двох станів: відсічення або насичення і відкривається і закривається в ті моменти часу, коли напруга на колекторі (на ємності Ск) дорівнює нулеві.
Схеми ГЗЗ у ключовому режимі з активним навантаженням (див. рис. 1) і формуючим контуром (рис. 4) однакові; розходження полягає лише в тім, що в другій схемі елементи Ск, Lк, Cб2 утворюють коливальний контур, набудований на частоту, близьку до робочої.

Рисунок 4 – Схема ГЗЗ з формованим контуром

Рисунок 5 – Епюри струмів і напруг у ГЗЗ з формуючим контуром
Розглянемо коротко роботу такого ГЗЗ у сталому режимі. Нехай транзистор закритий, а на ємності Ск максимальна напруга. З часом конденсатор Ск розряджається на індуктивність Lк. У залежності від внесеного опору втрат у контур
розряд може йти по одній із трьох траєкторій (рис. 5,6): 1 — загасання занадто велике; 2 — загасання мале; 3 — оптимальне загасання. При цьому загасанні в момент t1, коли UK = UCK виявляється рівним нулеві, також дорівнюють нулеві похідна dUК/dt = 0 і струм у котушці контуру Lк.
Струм збудження і його частота підібрані так, що в момент t1, відкривається транзистор, конденсатор Ск шунтуєьтся малим опором rнас і коливальний процес припиняється. З'являється струм через індуктивність і наростає пропорційно часу (рис. 5,в).
У момент t2 під впливом струму збудження транзистор зачиняється при напрузі на ньому еск = ік (t2) rнас. Починаючи з моменту Lк, що тече крізь Lк струм заряджає ємність Ск. У момент t3 ємність Ск знову зарядиться до максимальної напруги, струм через котушку Lк упаде до нуля і почнеться наступний цикл (рис. 5,г). Розглянутий ключовий режим ГЗЗ називають оптимальним. При цьому режимі втрати в транзисторі виявляються мінімальними.
З епюр на рис. 5 видно, що напруга ек на колекторі і, отже, на навантаженні Rн досить сильно відрізняється від гармонійного. Для того щоб зробити напругу на навантаженні Rн гармонійним, перед нею включають фільтр (у найпростішому випадку – послідовний коливальний контур, набудований на частоту fp).
Зміна режиму ГЗЗ при цьому виявляється незначним, оскільки внесений опір у контур LкCкCб2 на частоті першої гармоніки зберігається первісним, а рівні другої і вищої гармонік порівняно малі.
Експериментальні дослідження показують, що ККД по першій гармоніці ГЗЗ із формуючим контуром в оптимальному режимі практично дорівнює електронному ККД:
, а максимальна робоча частота такого ГЗЗ
тобто в 2...15 разів вище, ніж для ГЗЗ з активним навантаженням. Показники ГЗЗ майже не змінюються в діапазоні робочих частот
де
— резонансна частота формуючого контуру.
Істотним недоліком ГЗЗ із формуючим контуром є досить високий пік–фактор напруги на транзисторі UK max
(3,3…4) ЕК, у зв'язку з чим приходиться вибирати знижені значення ЕК, що трохи знижує Р1, і ККД.