Расчет приемника наземной обзорной РЛС
Основной особенностью РЭО летательных аппаратов является то, что оно работает в системе УВД, будучи связано с ней функционально или электрически.
Радиотехнические средства обеспечения полетов системы УВД используются для управления воздушным движением и оказания помощи экипажу при выполнении полетного задания в целях повышения безопасности и регулярности полетов ЛА. Они размещаются в определенных наземных пунктах или на искусственных спутниках Земли (ИСЗ). Наземные средства РЭО - основные информационные датчики системы УВД - состоят из стационарных частей неавтономных радиосистем ближней и дальней навигации (РСБН, РСДН), радиотехнических систем посадки (РСП), автономных радиолокаторов - трассовых (ТРЛ), обзорно-диспетчерских (ОДРЛ), вторичных (ВРЛ), посадочных (ПРЛ), а также радиостанций ДКМВ - и МВ-диапазонов.
Обзорный радиолокатор аэродромный (ОРЛ-А) предназначен для обнаружения и измерения координат (азимут-дальность) воздушных судов в районе аэродрома с последующей передачей информации о воздушной обстановке в центры (пункты) обслуживания воздушного движения (ОВД) для целей контроля и обеспечения управления воздушным движением.
ОРЛ-А должен быть размещен таким образом, чтобы в секторах ответственности зоны ОВД величины углов закрытия по углу места с высоты фазового центра антенны ОРЛ-А составляли не более 0,50 при работе в автономном режиме.
Основные характеристики ОРЛ-А:
Максимальная дальность действия:не менее 160 км (вариант Б1) или 50-100 км (вариант Б2).
Минимальная дальность действия, не более 2 км (вариант Б1) или 1.5 км (вариант Б2).
Угол обзора в горизонтальной плоскости 3600.
Период обновления информации, не более 6 с.
Диапазон рабочих волн: 23 или 10 см.
Среднеквадратическая ошибка определения координат цели но выходу с АПОИ:
- по дальности, не более 200 м,
- по азимуту, не более 0.40.
Указанные нормативы установлены для вероятности обнаружения не менее 0.8 при вероятности ложной тревоги равной 10-6 по воздушным судам с эффективной отражающей поверхностью, равной 15 м2, при высоте полета воздушного судна 6000 м.
1. ВЫБОР СТРУКТУРНОЙ СХЕМЫ И РАСЧЕТ ОСНОВНЫХ ПАРАМЕТРОВ.
1.1 Выбор типа схемы приемника
Высокие требования к электрическим характеристикам современных профессиональных приемников предопределяют их построение по схеме супергетеродина.
1.2 Расчет требуемой полосы пропускания
Расчет числа преобразований и промежуточных частот начинаем с определения полосы пропускания приемника П. Она зависит от ширины спектра принимаемого сигнала Пс, при которой обеспечивается воспроизведение передаваемых сообщений с допустимыми искажениями, запаса на доплеровское смещение частоты сигнала от подвижного объекта fд, нестабильности и неточности настройки приемника Пнс:
П = Пс + 2 fд + Пнс.
Найдем эти составляющие.
Для приемников импульсных радиосигналов приемника обнаружения:
Пс = (1...2) /,
где t - длительность принимаемого импульса.
Для приемника обзорной РЛС требуется обеспечить обнаружение зондирующих импульсов, тогда в этом случае ширина спектра:

где и - длительность принимаемых импульсов.
Общая нестабильность частоты и неточность настроек:
,
fc и fг - абсолютные нестабильности несущей частоты сигнала и частоты гетеродина,
fн и fп - неточность настроек гетеродина и УПЧ. Обычно принимают![]()
Абсолютные нестабильности частоты сигнала и гетеродина при его нижней настройке и предполагаемой промежуточной частоте:
Гц,
А также неточность настройки УПЧ:
![]()
![]()
![]()
Тогда:
![]()
Доплеровское смещение несущей частоты fс сигналов, принимаемых от передатчика, который перемещается относительно приемника с радиальной скоростью vр: fд = fс vр / c ,
где c = 3*105 км/с - скорость распространения радиоволн. Для РЛС, работающей по отраженному сигналу, это смещение удваивается. Тогда:

Найдем требуемую полосу пропускания приемника П:
![]()
Величина полосы пропускания оказалась слишком большой, поэтому используем схему автоподстройки частоты с коэффициентом
. Тогда новое значение полосы пропускания:

1.3 Выбор промежуточной частоты:
Промежуточная частота должна:
быть вне диапазона рабочих частот;
обеспечивать заданное ослабление зеркального канала при простой схеме преселектора;
обеспечивать необходимую полосу пропускания приемника.
Выбор значения промежуточной частоты рекомендуется производить из ряда:
0.115; 0.215; 0.465; 0.5; 0.75; 0.915; 1.2; 1.5; 1.9; 2.2; 4.5; 6.5; 10; 15; 30; 60; 100 МГц.
В технически обоснованных случаях могут быть использованы и другие частоты. При этом промежуточная частота не должна находиться в диапазоне рабочих частот приемника или близко от границ этого диапазона, не должна совпадать с частотой какого-либо мощного передатчика.
Радиолокационные приемники строятся, как правило, по схеме с однократным преобразованием, причем требования к ослаблению побочных каналов обычно невысоки (не более 20 дБ). Промежуточная частота определяется длительностью зондирующего импульса РЛС
fпр = (10 … 20) / .
Номинал fпр выбирается тоже из указанного выше ряда частот. Для уменьшения уровня шумов коэффициент прямоугольности тракта УПЧ приемника РЛС следует выбирать порядка Кпsc = (1.8 … 2), если нет каких-либо дополнительных условий. Таким образом, минимально допустимое значение промежуточной частоты:

Для уменьшения влияния зеркального канала желательно существенно увеличить это значение. Поэтому выбираем
Гц.
1.4 Выбор активных элементов и расчет их параметров
Число каскадов УПЧ зависит от усиления отдельных каскадов, числа резонансных систем, необходимых для получения .требуемой избирательности, общего коэффициента усиления радиоприемника, при котором обеспечивается нормальная работа демодулятора.
Требуется определить параметры полевого транзистора типаКП305Д на рабочих частотах fpi при токе стока Iст.
![]()
Максимальная частота поддиапазона.
Таблица 1.

Исходные данные транзистора:
![]()
Крутизна характеристики.
![]()
![]()
Входная емкость в схеме с общим истоком.
![]()
Проходная емкость в схеме с общим истоком.
![]()
Выходная емкость в схеме с общим истоком.
![]()
Напряжение Uси, при котором измерены параметры.
Ток стока в типовом режиме.
![]()
![]()
Максимально допустимый ток.
![]()
Максимально допустимое напряжение сток-исток.
![]()
Сопротивление истоковой области (Rи = (30...50) Ом).
![]()
Сопротивление затвор-исток (Rзи = (1010...1015) Ом).
![]()
Сопротивление сток-исток (Rзи = (104...106) Ом).
![]()
Максимальный коэффициент шума, дБ.
Исходные параметры для расчета схемы.
![]()
Ток в рабочей точке.
![]()
Напряжение сток-исток в рабочей точке.
Предварительные расчеты.
![]()
Среднее значение крутизны для выбранного транзистора.
Расчет высокочастотных параметров транзистора.
Для транзистора, включенного по схеме с общим истоком, внутренние параметры рассчитываем по формулам:

![]()
Входная проводимость.
Входная емкость

Прямая взаимная проводимость.
![]()
![]()
Прямая взаимная емкость.

![]()
Обратная взаимная проводимость.
![]()
Обратная взаимная емкость.


![]()
Выходная проводимость.

Выходная емкость.
Определим Y-параметры транзистора.
![]()
![]()
![]()
![]()
Вычислим коэффициент устойчивого усиления транзистора на нужной частоте:

Вычислим Y-параметры для каскодных схем:
![]()
![]()

![]()

1.5 Распределение избирательности и полосы пропускания между трактами приемника
В супергетеродинном приемнике избирательность по соседним каналам, в основном, реализуется в каскадах усиления основной промежуточной частоты. Поэтому ширина полосы пропускания тракта усиления основной промежуточной частоты берется близкой к полосе всего радиотракта с небольшим запасом:
![]()
Причем коэффициент прямоугольности Кп должен удовлетворять условию заданного ослабления соседних каналов приема на уровне заданной избирательности. Тогда:
Кп = 2 fск / П,
где fск - разнос соседних каналов.
Как правило, для приемников РЛС не задают разнос соседних каналов, так как в пределах прямой видимости стараются близко не размещать другие передатчики, работающие на близких частотах.
Избирательность по зеркальному каналу обеспечивается преселектором, а избирательность по побочным каналам - фильтрами в цепях выделения промежуточной частоты.
По заданному ослаблению побочных каналов и следует рассчитывать все избирательные системы.
1.6 Расчет коэффициента шума
Структура радиоприемного устройства, работающего на частотах выше 30 МГц, особенно принципы построения его первых каскадов, в значительной степени определяются заданной чувствительностью. Если в диапазонах километровых, гектометровых и декаметровых волн внешние помехи больше уровня внутренних шумов приемника, то в метровом, дециметровом и сантиметровом диапазонах приходится учитывать собственные шумы преимущественно первых каскадов, что часто налагает особые требования на их проектирование. Важным параметром при этом является коэффициент шума N.
Коэффициент шума радиолокационного приемника можно получить из уравнения максимальной дальности Dмакс действия РЛС:
, где
Pи - мощность излучения РЛС в импульсе;
и - длительность импульса;
nи - число импульсов, отраженных от цели,
Ga - коэффициент направленного действия (КНД) антенного устройства;
ц - отражающая поверхность цели;
Sа - эффективная площадь антенны РЛС;
- КПД приемо-передающего тракта;
q - коэффициент различимости, т.е. отношение сигнал/шум на входе детектора;
прм - коэффициент потерь в приемном тракте, зависящий от неоптимальности обработки сигналов, памяти системы, числа накапливаемых импульсов;
кмз - коэффициент километрового затухания радиоволн в атмосфере, дБ/км.
Входящие в эту формулу величины содержатся в тактико-технических требованиях к приемнику РЛС, а также могут быть вычислены на основе анализа этих требований.
В частности, длительность импульса и находится через связь ее с потенциальной разрешающей способностью РЛС по дальности D:
и = 2 D / c,
где c - скорость распространения радиоволн.
![]()
что не совсем согласуется с исходными цифрами задания. В нем длительность импульсов задана на уровне
с.
Длина волны на частоте сигнала (в м):

Раскрыв антенны в горизонтальной плоскости (dа = (10 ... 30) ):
![]()
Ширина диаграммы направленности антенны:

Так как сектор углового обзора не задан, примем его круговым:
![]()
Время облучения цели в секундах (длительность пачки импульсов):

Количество импульсов, отраженных от цели:
![]()
Для однозначности измерения дальности до объектов период повторения импульсов должен удовлетворять следующему условию:
Тп = 2.5 Dмакс / C.

- условие выполняется.
Эффективная площадь антенны связана с КНД антенны:
Sa = 2 Ga / (4 ).
Длина волны на частоте сигнала (в м):
![]()
Эффективная площадь антенны (в км2):

КПД приемо-передающего тракта определяется потерями в высокочастотных цепях; обычно =(0,5...0.9). Принимаем:
![]()
Для приемников РЛС можно взять q = (1 … 3) ((1) c. 94).
![]()
Коэффициент прм = 1 может быть представлен произведением:
прм = 1 2, где:
1 характеризует потери на неоптимальную обработку одиночного импульса;
2 учитывает потери на неоптимальную обработку при накоплении импульсов пачки.
Чем ближе процесс обработки сигнала в приемном тракте к оптимальному, тем прм ближе к единице. Если приемник построен так, что выделение одиночных импульсов пачки осуществляется за счет согласования полосы приемника с полосой принимаемого сигнала, то 1 = 1.2. При этом Пс = 1.3 / и. Если в качестве накопителя импульсов пачки используется интегрирующее устройство или свойство послесвечения экрана электронно-лучевой трубки индикатора, то
.
Берем:
![]()
![]()
![]()
Тогда:
Для определения коэффициента километрового затухания радиоволн в атмосфере в зависимости от длины волны, на которой работает РЛС, следует воспользоваться графиком, показанным ниже.График учитывает влияние различных метеоусловий на прохождение радиоволн.

Рисунок 1. Влияние различных метеоусловий на прохождение радиоволн.
Сплошные кривые на рисунке отображают поглощение в дожде:
1 - мелкий дождь с осадками 0.25 мм/ч;
2 - слабый дождь (1 мм/ч);
3 - средний дождь (4 мм/ч);
4 - сильный дождь (16 мм/ч);
5 - очень сильный дождь (100 мм/ч).
Пунктирные линии определяют поглощение в тумане и облаках:
6 - при плотности конденсированной воды 0.032 г/м3 и видимости ок. 600 м;
7 - при плотности конденсированной воды 0.32 г/м3 и видимости ок. 120 м;
8 - при плотности конденсированной воды 2.3 г/м3 и видимости ок. 30 м.
В наихудшем случае километровое затухание в дБ:
![]()
То же в линейных единицах:

Теперь можно найти коэффициент шума радиолокационного приемника, удовлетворяющий заданным условиям:

Рассчитанный коэффициент шума должен быть обеспечен за счет рационального выбора структуры первых каскадов приемника. При этом учитывают их ориентировочные показатели, указанные в таблице 2 ((1) c. 16)
Таблица 2

В таблице 2 обозначены:
Nмин - минимальный коэффициент шума цепи;
Kp - коэффициент передачи цепи по мощности,
Ксв и Копт - принятое и оптимальное значение коэффициента связи,
Тc- относительная шумовая температура смесителя;
Kpпч - коэффициент передачи преобразователя частоты по мощности.
Коэффициент шума супергетеродинного приемника:
, где
Nвц, Nурч, Nпч, Nупч - коэффициенты шума входной цепи, УРЧ, преобразователя частоты и УПЧ соответственно;
Kpвц, Kpурч, Kpпч - коэффициенты передачи мощности входной цепи, УРЧ и преобразователя частоты;
Lф = 10 -0.1 Ч bф Ч lф - коэффициент передачи мощности антенно-фидерного тракта;
bф - погонное затухание;
lф - длина фидера.
Задачей предварительного расчета является подбор такой структуры приемного тракта устройства, при которой наряду с прочими заданными параметрами обеспечивается коэффициент шума не более допустимого, найденного по приведенным выше соотношениям. Найдем величины, входящие в вышеприведенную формулу.
При согласовании антенны со входом приемника Kсв = Kопт. Тогда для входной цепи коэффициент передачи по мощности и коэффициент шума:
![]()
![]()
Оценим коэффициент шума приемника без УРЧ.
При использовании балансного смесителя на полупроводниковых диодах необходимо знать относительную шумовую температуру смесителя - Тc и коэффициент передачи преобразователя частоты по мощности - Kpпч . В соответствии с рабочей частотой приемника используем в смесителе ТКД типа 3А111Б. Его данные:
![]()
![]()
Отсюда имеем:

Коэффициент шума выбранного ранее для УПЧ транзистора:

Коэффициент шума первого каскада УПЧ:
![]()
Погонное затухание в антенно-фидерном тракте (1) с. 15 в дБ/м:
![]()
![]()
Зададимся длиной фидера (в м):
Коэффициент передачи мощности антенно-фидерного тракта:
![]()
Коэффициент шума приемника без УРЧ:

Рассчитанный коэффициент шума больше допустимого, поэтому рассмотрим вариант преселектора с УРЧ в виде каскодного транзисторного усилителя. Для него из таблицы имеем:
![]()

Тогда коэффициент шума приемника с УРЧ:

Рассчитанный коэффициент шума меньше допустимого, поэтому продолжим расчет.
1.7 Расчет требуемой чувствительности приемного тракта
Шумовая полоса приемника:
![]()
Чувствительность приемного тракта определим из соотношения:
![]()
1.8 Расчет коэффициента усиления приемника до детектора и распределение усиления по трактам
Распределение усиления в приемнике определяется двумя противоречивыми условиями ((2) с. 90):
а) с одной стороны, следует стремиться к увеличению усиления во входных цепях и каскадах приемника, так как чем больше коэффициент усиления по мощности первого и следующих за ним каскадов, тем меньше общий коэффициент шума приемника и лучше его чувствительность;
б) с другой стороны, усиление во входных каскадах приемника с точки зрения многосигнальной избирательности должно быть небольшим, чтобы амплитуда сигнала (полезного и мешающего) не превышала диапазона линейности первого, второго и т. д. каскадов УРЧ, первого преобразователя и т. д. до фильтра основной селекции, относительно слабо защищенных перестраиваемыми по диапазону избирательными системами.
Структура каскадов преселектора определяется требованиями к коэффициенту шума и ясна из предварительного расчета. Теперь найдем количество каскадов в тракте УПЧ.
На основании расчитанных ранее величин, мощность сигнала на входе УПЧ составит:
![]()
Напряжение сигнала на входе первого каскада УПЧ при согласовании этого каскада со смесителем и входной проводимости каскада примерно равной проводимости предполагаемого к применению транзистора (проводимость делителя смещения gдел << g11э):

Для нормальной работы импульсного детектора в линейном режиме требуется, чтобы напряжение на его входе Uвх_дет = (0.5 ... 3) В. Возьмем:
![]()
ринимаем коэффициент запаса для учета старения электронных приборов в процессе эксплуатации:
![]()
Тогда требуемый коэффициент усиления тракта промежуточной частоты:

Так как не предъявлено жестких требований к избирательности, то выбираем УПЧ с распределенной избирательностью и одноконтурными настроенными каскадами.
Полагаем усиление каждого каскада равным устойчивому в схеме с каскодным соединением. Ранее мы вычислили этот коэффициент. Тогда минимальное число каскадов для получения заданного усиления:

Округляем до ближайшего большего целого:
![]()
Уточняем усиление каждого каскада:

Находим коэффициент расширения полосы каждого каскада (1) c. 272:
![]()
Определяем необходимое эквивалентное затухание контуров:

1.10 Составление структурной схемы приемника
На основании предварительного расчета была определена структура приемника и получены исходные данные для электрического расчета отдельных каскадов.
Структурная схема проектируемого приемника приведена на рисунке .

Рисунок 2. Структурная схема проектируемого приемника.
![]()
Резонансный усилитель УПЧ и УРЧ.
![]()
Смеситель.
![]()
Радиочастотный генератор гармонических сигналов - гетеродин.
![]()
Детектор радиоимпульсов.
![]()
2. ЭЛЕКТРИЧЕСКИЙ РАСЧЕТ
2.1 Проектирование антенного переключателя
Защиту входного каскада радиолокационного приемника от перегрузки и повреждения СВЧ сигналами от собственного передатчика РЛС или от внешних источников помех в полосе рабочих частот осуществляют разрядниками защиты приемника (РЗП) и ограничителями СВЧ мощности на плупроводниковых диодах.
В целом эти устройства объединяются в антенный переключатель (АП).
С помощью АП осуществляют подключение антенны к тракту передатчика и запирание приемника на время излучения мощного импульсного сигнала, а после окончания действия импульса - подключение с минимальной задержкой выхода антенны к входу приемника и отключение тракта передатчика. Выбор конкретного типа АП зависит от мощности зондирующего сигнала и вида устройств, следящих за АП. При импульсной мощности сигнала порядка 100-150 кВт. АП обычно строят по следующей схеме: ферритовый циркулятор, РЗП и диодный резонансный СВЧ-ограничитель. При мощности излучаемого сигнала 1-2 кВт и менее разрядник может быть исключен.
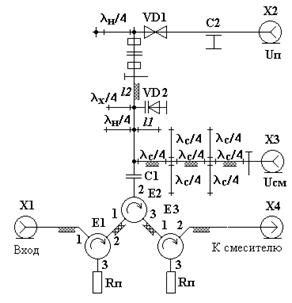
Схема АП показана на рисунке.

Рисунок 3. Схема антенного переключателя.
Циркулятор E - устройство, обладающее следующими свойствами: при подаче сигнала на плечо 1 циркулятора выходной сигнал появляется в плече 2 с очень малым (порядка 0.2…0.5 дБ) ослаблением, в то время как в плече 3 он существенно (на 13 … 25 дБ) ослабляется. Аналогично, при поступлении на плечо 2 он без ослабления появляется на плече 3 и не проходит на выход плеча 1. В АП вместо четырехплечего циркулятора используют два трехплечих циркулятора, соединенных последовательно, которые проще в изготовлении и обладают меньшими потерями.
В АП сигнал от передатчика (сигнал высокого уровня) поступает на плечо 1 циркулятора E1 и через плечо 2 поступает в антенну. Лишь небольшая ослабленная по мощности часть сигнала проходит на плечо 3 и через циркулятор E2 попадает на вход разрядника U1. Мощности сигнала достаточно для зажигания разрядника, на который через сопротивление резистора R1, равное 2 … 4 МОм, подают напряжение поджига Uпд = 700 В (Pз < 150 … 1000 мВт). Разрядник создает в линии передачи практически короткое замыкание, и СВЧ-сигнал, отражаясь от него в направлении к циркулятору E2, поглощается в согласованной нагрузке Rп, чем достигается защита УСВЧ или смесителя от выжигания.
После зажигания поступающая мощность резко уменьшается и составляет не более 50 ... 70 мВт. Выделяющиеся энергия СВЧ и мощность во время действия плоской части импульса могут вывести из строя или необратимо ухудшить параметры диодов ППУ или смесителя.
Для предотвращения этого после разрядника ставят резонансный СВЧ-ограничитель, включаемый в основную линию через отрезок линии длиной l / 4. Он представляет собой параллельное соединение разомкнутого емкостного шлейфа l1 и последовательно соединенных ограничительного диода VD1 и короткозамкнутого шлейфа l2.
Для сигнала высокого уровня диод VD1 эквивалентен последовательному соединению индуктивности выводов (порядка 0.2 … 2 нГ) и малого активного сопротивления потерь Rв = 1.3 … 2 Ом. Последовательно соединенные диод, короткозамкнутый шлейф l2 (его реактивное сопротивление носит индуктивный характер) и разомкнутый емкостный шлейф l1 (eгo емкость C1) образуют параллельный резонансный контур. Волновое сопротивление шлейфов l1 и l2 выбирают порядка 40 Ом. Сопротивление контура при резонансе достаточно велико и четвертьволновый отрезок линии l3 оказывается практически разомкнут, а его входное сопротивление близко нулю. Вследствие этого просачивающаяся энергия отражается в обратном направлении. Ослабление сигнала высокого уровня в ограничителе составляет 15 … 20 дБ, что обеспечивает работу последующих устройств.
Отраженный от цели сигнал (сигнал низкого уровня) поступает из антенны сначала на плечо 2 циркулятора E1, потом на плечо 3, а затем на плечо 1 E2 и через его выходное плечо 2 на вход разрядника U1. Мощность такого сигнала недостаточна для зажигания U1. Прямые потери сигнала в U1 составляют 0.3 … 1,5 дБ.
Совместно с отрезком длиной l2 диод образует последовательный колебательный контур, сопротивление которого при резонансе равно rп = 18 ... 20 Ом и мало по сравнению с волновым сопротивлением основной линии Z0. Таким образом, к отрезку длиной l1 подключена нагрузка, сопротивление которой Zн = rн + l / (j C1), т. е. отрезок длиной l1 практически замкнут накоротко, его входное сопротивление очень велико и ослабление полезного сигнала практически отсутствует (L = 0,1 ... 0,3 дБ). Для замыкания постоянной составляющей тока ограничителя в точке подсоединения диода включен короткозамкнутый четвертьволновый отрезок с максимально возможным с точки зрения технической реализации значением Z0 = 85 ... 95 Ом. Полоса пропускания АП составляет 3 ... 10 % от несущей.
Произведем расчет антенного переключателя.
Пусть требуется рассчитать резонансный ограничитель 3-см диапазона волн.
![]()
Рабочая частота.
Промежуточная частота.
![]()
![]()
Волновое сопротивление подводящих линий.
![]()
Потери запирания (в дБ).

Потери запирания (в разах).
Параметры ограничительных диодов даны в таблице 3.
Таблица 3.

Выберем бескорпусной ограничительный диод со следующими параметрами:
![]()
Емкость перехода.
Сопротивление потерь диода на низком уровне мощности.
![]()
Сопротивление потерь диода на высоком уровне мощности.
![]()
![]()
Последовательная индуктивность выводов диода.
![]()
Максимальная рассеиваемая средняя мощность.

Минимальная критическая частота диода.
![]()
Расчет ограничителя будем производить на основе заданной величины Lзап , считая, что в данном примере важно получить не максимально возможные потери запирания, а минимальные потери пропускания. Последние находим по формуле:

![]()
Потери пропускания в дБ.
Практически потери Lпр будут несколько выше за счет потерь в отрезках микрополосковых линий.
Оценим полосу запирания ограничителя:
![]()
Рассчитаем максимально допустимые уровни импульсной Ри_пд_макс и средней Рпд_макс СВЧ мощности, которые можно подводить ко входу ограничителя.

Полагая, что при импульсном режиме работы скважность q = l / (Fпос и) = 1000, где fпос - частота посылок импульсов, и - длительность последних, определяем:

![]()
Основным недостатком диодных ограничителей является относительно небольшой допустимый уровень импульсной мощности Ри_пд_макс от сотен ватт до 1-2 кВт. Для устранения этого недостатка и объединения достоинств РЗП и ограничителей используют так называемые разрядники-ограничители. Они представляют собой сочетание РЗП (нередко без электрода вспомогательного разряда), и следующего за ним диодного ограничителя. Разрядники-ограничители, не требующие никаких источников питания, выдерживают большие импульсные мощности (свыше 10 кВт) и обеспечивают защиту приемника от всех возможных сильных сигналов помех.
Параметры ряда разрядников-ограничителей приведены в таблице 4.

Таблица 4.
Учитывая частотный диапазон проектируемого антенного переключателя, выберем РЗП типа РР6. Для него:
![]()
Ослабление зеркального канала при нижней настройке гетеродина за счет РЗП:

То же в децибелах:
![]()
2.3 Расчет усилителя радиочастоты
В приемниках РЛС сантиметрового диапазона волн наибольшее распространение получили однокаскадные неохлаждаемые двухконтурные параметрические усилители (ДПУ) на точечно-контактных полупроводниковых диодах (ТКД) или диодах с барьером Шоттки (ДБШ). В настоящее время на частотах до 30 ... 40 ГГц эти усилители выполняют на базе полосковых (ПЛ) и микрополосковых (МПЛ) линий. ДПУ содержат три контура, настроенные соответственно на частоту сигнала fс, частоту накачки fн и холостую частоту fх и развязанные между собой. Развязку между входом и выходом ДПУ осуществляют с помощью ферритового циркулятора.
Эквивалентная схема параметрического диода включает в себя последовательно соединенные индуктивность выводов Lв = 0.2 - 2 нГ, переменную емкость полупроводниковой структуры Сп = 0.3 … 1 пФ, сопротивление активных потерь rпт и параллельно подключенную к этой цепи конструктивную емкость диода Сд = 0.1 … 0.4 пФ. Диод характеризуется максимальной переменной емкостью при нулевом напряжении смещения Uсм = Сп(0), постоянной времени (U) = rпт Сп(0) при определенном напряжении смещения U, максимально допустимым обратным напряжением Uнобр контактной разностью потенциалов (к = 0.2 … 0.3 В для ТКД и к = 1 … 1.2 В для ДБШ). В состав СВЧУ может входить типовой ДПУ с параллельным включением параметрического диода. Схема такого усилителя показана на рисунке.

Наибольшую полосу пропускания ДПУ получают при использовании последовательного резонансного контура, образованного Lв и Сп диода и настроенного на fх. При этом обеспечиваются наименьшие потери и развязка относительно цепей сигнала и накачки без включения специальных режекторных фильтров. В схеме с параллельным включением диода для замыкания токов холостой частоты к нему подключают разомкнутый четвертьволновый шлейф. Элементы контура холостой частоты и подстроечный индуктивный отрезок длиной l1 образуют сигнальный резонансный контур.
Параллельно с диодом включают отрезок длиной lн / 4, препятствующий потерям мощности накачки в цепях сигнала. Сигнал накачки подводится к диоду через запредельный для входного сигнала и сигнала холостой частоты волновод. Полосу пропускания ППФ выбирают такой, чтобы эти сигналы были ослаблены не менее чем на 20 … 30 дБ.
При этом требуемый коэффициент шума N, коэффициент передачи мощности Kp, частота сигнала fс, требуемая ширина полосы пропускания Птр по уровню 3 дБ, характеристики подложки (относительная диэлектрическая проницаемость r, толщина h, тангенс угла потерь tg (, волновое сопротивление подводящей линии Z0, тип циркулятора и его прямые потери Lп, число циркуляций до входа ДПУ а и число циркуляций в ДПУ b известны.
![]()
Рабочая частота.
![]()
Волновое сопротивление подводящих линий.
![]()
Потери пропускания в циркуляторе (в дБ).
![]()
Число циркуляций до входа ДПУ.
![]()
Число циркуляций в ДПУ.
![]()
Требуемый коэффициент шума.
![]()
Резонансный коэффициент усиления, включая потери в циркуляторе, (в децибелах).
![]()
Требуемая полоса пропускания по уровню 3 дБ.
![]()
Относительная диэлектрическая проницаемость.
![]()
Толщина подложки.
![]()
Тангенс угла потерь.
Требуется выбрать параметрический диод и определить напряжение постоянного смещения Uсм, реальные коэффициент шума Nн и ширину полосы пропускания П0, значения холостой частоты fх и частоты накачки fн, сопротивление источника сигнала, приведенное к зажимам параметрического диода Rс, мощность генератора накачки Рн, геометрические размеры МПЛ.
Для обеспечения стабильности параметров ДПУ при изменениях импеданса цепей источника сигнала (например, антенны) и нагрузки (например, смесителя) в качестве ферритового циркулятора применим пятиплечный циркулятор, построенный на основе трех Y-циркуляторов. В таком циркуляторе потери сигнала до входа ДПУ равны
![]()
На столько же ослабляется усиленный сигнал, проходящий из ДПУ к выходу циркулятора.
Следовательно, собственно ДПУ без циркулятора (точнее, с идеальным циркулятором) с учетом заданных параметров должен иметь коэффициент шума
![]()

Резонансный коэффициент усиления ДПУ:
![]()
В децибелах
В разах

Выберем параметрический диод.
Данные параметрических диодов приведены в таблице 5.

Таблица 5.
Учитывая частотный диапазон, постоянную времени, индуктивность выводов, допустимое напряжение, стоимость выбираем параметрический диод с ТКД структурой 3А410Е. Его параметры:
Индуктивность выводов.
![]()
Конструктивная емкость диода.
![]()
Максимальная переменная емкость диода при нулевом напряжении смещения.
![]()
Постоянная времени диода.
![]()
Напряжение, при котором измерена постоянная времени.
![]()
Максимально допустимое обратное напряжение.
![]()
Контактная разность потенциалов для германиевого диода (название нач