Обслуговування комп’ютерних та інтелектуальних систем і мереж
МІНІСТЕРСТВО ОСВІТИ І НАУКИ УКРАЇНИ
КРАСНОДОНСЬКИЙ ПРОМИСЛОВО-ЕКОНОМІЧНИЙ КОЛЕДЖ
ЗВІТ
Про проходження переддипломної практики
Обслуговування комп’ютерних та інтелектуальних систем і мереж
Краснодон
2099
СКЛАД ЗВІТУ
ВСТУП
1. Порівняльний аналіз можливих варіантів реалізації науково-технічної проблеми
2.Вітчизняні і зарубіжні аналоги проектованого об'єкту
3. Розробка технічного завдання
3.1 Найменування та область застосування
3.2 Основання для розробки
3.3 Мета та призначення розробки
3.4Джерела розробки
3.5 Технічні вимоги до розробки
4. Техніко-економічне обґрунтування проекту
5. Індівідуальні питання
5.1 Скласти карту пошуку та усунення несправності пристрою, який задано керівником
5.2 Питання за номером варіанту
ВИСНОВКИ
ВИКОРИСТАНА ЛІТЕРАТУРА
ДОДАТОК А Функціональні схеми пристрою
ДОДАТОК В Принципові схеми окремих блоків пристрою
ВСТУП
Складовою частиною дипломного проектування є переддипломна практика. Метою переддипломної практики є придбання студентом досвіду в дослідженні актуальної наукової проблеми, пошуку рішень реальної інженерної задачі, підбір матеріалів, визначення теми проекту і підготовка технічного завдання на дипломне проектування. Матеріали, зібрані студентом під час переддипломної практики, використовуються в дипломному проекті.
Під час переддипломної практики студент повинен:
1.Вивчити:
- проектно-технологічну документацію, патентні і літературні джерела в цілях їх використання при виконанні випускної кваліфікаційної роботи;
- вітчизняні і зарубіжні аналоги проектованого об'єкту.
2.Виконати:
- порівняльний аналіз можливих варіантів реалізації науково-технічної проблеми;
- техніко-економічне обґрунтування проекту;
- визначити етапи рішення задач дипломного проекту;
- розробку технічного завдання на дипломний проект.
1. ПОРІВНЯЛЬНИЙ АНАЛІЗ МОЖЛИВИХ ВАРІАНТІВ РЕАЛІЗАЦІЇ НАУКОВО ТЕХНІЧНОЇ ПРОБЛЕМИ
Перша проблема, з якою при конструюванні будь-яких пристроїв стикаються і початківці і досвідчені радіоаматори - це проблема електроживлення.
При виборі і розробці джерела живлення (далі ІП) необхідно враховувати ряд факторів, що визначаються умовами експлуатації, властивостями навантаження, вимогами до безпеки і т.д.
Досить прості у виготовленні і експлуатації вторинні імпульсні перетворювачі напруги, їх відрізняє простота виготовлення і дешевизна комплектуючих. Економічно і технологічно виправдане конструювати ІП за схемою вторинного імпульсного перетворювача для пристроїв з струмом споживання 1-5 А, для безперебійних ІП до систем відеоспостереження та охорони, для підсилювачів низької частоти, радіостанцій, зарядних пристроїв.
Краща відмінна риса вторинних перетворювачів перед лінійними - масогабаритні характеристики випрямляча, фільтра, перетворювача, стабілізатора. Проте їх вирізняє великий рівень перешкод, тому при конструюванні необхідно приділити увагу екрануванню і придушення високочастотних складових у шині живлення.
Останнім часом набули досить широке поширення імпульсні ИП, побудовані на основі високочастотного перетворювача з безтрансформаторним входом. Ці пристрої, харчуючись від промислової мережі ~ 110В/220В, не містять у своєму складі громіздких низькочастотних силових трансформаторів, а перетворення напруги здійснюється високочастотним перетворювачем на частотах 20-400 кГц. Такі джерела живлення володіють на порядок кращими масогабарітними показниками в порівнянні з лінійними, а їх ККД може досягати 90% і більше. ІП з високочастотним імпульсним перетворювачем істотно поліпшують багато характеристик пристроїв, що живляться від цих джерел, і можуть застосовуватися практично в будь-яких радіоаматорських конструкціях. Однак їх відрізняє достатньо високий рівень складності, високий рівень перешкод у шині живлення, низька надійність, висока собівартість, недоступність деяких компонентів. Таким чином, необхідно мати дуже вагомі підстави для застосування імпульсних ІП на основі високочастотного перетворювача в аматорській апаратурі (у промислових пристроях це в більшості випадків виправдано). Такими підставами можуть служити: вірогідність коливань напруги на межах ~ 100-300 В. можливість створювати ІП з потужністю від десятків ват до сотень кіловат на будь-які вихідні напруги, поява доступних високотехнологічних рішень на основі ІМС та інших сучасних компонентів.
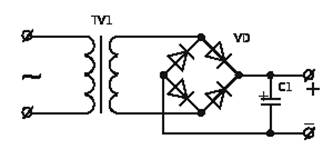
Класичним блоком живлення є трансформаторний БП. У загальному випадку він складається з понижуючого трансформатора або автотрансформатора, у якого первинна обмотка розрахована на мережеве напруга. Потім встановлюється випрямляч, що перетворює змінну напругу в постійне (пульсуюче односпрямованої). У більшості випадків випрямляч складається з одного діода (однополуперіодний випрямляч) або чотирьох діодів, що утворюють діодний міст (двухполуперіодний випрямляч). Іноді використовуються й інші схеми, наприклад, в випрямлячах з подвоєнням напруги. Після випрямляча встановлюється фільтр, згладжує коливання (пульсації). Зазвичай він являє собою просто конденсатор великої ємності.
Також у схемі можуть бути встановлені фільтри високочастотних перешкод, сплесків, захисту від КЗ, стабілізатори напруги та струму.

Позитивні сторони лінійних БП:
· Простота конструкції
· Надійність
· Доступність елементної бази
· Відсутність створюваних перешкод (на відміну від імпульсних, що створюють перешкоди за рахунок гармонійних складових)
Недоліки лінійних БП:
· Велика вага і габарити, особливо при великій потужності
· Металоємність
· Компроміс між зниженням ККД і стабільністю вихідного напруги: для забезпечення стабільного напруги потрібно стабілізатор, що вносить додаткові втрати.
Імпульсні блоки харчування є інверторною системою. У імпульсних блоках харчування змінна вхідна напруга спочатку випрямляється. Отримане постійна напруга перетвориться в прямокутні імпульси підвищеної частоти та певної шпаруватості, або подаються на трансформатор (у разі імпульсних БП з гальванічною розв'язкою від живильної мережі) або безпосередньо на вихідний ФНЧ (в імпульсних БЖ без гальванічної розв'язки). У імпульсних БП можуть застосовуватися малогабаритні трансформатори - це пояснюється тим, що зі зростанням частоти підвищується ефективність роботи трансформатора і зменшуються вимоги до габаритів (перетин) сердечника, які вимагаються для передачі еквівалентної потужності. У більшості випадків такий сердечник може бути виконаний з феромагнітних матеріалів, на відміну від сердечників низькочастотних трансформаторів, для яких використовується електротехнічна сталь.
У імпульсних блоках харчування стабілізація напруги забезпечується за допомогою негативного зворотного зв'язку. Зворотній зв'язок дозволяє підтримувати вихідна напруга на відносно постійному рівні незалежно від коливань вхідної напруги та величини навантаження. Зворотний зв'язок можна організувати різними способами. У разі імпульсних джерел з гальванічною розв'язкою від живильної мережі найбільш поширеними способами є використання зв'язку за допомогою однієї з вихідних обмоток трансформатора або за допомогою Оптрон. Залежно від величини сигналу зворотного зв'язку (залежному від вихідної напруги), змінюється шпаруватості імпульсів на виході ШІМ-контролера. Якщо розв'язка не потрібно, то, як правило, використовується простий резистивний дільник напруги. Таким чином, блок живлення підтримує стабільну вихідну напругу.
Позитивні імпульсних БП :
· Порівнянні за вихідний потужності з лінійними стабілізаторами відповідні їм імпульсні стабілізатори володіють наступними основними перевагами:
· меншою вагою за рахунок того, що з підвищенням частоти можна використовувати трансформатори менших розмірів при тій же переданої потужності. Маса лінійних стабілізаторів складається в основному з потужних важких низькочастотних силових трансформаторів і потужних радіаторів силових елементів, що працюють в лінійному режимі;
· значно вищим ККД (аж до 90-98%) (Джерело? 165 днів) за рахунок того, що основні втрати в імпульсних стабілізаторах пов'язані з перехідними процесами в моменти перемикання ключового елементу. Оскільки основну частину часу ключові елементи знаходяться в одному зі стійких станів (тобто або включений, або вимкнений) втрати енергії мінімальні;
· меншою вартістю, завдяки масовому випуску уніфікованої елементної бази та розробці ключових транзисторів високої потужності. Крім цього, слід зазначити значно нижчу вартість імпульсних трансформаторів при порівнянній переданої потужності, і можливість використання менш потужних силових елементів, оскільки режим їх роботи ключовою;
· порівнянною з лінійними стабілізаторами надійністю. (Блоки живлення обчислювальної техніки, оргтехніки, побутової техніки майже виключно імпульсні).
· коротким діапазоном живлячої напруги і частоти, недосяжним для порівнянного за ціною лінійного. На практиці це означає можливість використання одного і того ж імпульсного БЖ для переносної цифрової електроніки в різних країнах світу - Росія / США / Англія, сильно відмінних по напрузі і частоті в стандартних розетках.
· наявністю в більшості сучасних БП вбудованих ланцюгів захисту від різних непередбачених ситуацій, наприклад від короткого замикання і від відсутності навантаження на виході.
Недоліки імпульсних БП:
· Робота основної частини схеми без гальванічної розв'язки від мережі, що, зокрема, дещо ускладнює ремонт таких БП;
· Всі без винятку імпульсні блоки живлення є джерелом високочастотних перешкод, оскільки це пов'язано з самим принципом їх роботи. Тому потрібно вживати додаткових заходів поміхоподавлення, часто не дозволяють усунути перешкоди повністю. У зв'язку з цим часто неприпустимо застосування імпульсних БЖ для деяких видів апаратури.
· У розподілених системах електроживлення: ефект гармонік кратних трьом. При наявності ефективно діючих коректорів фактора потужності і фільтрів у вхідних ланцюгах цей недолік зазвичай не актуальне.
2. ВІТЧИЗНЯНІ І ЗАРУБІЖНІ АНАЛОГИ ПРОЕКТОВАНОГО ОБ'ЄКТУ
2.1 Простий потужний імпульсний блок живлення для живлення радіоелектронної апаратури
Часто збираючи яку-небудь електронну конструкцію, як те, підсилювач звукової частоти, засоби автоматики, устрій цтва на базі мікроконтролерів, і багато іншого, ми задаємося питанням а чим живити апаратуру? Радіоелектронні пристрої в більшості своїй живляться постійним напругою відмінним від напруги мережі. Останнім часом все частіше імпульсна техніка витісняє з повсякденного побуту традиційні трансформаторні схеми блоків живлення. Виграш тут очевидний, по-перше це економія намотувального матеріалу, який коштує не дешево. По друге, це габарити і маса приладів, на сьогоднішній день за сучасної мініатюризації апаратури різного призначення, це питання дуже актуальне, більшість схем ДБЖ досить складні в збірці і налаштування і не доступні для повторення початківцями радіоаматорами.
Ми розглянемо ДБЖ, при розробці якого ставилося завдання простоти конструкції, гарною повторюваності, використання підручного матеріалу, що не складності в збірці і налаштування. Не дивлячись на простоту, ДБЖ має досить непогані характеристики.
ТЕХНІЧНІ ХАРАКТЕРИСТИКИ ПРИЛАДУ
Напругу живлення мережі: .220В/50Гц.
Номінальна вихідна потужність: 300Вт.
Максимальна вихідна потужність:. До 500Вт.
Частота перетворення напруги: 30кГц.
Вторинне випрямлена напрузі варіюється за потребою.
ПРИНЦИПОВА СХЕМА ИПБ

Принцип роботи ДБЖ полягає в наступному: імпульси для управління ключами генерує задає генератор побудований на спеціальному драйвері TL494, частота імпульсів управління 30кГц.імпульси управління з виходів мікросхеми подаються за черговий на транзисторні ключі VT1, VT2 попереднього формувача імпульсів для вихідних силових ключів. Ключі VT1, VT2 навантажені трансформатором управління TR1, котрий і формує імпульси управління потужними вихідними ключами VT3, VT4, формувач необхідний для гальванічної розв'язки затворів ланцюгів вихідного каскаду. ДБЖ побудований за схемою полумостовой, середня точка для полумосту створюється конденсаторами С3, С4, які одночасно служать згладжуючим фільтром випрямленої доданими мостом VDS1 живлячої напруги мережі. Ланцюг R7, C8 забезпечує короткочасно харчування на задаючий генератор і формувач імпульсів управління, для первинного запуску ДБЖ, після повного заряду конденсатора С8 харчування формувача здійснюється безпосередньо обмоткою 3 трансформатора TR2 c якої знімається змінна напруга 12В.цепочка VD2, C6 служить для випрямлення і згладжування живильного формувач напруги. Стабілітрон VD1 обмежує напругу первинного запуску до 12В.Вторічное напруга живлення для РЕА знімається з обмотки 3 трансформатора TR2, випрямляється діодами Шотки VD3, VD4 і подається на згладжує фільтр С9, С10. Якщо необхідна напруга харчування перевищує 35В, включаються за два діоди послідовно.
2.2 Блок живлення з мікроконтролерним управлінням
Складається з блоку індикації і управління, вимірювальної частини і блоку захисту від КЗ.
Блок індикації та управління.Індикатор - ЖКИ дисплей на основі контролера НD44780, 2 сточування по 16 символів. Управління напругою здійснюється вбудованим в контролер ШІМ му. Його шпаруватості регулюється енкодери, кожен крок якого призводить до збільшення або зменшення напруги на 0,1 вольт на виході БЖ. Повний оборот енкодера - 2 вольта. Оскільки ШІМ може змінювати напругу на накопичувальної ємності лише в інтервалі від 0 до 5 вольт, застосований ОП з коефіцієнтом посилення 5. Таким чином фактичний напругу на виході БЖ регулюється в межах 0 - 25 вольт.
Регулюючим елементом є потужний складовою транзистор КТ827А. З еммітера регулюючого транзистора через верхнє плече дільника (2 Х 8,2 к) здійснюється зворотній зв'язок, завдяки чому навіть при великих струмах у навантаженні напруга підтримується на суворо заданому рівні аж до сотих часток вольта.
Вимірювальна частина - двоканальний АЦП (Мікрочип), що вимірює реальне напруга на виході БЖ і падіння напруги на шунтуючих резистори, посилене ОУ, що прямо пропорційно який використовується навантаженням току. Серцем конструкції є контролер.
Блок захисту від короткого замикання в навантаженні. Виконано вигляді окремого пристрою включеного між випрямлячем і регулюючим елементом. Струм спрацьовування захисту - 5 А. Підбирається резистором 47К в базовій ланцюга транзистора керуючого ключем КТ825Г.

2.3 Імпульсний БП на мікросхемі KA2S0880
На малюнку 1 представлена схема блоку живлення потужністю 70Вт для живлення стереофонічного підсилювача в межах 2х20Вт. Силовий перетворювач побудований на мікросхемі KA2S0880, яка включає в себе всі необхідні компоненти для побудови первинної частини блоку живлення. Слід зазначити, що корпорація Fairchild, розробивши цю мікросхему, здорово постаралася - мікросхема дуже стійка в роботі і своєму розпорядженні всі необхідні захистами. Зібраний на базі цієї мікросхеми блок живлення має реально діючий захист від перевантаження і короткого замикання, захист навантаження при аварійному виході напружень за межі допустимих, можливість введення сплячого режиму. Явний мінус цієї схеми - блок не включається при повному навантаженні. Спочатку потрібно включити його окремо, потім навантажити.
Характеристики:
Напруга живлення: 200 ... 240В
Вихідна напруга:
Без навантаження. . . . . . . . . . . . . . . . . ± 16,5 У
При повному навантаженні. . . . . . . . . . . . . . ± 15 ... ± 15,5 У
Вихідна потужність максимальна довготривала, вона ж, обмежена мікросхемою. . . . . . . 70Вт
Робоча частота. . . . . . . . . . . . . . . . . 20кГц
ККД пристрою. . . . . . . . . . . . . . . . . 90 ... 93%

Блок живлення розроблений для симетричної навантаження, у якої споживані струми по плюса і по мінуса рівні - підсилювачі НЧ. Нерівномірне навантаження викликає перенапруження на одному з плечей і блок може піти на захист. При підборі деталей не забудемо про вимоги до їх параметрів і конструкції пристрою. Випрямні діоди повинні бути з зворотним напругою не менше 200Вольт, конденсатори С11 і С12 навмисне обрані на напругу 50Вольт, тобто великогабаритні - справа в тому, що вони будуть нагріватися, на частотах близько 20-30кГц у них мінімальний імпеданс, на якому відбувається ефективне придушення викидів напруги, і, як наслідок - їх нагрівання. Звертайте увагу на зовнішній вигляд компонентів, особливо мікросхеми та випрямних діодів - подряпаний, непоказний, некрасивий корпус говорить або про неякісний виготовленні деталі, або про «лівому» виробництві. Не використовуйте конденсатори серії К73-17, вони часто виходять з ладу. Мікросхему можуть випускати або фірма Fairchild, або Samsung (SEC)
2.3 Мініатюрний блок живлення 5-12 В
Основні технічні характеристики описуваного блоку живлення наступні. напруга мережі - від 100 до 250 В частотою 50 ... 500 Гц, вихідна напруга (залежить від застосованого інтегрального стабілізатора) - від 5 до 12 В, номінальний струм навантаження (при вихідному напрузі 5 В) - 20, максимальний (при тому ж напрузі) - 100 мА, рівень пульсацій (при номінальному струмі) - не більше 1%.
Принципова схема блоку показана на рис. 1. Працює він у такий спосіб.

Випрямлена доданими мостом VD1 мережеве напруга через дільник R1 R3R4 подається на базу транзистора VT2, а через резистор R2 - на базу транзистора VT4 складеного, VT5. Протягом кожного напівперіод, поки напруга в точці з'єднання колекторів VT1, VT3 щодо емітера VT2 не перевищує 100 В, він закритий, VT4VT5 відкриті і конденсатор С1 заряджається через резистори R1, R10 і ділянка еміттерколлектор транзистора VT5. Коли ж напруга у зазначеній точці вище 100 В, VT2 відкривається і шунтується емітерний перехід складеного транзистора. Конденсатор С1 розряджається, живлячи автогенератор на транзисторах VT1, VT3, зібраний по схемі Роера (див. книгу Іванова-Циганова А. І і Хандогіна В. І. "Джерела вторинного електроживлення приладів НВЧ". - М.: Радіо і зв'язок, 1989) . Частота коливань автогенератора - приблизно 60 кГц. З вторинної обмотки трансформатора Т1 знімається напруга близько 7 В. Воно випрямляється діодами VD2, VD3, згладжується конденсатором С2 і стабілізується інтегральним стабілізатором DA1. Конденсатор СЗ знижує рівень високочастотних пульсацій.
Максимальні напруги коллектореміттер транзисторів VT1, VT3 в усталеному режимі не перевищують 200 В, VT4 і VT5 - 210 В. Максимальний струм транзистора VT5 при вказаних на схемі номіналах елементів і статичному коефіцієнті передачі струму бази h21е транзисторів VT4, VT5, що дорівнює 25, не перевищує 300 мА.
У момент включення напруга колектор-емітер транзисторів VT4 і VT5 може перевищити 300 В. а струм колектора VT5 - 0,5 А, що призведе до їх виходу з ладу. Для обмеження струму колектора VT5 у цей момент (при використанні транзисторів VT4 і VT5 з великим коефіцієнтом h21е) служать резистор R10 і стабілітрон VD4. Щоб обмежити напруга колектор-емітер складеного транзистора, між колектором і емітером VT5 бажано включити варистор на напругу близько 250 В.
При використанні блока для живлення малопотужної навантаження (з споживаним струмом не більше 5 ... 10 мА) опір резисторів R6 і R7 доцільно збільшити до 470 Ом, а ємність конденсатора З 1 зменшити до 2,2 ... 4,7 МКФ (у цьому випадку блок буде менше нагріватися і надійність його роботи підвищиться).
Крім КТ3130А (VT2), у пристрої можна застосувати будь-який транзистор цієї серії, а також серії КТ3102 або зарубіжного виробництва з близькими характеристиками (наприклад BCW60D). Транзистори КТ940А замінимі на КТ969А, BF469/PLP (VT1, VT3) або КТ969А, BF459 (VT4, VT5). Конденсатори С1, С2 - імпортні, можливе застосування К50-35, СЗ - К10-17. Діоди VD2, VD3 - будь-які малогабаритні кремнієві з допустимим прямим струмом не менше 100 мА, зворотним напругою не менше 20 В і робочою частотою не менше 150 кГц. Резистори R1-R3 - З 1 -4, ВСА або інші з робочою напругою не менше 350 В, інші - С2-33, С2-23, МЛТ, ОМЛТ або їм подібні. Трансформатор Т1 намотаний на двох складених разом феритових (2000НМ) кільцях типорозміру К10х8х3. Обмотки 1-2 і 4-5 містять по 8 витків дроту ПЕВ-1 0,1, 2-3 і 3-4 - по 200 витків такого ж дроту, обмотки 6-7 і 7-8 - по 14/22/28 витків ПЕВ-1 0,17 (відповідно для вихідних напруг 5/9/12 В). Для межобмоточной і зовнішньої ізоляції рекомендується використовувати фторопластових плівку або плівку ПЕТ. В авторському варіанті блок живлення змонтований у стандартній мережевий вилці діаметром 40 і висотою 27 мм. Друкована плата (рис. 2) виготовлена з двостороннього фольгованого склотекстоліти товщиною 0,5 мм. Відстань між центрами отворів у платі під штирі насадка - 19 мм. Всі резистори, крім R2 і R3, встановлюють перпендикулярно платі. Стабілітрон VD4 припаюють до друкованих провідникам з боку монтажу транзистора VT2. До контактним майданчикам, позначеним літерами "а" і "б", припаюють дроти, що йдуть від штирів мережної вилки, а до майданчиків з цифрами 1-7 - висновки обмоток трансформатора Т1. Розміщують його над конденсатором СЗ у вільному просторі між транзисторами VT1, VT3 і конденсатором С2. Зібраний з справних деталей і без помилок в монтажі блок не вимагає налагодження.
3. РОЗРОБКА ТЕХНІЧНОГО ЗАВДАННЯ
3.1 Найменування та область застосування
В даному проекті я взявся за розробку Імпульсного джерела живлення.
Цей пристрій розробляться для застосування в навчальних, дослідницькій та ремонтній лабораторії. Забезпечує харчування електронних пристроїв і схем постійною напругою в діапазоні від 0 до 30 Вольт і струмом в діапазоні від 0 до 5 Ампер
3.2 Основання для розробки
Розробка пристрою почата на основі приказу про розробку дипломного проекту «Імпульсне джерело живлення» випускником 4 курсу КраПЕК Петренко михайлом.
3.3 Мета та призначення розробки
Практика радіо-конструювання пред'являє до джерел живлення різноманітні і часом суперечливі вимоги. В одних випадках потрібен потужний джерело, в інших - наприклад при пробному включення малопотужних пристроїв, - вихідний струм джерела повинен бути обмежений безпечним для них значенням. Метою розробки е створення універсального блоку живлення, що допускає різні режими роботи і зміни в широких межах значень вихідних параметрів.
3.4Джерела розробки
1. http://cxem.net
2. Г.І. Валович «Схемотехніка аналогових та аналогово-цифрових електронних засобів»
3. Герман Шрайбер «300 схем блоків живлення»
4. Д.П. Кучеров «Джерела живлення ПК та перефірії».
5. Анексій Арбузов «Мікросхеми для імпульсних джерел живлення».
6. Варламов Р. Г. «Сучасні джерела живлення»
3.5 Технічні вимоги до розробки
1. Вихідна регульована напруга 0 ... 30В
2. Вихідний регульований струм 0 ... 5А
3. Коефіцієнт стабілізації 5000
4. Амплітуда пульсацій вихідної напруги 0,1мВ
5. Вихідний опір:
6. в режимі стабілізації напруги 2 мОм
7. в режимі стабілізації струму 10 кОМ
4. ТЕХНІКО-ЕКОНОМІЧНЕ ОБҐРУНТУВАННЯ ПРОЕКТУ
4.1. Загальний опис розробленого пристрою
В даній роботі я зробила розрахунок собівартості мікропроцесорного пристрою, на основі МК AT90S2313. Прилад має сім входів й один звуковий вихід. До кожного з входів підключена кнопка. При натисканні однієї з кнопок пристрій має видати звуковий сигнал певної частоти. Кожній кнопці повинна відповідати своя частото звукового сигналу. Якщо не одна з кнопок не нажата – пристрій має мовчати.
Напруга живлення Uж = 5В. Прилад підключається до сіті 220В.
Конструктивно пристрій виконано з 2 блоків:
- Мікропроцесорно–виконавчого модуля;
- Модуль блоку живлення;
Блоки відключаються один від одного, що робить пристрій більш комунікабельним.
Собівартість - це вираз у грошовій формі витрат на виготовлення даного продукту (пристрою). Вони діляться на прямі та непрямі.
В склад собівартості (далі кошторис) розробки входять слідуючи статті витрат:
- матеріали, покупні вироби і напівфабрикати; (Вм)
- спеціальне обладнання задля проведення розробки; (Воб)
- основна заробітна плата розробника (виконавця); (Зо)
- додаткова заробітна плата; (Зд)
- відрахування на соціальні заходи; (Сп)
- зміст і експлуатація устаткування; (Взаг)
- накладні витрати; (Нв)
- інші витрати. (Виш).
Принципіальну схему розробки приведено у додатках!
4.2 Розрахунок прямих витрат
До прямих витрат відносяться витрати на матеріали, купівельні вироби і напівфабрикати, транспортно-заготівельні витрати, основна і додаткова заробітна плата виробничих робітників і відрахування на соціальні заходи.
Вартість матеріалів, покупних виробів та напівфабрикатів (Вм) оцінюється за діючими ринковими цінами з урахуванням транспортно-заготівельних витрат за формулою (1)
![]()
де NMI та NnI - кількість матеріалів, купівельних напівфабрикатів і комплектуючих виробів (шт.);
ЦMI та ЦnI- вартість матеріалів, напівфабрикатів, (грн.);
Результат розрахунку Кт.з - коефіцієнт транспортно-заготовчих витрат, Ктз - (1,03... 1,05).
Таблиця 1 – результат розрахунків по статті «матеріали, покупні вироби, напівфабрикати». Прайс-ліст радіоелектронних товарів приведено в додатках
| Найменування | Кількість | Ціна за од. Гр. | Загальна сума Гр. | |
| Резистор МЛТ-0,125-200Ом | 2 | 0,26 | 0.52 | |
| П/ПМ КЦ405 | 1 | 13,46 | 13.46 | |
| Конденсатор К10-17В-М1500 | 2 | 0,12 | 0,24 | |
| Конденсатор К50-35 М1000х16В | 2 | 4,82 | 9,64 | |
| Кварцовий резонатор HC-49U 4мГЦ | 1 | 1,10 | 1,10 | |
| Стабілізатор L7805 | 1 | 4,82 | 4,82 | |
| МК ATini2313 | 1 | 24 | 24 | |
| ТП-50-8 трансформатор | 1 | 101 | 101 | |
| SMA-13S пьезоизлучатель с генератором 13 мм SMD | 1 | 69.68 | 69.68 | |
| Мікроперемикач МП9-Р1 | 7 | 6.13 | 42.91 | |
50х100мм (1.5) 1-сторонній стеклотекстоліт | 2 | 9,61 | 19.22 | |
| Корпус для РЄА 101х54х41.7мм | 2 | 30.19 | 60.38 | |
| Припій ПОС40ТРd=2мм спіраль, 1м | 2 | 4,54 | 9.08 | |
| Стійка для плати 6мм, латунь | 8 | 4,67 | 56,04 | |
| Винти для стоєк | 24 | 0,57 | 13,68 | |
| Шнур живлення 1,8м | 1 | 15,10 | 15,10 | |
| Кабель між блочний 1,8м | 3 | 11.88 | 35.64 | |
| Соляна кислота | 300гр | 1,50 | 1,50 | |
| ???????? ?????????? ?????? ?????????? ???????? ??????? ?????????? ???? ???????? ?????????????? ? ????????? ?????????? ????????????????? ?????????? ????????? ??????????????? ?????????????? ???????????? ??????? ??????????
Актуально:
| ||||