Однополосный связной передатчик
Федеральное агентство по образованию
ГОУ ВПО Уральский государственный технический университет - УПИ
Кафедра «Высокочастотных средств радиосвязи и телевидения»
КУРСОВАЯ РАБОТА
"ОДНОПОЛОСНЫЙ СВЯЗНОЙ ПЕРЕДАТЧИК"
Екатеринбург 2007
Задание на разработку
Однополосный связной передатчик
- диапазон рабочих частот 3,0 – 30,0 МГц;
- мощность Р = 10,0 Вт;
- сопротивление фидера W = 50 Ом;
- подавление внеполосных излучений 50 дБ;
- питание от сети 220 В 50 Гц.
Выбор структурной схемы передатчика
В соответствии с техническим заданием проектируется связной передатчик с однополосной модуляцией.
Связные передатчики коротковолнового диапазона (f = 1,5-30,0 МГц) работают в режиме однополосной модуляции (ОМ). Однополосный сигнал формируется фильтровым методом на относительно низкой частоте (500 кГц) и переносится с помощью преобразователей частоты в рабочий диапазон. Многократное преобразование сигнала сопровождается появлением большого числа комбинационных составляющих, которые при неудачном выборе частот преобразования могут попасть на вход усилителя мощности и создать помехи вне рабочего диапазона передатчика.
Структурная схема современного диапазонного передатчика с однополосной модуляцией должна строиться так, чтобы снизить вероятность излучения паразитных колебаний и свести к минимуму число перестраиваемых цепей в промежуточных и оконечном каскадах передатчика.
Рассмотрим вариант структурной схемы диапазонного передатчика с ОМ, удовлетворяющего изложенным выше требованиям (рис. 1).

Рис. 1. Структурная схема однополосного передатчика
Звуковой сигнал с микрофона (М) усиливается усилителем низкой частоты (1) и попадает на балансный модулятор БМ1 (2). На второй вход БМ1 поступает напряжение с опорного генератора (3) с частотой f0. Частота этого генератора стабилизирована кварцем. Значение частоты f0 определяется АЧХ электромеханического фильтра (ЭМФ) и выбором рабочей боковой полосы (верхней или нижней) и составила f0 = 500 кГц. На выходе первого балансного модулятора получается двухполосный сигнал с ослабленной несущей. Степень подавления несущей частоты на выходе передатчика (в антенне) определяется балансным модулятором и ЭМФ, а нежелательной боковой полосы - только параметрами ЭМФ. Последующие каскады не могут изменить степень подавления этих составляющих однополосного сигнала.
С выхода ЭМФ однополосный сигнал поступает на второй балансный модулятор (5). На другом его входе - сигнал вспомогательной частоты f1. Частота f1 выбирается выше верхней рабочей частоты передатчика - fB. При таком выборе комбинационная частота на выходе БМ2 f1 + f0 также будет выше верхней частоты рабочего диапазона передатчика. Следовательно, колебания вспомогательного генератора f1 и продукты преобразования первого порядка с частотами f1 + f0, если они попадут на вход усилителя мощности, не создадут помех в рабочем диапазоне проектируемого передатчика.
Относительная расстройка между комбинационными частотами на выходе БМ2, как правило, не велика, поэтому селекция нужной комбинационной частоты должна осуществляться пьезокерамическим фильтром (ПФ) или фильтром на поверхностных акустических волнах (7). Полоса пропускания этого фильтра должна быть не меньше полосы прозрачности ЭМФ.
Однополосный сигнал с выхода ПФ в балансном модуляторе БМ3 (8) смешивается с частотой f2. Источником этих колебаний служит синтезатор сетки дискретных частот, генерирующий сетку в диапазоне f2H-f2B с заданным шагом. Частота f2 выбирается выше f1, то есть выше рабочего диапазона. Частоты рабочего диапазона от fН до fB получаются на выходе БМ3. Они равны разности частот f2 и промежуточной частоты на выходе полосового фильтра(7) f = f2 - f1 - f0.
Эти частоты выделяются фильтром нижних частот (10), частота среза которого равна верхней частоте рабочего диапазона fB.
Однополосный сигнал формируется на малом уровне мощности 1 - 5 мВт. До заданного уровня на выходе передатчика он доводится линейным усилителем мощности, число каскадов в котором определяется величиной сквозного коэффициента усиления: КР = Р1/РВХ,
где Р1 - мощность в коллекторной цепи оконечного каскада передатчика,
РВХ - мощность однополосного сигнала на выходе ФНЧ (10).
Цепи связи промежуточных каскадов делают широкополосными, перекрывающими весь диапазон передатчика. Здесь не ставится задача фильтрации высших гармоник, решается только проблема согласования входного сопротивления следующего каскада с выходным предыдущего. Широкое применение находят трансформаторы на длинных линиях (ТДЛ) и цепи, обеспечивающие постоянное входное сопротивление усилительного каскада.
К достоинствам передатчика, выполненного в соответствии со структурной схемой рис. 1, следует отнести следующее:
-минимальное число коммутируемых цепей. Изменяется только частота синтезатора и коммутируется фильтрующая цепь на выходе передатчика,
-малая вероятность возникновения внеполосных излучений как следствие особенностей выбора частот преобразования.
Выбор схемы оконечного каскада
В диапазоне частот до 30...100 МГц применение двухтактной схемы обусловлено возможностью перевода транзисторов для работы с отсечкой тока коллектора в режиме класса В (θ = 90 градусов) и тем самым повышения КПД при сохранении гармонического напряжения на выходе без включения фильтрующих LC-цепей.
Наиболее просто двухтактные генераторы выполнить на комплементарных транзисторах (с разным типом n-p-n и p-n-p проводимости), поскольку отпадает необходимость установки фазовращателя на 180 градусов на входе и на выходе одного из транзисторов. В этом случае транзисторы включаются параллельно по переменному току по входу и выходу. Однако из-за определенных технологических трудностей нельзя сделать радиочастотные p-n-p-кремниевые биполярные транзисторы с параметрами, близкими к параметрам n-p-n-транзисторов, в частности оказываются существенно разными температурные зависимости их основных параметров. В связи с этим двухтактные генераторы радиочастот строят на транзисторах одного типа проводимости.
Помимо получения необходимых фазовых сдвигов 180 градусов первостепенной проблемой в двухтактных ГВВ на радиочастотах является обеспечение короткозамкнутой нагрузки на частотах четных гармоник. Это требование является решающим и определяющим построение двухтактных ГВВ: на частотах приблизительно до 100 МГц их строят на обычных транзисторах и широкодиапазонных трансформаторах, а на частотах приблизительно от 100 до 2000 МГц - на балансных транзисторах и LC-элементах в качестве ЦС.

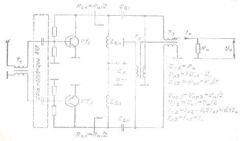
В коллекторной цепи трансформатор Т2 симметрирует напряжения основной частоты на коллекторах транзисторов и обеспечивает замыкание четных гармоник коллекторных токов с возможно малым сопротивлением, а трансформаторы Т3 осуществляют переход к несимметричной нагрузке. Питание подается через блокировочные дроссели Lбл. Поскольку постоянные составляющие коллекторных токов должны быть примерно одинаковыми, а через проводники Т2 они протекают в противоположных направлениях, то создается только незначительное дополнительное подмагничивание в магнитопроводе Т2.
Для подключения нагрузки к коллекторам транзисторов используется трансфоматор-линия Т3 с волновым сопротивлением Z3 = Rн = Rэк/2 и продольным напряжением на ней Uпр = Uк и током Iл = Iн = Iк1.
Важно, чтобы результирующая проводимость линий Т2 и Т3 с учетом проводимости выходной емкости транзистора Ск принимала максимальное значение на частотах 2fр, 4fр..., где fр находится на интервале fв...fн. Если это не обеспечивается, напряжение на коллекторе с частотой этих гармоних резко возрастает, транзистор может перейти в перенапряженный режим, и, как следствие этого возрастают нелинейные искажения сигнала с переменной амплитудой на выходе генератора.
Входное сопротивление линии Т2 для противофазных составляющих (первой и нечетных гармоник коллекторного тока) определяется сопротивлением разомкнутой линии и при малой ее длине носит емкостной характер. Его эквивалентная емкость Сэк = lэ/2с0*Zc2. Можно считать, что конденсатор Сэк подключается параллельно транзистору и его емкость вместе с выходной емкостью Ск шунтируют нагрузку. Поэтому должно обеспечиваться условие 1/2fв(Ск+Сэк) > (10...20)Rэк. Практически, чтобы обеспечивались одновременно перечисленные требования, волновое сопротивление линии Т2 выбирается равным или близким к Rэк, а ее электрическая длина не более 0,02
Входной трансформатор Т1 обеспечивает последовательное и противофазное включение транзисторов по входу по высокой частоте и одновременно осуществляет переход к несимметричной нагрузке для предыдущего каскада при коэффициенте трансформации 1:1. Между Т1 и транзисторами включается цепь коррекции, которая не только выравнивает коэффициент усиления по мощности двухтактного генератора по диапазону, но и обеспечивает резистивное входное сопротивление Rвх. Поэтому волновое сопротивление линии Т1 выбирают равным Rвх, и при этом нет ограничений на ее длину. Вместо Т1 и Т3 можно применять трансформаторы на линиях с повышением входного и нагрузочного сопротивлений.
Выбор активного прибора
Требованию по частоте удовлетворяют следующие транзисторы: 2Т912А, КТ927А, 2Т944А, 2Т950Б, 2Т951Б, 2Т955А, 2Т956А,2Т957А, 2Т967А, 2Т980А. В принципе эти же транзисторы и удовлетворяют условию по мощности, но большинство из них могут обеспечивать мощность в нагрузке много больше требуемой. Это нежелательно. Оставим из этого ряда лишь те, которые наиболее близки к требуемой мощности. Таким образом, остаются 2Т951Б и 2Т955А. Эти транзисторы очень близки по параметрам и можно было бы выбрать любой из них, но остановимся на 2Т955А так как у него немного больше граничная частота.
Расчет коллекторной цепи
Произведем расчет для одного плеча в граничном режиме на половинную мощность. Выбор граничного режима объясняется тем, что в этом режиме генератор отдает наибольшую полезную мощность при высоком КПД.
Мы получили коэффициент трансформации N = 1.836. Поскольку проектируемый передатчик должен работать в широкой полосе частот, то трансформатор следует выбирать широкополсным. Этому условию удовлетворяет трансформатор на длинных линиях. Но трансформаторов на длинных линиях с таким коэффициентом трансформации сопротивления не существует. Они могут обеспечивать трансформацию только с некоторыми фиксированными коэффициентами 1/9, 1/4, 4/9, 1, 9/4, 4, 9. Потому из этого ряда и выбирается коэффициент трансформации N.

Расчет цепи коррекции АЧХ транзисторов

Расчет трансформатора Т1



При выборе фильтра остановимся на ФНЧ Чебышева, поскольку он прост в реализации, так как содержит немного элементов, по сравнения с другими фильтрами, и прост в настройке.
При расчете фильтра будем предъявлять следующие требования:
- необходимое минимальное затухание аф = 35 дБ,
- неравномерность АЧХ в полосе пропускания Δа = 0,019 дБ
- частота среза, зависящая от отдельного фильтра
Существует несколько способов расчета фильтров с заданными требованиями. Одним из способов является использование программ компьютерного моделирования, например MicroCap 7.0. Применим эту программу и получим следующие результаты:
1 фильтр.
С1 = 29.4 пФ; L1 = 47,5 мкГн; С2 = 61,0 пФ; L2 = 54,8 мкГн; С3 = 61,0 пФ; L3 = 47,5 мкГн; С4 = 29,4 пФ;
2 фильтр.
С1 = 18,6 пФ; L1 = 30,0 мкГн; С2 = 38,5 пФ; L2 = 34,6 мкГн; С3 = 38,5 пФ; L3 = 30,0 мкГн; С4 = 18,6 пФ;
3 фильтр.
С1 = 11,7 пФ; L1 = 18,9 мкГн; С2 = 24,3 пФ; L2 = 21,8 мкГн; С3 = 24,3 пФ; L3 = 18,9 мкГн; С4 = 11,7 пФ;
4 фильтр.
С1 = 7,4 пФ; L1 = 11,9мкГн; С2 = 15,3 пФ; L2 = 13,8 мкГн; С3 = 15,3 пФ; L3 = 11,9 мкГн; С4 = 7,4 пФ;
5 фильтр.
С1 = 4,7 пФ; L1 = 7,5 мкГн; С2 = 9,7 пФ; L2 = 8,7 мкГн; С3 = 9,7 пФ; L3 = 7,5 мкГн; С4 = 4,7 пФ;

Трансформатор:
Напряжение на вторичной обмотке трансформатора: 33,32 В
Ток во вторичной обмотке трансформатора: 0,33 А
Мощность вторичной обмотки трансформатора: 11,00 Вт
Диоды:
Допустимое обратное постоянное напряжение на диодах: 47,12 В
Допустимый прямой ток на диодах: 0,47 А
Рекомендуемый тип диодов:
КЦ205А
U пр. 1- прямое падение напряжение (В)
U обр. 500- максимальное обратное напряжение (В)
I пр. 0,5- средний прямой ток через диод (А)
Конденсатор:
Емкость конденсатора фильтра: не менее 150,00 мкФ
Рабочее напряжение конденсатора: не менее 47,12 В
Вариант используемого конденсатора: 220 мкФ х 50 В
Расчет производился при помощи программы Rectifier 1.0,
Рассчитаем блокировочные индуктивности Lбл, Сбл. Будем исходить из назначения этих элементов. Индуктивности предназначены для того, чтобы высокочастотный ток коллектора не попал в цепь питания, поэтому сопротивление этих индуктивностей должно быть много больше сопротивления нагрузки для каждого плеча, т.е. ![]()
Пусть
, тогда
мкГн
Блокировочные емкости предназначены чтобы постоянный ток питания не проходил в нагрузку каскада. Для высокочастотного тока сопротивление емкостей должно быть много меньше сопротивления нагрузки, т.е. ![]()
Пусть
, тогда
нФ
Конструктивный расчет элементов
1. Расчет дросселей. При расчете дросселей следует отталкиваться от индуктивности и тока протекающего через него.
1) Блокировочные дроссели в цепи питания. Через блокировочные дроссели в цепи питания протекают токи Iко = 0,317А. Их индуктивность, полученная расчетным путем, должна быть не менее 60 мкГн. Таким требованиям удовлетворяет ДM-0.6-60 c диаметром D = 4,4 мм, длиною с выводами L = 80 мм и длиною без выводов l = 21,5 мм. Число витков 270.
2) Дроссели в цепи коррекции АЧХ. Поскольку токи через эти дроссели протекают очень маленькие, то подбор дросселей будем осуществлять исходя только лишь из индуктивностей. Подойдет провод с самым малым диаметром.
По расчетам Lдоп = 34,4 нГн, чему соответствует дроссель с диаметром катушки 3 мм, длиной 11 мм и количеством витков 7.
По расчетам Lпар = 89,6 нГн, чему соответствует дроссель с диаметром катушки 3 мм, длиной 11 мм и количеством витков 11.
3) Индуктивности в выходной фильтрующей системе. Токи через эти дроссели вычислить достаточно сложно. Для этого надо знать, как перераспределяются токи и напряжения на всех элементах фильтра. При этом на входе фильтра присутствуют кроме полезного сигнала еще и высшие гармоники, и, возможно, еще какие-либо шумы. Можно поступить следующим образом. Токи, протекающие через все индуктивности как минимум равны току на нагрузке. Причем ток в нагрузке (ток первой гармоники) составляет основную составляющую всех токов на входе фильтров потому как на выходе усилительного каскада самой мощной является первая гармоника и тем более что четные гармоники замыкаются на трансформаторе Т2. Ток, протекающий на первой индуктивности фильтра, больше токов на всех последующих индуктивностей, так как при его прохождении через очередную LC-цепь какая-то его часть постепенно отфильтровывается. Поэтому примем за ток, проходящий через первую индуктивность ток нагрузки плюс какой-то небольшой ток, приходящийся на высшие гармоники и шумы.
Если у нас ток нагрузки Iн = 0,748 А, то примем входной ток в фильтре Iф = 1..1.5 А. Примем это значение тока для всех индуктивностей фильтра. Это грубой ошибкой не будет, поскольку реальный ток в них меньше, а нам важно лишь, чтобы он был не больше этой величины.
Для индуктивностей L1 и L3 нужна катушка диаметром 3,8 мм, длиной 11 мм и числом витков 205. Для индуктивности L2 нужна катушка диаметром 3,8 мм, длиной 11 мм и числом витков 220.
2. Расчет (выбор) резисторов. Резисторы для схемы выбираются согласно установленным стандартным номиналам сопротивлений. Используя ряд номинальных сопротивлений Е24, выбираем следующие значения:
R1 = R2 = 9,1 Ом; R3 = R4 = 8,2 Ом; R5 = R6 = 470 Ом; R7 = R8 =100 Ом
Были выбраны следующие типы резисторов:
R1 – МЛТ-0,125-9,1 Ом -10%
R2 – МЛТ-0,125-9,1 Ом -10%
R3 – МЛТ-0,125-8,2 Ом -10%
R4 – МЛТ-0,125-8,2 Ом -10%
R5 – МЛТ-1-470 Ом -10%
R6 – МЛТ-1-470 Ом -10%
R7 – МЛТ-0,125-100 Ом -10%
R8 – МЛТ-0,125-100 Ом -10%
3. Расчет (выбор) конденсаторов.
1) Емкости в фильтрующей системе. Используем стеклокерамические конденсаторы типа К22У-1. Из ряда номинальных значений (ГОСТ 2519-67) выберем наиболее близкие к рассчитанным. Таким образом, С1 = С4 = 30 пФ ±5% из ряда Е24, С2 = С3 = 62 пФ ±5% из ряда Е24. Для настройки фильтров необходимы переменные конденсаторы. Можно использовать воздушные переменные конденсаторы.
2) Емкости в корректирующей цепи. Используем стеклокерамические конденсаторы типа К22У-1. Из ряда номинальных значений (ГОСТ 2519-67) выберем наиболее близкие к рассчитанным. Таким образом, Спар = 240 пФ ±5% из ряда Е24, Сбл = 4,3 мкФ ±5% из ряда Е24.
3) Емкости в цепи питания. Для блокировочных емкостей используем стеклокерамические конденсаторы типа К22У-1. Из ряда номинальных значений (ГОСТ 2519-67) выберем наиболее близкие к рассчитанным. Таким образом, Сбл = 18 нФ ±5% из ряда Е24.
Список использованной литературы
1. Проектирование радиопередатчиков. Учебное пособие для вузов/ В.В. Шахгильдян, М.С. Шумилин и др. Под ред. В.В. Шахгильдяна. М.: Радио и связь. 2000.
2. Проектирование радиопередающих устройств. Под ред. Шахгильдяна В.В. 1993 г.
3. Ханзел Г. Справочник по расчету фильтров. – М.: Сов. радио, 1974 г.
4. Шумилин М.С., Козырев В.А. и др. Проектирование транзисторных каскадов передатчиков. 1987 г.
5. Радиопередающие устройства: Метод. указания по курсовому проектированию / Л.И. Булатов; Б.В. Гусев; Ф.В. Харитонов. Екатеринбург: УПИ, 1992, 28 с.