Синтез суммирующего асинхронного счетчика
Подсчет импульсов является одной из наиболее распространенных операций, выполняемых в устройствах дискретной обработки информации. Такая операция в цифровых устройствах выполняется с помощью счетчиков. Счетчиком называют цифровое устройство, предназначенное для подсчета числа импульсов. В процессе работы счетчик последовательно изменяет свое состояние в определенном порядке. Длина списка разрешенных состояний счетчика называется модулем счета Кс. Одно из возможных состояний счетчика принимается за начальное. Если счетчик начал счет от начального состояния, то каждый импульс, кратный модулю счета Кс, снова устанавливает счетчик в начальное состояние, а на выходе счетчика появляется сигнал переноса Р или займа..Z. Примером простейшего счетчика может служить счетный триггер, осуществляющий подсчет сигналов по модулю Ксч=2, так как он имеет два состояния 0 и 1, принимаемые им поочередно под действием входных сигналов. Таким образом, задача проектирования счетчиков сводится к разработке цифрового устройства, которое имело бы как минимум равное заданному модулю счета число устойчивых состояний и последовательно переходило из одного состояния в другое под действием поступающих импульсов. В общем случае устройство подобного вида может быть спроектировано с помощью формальных методов теории конечных автоматов. Однако следует отметить, что такие методы проектирования применяются в основном в том случае, когда требуется, чтобы счетчик работал в специальных кодах или выполнял переходы, закономерность которых сложно выполнить интуитивно.
Наряду с формальными известен целый ряд неформальных, а исключительно схемотехнических способов, позволяющих значительно упростить процедуру синтеза счетчика заданного вида по сравнению с классическими формальными является не только разработка той или иной схемы, удовлетворяющей предъявленным к ней требованиям, но и определение в некотором смысле оптимальной ее структуры, то разработчик должен владеть как схемотехническими, так и логическими методами синтеза. Умелое применение обоих методов и их сопоставление позволит выбрать оптимальный вариант синтезируемой..схемы. Задачей данной курсовой работы является синтез суммирующего асинхронного счетчика с типом триггеров JJJJ, Ксч=11 и в коде 6-3-2-1.
1. Характеристика проектируемого устройства
1.1 Назначение и особенности асинхронных счетчиков
Счетчики представляют собой более высокий, чем регистры, уровень сложности цифровых микросхем, имеющих внутреннюю память. Хотя в основе любого счетчика лежат те же самые триггеры, которые образуют и регистры, но в счетчиках триггеры соединены более сложными связями, в результате чего их функции - сложнее, и на их основе можно строить более сложные устройства, чем на регистрах. Точно так же, как и в случае регистров, внутренняя память счетчиков - оперативная, то есть ее содержимое сохраняется только до тех пор, пока включено питание схемы. С выключением питания память стирается, а при новом включении питания схемы содержимое памяти будет произвольным, случайным, зависящим только от конкретной микросхемы, то есть выходные сигналы счетчиков будут произвольными.
Как следует из самого названия, счетчики предназначены для счета входных импульсов. То есть с приходом каждого нового входного импульса двоичный код на выходе счетчика увеличивается (или уменьшается) на единицу. Срабатывать счетчик может по отрицательному фронту входного (тактового) сигнала (как на рисунке) или по положительному фронту. Режим счета обеспечивается использованием внутренних триггеров, работающих в счетном режиме. Выходы счетчика представляют собой как раз выходы этих триггеров. Каждый выход счетчика представляет собой разряд двоичного кода, причем разряд, переключающийся чаще других (по каждому входному импульсу), будет младшим, а разряд, переключающийся реже других, - старшим. Большинство счетчиков работают в обычном двоичном коде, то есть считают от 0 до (2N–1), где N - число разрядов выходного кода счетчика.
Например, 4-разрядный счетчик в режиме прямого счета будет считать от 0 (код 0000) до 15 (код 1111), а 8-разрядный - от 0 (код 0000 0000) до 255 (код 1111 1111). После максимального значения кода счетчик по следующему входному импульсу переключается опять в 0, то есть работает по кругу. Если же счет - инверсный, то счетчик считает до нуля, а дальше переходит к максимальному коду 111...1.режим, имеющийся во всех счетчиках, он называется режимом прямого счета. Счетчик может также работать на уменьшение выходного кода по каждому входному импульсу; это режим обратного или инверсного счета, предусмотренный в счетчиках, называемых реверсивными. Инверсный счет бывает довольно удобен в схемах, где необходимо отсчитывать заданное количество входных импульсов. Счетчик обычно реализуется на триггерах. Имеются также двоично-десятичные счетчики, предельный код на выходе которых не превышает максимального двоично-десятичного числа, возможного при данном количестве разрядов. Например, 4-разрядный двоично-десятичный счетчик в режиме прямого счета будет считать от 0 (код 0000) до 9 (код 1001), а затем снова от 0 до 9. А 8-разрядный двоично-десятичный счетчик будет считать от 0 (код 0000 0000) до 99 (код 1001 1001). При инверсном счете двоично-десятичные счетчики считают до нуля, а со следующим входным импульсом переходят к максимально возможному двоично-десятичному числу (то есть 9 - для 4-разрядного счетчика, 99 - для 8-разрядного счетчика). Двоично-десятичные счетчики удобны, например, при организации десятичной индикации их выходного кода. Применяются они гораздо реже обычных двоичных счетчиков. По быстродействию все счетчики делятся на три большие группы:
· Асинхронные счетчики (или последовательные).
· Синхронные счетчики с асинхронным переносом
· Синхронные счетчики (или параллельные).
Счетчик может также работать на уменьшение выходного кода по каждому входному импульсу; это режим обратного или инверсного счета, предусмотренный в счетчиках, называемых реверсивными. Инверсный счет бывает довольно удобен в схемах, где необходимо отсчитывать заданное количество входных импульсов.
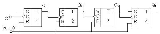
Простейшая схема с последовательным переносом, построенная на Т-триггерах, представлена на этом рисунке 1:

Рис. 1. Схема двоичного счетчика
Триггеры в этой схеме переключаются из одного положения в другое при переходе уровня сигнала на счетном воде с высокого на низкий. Выработка переноса определяется условием
Вычитающий счетчик предназначен для выполнения счета в обратном направлении, т.е. в режиме вычитания. Каждый счетный импульс, поступивший на вход такого счетчика, уменьшает его показания на единицу.
Реверсивным называются такие счетчики, которые предназначены для выполнения счета как в прямом, так и в обратном направлении, т.е. могут работать в режиме сложения и в режиме вычитания.
По способу переключения разрядов счетчики классифицируются:
| |||||||||||||