Система управления установкой для измерения влажности и давления
Реферат
Курсовой проект направлен на создание системы управления установкой для измерения влажности и давления, сочетающей в себе точность работы и доступность элементной базы.
В ходе работы над курсовым проектом были выполнены следующие пункты:
- Разработана структурная схема системы управления измерителем влажности и давления;
- Произведен выбор элементной базы;
- Разработана функциональная схема системы;
- Спроектирован алгоритм работы;
- Разработан фрагмент программного продукта.
Определения, обозначения и сокращения
ЖК – жидкокристаллический;
АЦП – аналогово-цифровой преобразователь;
ЦАП – цифро-аналоговый преобразователь;
ОЗУ – оперативное запоминающее устройство;
ИОН – источник опорного напряжения;
TIC – Time Interval Counter – счетчик временных интервалов;
SPI – Serial Peripheral Interface – последовательный периферийный интерфейс;
TSSOP – Thin Shrink Small Outline Package – вид миниатюрного корпуса;
MSOP – Mini Small Outline Package – вид миниатюрного корпуса.
Введение
Регулирование и автоматизация многих промышленных процессов требует точного и достоверного измерения влажности. Управляемые микропроцессором датчики влажности и давления представляет собой универсальное решение для измерение влажности и давления в экстремальных условиях эксплуатации. Благодаря простоте обслуживания, обширному набору функций и возможности расширения эти датчики доказывает свою надежность в различных технологических процессах. Данные приборы используются в промышленных процессах сушки, системах контроля и управления, климатических установках стерильных и складских помещений, лабораториях и др.
Потребности различных отраслей промышленности покрываются за счет семи различных типов применения. Возможно использование датчиков совместно с прочным алюминиевым корпусом со степенью защиты IP 65,коротрый обеспечивает защиту датчиков от пыли и брызг воды. Корпус также обеспечивает электромагнитную совместимость при напряженности поля до 10 В/м. По конструкции датчики различаются на модели с настенным вариантом монтажа и модели с длиной кабеля 2, 5 или 10 м, позволяющего устанавливать датчики в вентиляционных каналах или других технологических линиях. Специальные варианты сенсоров позволяют использовать датчики в вакууме и при избыточном давлении от 0 до 100 бар и рабочей температуре до 180°С. Первичные выходные значения датчиков представляют собой измерения давления и относительной влажности. Микропроцессор с помощью дополнительного программного обеспечения позволяет выполнять расчет абсолютных величин, таких как относительное давление в помещении, абсолютная влажность а (г/м³), содержание влаги х (г/кг), теплосодержание h (кДж/кг). Датчики имеют два аналоговых выхода, по которым можно в любой комбинации передавать измеренные значения. Имеется возможность масштабирования диапазона измерения и выходных сигналов в пределах заданных границ. Датчики могут оснащаться ЖК-дисплеем/ панелью управления, предназначенными для отображения измеряемых значений и выполнения различных операций, например, калибровки. Имеется также конфигурация с последовательным интерфейсом и возможность управления датчиком с компьютера, на котором установлена любая программа терминала (ОС Windows). Дополнительно вместо последовательного интерфейса датчики могут оборудоваться токовой петлей 20 мА, что позволяет подключать их к сети. Используемые сенсоры отличаются повышенной точностью, надежностью и стабильностью. Большое значение в технологических процессах имеет стойкость к загрязнениям частицами пыли и различными химическими веществами. Кроме того, с помощью дополнительной функции восстановления имеется возможность восстановления сенсора после воздействия высококонцентрированных химических веществ, которые могут повредить сенсоры. Восстановление выполняется с помощью программируемой процедуры кратковременного нагрева, во время которой с поверхности сенсора испаряются молекулы посторонних веществ.
1. Разработка структурной схемы
Структурная схема представлена на рисунке 1.1.

Рисунок 1.1 – Структурная схема
Условные обозначения рисунка 1.1:
ДД – датчик давления;
ДВ – датчик влажности;
МК – микроконтроллер.
2. Выбор элементной базы
2.1 Выбор микроконтроллера
В данной задаче будет использоваться микроконтроллер 51 семейства от фирмы Analog Devices ADuC 812.
Общие сведения о микроконтроллере ADuC812 (1)
ADuC812 - интегральная 12-разрядная система сбора информации, включающая в себя прецизионный многоканальный АЦП с самокалибровкой, два 12-разрядных ЦАП и программируемое 8-битное микропроцессорное ядро (совместимое с 8051, MCU). MCU поддерживается внутренними 8К FLASH ЭРПЗУ программ, 640 байт ЭРПЗУ памяти данных и 256 байт статической памяти данных с произвольной выборкой (RAM).
MCU поддерживает следующие функции: сторожевой таймер, монитор питания и канал прямого доступа к памяти для АЦП. Для мультипроцессорного обмена и расширения ввода/вывода имеются 32 программируемые линии, I2C, SPI и UART интерфейсы. Для гибкого управления в приложениях с низким потреблением в MCU и аналоговой части предусмотрены 3 режима работы: нормальный, холостой и дежурный. Продукт специфицирован для +3/+5В работы в индустриальном диапазоне температур и поставляется 52-выводном пластмассовом корпусе (PQFP).
На рисунке 2.1 приводится функциональная блок схема используемого микроконтроллера.

Рисунок 2.1 – Функциональная блок схема
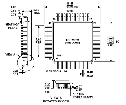
На рисунке 2.2 приводится внешний вид корпуса микроконтроллера ADuC812.

Рисунок 2.2 – Внешний вид корпуса ADuC812
В таблице 2.1 приведено расположение контактов контроллера ADuC812.
Таблица 2.1 – Расположение контактов ADuC812

Использование памяти данных
Память данных пользователя состоит из 640 байт, которые составляют 160 (от 00Н до 9FН) четырехбайтовых страниц, как показано на рисунке 2.3. Как и для прочей периферии, доступ к этой памяти производится через SFR регистры. Группа из 4-х регистров (EDATA1-4) используется для хранения данных четырех байт страницы из последнего обращения. EADRL используется для хранения адреса страницы, куда будет осуществляться доступ. И, наконец, ECON – 8-разрядный регистр управления, в который записывается одна из пяти команд управления доступом к памяти, допускающие различные операции чтения, записи, стирания и верификации. Блок-схема регистрового интерфейса к памяти показана на рисунке 2.4.

Рисунок 2.3 – Конфигурация FLASH/EE памяти пользователя

Рисунок 2.4 – Управление FLASH/EE памятью пользователя
Для управления памятью используется регистр ECON, который является интерпретатором команд и в него можно записать одну из пяти чтения, программирования и стирания, как указано в таблице 2.2.
Таблица 2.2 – Регистр управления памятью ECON

При использовании данная память может быть запрограммирована в составе системы побайтно, при этом, она предварительно должна быть стерта страничными блоками. Типовой цикл доступа к FLASH/EE памяти включает в себя установку адреса страницы доступа EADRL SFR, запись данных для программирования в EDATA 1-4 (в случае чтения - не записываются) и, наконец, запись команды в ECON, инициирующей действие в соответствие с таблицей 2.2.Следует отметить, что заданный режим работы инициируется по записи слова команды в ECON SFR. При этом микропроцессорное ядро переходит в холостой режим и находится там до тех пор, пока выполнение команды не завершится.На практике это означает, что даже если режим работы с FLASH/EE памятью инициируется двумя машинными циклами (инструкция MOV для записи в ECON SFR), следующая инструкция будет выполнена только после окончания цикла обслуживания FLASH/EE памяти (т.е. спустя 250 мкс или 20 мс). Это означает, что ядро не будет обслуживать запросы на прерывание до тех пор, пока операция с FLASH/EE памятью не завершится, хотя функции управления ядра периферией будет выполняться, как, например, продолжение счета времени/событий Счетчиками/Таймерами на протяжении всего псевдохолостого режима.
Для программирования одного байта в FLASH/EE памяти необходимо чтобы сначала этот байт был стерт, т.е. в ячейке записано FFH. Вследствие особенности архитектуры FLASH/EE памяти, стирание можно производить только для 1 страницы (минимум 4-байта) при инициировании Команды Стирания.
Пример процесса побайтного программирования графически показан на рисунке 2.5. В этом примере во второй байт на странице 03Н пользовательской FLASH/EE памяти записывается код F3H. Однако страница 03Н уже содержит данные в четырех байтах, а пользователю требуется изменить только содержимое одного байта; всю страницу следует сначала прочитать с тем, чтобы можно было стереть содержимое этой страницы без потери данных. Затем новый байт записывается в EDATA SFR вслед за циклом стирания. Если попытаться начать цикл Программирования (ECON=02H), не выполняя цикла Стирания (ECON=05H), то в этом случае будут модифицированы только те разряды, которые содержат единицы, т.е. для правильной записи массива необходимо выполнить его предварительное стирание. Следует отметить, что циклы стирания страницы и всей памяти имеют одинаковую длительность – 20 мс.

Рисунок 2.5 – Пример программирования байта памяти пользователя
Ассемблерный код приведенного примера выглядит следующим образом:
MOV EADRL, #03H ;Установка указателя страницы MOV ECON, #01H ;Команда чтения страницы MOV EDATA2, #0F3H ;Запись нового байта MOV ECON, #02H ;Команда стирания страницы MOV ECON, #05H ;Команда программирования страницы
Использование прерываний
ADuC812 обеспечивает восемь источников и два уровня прерываний. В таблице 2.3 приводятся адреса векторов прерываний и уровни приоритетов.
Таблица 2.3 – Адреса векторов прерываний

Для обработки любого из прерываний следует предпринять следующие три действия:
1. Расположить процедуру обслуживания прерывания по адресу соответствующего прерывания.
2. Установить бит разрешения всех прерываний (ЕА) «1» в регистре IE SFR.
3. Установить бит разрешения индивидуального прерывания в «1» в IE или IE2 SFR.
Для разрешения и установки приоритета различных прерываний используются три регистра SFR.
Счетчик временных интервалов TIC
Важной особенностью прибора является наличие счетчика временных интервалов (TIC), позволяющего отсчитывать временные интервалы большие, чем способны стандартные таймеры – длительностью до 255 часов. Упрощенная схема TIC представлена на рисунке 2.6.
Работа с TIC осуществляется при помощи следующих регистров:
TIMECON – регистр управления TIC (назначение битов TIMECON и набор режимов работы представлены в таблице 2.4);
INTVAL – регистр пользовательского временного интервала;
HTHSEC – регистр сотых долей секунды (инкрементируется через каждую 1/128 секунды, после значения 127 сбрасывается, инкрементируя регистр SEC);
SEC - регистр секунд (после значения 59 сбрасывается, инкрементируя регистр MIN);
MIN – регистр минут (после значения 59 сбрасывается, инкрементируя регистр HR);
HOUR – регистр часов (сбрасывается на 0 после значения 23 или 255 – в зависимости от режима работы).

Рисунок 2.6 - Упрощенная схема TIC
Таблица 2.4– Назначение битов TIMECON
№ бита | обозначение | назначение | |||||||||||||||
| 7 | -- | Зарезервирован | |||||||||||||||
| 6 | TFH | Бит выбора 24-часового режима (Twenty-Four Hour Select Bit). Если установлен – регистр HOUR сбрасывается после значения 23, иначе – после значения 255. | |||||||||||||||
| 5-4 | TS1, TS0 | Биты выбора единиц измерения интервалов (Interval Timebase Selection Bits). Определяют частоту обновления 8-битного счетчика временных интервалов.
| |||||||||||||||
| 3 | STI | Бит единичного временного интервала (Single Time Interval Bit). Устанавливает режим единичного временного интервала, когда бит TIEN сбрасывается при первом таймауте. | |||||||||||||||
| 2 | TII | Бит прерывания TIC (TIC Interrupt Bit). Устанавливается когда значение 8-битного счетчика временных интервалов совпадает с INTVAL. | |||||||||||||||
| 1 | TIEN | Бит включения 8-битного счетчика временных интервалов (Time Interval Enable Bit). | |||||||||||||||
| 0 | TCEN | Бит включения таймера (Time Clock Enable Bit). |
Подобные работы: