Коммутация в сетях с использованием асинхронного метода переноса и доставки
ВВЕДЕНИЕВ 1998 году специалисты компании Lucent Tehnologies обратили внимание на то, что в США за последние 15 лет скорость работы запоминающих устройств возросла в 90 раз (с 450 до пяти нс), скорость работы центральных процессоров узлов коммутации повысилась в 250 раз(с одного до 250 Мбит/с), а скорость передачи информации по линиям связи увеличилась в 11000 раз (с 56 кбит/с до 622 Мбит/с). Отсюда возникла необходимость в создании такой коммутационной техники, которая могла бы обрабатывать порядка 10000 вызовов в минуту при времени установления соединения не более 100 мкс. В месте с тем, еще в 1987 году в соответствии с рекомендациями бывшего МККТТ в качестве технической основы ШЦСИО была принята технология АТМ. Поэтому новая техника коммутации работает с ячейками АТМ.
В настоящее время технология АТМ лежит в основе глобальной высокоскоростной магистральной сети, предоставляющей услуги мультимедиа, то есть услуги, которые могут одновременно использовать несколько различных служб связи. Для работы такой сети требуется как транзитные узлы коммутации, так и узлы доступа, осуществляющие коммутацию на местном и региональном уровне. Естественно, что отдельные конкретные узлы коммутации могут объединять обе эти функции.
Главной задачей, при разработке ATM-коммутатора, является увеличение пропускной способности и улучшение других характеристик данного оборудования и сети ATM в целом. ATM-коммутация отличается от традиционной использованием высокоскоростных интерфейсов, причем производительность внутренней коммутационной матрицы может достигать десятков гигабит в секунду. Кроме того, необходимо обеспечить возможность статистического мультиплексирования потоков, проходящих через коммутационные системные мо дули. Наконец, передача различных видов трафика с несхожими требованиями к количественным характеристикам функционирования сети (доля потерянных ячеек, допустимый процент ошибок, время задержки) сама по себе является непростой задачей.
Чтобы удовлетворять всем указанным критериям, АТМ-коммутаторы должны значительно отличаться от традиционных устройств. Функции коммутационной системы ATM не ограничиваются буферизацией и маршрутизацией ячеек. Такая система представляет собой сложную структуру, состоящую из нескольких интегрированных модулей, которая способна не только передавать ячейки, но и управлять трафиком, отдельными соединениями и сетью в целом.
1. КОММУТАЦИЯ В ТЕХНОЛОГИИ АТМ
1.1 КОММУТАТОРЫ ДЛЯ ТЕХНОЛОГИИ ATM
Широкое применение коммутаторов значительно повысило эффективность использования сети за счет равномерного распределения полосы пропускания между пользователями и приложениями. Несмотря на то что первоначальная стоимость была довольно высока, тем не менее они были значительно дешевле и проще в настройке и использовании, чем маршрутизаторы. Широкое распространение коммутаторов на уровне рабочих групп можно объяснить тем, что коммутаторы позволяют повысить отдачу от уже существующей сети. При этом для повышения производительности всей сети не нужно менять существующую кабельную систему и оборудование конечных пользователей.
Общий термин "коммутация" применяется для четырех различных технологий:
· Конфигурационной коммутации;
· Коммутации кадров;
· Коммутации ячеек;
· Преобразования между кадрами и ячейками.
В основе конфигурационной коммутации лежит нахождение соответствия между конкретным портом коммутатора и определенным сегментом сети. Это соответствие может программно настраиваться при подключении или перемещении пользователей в сети (1).
При коммутации кадров используются кадры сетей Ethernet, Token Ring и т.д. Кадр при поступлении в сеть обрабатывается первым коммутатором на его пути. Под термином обработка понимается вся совокупность действий, производимых коммутатором для определения своего выходного порта, на который необходимо направить данный кадр. После обработки он передается далее по сети следующему коммутатору или непосредственно получателю.
В технологии ATM также применяется коммутация, но в ней единицы коммутации носят название ячеек. Преобразование между кадрами и ячейками позволяет станциям в сети Ethernet, Token Ring и т.д. непосредственно взаимодействовать с устройствами ATM. Эта технология применяется при эмуляции локальной сети (2).
Коммутаторы делятся на четыре категории:
Простые автономные коммутаторы сетей рабочих групп позволяют некоторым сетевым устройствам или сегментам обмениваться информацией с максимальной для данной кабельной системы скоростью. Они могут исполнять роль мостов для связи с другими сетевыми сегментами, но не транслируют протоколы и не обеспечивают повышенную пропускную способность с отдельными выделенными устройствами, такими как серверы.
Коммутаторы рабочих групп второй категории обеспечивают высокоскоростную связь одного или нескольких портов с сервером или базовой станцией.
Третью категорию составляют коммутаторы сети отдела предприятия, которые часто используются для взаимодействия сетей рабочих групп. Они представляют более широкие возможности администрирования и повышения производительности сети. Такие устройства поддерживают древовидную архитектуру связей, которая используется для передачи информации по резервным каналам и фильтрации пакетов. Физически такие коммутаторы поддерживают резервные источники питания и позволяют оперативно менять модули.
Последняя категория - это коммутаторы сети масштаба предприятия, выполняющие диспетчеризацию трафика, определяя наиболее эффективный маршрут. Они могут поддерживать большое количество логических соединений сети. Многие производители корпоративных коммутаторов предлагают в составе своих изделий модули ATM. Эти коммутаторы осуществляют трансляцию протоколов Ethernet в протоколы ATM (4).
Для коммутационного оборудования ATM можно выделить две основные задачи:
- VPI/VCI трансляция;
- транспортирование ячейки от входа к нужному выходу.
Для выполнения данных задач необходимо применить 2 метода:
- самоупорядочивающий принцип;
- принцип табличного контроля.
При использовании самоупорядоченного метода коммутации элемента VPI/VCI трансляция должна быть выполнена лишь на входах коммутационного элемента. После передачи ячейка оказывается под влиянием коммутационной сети. Расширение заголовка ячейки требует увеличения внутренней скорости сети.
При использовании принципа табличного контроля VPI/VCI заголовок ячейки будет изменяться в каждом новым элементе. Поэтому нет необходимости изменения длины ячейки.
Содержания таблиц модернизируется во время фазы установки связи. Каждый вход таблицы состоит из обновленных VPI/VCI и номеров соответствующих выходов.
Общая структура ATM системы (коммутатора или перекрестного соединения) сконструирована в соответствии со следующими принципами:
o -система может быть использована равно как коммутатор либо перекрестные соединение. Причем детали могут быть идентичными, тогда как оборудования будет разным эта архитектура также обеспечивает
o -возможность реализации функций коммутатора и перекрестного соединения одним узлом.
o коммутационная сеть использует самоупорядочивающий метод, как один из самых перспективных.
o взаимосвязанная информация хранится в том периферийном оборудование, которые запрашивает определенной связью. Это позволяет получать высокое быстродействие для взаимосвязной информации.
o используются нестандартные ячейки в коммутационной сети. Адаптация используемых различных ячеек, производится в модулях интерфейса пользователя.
Общая структура коммутатора перекрестного соединения, состоит из следующих модулей (1,3):
· Широкополосного линейного модуля абонента (SLMB).
· Широкополосного магистрального модуля (ТМВ).
· Мультиплексора.
· Коммутационной сети.
· Системного контроля.
Пользователь подключается к коммутационной сети или к мультиплексору с помощью широкополосного линейного пользовательского модуля (SLMB). Связь с другими коммутаторами и перекрестными соединениями осуществляется через широкополосный магистральный модуль (ТМВ), который достигает скорости передачи до 2.4 Гбит/с.
Мультиплексор используется для местной концентрации абонентского трафика и коммутатора. Коммутационная сеть соединяет модули интерфейса, мультиплексора и контрольного процессора; Она также используется для осуществления внутренней связи между узлами подсистем.
Контрольный процессор осуществляет системный контроль. Также он может выполнять функции, связанные с сигнализацией или сетевым управлением.
Для достижения высокой надежности работы системы мультиплексор, коммутационная сеть или контрольный процессор иногда дублирует функции друг друга.
На входе интерфейсный модуль (SLMB или ТМВ) посылает копии каждой ячейки, как в мультиплексор, так и в коммутационную сеть. На выходе модули интерфейса решают, какая ячейка и откуда должна быть передана.
В коммутаторе необходимо установить связь между произвольной парой входов и выходов, учитывая коммутационные узлы. В принципе, функция коммутатора может быть выполнена одиночным коммутационным элементом. Если же этот элемент не в состоянии отвечать предъявляемым требованиям большого ATM коммутационного узла, то используются большие коммутаторы, построенные из нескольких коммутационных элементов.
Информация в коммутационном узле достигает скорости в несколько
Гбит/с, вследствие чего в узле может произойти задержка, в этом случае возникает необходимость уменьшения потерь ячеек. Поэтому централизованный контроль не может быть применен в коммутационных ячейках. И только коммутаторы с высокой параллельной архитектурой могут отвечать таким жестким требованиям.
1.2 КОММУТАЦИОННЫЕ ЭЛЕМЕНТЫ
Коммутационный элемент является основной частью коммутатора (4,5,6). На порту информация поступившей ячейки анализируется и ячейка затем направляется на определенный выход. Обычно коммутационный элемент состоит из взаимосвязной сети, выходного контроллера (1C) для каждой входящей линии и выходного контроллера (ОС) для каждой исходящей линии (рисунок 1.1). Для предупреждения чрезмерной потери ячеек в случае внутренней коллизии (противоречия) (2 или более ячейки «соревнуются» на одном и том же выходе одновременно), внутри коммутационных элементов необходимо предусматривать размещение буферов.
Поступившая ячейка синхронизирована в соответствии с внутренним временем входного контроллера (1C). Выходной контроллер (ОС) транспортирует ячейки, полученные от взаимосвязной сети, по назначению. Входные и выходной контроллеры попарно соединены сетью взаимосвязи.

IC - input controller - входной контроллер
ОС- output controller - выходной контроллер
Рисунок 1.1- Стандартная модель коммутационного элемента
1.3 МАТРИЧНЫЕ (ПЕРЕКРЕСТНЫЕ) КОММУТАЦИОННЫЕ СТРУКТУРЫ
Внутренняя не блокируемая коммутационная структура может быть
построена путем использования перекрестной прямоугольной матрицы для создания взаимосвязной сети (рисунок 1.2). Одновременно с этим существует
возможность связки любой незанятой пары вход / выход. Так или иначе,
перекрестная связь входа и выхода зависит от информации ячейки так же, как и от случайности возникновения «опасных соревнований» ячеек (7,8).
Внутри такой коммутационной структуры возможны различные расположения буферов:
· На входных контроллерах
· На выходных контроллерах
· В узлах матрицы

1C - входной контроллер
ОС - выходной контроллер
Рисунок 1.2 - Матричная коммутационная структура
1.4 ВХОДНАЯ БУФЕРИЗАЦИЯ В КОММУТАТОРАХ МАТРИЧНОГО ТИПА
При входной буферизации отдельные буферы размещаются на входных контроллерах (рисунок 1.3). При использовании FIFD буферов (first-in first-out) конкуренция возникает в случае появления двух или более ячеек, находящихся в голове очереди, стремящихся одновременно к одному и тому же выходу (3,8). В этом случае происходит блокировка в голове очереди, т.е. пакеты, следующие за блокированным в голове очереди пакетом, также блокируется, даже если они предназначены для другого доступного выхода.

Рисунок 1.3 - Коммутатор матричного типа с входными буферами
Для преодоления этого недостатка, FIFD буфера могут быть замещены на запоминающее устройство с произвольной выборкой (RAM). Если первая ячейка заблокирована, то для передачи выбирается следующая, при условии, что ее порт назначения свободен. Однако такой режим функционирования требует более сложного управления буферами для нахождения ячеек, следующих к свободным портам выхода, и обеспечения порядка следования пакетов, направляющихся на один и тот же выход. Общая емкость буфера должна логически разделяться в зависимости от нагрузки на разные буферы FIFD (по количеству выходных линий).
Дальнейшие улучшения могут быть достигнуты при условии, что два или более ячейки могут быть переданы одновременно из одного буфера к различным выходам. Это требует использования буфера с множеством выходов или буфера с пониженной произвольной выборкой времени.
1.5 ВЫХОДНАЯ БУФЕРИЗАЦИЯ В КОММУТАТОРАХ МАТРИЧНОГО ТИПА
Рисунок 1.4 показывает коммутационную структуру, состоящую из матрицы с выходными буферами (8,9). Только в случае, когда матрица функционирует на той же скорости, что и входящие линии, может возникнуть конфликт «опасных соревнований» (несколько ячеек одновременно стремятся попасть на один выход). Этот недостаток может быть сконцентрирован путем понижения прямого доступа буферного времени и увеличения скорости коммутатора матричного типа. Эти факторы могут привести к технологическим ограничениям в размере коммутационной структуры.
Коммутационный элемент с выходной буферизацией будет не блокируемым в том случае, когда фактор быстродействия коммутатора матричного типа равен b (т.е. b ячеек одновременно стремятся попасть на один выход) для b x b коммутационного элемента. В других случаях, добавочные буферы необходимы на входе для избежания потери ячеек под действием внутренней блокировки.

Рисунок 1.4 - Коммутатор матричного типа с выходной буферизацией
1.6 БУФЕРИЗАЦИЯ В ТОЧКАХ ПЕРЕСЕЧЕНИЯ КОММУТАТОРА МАТРИЧНОГО ТИПА
Буферы могут быть также расположены в индивидуальных точках пересечения матрицы (рисунок 1.5) (8). Такой коммутационный элемент получил название «Бабочка» (butterfly). Эта схема предупреждает столкновение ячеек, движущихся к одному выходу. Если более чем в одном буфере находятся ячейки, предназначенные для одного и того же выхода, то по той или иной системе должен быть выбран буфер, обслуживаемый первым.

Рисунок 1.5 - Буферизация в точках пересечения коммутатора матричного типа
В действительности, эта стратегия размещения буфера имеет недостаток: малого размера буфер требуется на каждой точке пересечения (узле), и разделить этот буфер не представляется возможным. Поэтому невозможно достигнуть той же эффективности работы коммутационной структуры, какую обеспечивает коммутационная структура с выходной буферизацией.
1.7 КОЛЬЦЕОБРАЗНЫЙ ТИП СТРУКТУРЫ КОММУТАТОРА
В кольцеобразном типе структуры коммутатора все входы и выходы взаимно соединены через кольцевую сеть, которая должна быть управляема особым образом, чтобы минимизировать избыток (1,8). В принципе, фиксированное время размещения схемы может быть использовано, но это требует кольцевой емкости, которая является суммой емкостей всех входящих звеньев. Если кольцевая мощность меньше, чем входная мощность, то гибкое эластичное размещение схемы является необходимостью, которая результирует добавочный избыток.
Кольцевая структура имеет преимущество под шинной структурой в том, что промежуток времени может быть использован несколько раз за одно
вращение. Однако это требует, чтобы выходные контроллеры были освобождены в течение заданного времени.
1.8 ОСОБЕННОСТИ КОММУТАТОРА БАНЬЯНОВИДНОГО ТИПА
Коммутационной структуре матричного типа требуется N2 ключей, что усложняет работу такой коммутационной структуры при увеличении N (свыше двух десятков). Поэтому были предприняты поиски альтернативных коммутационных структур, основанных на многокаскадных сетях (5,6).
Чтобы наилучшим способом описать концепцию многокаскадных структур коммутаторов с пространственным разделением, обратимся к абстрактной модели коммутатора с пространственным разделением и рассмотрим возможность реализации разветвителей и концентраторов с помощью элементарных (2х2)-переключателей, которые могут находиться в двух состояниях - сквозном и перекрестном.
Разветвитель на N=2k выходов может быть построен в виде двоичного дерева с k разветвлениями на N-1 двоичном коммутационном элементе. В таком дереве существует единственный путь от корня (входа) до каждого из листьев. Таким образом, такой разветвитель обладает свойством самомаршрутизации.
Проблема, связанная с таким вариантом конструкции многокаскадного коммутатора с пространственным разделением, имеет два аспекта:
o во-первых, требуемое число переключателей равно 2N2-N, т.е. почти вдвое больше количества элементов в коммутаторе матричного типа;
o во-вторых, требуется N промежуточных буферов и N2 соединений между разветвителем и концентратором.
Однако в каждом временном интервале для передачи одного пакета с входа на выход требуются не все переключатели, имеющиеся в дереве. Возможно совместное использование переключателей несколькими разетвителями. Путем добавления пар входных каналов к уже имеющейся структуре можно соединить между собой N входов и N выходов, используя только (N / 2)log2 N элементарных двоичных переключателей.
У конструкции коммутатора с пространственным разделением и числом элементов (N / 2)log2 N существует два интересных свойства (1,4):
- первое - это сокращение общего числа переключателей;
- второе - возможность возникновения внутренних конфликтов.
При этом возникновение внутренних конфликтов будет иметь место не только в случае, когда на переключатель поступают два пакета, которые должны быть направлены на один и тот же выход, но внутренние конфликты могут возникать и в случаях, когда пакеты не предназначены для одного и того же выходного порта.
Существует очень большое количество разнообразных многокаскадных структур. За последние два десятка лет специалисты разных стран проводили исследования многокаскадных коммутационных структур и наработали комплекс типовых решений, актуальных на сегодняшний день.
Однако, независимо от конкретной разновидности все N´N многоканальные структуры обладают следующими основными свойствами:
o существует единственный путь, соединяющий входной канал с выходным;
o установление соединений может быть осуществлено децентрализовано с использованием процедуры самомаршрутизации;
o во всех сетях возможно одновременное установление не более N соединений;
o структура сети является регулярной, что удобно для реализации на СБИС;
o структура является модульной, что позволяет строить большие сети без необходимости модификации физической компоновки или алгоритмов.
Основной недостаток такой структуры заключается в наличии внутренних блокировок, что снижает пропускную способность коммутатора.
Основными способами преодоления внутренних блокировок, повышения пропускной способности коммутатора и уменьшения потерь пакетов являются (8,9):
o размещение в местах возникновения конфликтов буферов, т.е. использование буферизованной Баньяновидной структуры;
o использование входной буферизации и блокировки ячеек на входе с помощью управляющих сигналов, формируемых при возникновении конфликта;
o использование входной буферизации в сочетании с сортировкой входных пакетов с целью устранения выходных конфликтов и перехода к перестановкам, при которых гарантируется отсутствие конфликтов;
o параллельное, или тандемное, использование группы Баньяновидных соединительных сетей, что увеличивает число возможных путей между входами и выходами и в пределе позволяет получить характеристики соответствующей выходной буферизации.
1.9 БУФЕРИЗОВАННАЯ БАНЬЯНОВИДНАЯ СТРУКТУРА КОММУТАТОРА ATM
При буферизованной Баньяновидной структуре коммутатора ATM на входе каждого коммутатора помещается буфер (9). Однако, буферизация в Баньяновидной сети решает проблему внутренних конфликтов только тогда, когда эти конфликты не существуют в одних и тех же переключателях в течение длительного времени (как, например, в случае группирующегося трафика с большой длиной пачек).
Может быть предложено два способа для уменьшения потерь ячеек при передаче пачечного трафика. Первый способ состоит в увеличении скорости работы внутренних соединений по сравнению с внешними каналами. Второй способ заключается в рандомизации входного трафика по разным входам, чтобы распределить его по всей коммутационной сети и тем самым устранить эффект пачечного трафика. Для этого перед коммутационным полем ставится распределительная сеть. Эта сеть также является Баньяновидной, но пакеты в ее переключателях поочередно направляются на оба выхода. При этом адресная информация игнорируется. Кроме того, если один или два порта блокированы, то пакеты передаются на первый освободившийся порт.
1.10 БАНЬЯНОВИДНАЯ КОММУТАЦИОННАЯ СТРУКТУРА БАТЧЕРА
В Баньяновидной коммутационной структуре Батчера ячейки вначале поступают на сортировщик Батчера, в котором они сортируются (расставляются) в соответствии со своими адресами (7,9,10). В этом случае при их направлении в Баньяновидную сеть с самомаршрутизацией внутренних конфликтов быть не должно. Однако могут быть выходные конфликты между пакетами, которые направляются на один и тот же выход. Для преодоления выходных конфликтов сортировщик Батчера дополняются специальной сетью - "ловушкой", которая распознает запросы одного и того же порта на выходе сортировщика путем сравнения адресных запросов и оставляет во всех кратных адресных запросах лишь первые.
Пакеты, которые не были пропущены "ловушкой" в коммутационную сеть, возвращаются через рециркулятор в коммутационную структуру в последующие возможные интервалы. Для этой цели специально отводится некоторое число М входных портов, что уменьшает количество входов-выходов N, обслуживаемых коммутатором ATM.
Баньяновидная коммутационная структура Батчера использовалась при разработке коммутатора Starlite в AT&T Bell Laboratories, а также коммутатора Sunshine в Bell Communications Research.
1.11 МНОГОКАСКАДНЫЕ СОЕДИНЕНИЯ С ПОЛНОДОСТУПНЫМ ВКЛЮЧЕНИЕМ
Многокаскадные сети могут быть использованы для избежания помех, которые происходят в однокаскадных сетях (10,11,12). Многокаскадные сети строятся на основе нескольких каскадов, соединенных между собой
определенными звеновыми структурами. В соответствии с качеством данных структур, позволяющих достичь необходимый выход из данного входа, такие сети делят на 2 группы: однонаправленные и многонаправленные сети.
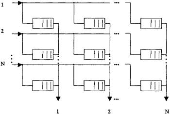
1.12 КОММУТАЦИОННАЯ СИСТЕМА С ДВУМЯ КАСКАДАМИ
Модель коммутационной системы с двумя каскадами, представленная в рисунке 1, включает r1 матрицы n´r2 в первом каскаде и r2 матрицы r1´m во втором каскаде (10,12). Эта система ясно имеет полный доступ, но в то же самое время блокируется. Фактически, если мы выбираем пару произвольных матриц Ai и Bj, в первом каскаде Ai и втором каскаде Bj, то получаем, что не более, чем одно подключение между n входами и m выходами может быть установлено в данное время. Так как этот предел возникает из-за одиночной связи между матрицами, то не блокирующая полнодоступная сеть с двумя каскадами может быть легко получена, если должным образом будет расширено межкаскадное проключение, которое обеспечивает d связей между любой парой матриц в двух каскадах (рисунок 1.6).
Минимальный фактор расширения, требуемый в не блокируемой сети равен: d = min(n,m), так как не более min(n,m), проключений может быть установлено между Аi и Bj одновременно.

Рисунок 1.6 - Двух каскадная полнодоступная коммутационная система
Стоимость не блокирующей коммутационной системы с двумя каскадами очевидно в d раз больше стоимости не расширенной системы с двумя каскадами (12).
1.13 КОММУТАЦИОННАЯ СИСТЕМА С ТРЕМЯ КАСКАДАМИ
Общая схема системы с тремя каскадами представлена на рисунке 1.7 на котором, как обычно, и m обозначают число входов и выходов первого –(A) и третьего - (С) каскада матрицы, соответственно (11,12). Адаптация трех каскадов в многоступенчатую сеть, представляет очень важную особенность: различные пути ввода - вывода доступны между любой парой матриц и каждый путь использует различные матрицы во втором каскаде (B). Два пути ввода - вывода могут совместно использовать межкаскадные связи, то есть когда эти два входа (выхода) принадлежат той же самый А (С) матрице. Поэтому, подходящий алгоритм управления для сети требуется, чтобы устанавливаемый путь ввода - вывода для новых проключений, не затронул уже существующие проключения ввода-вывода.

Рисунок 1.7 - Трех каскадная полнодоступная коммутационная система
Для получения наиболее общего результата относительно не блокируемой полнодоступной системы с тремя каскадами желательно будет рассмотреть схему Клоза (8,9).
В качестве примера на рисунке 1.8 представлена трехкаскадная сеть Клоза (N,n,m), применяемая в коммутаторах FETEX-150 компании Fujitsu и АТОМ фирмы NEC.

Рисунок 1.8- Система Клоза (N,n,m)
Первый каскад содержит N/n коммутационных модулей размером n×m, второй — m модулей размером N/n×N/n; последний каскад тоже имеет N/n модулей размера n×m. Поскольку данная конфигурация обеспечивает m различных путей между каждой парой «вход—выход», распределение трафика может быть сбалансировано. Исходная последовательность ячеек должна восстанавливаться на выходах, так как в пределах коммутационного поля каждая ячейка передается независимо от других. В процессе формирования соединения обычно выбирается наименее загруженный путь, если же сеть перегружена, новый запрос не принимается.
Сеть Клоза является строго не блокирующей, если в ней всегда существует доступный путь между любыми свободными входным и выходным портами — независимо от наличия других соединений в сети. Поскольку в сетях ATM ширина полосы частот, используемой соединением, может изменяться во времени, то определение условий отсутствия блокировки является нетривиальной задачей (13).
Производительность сети Клоза увеличится, если внутренние соединения будут иметь большую скорость, чем порты. В этом случае необходимо уделить внимание выбору размеров буферов последнего каскада, где возникает больше всего очередей (8,9).
Использование принципа выходной буферизации для сетей Клоза позволяет оптимизировать производительность, например, за счет удачного выбора параметра т. Обычно при достаточно больших значениях m вероятность одновременного поступления более m ячеек на один и тот же модуль последнего каскада не превосходит заданной вероятности.
Совершенно иной подход заключается в нахождении оптимального способа разделения большого коммутационного поля N´N на небольшие модули. При этом множество N входов распадается на К подмножеств с мультиплексированием К выходов, каждое из которых управляется N2/K коммутационными модулями. В таком случае небольшие коммутационные модули могут быть реализованы в виде сортирующих сетей Батчера,
расширенных сетей или параллельных Баньяновидных плоскостей (12,14).
2. КОММУТАЦИЯ В СЕТЯХ АТМ
2.1 ПРИНЦИПЫ ПРОЕКТИРОВАНИЯ КОММУТАТОРОВ
Технология асинхронного режима передачи (Asynchronous Transfer Mode, ATM) наилучшим образом подходит для построения широкополосных цифровых сетей с интеграцией служб (Broadband Integrated Services Digital Network, B-ISDN) и предоставления всевозможных услуг. Как известно, по сетям ATM данные передаются в пакетах фиксированной длины (ячейках), содержащих заголовок из пяти байт и информационное поле длиной 48 байт. Поскольку вопросы коммутации в таких сетях стандартами практически не регламентируются, производители соответствующего оборудования используют в нем разнообразные технологические подходы (1,2).
Главной задачей, при разработки ATM-коммутатора, является увеличение пропускной способности и улучшение других характеристик данного оборудования и сети ATM в целом. ATM-коммутация отличается от традиционной использованием высокоскоростных интерфейсов, причем производительность внутренней коммутационной матрицы может достигать десятков гигабит в секунду. Кроме того, необходимо обеспечить возможность статистического мультиплексирования потоков, проходящих через коммутационные системные модули. Наконец, передача различных видов трафика с несхожими требованиями к количественным характеристикам функционирования сети (доля потерянных ячеек, допустимый процент ошибок, время задержки) сама по себе является непростой задачей.
Чтобы удовлетворять всем указанным критериям, АТМ-коммутаторы должны значительно отличаться от традиционных устройств. Функции коммутационной системы ATM не ограничиваются буферизацией и маршрутизацией ячеек. Такая система представляет собой сложную структуру, состоящую из нескольких интегрированных модулей, которая способна не только передавать ячейки, но и управлять трафиком, отдельными соединениями и сетью в целом.
2.2 ОСНОВНЫЕ ГРУППЫ ФУНКЦИЙ
ATM-коммутатор располагает множеством входных и выходных портов, обеспечивающих связь с серверами и клиентскими станциями, а также с другими коммутаторами и сетевыми элементами (5,8,9). Он может иметь дополнительные интерфейсы для обмена управляющей информацией со специализированными сетями. Теоретически коммутатор представляет собой интегрированное устройство, предназначенное для передачи ячеек, реализации процедур управления соединениями и администрирования. На практике он выполняет и некоторые функции межсетевого взаимодействия в целях поддержания ряда услуг, таких как коммутируемая мультимегабитная служба передачи данных (Switched Multi-megabit Data Service, SMDS) и служба ретрансляции кадров (frame relay).
2.3 ПЛОСКОСТЬ ПОЛЬЗОВАТЕЛЯ
Основная функция ATM-коммутатора заключается в передаче ячеек данных со входных портов на выходные. Коммутатор анализирует лишь заголовки ячеек, для их содержимого он является прозрачным. Сразу после поступления ячейки через входной порт осуществляется обработка содержащейся в ней информации об идентификаторах виртуального пути (Virtual Path Identifier, VPI) и виртуального канала (Virtual Channel Identifier, VCI), которая необходима для пересылки ячейки на соответствующий выходной порт. Эта процедура реализуется следующими функциональными блоками:
o модулем поступления на входной порт;
o коммутационным полем (иногда называемым коммутационной матрицей), которое фактически выполняет маршрутизацию внутри коммутатора;
o модулем передачи из выходного порта.
2.4 ПЛОСКОСТЬ УПРАВЛЕНИЯ
Этот функциональный компонент обеспечивает установление соединений виртуальных каналов и виртуальных путей (Virtual Path Connection/Virtual Channel Connection, VPC/VCC), а также управление ими. В отличие от ячеек данных, содержимое управляющих ячеек передается непрозрачно (2). Коммутатор идентифицирует ячейки сигнализации и даже сам генерирует их. Процедура управления установлением соединения (Connection Admission Control, CAC) включает в себя основные функции сигнализации. Сигнальная информация передается через сеть сигнализации, например основанную на ОКС 7, либо проходит (хотя может и не иметь этой возможности) через поле коммутации ячеек, а затем попадает в сеть ATM.
2.5 ПЛОСКОСТЬ АДМИНИСТРИРОВАНИЯ
Данный компонент осуществляет мониторинг сети, что позволяет обеспечить ее устойчивую и эффективную работу. Соответствующие операции могут быть подразделены на функции управления неисправностями, конфигурацией, защитой, учетом ресурсов и трафиком, которые реализуются во взаимодействии с плоскостью управления (модулем управления коммутатором). Плоскость администрирования отвечает за поддержку процедур уровня ATM, относящихся к эксплуатации и техническому обслуживанию (Operations, Administration and Maintenance, OAM), с чьей помощью идентифицируются и обрабатываются ячейки ОАМ. Последние проходят (а иногда, подобно сигнальным ячейкам, не проходят) через поле коммутации ячеек (2,11,13).
Кроме того, эта плоскость поддерживает промежуточный интерфейс локального управления (Interim Local Management Interface, ГЬМГ) интерфейса «пользователь — сеть» (User-Network Interface, UNI). Для каждого UNI в ней содержится объект администрирования (UME), который может использовать, например, популярный протокол управления Simple Network Management Protocol (SNMP).
2.6 ФУНКЦИИ УПРАВЛЕНИЯ ТРАФИКОМ
Коммутационная система способна поддерживать процедуры управления установлением соединения, параметрами использования (Usage Parameters Control, UPC) и параметрами сети (Network Parameters Control, NPC), а также контроль за перегрузками. Чаше всего функции. UPC/NPC осуществляются входными модулями, а функции контроля за перегрузками — модулем управления коммутатором, в то-время как специальные операции управления буферами (распределение ячеек по буферам, отказ от них и др.) контролируются модулем управления коммутатором, но исполняются внутри поля коммутации ячеек, к которому относятся и буферы (8).
2.7 ОБЩАЯ АРХИТЕКТУРА КОММУТАТОРА
Чтобы упростить описание различных схем работы АТМ-коммутатора, сначала кратко рассмотрим его функциональные блоки (рисунок 1) — входные (Input Module, ГМ) и выходные (Output Module, ОМ) модули, поле коммутации ячеек, модули контроля за установлением соединений (САС) и управления коммутатором (Switch Management, SM) (8,9).

Рисунок 1 - Общая структура коммутатора ATM
Перечисленные блоки являются услуго-независимыми, а границы между ними иногда оказываются размытыми. Ключевую роль в работе коммутатора играет поле коммутации ячеек (9,15).
2.8 ВХОДНЫЕ МОДУЛИ
Прежде всего входной модуль терминирует входящий сигнал (например, SDH) и выделяет поток ячеек ATM. Этот процесс включает в себя преобразование и восстановление сигнала, обработку заголовка SDH, структурирование ячеек и коррекцию скоростей их передачи. Затем с каждой ячейкой ATM выполняются следующие операции (11,8):
o проверка заголовка на наличие ошибок с помощью поля управления ошибками заголовка (Header Error Control, НЕС);
o подтверждение правильности значений идентификаторов VPI/VCI и их трансляция;
o определение выходного порта;
o направление сигнальных ячеек в модуль САС, а ячеек ОАМ — в модуль управления коммутатором;
o реализация процедуры UPC/UNC для каждой пары соединений VPC/VCC;
o дополнение внутреннего тэга, содержащего сведения о внутренней маршрутизации, и мониторинг информации, предназначенной для использования внутри коммутатора.
2.9 ВЫХОДНЫЕ МОДУЛИ
Эти модули подготавливают потоки ячеек ATM для физической передачи (11,8):
o обрабатывают и удаляют внутренние тэги ячеек;
o при необходимости транслируют значения VPI/VC1;
o генерируют поле НЕС, обеспечивая возможность последующей проверки заголовка на наличие ошибок;
o при необходимости включают я