Комплекс измерения параметров обратного канала
ВведениеПроблемы приёма телевизионных и радиовещательных сигналов возникли одновременно с первыми телевизионными передачами в 30‑е годы. До 50-х годов владельцев телевизионных приёмников было сравнительно мало, и приём производился на индивидуальные антенны. Затем наступила послевоенная эра массового строительства в городах многоэтажных, многоквартирных домов, когда на их кровлях не хватало места для установки индивидуальных приёмных антенн. Выход был найден в установке одной приёмной телевизионной антенны коллективного пользования, которая устанавливалась для абонентов одного подъезда. Данный способ раздачи программ назвали системой коллективного приёма телевидения (СКПТ).
В ходе дальнейшего развития городов в 60–70-х годах началось массовое строительство домов повышенной этажности (9 этажей и выше), что повлекло за собой образование зон радиотени в ранее благополучных, с точки зрения телевизионного приёма, районах города. Особенно массовые нарекания в работе приёмной сети крупных городов проявились с внедрением в 60–70-х годах цветного телевидения, к качеству сигнала которого требования несколько выше.
В связи с наличием не одного, а нескольких передатчиков на передающих станциях уровень сигнала различных каналов в эфире различен. В городе Челябинске, например, ситуация осложняется еще и наличием нескольких направлений приема. Поэтому взамен эфирного вещания приходят сети кабельного телевидения. Передача информации через кабельные распределительные сети находит применение не только в теле- и радиовещании, но и в управлении информационными потоками в экономике, промышленности, системах дистанционного обучения. Однако основным назначением сети кабельного телевидения является предоставление абонентам большого числа телевизионных каналов, получаемых из нескольких основных источников: эфирного и спутникового телевидения, MMDS, местных студий. Увеличение числа распространяемых каналов потребовало значительно расширить частотный диапазон кабельных сетей по сравнению с сетями, используемыми ранее на территории России.
1. Анализ литературы
В настоящее время существует множество вариантов приема разных телевизионных программ и их количество определяется числом и возможностями подключенных к телевизору приемных антенн. В ряде случаев, например для приема спутниковых каналов, потребуется установка дополнительного блока. Сложность и, следовательно, стоимость приемного оборудования, устанавливаемого перед входом телевизора, резко возрастают, сравниваясь со сложностью и стоимостью самого телевизора, а иногда и превышая их. Естественным выходом из этого положения является использование одной сложной многофункциональной приемной системы с дальнейшим распределением полученных ТВ сигналов между многими потребителями (абонентами). При этом стоимость приемной системы для одного абонента резко снижается. Такие системы называются приемные распределительные системы телевидения (ПРСТВ). Их структуру удобно представить в виде двух частей: приемной системы (ПС), осуществляющей прием ТВ сигналов от различных источников, и распределительной сети, которая обеспечивает доставку ТВ сигналов потребителю (рисунок 1).
Источников ТВ сигналов может быть несколько:
1. эфирное телевещание в диапазонах ОВЧ и УВЧ, осуществляемое крупными ТВ центрами;
2. наземные радиоканалы СВЧ диапазона – системы MMDS, LMDS и пр.;
3. спутниковые радиоканалы – непосредственное телевизионное вещание;
4. кабельные линии связи с местными ТВ студиями.

![]()
Рисунок 1 – Обобщенная структурная схема ПРСТВ
Полученные ТВ сигналы должны быть распределены между абонентами ПРСТВ с помощью распределительной сети, которая в свою очередь делится на два звена.
Первое звено – это головная станция (ГС), в которой производится дополнительная обработка ТВ радиосигнала. Эта обработка может включать в себя усиление сигналов до необходимого уровня; конвертирование ТВ сигналов с одного радиоканала в другой; преобразование стандарта ТВ сигнала; модуляцию видеосигнала и сигнала звукового сопровождения, полученных с местной студии и пр. На выходе ГС формируется ряд ТВ радиосигналов, соответствующих количеству принимаемых ТВ программ, который называют групповым телевизионным сигналом.
Второе звено PC – это линейный тракт. Его задача – равномерно распределить групповой сигнал между абонентами без всякого преобразования, кроме линейного усиления, если ТВ сигнал в процессе распространения снижается до недопустимо низкого уровня. Распределительные сети делятся на кабельные и беспроводные.
Кабельная распределительная сеть (КРС) предполагает, что ТВ сигналы доставляются потребителю по кабельным линиям связи в стандарте вещательного телевидения.
КРС является закрытой системой, т.е. она не использует излучение радиосигналов в эфир. Поэтому для распределения сигналов можно использовать не только частоты стандартных каналов телевещания, но и частоты, расположенные в промежутках между телевизионными диапазонами, которые в эфире закреплены за другими системами радиосвязи. Такие каналы носят название специальных.
В настоящее время в России системы кабельных сетей находятся на пути бурного развития. Дополнительным импульсом к этому должно послужить распоряжение Правительства Российской Федерации от 25.05.04 г., №706, «О внедрении в Российской Федерации европейской системы цифрового телевизионного вещания DVB».
Постепенный отказ от существующей системы аналогового телевизионного вещания должен обеспечить операторов кабельного телевидения множеством дополнительных клиентов. Это приведет к расширению территорий, охваченных кабельными сетями, и как следствие к усложнению структуры самих сетей.
Поэтому наиболее острым вопросом является вопрос технического обслуживания кабельных сетей, который включает в себя вопросы отслеживание параметров телевизионного сигнала, локализации неисправностей кабельного тракта и их мобильного устранения. Следовательно, уже сейчас необходимо готовиться к неизбежному возрастанию спроса на измерительное оборудование для кабельных сетей.
В настоящее время лидерами рынка измерительного оборудования для кабельных сетей являются компании Telemann и Rohde&Schwarz. Поэтому, для создания конкурентоспособной продукции в этой области необходимо, прежде всего, опираться на технические параметры разрабатываемого оборудования, соотношение цена / качество, возможности сервисного обслуживания в процессе эксплуатации.
Как показывает практика, наиболее востребованными являются мобильные измерительные приборы, с помощью которых можно производить мониторинг телевизионного сигнала непосредственно на объектах входящих в кабельную сеть.
2. Анализ технического задания
В кабельной сети потоки данных идут в обоих направлениях:
l прямое;
l обратное.
Информационным поток в прямом направлении называют поток информации, поступающий от ГС к абонентам, а информационным потоком в обратном направлении – поток информации от абонентов к ГС. Диапазон частот, который применяется для передачи информационного потока в прямом направлении, называют каналом прямого направления (часто его называют прямым каналом), а диапазон частот для передачи информационного потока от абонента – обратным каналом.
Для прямого канала обычно используется диапазон частот 65…1000 МГц, а для обратного – 5…65 МГц.
Комплекс измерения параметров обратного канала в данном случае и применяется для контроля и формирования отчёта состояния канала – пакет информации. Всё это происходит в головной станции. Разрабатываемое устройство выполняет функцию передатчика информации в прямой канал обратно к абонентам, где уже по полученным данным о состоянии обратного канала и его качестве, устанавливаются необходимые выходные уровни абонентских сигналов.
В настоящее время нет определённого стандарта и диапазона частот для передачи такого рода информации, поэтому разработчикам самим приходится выбирать рабочую частоту, исходя из конкретной сети и сетки каналов. То есть, появилась потребность разработать такой формирователь потока данных, который будет программно подстраиваться на заданный свободный диапазон частот, тем самым не будет перекрываться с другими информационными потоками, например, ТВ каналами.
Отсюда возникают основные требования:
- работа во всём диапазоне прямого канала
- помехозащищённость сигнала
- достаточный выходной уровень сигнала для трансляции в канал до абонентов
3. Описание измерительного комплекса
3.1 Функции
1. «Комплекс ОК» позволяет производить настройку и контролировать работоспособность кабельной сети в диапазоне частот обратного канала
2. «Комплекс ОК» позволяет:
l измерять АЧХ распределительных приёмных систем телевидения и радиовещания в диапазоне частот обратного канала
l спектр радиосигнала в частотном диапазоне обратного и прямого каналов
3. Измеряемые параметры отображаются на ЖК-дисплее центрального измерительного устройства (ЦИУ), на дисплее компьютера, подключенного к ЦИУ или на дисплее измерителя телевизионного (ИТ‑08), подключенного к любой точке сети
3.2 Технические параметры комплекса
| Рабочий частотный диапазон | 5–65 МГц |
| Шаг установки частот | 125 кГц |
| Основная погрешность измерения уровней напряжения радиосигнала, не более | ±1,5 дБ |
| Динамический диапазон измерения спектра, не менее | 60 дБ |
| Время измерения АЧХ обратного канала, не более | 2,5 сек |
| Время измерения уровней пилот сигналов от одного ГПС, не более | 1,2 сек |
| Время измерения спектра в полном диапазоне частот, не более | 15 сек |
| Частотный диапазон канала передачи параметров | 110–1000 МГц |
| Напряжение питания, В | 220 (+10 −15%) 50Гц |
| Количество одновременно работающих генераторов ГПС в кабельной сети | до 8‑ми |
3.3 Состав комплекса
Центральное измерительное устройство (ЦИУ)
Предназначено для измерения уровней напряжения пилот сигналов от генераторов ГПС, измерения АЧХ участка кабельной сети в частотном диапазоне обратного канала и спектра радиосигнала, с последующим отображением на встроенном дисплее измеренных параметров, передачей данных в компьютер и кабельную сеть в частотном диапазоне прямого канала.
Генератор пилот сигналов (ГПС01)
Предназначен для формирования измерительных сигналов для измерения АЧХ, настройки и контроля работоспособности кабельной сети в частотном диапазоне обратного канала.
Измеритель уровня телевизионного радиосигнала (ИТ‑081)
Универсальный прибор для измерения параметров телевизионного радиосигнала в частотном диапазоне 5–900 МГц с функцией спектроанализа. При работе в составе комплекса предназначен для приёма и отображения информации о параметрах обратного канала, передаваемых ЦИУ, а так же измерения уровней радиосигнала в частотном диапазоне прямого и обратного канала.
3.4 Описание функционирования
Генератор ГПС подключается в точку кабельной сети, где требуется произвести настройку по уровню усиления или проконтролировать АЧХ обратного канала. Режим работы ГПС настраивается автономно, с помощью прибора ИТ‑08 или с помощью компьютера. Можно изменить количество пилот сигналов (до четырёх) и их частоты в диапазоне 5–65 МГц (с шагом 125 кГц). Выходной уровень напряжения регулируется в диапазоне 72 – 118 дБмкВ с шагом 0,75 дБ. Пилот сигналы формируются последовательно во времени. Каждый радиоимпульс содержит номер генератора ГПС (от 1‑го до 8‑ми) и служебную информацию. ГПС может также работать в режимах сканирования по частоте для измерения АЧХ и непрерывной немодулированой генерации на заданной частоте. Настройки сохраняются при выключенном питании.
Конструктивно генератор выполнен в металлическом корпусе с габаритами 160x85x155 мм. Питание осуществляется либо от сети 220 В либо от встроенного аккумулятора. Время работы от аккумулятора не менее 6‑ти часов.
Центральное измерительное устройство (ЦИУ, рис. 3.5.1) расположено в составе головного (узлового) устройства. Например в составе головной станции, волоконного-оптического узла и т.д. ЦИУ адаптируется под текущую конфигурацию сети. В режиме измерения пилот сигналов ЦИУ производит поиск работающих генераторов ГПС и одновременно определяет частоты пилот сигналов. Сканирование частотного диапазона производится раздельно по частотам работающих ГПС и по всему диапазону с минимальным шагом для измерения спектра радиосигнала. В этом режиме работы комплекса, в кабельной сети могут работать одновременно до 8‑ми генераторов. При обнаружении работающего в сети ГПС с включенным режимом сканирования по частоте, ЦИУ переключается в режим измерения АЧХ и принимает сигналы только от этого генератора. В этом режиме желательно иметь только один работающий генератор в кабельной сети.
Измеренные ЦИУ параметры кодируются в цифровой поток и передаются в сеть в канале передачи данных в частотном диапазоне прямого канала 110–1000 МГц.
ЦИУ выполнен в 19″ конструктиве стандарта МЭК297. Имеет встроенный ЖК-дисплей для отображения режимов работы и исследования результатов измерения. Питание осуществляется от сети переменного тока напряжением 220 В.
Измеритель телевизионный ИТ‑08, включенный в произвольную точку кабельной сети, принимает информацию от ЦИУ в канале передачи данных и отображает на встроенном дисплее. С помощью прибора можно наблюдать уровни пилот сигналов от любого из работающих ГПС, спектр полного или ограниченного диапазона частот обратного канала, а так же АЧХ участка кабельной сети от точки включения ГПС до ЦИУ. Прибор ИТ‑08 выполнен в пластмассовом ударопрочном корпусе с габаритными размерами 200x90x55 мм. Работает от встроенных аккумуляторов или от внешнего источника питания. Время работы от аккумулятора не менее 6‑ти часов.
С помощью компьютера, подключенного к ЦИУ можно осуществлять автоматический контроль работоспособности кабельной сети, накопление статистической информации, оперативного измерения параметров и документирования результатов измерения. Подключение компьютера в состав локальной компьютерной сети или к телефонному модему позволяет получить функцию предупреждения о неисправности.
3.5 Центральное измерительное устройство (ЦИУ)
- Диапазон входных уровней измеряемого сигнала: от 40 до 126 дБмкВ.
- Частотный диапазон измеряемого сигнала: 5–865 МГц.
- При работе в составе комплекса измерений параметров обратного канала ЦИУ‑01:
- измеряет пилот-сигналы от генераторов ГПС‑01;
- ведёт поиск, работающих в сети генераторов ГПС‑01;
- измеряет спектр обратного канала;
- измеряет АЧХ обратного канала;
- принимает текстовые комментарии от генераторов ГПС‑01;
- передаёт данные всех измерений в цифровом виде в прямом канале для их последующего приёма ИТ‑08;
- по запросу передаёт данные измерений в компьютер.
- Диапазон выходного уровня сигнала передатчика: от 60 до 115 дБмкВ
- Частотный диапазон выходного сигнала: 110–1000 МГц.
- Для измерений в прямом канале доступны следующие режимы:
- режим гистограмм, в котором производится измерение уровней несущих телевизионного радиосигнала, а также отношений Видео / Звук и Сигнал / Шум;
- режим измерения спектра с изменяемой полосой сканирования.

Рисунок 3.5.1 – Структурная схема центрального измерительного устройства
Измеритель предназначен для работы в составе комплекса измерения параметров обратного канала, который позволяет измерять АЧХ распределительных приёмных систем телевидения, производить настройку и контролировать работоспособность кабельной сети в диапазоне частот прямого и обратного канала.
3.6 Технические характеристики ЦИУ
Параметры входа: | ||
| Диапазон рабочих частот при работе в обратном канале, МГц | 5–65 | |
| Диапазон рабочих частот при работе в прямом канале, МГц | 46–865 | |
| Входное сопротивление в диапазоне рабочих частот, Ом | 75 | |
| Входное сопротивление на постоянном токе, кОм | 10 | |
| Допустимое суммарное значение переменного напряжения на входе, В | 3 | |
| Допустимое значение постоянного напряжения на входе, В | 50 | |
| Ослабление встроенного входного аттенюатора, дБ | 20, 40 | |
| Затухание несогласованности на входе, дБ, не менее | 16 | |
| Диапазон измеряемых уровней: | ||
| с выключенным аттенюатором, дБмкВ | 40–90 | |
| с включенным аттенюатором 20 дБ, дБмкВ | 60–110 | |
| с включенным аттенюатором 40 дБ, дБмкВ | 80–126 | |
| Разрешение по измеряемому уровню, дБ | 0,1 | |
| Предел допускаемой основной относительной погрешности измерения на частоте настройки, дБ | ±2,0 | |
| Полоса пропускания канала измерения по уровню -3дБ, кГц | 260 ± 30 | |
| Ослабление сигнала в полосе задержания фильтра низких частот при работе в обратном канале, дБ, не менее | 40 | |
| Полоса пропускания сигнала фильтра низких частот при работе в обратном канале, МГц | 5–70 | |
Параметры выхода: | ||
| Диапазон рабочих частот, МГц | 110 – 1000 | |
| Диапазон уровней выходного сигнала, дБмкВ | 60–115 | |
| Тип выходного разъёма | BNC | |
| Номинальное выходное сопротивление, Ом | 75 | |
Временные параметры при работе с генератором пилот-сигналов: | ||
| Время обнаружения генератора пилот-сигналов, сек., не более | 60 | |
| Период измерения спектра обратного канала, сек., не более | 15 | |
| Количество одновременно измеряемых пилот-сигналов ГПС‑01 | до 8‑ми | |
| Интерфейс для подключения измерителя к компьютеру | RS‑232 девяти-контактный | |
| Питание прибора осуществляется | от сети переменного тока напряжением 220 В | |
| Габаритные размеры, мм, не более | 483x156x133 | |
| Масса, кг, не более | 3,2 | |
| Рабочие условия эксплуатации, °С | от +10 до +40 | |
4. Формирователь потока данных
4.1 Назначение формирователя
Разрабатываемый модуль является составной частью всего измерительного комплекса (рис. 4.1.1). Формирователь не выполняет никаких анализирующих и измерительных функции, а только формирует необходимый поток данных для трансляции в сеть на любом свободном диапазоне частот прямого канала, то есть выполняет роль модема прямого канала.
Функции формирователя:
- ЧМ модуляция кодовой информации
- Генерация необходимой несущей частоты передачи
- Регулировка выходного уровня
Передаваемые данные содержат информацию об измеренных параметрах обратного канала и передаются в закодированном виде. Для обеспечения помехоустойчивости используется ЧМ модуляция, так как при этом сигнал наиболее защищён от внешних помех. При этом девиация частоты составит +50кГц, согласно техническому заданию. Так как необходимо генерировать сигнал в широком диапазоне частот (110 – 1000 МГц), то весь диапазон можно поделить между четырьмя генераторами, работающими на соответствующих частотах:
110 – 190 МГц
190 – 330 МГц
330 – 570 МГц
570 – 1000 МГц
Работа всех генераторов регулируется микроконтроллером. То есть одновременно 4 генератора работать не могут. В дальнейшем сигнал фильтруется от ненужных побочных частот, усиливается и передаётся в канал. А уже на стороне абонента прибором ИТ‑08 считываются и отображаются измеренные параметры.

Рисунок 4.1.1 – структурная схема измерительного комплекса
Формирователь состоит из 5 основных функциональных блоков (рис. 4.1.2):
Блок генераторов. Генераторы производят необходимую частоту из своего диапазона, а так же выполняют функции ЧМ модуляторов.
ФАПЧ – фазовая автоподстройка частоты. Служит для стабилизации частоты и разбиения диапазона на сетку частот.
Блок регуляторов выходного уровня. Позволяет управлять уровнем генерируемого сигнала путём усиления или ослабления в зависимости от требований сети.
Блок фильтрации. Отфильтровывает побочные частоты, возникающие в результате неидеальной генерации и нелинейности усиления.
Усилительный каскад. Усиливает сигнал до уровня 60 – 115 дБмкВ для трансляции в сеть.
Более подробно работа каждого блока описана ниже.
4.2 Блок генераторов
4.2.1 Принцип работы
Блок состоит из четырёх генераторов, каждый из которых работает в своём диапазоне частот. На принципиальной схеме они отличаются номиналами элементов в колебательном контуре. Поэтому достаточно рассмотреть принцип работы на примере одного.
Построен генератор на основе высокочастотного транзистора BFR93 и колебательного контура (С29, С37, С38, L1) с варикапом VD1 (см. рис. 4.2.1). Так как ёмкость варикапа зависит от приложенного к нему напряжения, то имеется возможность изменять резонансную частоту контура. Для подстройки частоты так же служит катушка индуктивности L1.

Рисунок 4.2.1 – Схема генератора
Таким образом, регулируя напряжение на входе «Tun», можно устанавливать необходимую резонансную частоту контура, то есть управлять генерацией частоты.
Если на вход «Mod» подавать какой-либо сигнал, то это вызовет смещение резонансной частоты контура, то есть происходит частотная модуляция. А рассчитав делитель (R17, R21), можно добиться смещения +/-50кГц. На схеме этим выводом генератор подключается к микроконтроллеру, который формирует кодовую последовательность из «1» и «0».

Рисунок 4.2.2 – Сигнал на входе «Mod» (сверху) и на выходе генератора(снизу)
Вход «Switch» предназначен для управления питанием генератора. Так программно возможно включать и выключать необходимый генератор.
4.2.2 Расчёт элементов контура
На рисунке 4.2.1 представлена схема первого генератора, работающего в диапазоне 110 – 190 МГц. Основным участком цепи является колебательный контур, образованный элементами L1, VD1, C29, C37, C38. Резонансная частота должна совпадать с средней частотой диапазона, то есть 150 МГц.
Значения ёмкостей выбираются согласно требованиям LC‑генераторов (1). Для рассматриваемого генератора: 10пФ(C29) и два по 18пФ (C37, C38)
Ёмкость варикапа VD1 зависит от приложенного к нему напряжения (рис. 4.2.2.1).

Рисунок 4.2.2.1 – Вольт-фарадная характеристика варикапа ВВ131
Зная номиналы элементов, можно рассчитать резонансную частоту контура по формуле:
(4.1)
где
=
+
+
+
– сумма емкостей контура.
– изменяемая ёмкость.
- индуктивность катушки
– резонансная частота контура
Совмещая формулу 4.1 и ёмкость
при различных напряжениях на варикапе
, получим таблицу генерируемых частот.
Таблица 4.1
|
|
|
| 0 | 3,60 | 96,90 |
| 1 | 3,31 | 101,04 |
| 2 | 3,04 | 105,42 |
| 3 | 2,83 | 109,39 |
| 4 | 2,65 | 113,01 |
| 5 | 2,43 | 117,89 |
| 6 | 2,25 | 122,47 |
| 7 | 2,11 | 126,62 |
| 8 | 1,94 | 131,84 |
| 9 | 1,84 | 135,67 |
| 10 | 1,72 | 140,20 |
| 11 | 1,59 | 145,68 |
| 12 | 1,50 | 150,01 |
| 13 | 1,41 | 155,05 |
| 14 | 1,36 | 157,89 |
| 15 | 1,28 | 162,65 |
| 16 | 1,22 | 166,21 |
| 17 | 1,17 | 170,14 |
| 18 | 1,11 | 174,50 |
| 19 | 1,02 | 182,05 |
| 20 | 0,94 | 189,17 |
| 21 | 0,93 | 191,14 |
| 22 | 0,91 | 193,19 |
| 23 | 0,86 | 198,33 |
| 24 | 0,85 | 199,90 |
| 25 | 0,80 | 205,80 |
| 26 | 0,78 | 208,54 |
| 27 | 0,76 | 211,42 |
| 28 | 0,75 | 212,42 |
| 29 | 0,74 | 213,43 |
| 30 | 0,74 | 214,46 |
| 31 | 0,73 | 215,51 |
| 32 | 0,72 | 216,59 |
| 33 | 0,71 | 217,68 |
Исходя из данных таблицы, видно, что генерируемая частота пропорциональна напряжению на варикапе на заданном участке зависимости. Требуемый диапазон частот перекрывается.

Рисунок 4.2.2.2 – Зависимость резонансной частоты контура от напряжения на варикапе BB131
4.3 Регулировка выходного уровня
Рисунок 4.3.1 – Схема регулировки выходного уровня
На выходе каждого генератора установлены схемы регулировки выходного уровня (рис. 4.3.1). В зависимости от того какое напряжение (0…5 В) подать на базу (gate2) транзистора VT13, будет изменяться режим его работы-либо усиление, либо ослабление сигнала с генератора (база транзистора gate1). Это напряжение задаётся через цифро-аналоговый преобразователь DAC7513 микроконтроллером.

Рисунок 4.3.2 – схема транзистора BF904
Для отключения или включения схемы регулировки, когда работает другой генератор, используется вход «Switch», который так же, как и в схеме генератора, управляется микроконтроллером.
4.4 Фильтрация основной частоты
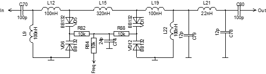
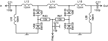
В выходном сигнале присутствуют побочные частоты, от которых необходимо избавиться. Следовательно, установим фильтры. Но так как частота сигнала изменяемая, то полосу пропускания фильтра необходимо менять в процессе работы. Это достигается путём изменения параметров элементов фильтра, то есть в схему фильтра следует включить варикапы с переменной ёмкостью (рис. 4.4.1 и 4.4.2).

Рис. 4.4.1 – Управляемый фильтр на диапазон 110–330 МГц

Рис. 4.4.2 – Управляемый фильтр на диапазон 330–1000 МГц
Регулировка полосы пропускания осуществляется по входу «Freq». На этот вход подаётся напряжение от 0 до 30 В, которое задаётся микроконтроллером через ЦАП и драйвер.
Далее при помощи ключа на микросхеме HMC545 производится выбор рабочего фильтра. Сигнал пропускается через усилители и фильтр для наилучшего качества. На выходе стоит аттенюатор для согласования с сетью.
5. Безопасность жизнедеятельности
В дипломном проекте разрабатывается техническое устройство, поэтому в данном разделе необходимо рассмотреть вопросы, связанные с охраной труда как на этапе производства, так и при проведении экспериментов.
5.1 Анализ опасных и вредных производственных факторов
В процессе изготовления спроектированной системы выполняются такие операции как сборка печатных плат (пайка, нанесение защитных покрытий) и их испытание. При проведении этих работ возникают опасные и вредные производственные факторы (ОВПФ).
Классификация опасных и вредных факторов
В соответствии с ГОСТ 12.0.003–80 «Классификация опасных и вредных производственных факторов», исходя из характера технологического процесса можно выделить следующие группы ОВПФ:
Физические:
– повышенная или пониженная температура воздуха рабочей зоны;
– повышенная или пониженная влажность воздуха;
– недостаточная освещенность рабочей зоны;
– опасный уровень напряжения;
– статическое электричество.
Психофизиологические:
l ограниченная подвижность во время работы;
l неправильная рабочая поза.
Химические:
– выделение паров следующих веществ: олова, свинца, канифоли, клея, растворителей.
