Воздействие радиационного излучения на операционные усилители
И. САМКОВ
Научный руководитель проф. Т.М. АГАХАНЯН
Московский государственный инженерно-физический институт (технический университет)
Обзор по теме
“Воздействие ионизирующего излучения на ИОУ. Схемотехнические способы повышения радиационной стойкости ИОУ при воздействии импульсного ионизирующего излучения ”
2006
СОДЕРЖАНИЕ
1.Основные радиационные эффекты в элементах интегральных микросхем. 1.1. Классификация радиационных эффектов. 1.2. Действие облучения на биполярные транзисторы 1.3. Действие облучения на униполярные транзисторы 1.4. Специфика эффектов в зависимости от конструктивно-технологических особенностей ИМС | 3 |
2. Радиационные эффекты в усилительных и дифференциальных каскадах 2.1. Усилительные каскады. 2.2. Дифференциальные каскады. 2.2.1. Моделирование эффектов в дифф-каскадах. 2.2.2. Влияние ИИ на шумовые характеристики. | 5 |
3. Радиационные эффекты в ИОУ 3.1. Воздействие ИИ на параметры ИОУ. 3.2. Критериальные параметры. 3.3. Проектирование радиационно-стойких ИОУ. 3.4. Прогнозирование эффектов воздействия ИИИ на ИОУ. 3.5. Имитационные испытания. 3.6. Уменьшение ВПР электронной аппаратуры. | 8 |
| 5. Список использованной литературы. | 15 |
Основные радиационные эффекты в элементах аналоговых интегральных микросхем.
Классификация радиационных эффектов.
Воздействие ионизирующих излучений (ИИ) на какое-либо вещество сопровождается выделением энергии частицей ИИ. Дальнейшая релаксация полученной энергии и распределение её по объёму вещества происходят в форме различных радиационных эффектов. Принято выделять два вида основных эффектов: смещения (обусловленные смещением атомов из своего нормального положения) и ионизации (связаны с образованием свободных носителей заряда под действием ИИ).
Реакция интегральных микросхем (ИМС) на ионизирующее излучение обусловлена, в первую очередь, зависимостью параметров её элементов от эффектов смещения и ионизации. В свою очередь, конкретный вид энерговыделения (однородное, равновесное и т.п.) может приводить к появлению различных эффектов в микросхеме, особенности проявления которых определяются специфическими для нее технологическими и схемотехническими решениями. По причине возникновения эти эффекты можно подразделить на первичные- обусловленные непосредственно энергией излучения, поглощенной в ИМС (дефекты смещения, модуляция проводимости и т.п.), и вторичные - обязанные своим происхождением инициированному излучением перераспределению энергии внутренних и сторонних источников (радиационное защелкивание, вторичный фототек, пробой и т.п.).
С точки зрения функционирования ИМС в аппаратуре в зависимости от соотношения между длительностью воздействия излучения Ти и временем релаксации вызванного им возбуждения в системе Трелразличают остаточные (долговременные Трел>>Ти) и переходные (кратковременные Ти>Трел) изменения параметров приборов.
Ñ Одним из основных параметров, характеризующих переходные ионизационные эффекты в элементах ИМС при равновесном энерговыделении, является величина ионизационного тока р-n-переходов, который можно представить в виде двух составляющих: 1)мгновенная составляющая, связанная с дрейфом избыточных носителей из обедненной области перехода;
2)запаздывающая составляющая, связанная с диффузией и дрейфом неравновесных носителей заряда из областей, прилегающих к обедненной области р--перехода. Соотношение амплитуд запаздывающей и мгновенной составляющих определяется параметрами р- -перехода.
Ñ Долговременные изменения параметров транзисторов обусловлены эффектами смещения и ионизации.
Эффекты смещения, связанные с изменением кристаллической структуры полупроводника вследствие перемещения атомов из своего положения, вызывают изменение электрофизических свойств полупроводника: времени жизни, подвижности носителей заряда и их концентрации. Соответственно изменяются и параметры транзисторов, определяемые указанными величинами.
Эффекты ионизации, связанные с накоплением заряда в диэлектрических слоях и изменением плотности поверхностных состояний при ионизации полупроводника, также приводят к деградации параметров транзисторов.
Действие облучения на транзисторы удобно установить на основании его физических параметров, характеризующих процессы в транзисторной структуре.
Действие облучения на биполярные транзисторы.
Физические параметры биполярного транзистора можно разбить на четыре группы:
1)Параметры, характеризующие диффузию и дрейф неосновных носителей,
2)Параметры, характеризующие рекомбинацию и генерацию,
3)Параметры, определяющие изменение пространственного заряда в области p-n- переходов и его влияние на характеристики транзисторов (это зарядные емкости коллекторного и эмиттерного переходов, а также емкость изолирующих p-n-переходов)
4)Параметры, характеризующие падение напряжения в объеме полупроводника и включающие объемные сопротивления эмиттера, базы и коллектора, а при высоких уровнях инжекции также диффузионное падение напряжения (ЭДС Дембера).
Ионизирующие излучения влияют на все физические параметры транзистора, однако перечень параметров, подлежащих учету, зависит от конкретных условий применения.
Действие облучения на униполярные транзисторы.
Влияние ионизирующего излучения на параметры униполярных транзисторов как с управляющим p-n-переходом, так и МДП - структур в основном проявляется в виде изменений тока затвора I3, порогового напряжения Uзи.пор (для МДП - транзисторов с индуцированным каналом) или напряжения отсечки Uзи.отс(для транзисторов с управляющим р-п-переходом и со встроенным каналом) и крутизны характеристики транзистора Sст.Претерпевают изменение также дифференциальные параметры: сопротивление затвора rз, внутреннее сопротивление транзистора ri.
В отличие от биполярных транзисторов в униполярных транзисторах ток в канале образуется потоком основных носителей, поэтому заметные изменения характеристик униполярных транзисторов, обусловленные действием эффектов смещения, наблюдаются при уровнях облучения, способных существенно повлиять на подвижность основных носителей и их концентрацию. Для кремниевых ИМС при облучении нейтронами это происходит при флюенсах, превышающих 1015-1016 нейтр./см2. Вместе с тем приповерхностный характер происходящих в МДП-транзисторах процессов обусловливает их сильную чувствительность к ионизационным эффектам, действие которых, прежде всего, связано с накоплением положительного пространственного заряда в слое подзатворного диэлектрика, модулирующего проводимость канала МДП-транзистора.
Специфика эффектов в зависимости от конструктивно-технологических особенностей ИМС.
Специфика проявления радиационных эффектов во многом определяется конструктивно-технологическими особенностями ИМС и в некоторых случаях различается для схем низкой и высокой степени интеграции. В частности, для интегральных структур малой и средней степени интеграции, к числу которых относятся аналоговые ИМС, можно пренебречь неравновесностью энерговыделения, более слабо проявляются дозовые эффекты в биполярных структурах и т.п.
Уменьшение размеров структур в условиях радиационного воздействия также приводит к принципиальным изменениям физики работы приборов. Эти изменения связаны с тем, что: 1) характерные пространственные масштабы изменения электрического поля сопоставимы с длинами релаксации энергии и импульса электронов и длиной свободного пробега электронов; 2) характерные размеры рабочих областей приборов сравнимы с расстоянием между кластерами радиационных дефектов (КРД); 3) характерные размеры рабочих областей приборов сопоставимы с размерами КРД; 4) ионизирующее излучение разогревает электронный газ, который не успевает остывать за времена пролета рабочей области приборов; 5) при облучении нейтронами происходит перестройка протонированных изолирующих областей ИС, что сказывается на процессах протекания тока и фоточувствительности; 6) взаимодействие ионизирующих излучений (особенно лазерных) с нанометровыми металлическими объектами имеет особенности; 7) радиационные технологические процессы (например, геттерирование) существенно изменяют электрофизические характеристики полупроводника, что заметным образом сказывается на процессах формирования радиационных дефектов в субмикронных приборах; 8) электроны, разогнанные до энергий 0,5...1 эВ большими электрическими полями (~ 100 кВ/см) в субмикронных приборах, могут проникать сквозь КРД, что принципиально меняет подход к моделированию радиационной стойкости приборов.
Радиационные эффекты в усилительных и дифференциальных каскадах.
Усилительные каскады.
В качестве простейших усилительных каскадов применяют каскады с общим эмиттером (ОЭ) и общим истоком (ОИ). Отклонение тока коллектора ΔIк от своей номинальной величины, обусловленное действие стационарных эффектов смещения и ионизации, можно уменьшить увеличением глубины обратной связи, что приводит к уменьшению как коэффициента нестабильности, так и чувствительности схемы.
Усилительные параметры каскада ОЭ: его коэффициент усиления по напряжению входное и выходное сопротивление изменяются главным образом из-за уменьшения коэффициента передачи тока базы bN.Высокочастотные параметры каскада ОЭ при облучении улучшаются из-за уменьшения b, tb и Ск.
В каскаде ОИ отклонение тока стока ΔIк от своей номинальной величины, вызываемое радиационными эффектами, определяется изменением смещения на затворе, сдвигом напряжения отсечки и изменением статической крутизны характеристики.
Усилительные характеристики каскада ОИ изменяются из-за изменений крутизны характеристики транзистора S, его входного и выходного сопротивлений. Постоянные времени
tвх » СвхRг ; tвsх » Сн.выхRсн
характеризующие высокочастотные свойства каскада ОИ, могут изменяться, если наблюдается заметное изменение паразитных емкостей Свх и Сн.вых которые складываются из межэлектродных емкостей транзистора, емкостей монтажных площадок и емкости нагрузки.
Дифференциальные каскады.
Принято считать, что стойкость аналоговых интегральных микросхем к спецвоздействиям определяется, прежде всего, радиационными эффектами во входных каскадах, в качестве которых, как правило, применяют дифференциальные каскады (за исключением трансимпедансных ИОУ). В дифференциальном каскаде приведенное ко входу отклонение выходного напряжения от своей номинальной величины, вызываемое действием эффектов смещения и ионизации, определяется формулой

(где Kвл.ип коэффициент влияния нестабильности напряжений источников питания, обусловленных радиационными эффектами)
Представленное соотношение применимо для дифференциальных каскадов, включенных в аналоговые ИМС с изоляцией диэлектрической пленкой. В ИМС с изоляцией р-п-переходом в ряде случаев требуется учет паразитного р-п-р-транзистора, образуемого базовым и коллекторным слоями рабочего транзистора и подложкой ИМС.
Благодаря высокому коэффициенту подавления синфазных сигналов, образуемых перепадами ионизационных токов как на входах, так и на выходах, разность выходных напряжений и входной ток сдвига изменяются незначительно. Поэтому отклонение выходного напряжения от нуля определяется не входным дифференциальным каскадом, а реакцией последующих каскадов.
Существенно меняется входной ток смещения; это ток, который определяется не разностью токов, а их средним значением, изменение которого определяется изменением bN. Отклонение выходного напряжения происходит также из-за радиационной нестабильности тока в эмиттерах.
В аналоговых ИМС с дифференциальным каскадом на входе в качестве пары используют униполярные транзисторы с управляющим p-n-переходом. При этом токи затворов определяются токами обратносмещенных p-n-переходов — затворов. Как известно, МДП-транзисторы обладают меньшим входным током, чем транзисторы с управляющим p-n-переходом. Однако МДП-транзисторы очень чувствительны к импульсным помехам, поэтому при использовании их во входных каскадах требуется защита входов диодами, токи утечки которых сводят на нет преимущества МДП-транзисторов. Необходимость диодной защиты отпадает в ИМС с внутрисхемной связью входа аналоговой части схемы с предшествующими схемами. При этом использование МДП-транзисторов в качестве дифференциальной пары позволяет заметно уменьшить Iвхсм и Iвх.сд определяемые токами утечки диэлектрических затворов.
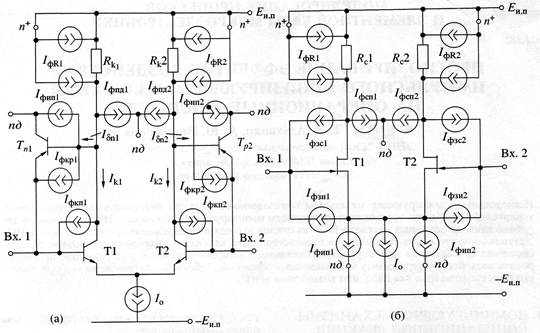
Действие переходных ионизационных эффектов можно оценить при помощи моделей дифференциальных каскадов на биполярных транзисторах (рис. 1а) и униполярных транзисторах с управляющим p-n-переходом (рис. 16).

Рис. 1. Модели дифференциальных каскадов для анализа переходных ионизационных эффектов: (а) - на биполярных транзисторах; (б) - на униполярных транзисторах с управляющим p-n-переходом.
В этих схемах фототоки источников стабилизированного тока I0 непосредственно не учитываются, так как их действие подавляется (так же как действие всяких синфазных помех). Косвенное влияние этих фототоков, приводящее к изменению тока I0 в эмиттерах или истоках транзисторных пар, удобно учитывать наряду с другими причинами изменения этого тока, представив, что при облучении
ток I0 изменяется в (1 + aф) раз (где aф - коэффициент изменения тока I0).
В модели на рис.1,а действие фототоков, образуемых потоком носителей через коллекторные переходы, которые генерируются в базах транзисторных пар Т1 и Т2, учитываются посредством источников тока Iфкп1 и Iфкп2 (влиянием фототоков, образуемых потоком носителей через эмиттерные переходы Т1 и Т2, пренебрегаем). Фототоки, которые возникают в коллекторных слоях транзисторов Tl, T2 и прилегающих к ним областях подложки с изолирующими р-п-переходами, учитываются источниками токов, шунтирующих коллекторные и эмиттерные переходы паразитных транзисторов ТП1, ТП2и источниками фототоков Iфип1, Iфип2. Для упрощения моделей аналогичные паразитные транзисторы, связанные диффузионными резисторами, не показаны.
В модели на рис.1,б учтены фототоки, возникающие в каналах транзисторов Tl, T2 и прилегающих к каналам слоях подложки и изолирующих р-n-переходах. Действие ионизирующих излучений приводит к отклонению от нуля выходного напряжения дифференциального каскада.
Влияние ионизационных эффектов, вызываемых воздействием электронного, высокоэнергетического нейтронного и g-излучений, проявляется прежде всего в виде заметного увеличения токов утечки и канальных токов, что приводит к росту входных токов смещения Iвхсм и сдвига Iвхсд. Происходит также уменьшение коэффициента передачи тока базы bN, влияющее как на точностные характеристики каскада, так и на его усилительные параметры. Может происходить заметное изменение выходных потенциалов каскада вследствие роста тока I0 стабилизированного источника.
Анализ влияния поверхностных ионизационных эффектов требует более подробной информации о топологических и технологических особенностях изготовления элемента ИМС, а также об изменениях заряда в приповерхностных слоях. Для этого обычно используют тестовые структуры.
Как показывает анализ, приведенное к входу импульсное отклонение собственного выходного напряжения дифференциального каскада (а не всего ИОУ) от номинальной величины оказываются не столь заметными, несмотря на существенное увеличение входных токов ИОУ при импульсном воздействии.
В литературе отмечается, что отклонение выходного напряжения ИОУ от нуля при спецвоздействии обусловлено не изменением выходных потенциалов дифференциальных каскадов, а в основном происходит из-за нарушения режима по постоянному току выходных повторителей, причем это отклонение имеет одну и ту же полярность, т.е. выходное напряжение отклоняется в сторону положительного источника питания. Экспериментально было проверено, действительно ли влияние фототоков в выходных повторителях является определяющим.
Влияние ИИ на шумовые характеристики дифф-каскада.
В каскадах на биполярных транзисторах в области средних и высших частот шумового спектра, где преобладают дробовой шум токораспределения iш.к и тепловой шум объемного сопротивления базы eш.б, при облучении уровень шумов возрастает в результате деградации коэффициента передачи тока базы b и увеличения объемных сопротивлений.
Влияние теплового шума сопротивления коллекторного слоя eшк, а также шумовых сигналов паразитного транзистора iшфи, iшfи не так существенно. В области низших частот преобаладают шумы со спектром 1/f, атакже низкочастотные шумы фототоков. Анализ низкочастотных шумов усложняется тем, что их изменение при облучении определяется не только объемными эффектами, но и поверхностными. Действие ионизирующих излучений приводит не тоолько к повышению уровня низкочастотных шумов, но также к увеличению граничной частоты fш, т.е. к сдвигу их спектральной плотности в область более высоких частот.
В дифференциальных каскадах на униполярных транзисторах в области средних и высших частот, где преобладают тепловой шум канала iшс и дробовой шум тока затвора iш.з шумы при облучении возрастают из-за уменьшения крутизны характеристики транзистора S и увеличения тока затвора вследствие роста тока генерации в управляющем р-n-переходе. Возрастают также низкочастотные шумы, обусловленные флуктуациями заряда токов генерации—рекомбинации в обедненном слое изолирующего р-n-перехода. При этот относительное увеличение шумового сопротивления практически не зависит от частоты.
Уровень собственных шумов каскада повышается из-за шумов фототоков, особенно при высоких импедансах источника сигнала.
Уровень шумов дифференциального каскада зависит также от схемы подачи входного сигнала и съема выходного напряжения. На практике нередко подают сигнал только на один из входов каскада По отношению к этому входу интенсивность первичного шумового напряжения возрастает.
Сравнение дифференциальных каскадов на биполярных и униполярных транзисторах по их шумовым показателям в области средних частот показывает, что в первых из них при работе от источников с Rг >> 103 Ом уровень шума выше. Следует иметь в виду, что каскады на униполярных транзисторах менее критичны к выбору оптимального сопротивления источника входного сигнала, а поэтому изменение условия оптимальности при облучении не приводит к дополнительному увеличению шума.
Радиационные эффекты в ИОУ.
Воздействие ИИ на параметры ИОУ.
Интегральные операционные усилители (ИОУ) представляют собой высококачественные прецизионные усилители, которые относятся к классу универсальных и многофункциональных аналоговых микросхем. Радиационная стойкость аналоговых ИМС определяется не только влиянием ионизирующих излучений на характеристики элементов микросхемы, но она зависит также от структуры ИМС и схемотехнических особенностей. Поскольку большинство современных аналоговых ИМС построены по структуре ИОУ, то на их примере можно выяснить влияние радиационных эффектов на характеристики аналоговых микросхем.
Специализированные ИОУ частного применения, к числу которых относятся микросхемы с повышенным входным сопротивлением, прецизионные и микромощные ИОУ, быстродействующие усилители (11), обычно более чувствительны к остаточным радиационным эффектам, так как схемотехнические и технологические меры, применяемые для достижения предельных возможностей по каким-либо параметрам, как правило, приводят к снижению их радиационной стойкости. Особенно чувствительны к воздействию облучения ИОУ при работе в микрорежиме. Это объясняется тем, что в микрорежиме деградация параметров транзисторов происходит при более низких флюенсах.
Причиной нарушения нормальной работы ИОУ являются также переходные ионизационные эффекты, обусловленные образованием мощных импульсов фототоков во всех областях кристалла, включая не только области, где формированы рабочие транзисторы, диодные структуры, диффузионные резисторы, но также изолирующие и приповерхностные слои ИМС. Изоляция р-n-переходами является серьезным недостатком ИОУ, работающих в полях ионизирующих излучений. Воздействие γ-излучения, электронного и высокоэнергетического нейтронного (Е„ > 14 МэВ) излучений приводит к образованию через изолирующие p-n-переходы мощных фототоков, которые могут быть причиной нарушения электрической изоляции р- и n-областей, возрастания рассеиваемой мощности, возникновения тиристорного эффекта, пробоя как в рабочих, так и в паразитных транзисторах. Значительный вклад в образование фототоков вносят участки подложки, прилегающие к изолирующим p-n-переходам. Поэтому эти токи можно заметно уменьшить легированием подложки с тыльной стороны золотом, уменьшающим время жизни носителей в подложке. Наиболее эффективным способом уменьшения фототоков является применение диэлектрической изоляции, а также использование пленочных резисторов вместо диффузионных.
Воздействие ионизирующего излучения сказывается также на частотных и импульсных характеристиках ИОУ в области малых времен. При облучении, создающем объемные структурные повреждения, частота единичного усиления для некорректированного ИОУ меняется незначительно вплоть до флюенсов 1015 нейтр./см2 и более. Верхняя граничная частотадля большинства ИОУ возрастает, что объясняется уменьшением коэффициентов усиления каскадов, вследствие чего уменьшается влияние паразитных емкостей. Эти изменения приводят к снижению запаса устойчивости, oднако поскольку в реальных условиях последняя тоже уменьшается, то в итоге при облучении самовозбуждение ИОУ маловероятно.
Критериальные параметры для оценки стойкости ОУ.
Как правило, нормативная документация (НД) на ИОУ устанавливает отклонение выходного напряжения от нуля ΔUвхот, приведенного ко входу, в качестве критериального параметра при определении уровня бессбойной работы (УБР) и времени потери работоспособности (ВIIP) при воздействии импульсного ИИ.
Типовая схема включения по НД для контроля параметра ΔUвх.отпоказана на рис.2, причем коэффициент усиления схемы Кивыбирается в диапазоне от 10 до 1000 без должного обоснования. Напряжение отклонения от нуля рассчитывается по упрощенной формуле:
ΔUвх.от = ΔUвых/ Ku.
Критерий работоспособности ИОУ по параметру UBXдля определения УБР и ВПР задается выражением
ΔUвх.от £ ΔUвх.от норм или ΔUвых £ ΔUвх.от нормKu
Как показали эксперименты, в зависимости от технологии существенно различаются чувствительность к воздействию стационарного ИИ того или иного параметра однотипных ОУ, различаются зависимость АЧХ от величины поглощенной дозы, уровень катастрофического отказа, характер изменения напряжения смещения нуля и др. Так, например, уровень катастрофического отказа ОУ 140УД17 различается на порядок в зависимости от предприятия изготовителя. В связи с этим один и тот же тип ОУ мог соответствовать либо нет нормам ТУ. Т.о. очевидна невозможность прогнозирования радиационного поведения ОУ по результатам исследования схем того же типа, но другого конструктивно-технологического исполнения. Более того, подтверждается неинформативность использования одного и того же критериального параметра для сравнительной оценки радиационной стойкости всех ОУ, т.к. критериальный параметр, т.е. наиболее чувствительный к воздействию того или иного типа ИИ, определяется технологией изготовления микросхемы.
Ниже приведена таблица параметров, реагирующих на воздействие ИИ для некоторых усилителей.
| Марка ОУ | Параметры ОУ, подверженные радиации |
| OP 400 | +Ib, -Ib, Gain_2k, Slew Rate |
| OP 467 | +Ib, -Ib, Icc, Voh_2k |
| AD 620 | +Ib, -Ib, PSRR_pos, +Swing, all of gain_errors |
| AD 845 | Icc, P_PSRR_A, Vol |
| LF 147 | None |
| LF 155a | +Ib, -Ib |
| LMC 6464 | +Ib, -Ib, Ios, Voh_100k A-D, Vol_100k A-D, Slew Rate A-D, GBW A-D |
| OP 07 (0,14R(Si)/s) | VOS, P_IIB, N_IIB, IIOS, CMRR, P_AOL_2k, N_AOL_2k, Slew Rate |
| OP 07 (0,58R(Si)/s) | VOS, P_IIB, N_IIB, IIOS, CMRR, PSRR, VOUT, AOL, Slew Rate |
| OP 15 | VOS, +Ibias, -Ibias, Iio |
| OP 27 | VOS, P_IIB, N_IIB |
| OP 77 | VOS_0V, P_IIB_0V, N_IIB_0V |
| OP 270 | +Ib_A, -Ib_A, +Ib_B, -Ib_B, Ios_A, Ios_B, Open Loop Gain B |
| PA07M/883 | Voffset |
| LM 10 | VOS, P_IIB, N_IIB, IIOS, CMRR, PSRR, AOL, ASH, REF GAIN, V_FB, I_FB, Line Reg, Load Reg |
| OP 07A | VOS_0V, P_IIB_0V, N_IIB_0V, P_AOL, N_AOL, IIOS_0V, CMRR, +PSRR, -PSRR |
| AD 645 | vio |
Из представленного материала, подтверждаемого многочисленными экспериментами, следует, что напряжение смещения нуля, определяемое как приведенное к входу выходное напряжение не является информативным параметром при определении уровня бессбойной работы ИОУ при воздействии импульсных спецфакторов. Более информативным показателем стойкости ИОУ при воздействии ИИИ является время потери работоспособности (ВПР), определяемое по уменьшению отклонения выходного напряжения до заданного уровня.
Выбор общего критерия работоспособности для определения УБР и ВПР, отражающего способность ИОУ усиливать сигнал с заданной точностью, можно осуществить только условно без привязки к конкретному применению ИОУ. Прямая оценка по наихудшему случаю (например включение ИОУ без ОС) также неинформативна, так как при этом получаются заведомо завышенные значения ВПР. Однако предварительные оценки показывают, что в этом случае возможен пересчет полученных значений ВПР к конкретной схеме включения.
Проектирование радиационно-стойких ИОУ.
На этапе проектирования проблему повышения радиационной стойкости аппаратуры наиболее эффективно можно решить соответствующим выбором способа коррекции переходных и частотных характеристик усилителя. Наилучшие результаты получаются при включении быстродействующего канала (см.рис.3) параллельно наиболее инерционному каскаду интегрального операционного усилителя, а наихудшие результаты при коррекции интегрирующим конденсатором Скор, подключаемым между выходом и входом каскада промежуточного усилителя в микросхеме.
Рис.3. Аналоговое устройство на АИМС с параллельным быстродействующим каналом:
а - структурная схема;
б - схема замещения
Включение быстродействующего канала при определенных условиях существенно повышает быстродействие интегрального операционного усилителя и, соответственно, частоту единичного усиления f1ис. Это позволяет, используя низкочастотную микросхему с повышенной радиационной стойкостью, спроектировать быстродействующий усилитель, способный работать нормально при заметно большем уровне ионизирующего излучения. Этот способ коррекции одновременно позволяет на порядок и более сократить продолжительность ВПР усилителя. Реализация этого способа коррекции возможно только у интегрального операционного усилителя с дополнительными выводами для подключения корректирующего конденсатора (как, например микросхема LM101A и ее аналог 153УД2). При этом быстродействующий канал, подключаемый к указанным выводам, строят на дискретных элементах. Указанными особенностями реализации объясняется ограниченное применение этого способа коррекции.
Включение корректирующего конденсатора Скор, во-первых, приводит к уменьшению импульсной добротности интегрального операционного усилителя в (1 + Скор/Сис)1/2раз и, соответственно частоты единичного усиления f1кор. При этом приходится использовать более высокочастотные микросхемы, которые, как правило, обладают меньшей радиационной стойкостью. Во-вторых, оно сопровождается заметным увеличением коэффициента передаточной функции интегрального операционного усилителя
b1кор = СкорRкор.эк + b1ис величиной которого лимитируется (для предотвращения перегрузки по входу) наибольшая амплитуда выходного напряжения усилителя.
Кроме этого происходит увеличение ВПР в b1кор / b1исраз (причем часто 1кор / b1ис> 10) Возрастает амплитуда отклонения выходного напряжения при ИИИ. Необходимо учитывать еще один недостаток коррекции интегрирующим конденсатором, заключающимся в следующем. Если из-за радиационного воздействия сопротивление Rкор.эк уменьшается настолько, что оно становится меньше Rкор.эк < (b2исF)1/2/Cис, то выбранная микросхема оказывается непригодной для обеспечения заданного усиления Кuс требуемым быстродействием. При этом требуется выбирать более высокочастотный интегральный операционный усилитель (независимо от того коррекция внутренняя или внешняя).
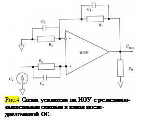
Наиболее простым и, одновременно, достаточно эффективным способом коррекции является включение в канал обратной связи резистивно-емкостной цепи (см. рис.4).
Этот способ коррекции лишен тех недостатков, свойственных коррекции посредством Скор, и по своей эффективности уступает только коррекции включением быстродействующего канала. Коррекция резистивно-емкостной цепью особенно эффективно в усилителях на трансимпедансных ИОУ.
В настоящее время большинство ИОУ выпускаются с внутренней коррекцией, в которых Скор обеспечивает нормальную работу микросхемы с обратной связью при коэффициенте усиления Ки, не меньше указанном в справочнике значения (Ки= 1;2;5;10). При радиационном воздействии эффективность влияния Скор ослабляется из-за уменьшения Rкор.эк, что необходимо учитывать при проектировании усилителей, ориентируясь на большее значение Кии, соответственно, меньшую глубину обратной связи, с тем, чтобы исключить возможность самовозбуждения ИОУ.
Отметим, что и в ИОУ с внутренней коррекцией целесообразно включение в канал обратной связи резистивно-емкостной цепи, которая позволяет до некоторой степени исправить недостатки, обусловленные внутренней коррекцией. Такой подход просто необходим при использовании трансимпедансных усилителей с внутренней коррекцией.
Следующий вопрос, требующий решения на этапе схемотехнического синтеза, это - выбор вида обратной связи. Выбор ОС по напряжению или по току решается в зависимости от назначения усилителя. В выходных усилителях, предназначенных для формирования импульсных сигналов с крутыми перепадами в высокоомной нагрузке с емкостной реакцией, лучшие результаты получаются при обратной связи по напряжения. В усилителях с токовым выходом, формирующих мощные импульсы тока с крутыми перепадами в низкоомной нагрузке с индуктивной реакцией, включают обратную связь по току.
Выбор последовательной ОС илипараллельной однозначно решается в пользу первой из них по следующим причинам. Во-первых, при заданной глубине обратной связи F схема с последовательной обратной связью обеспечивает усиление на единицу больше, чем при параллельной обратной связи. В этом нетрудно убедиться, рассматривая приближенные формулы, определяющие коэффициенты усиления:
Kunoc» 1+R1/R2и Kunoc» 1+R1/Rд(*) где Rl и R2 - сопротивления резисторов в каналах обратной связи; Rд - выходное сопротивление датчика, напряжение которого усиливается. Из анализа соотношений (*) следует второй недостаток параллельной обратной связи, связанный с отклонением коэффициента усиления от номинальной величины, которое происходит из-за изменения сопротивления датчика Rд.
DKu/Ku = DR1/ R1 –DR2/ R2
Это особенно опасно в аппаратуре, предназначенной для работы в длительное время в условиях радиационного воздействия, когда требуется установить деградацию параметров элементов схемы в зависимости от времени регистрации выходного напряжения усилителя. Что касается влияния изменений сопротивлений резисторов R1 и R2,то при соответствующем выборе резисторов (например, пленочные резисторы) можно существенно уменьшить их рассогласующее действие при радиационном воздействии. В-третьих, так же как деградация сопротивлений DRд, DR1DR2влияет на точность усиления в области средних частот, изменение емкостей DСД, DС1 DС2, под воздействием радиации приводит к отклонению выброса на вершине импульса или неравномерности АЧХ от номинальной величины, причем если в схеме с последовательной обратной связью отклонения DС1 и DС2можно существенно уменьшить, то деградация DСД определяется видом датчика.
В-четвертых, в схеме с параллельной ОС имеется всего две степени свободы (С1и R1), тогда как при последовательной обратной связи их четыре: R1С1 R2, С2. Это существенное преимущество вообще, а в схемах, работающих при спецвоздействиях - в особенности, так как эти степени свободы позволяют проводить параметрическую оптимизацию схемы, обеспечивая тем самым значительное улучшение характеристик усилителя в области малых времен или высших частот.
Преимущества последовательной обратной связи особенно ярко проявляются в предусилителях с противошумовой коррекцией и зарядо-чувствительных усилителях на малошумящих интегральных операционных усилителях.
Насколько эффективны рекомендуемые способы улучшения сигнальных характеристик усилителей, предназначенных для длительной эксплуатации в условиях стационарного радиационного воздействия, можно иллюстрировать на примере импульсного усилителя с коэффициентном усиления Ки = 10 на микросхеме 153УД2. Чтобы исключить самовозбуждение схемы потребовалось увеличить емкость корректирующего конденсатора (Скор = 70 пФ) и ограничить значение коэффициента de³Ö2 (F - глубина OC). При этом время нарастания фронта переходной характеристики tн= 0.7 мкс при выбросе на вершине импульса e1 = 4.3%.
При реал