Вплив легування цинком на властивості МОН-структур
МІНІСТЕРСТВО ОСВІТИ І НАУКИ УКРАЇНИ
НАЦІОНАЛЬНИЙ УНІВЕРСИТЕТ “ ЛЬВІВСЬКА ПОЛІТЕХНІКА”
Інститут телекомунікацій, радіоелектроніки та електронної техніки
Кафедра напівпровідникової електроніки
ДИПЛОМНА РОБОТА
Вплив легування цинком на властивості
МОН-структур.
Виконав:
Студент групи ФБЕ-61
Ревула Р.Л.
Науковий керівник:
ст.викл., Логуш О.І.
Консультант з економічної частини:
доц., Мороз Л.Г.
Консультант з охорони праці:
доц., Яцюк Р.А.
ЛЬВІВ-2002
Зміст
Вступ
1. ЛІТЕРАТУРНИЙ ОГЛЯД
1.1. Методи вирощування плівок термічного SiO2.
1.2. Основні властивості диоксиду кремнію та меж розділу з напівпровідником та металом.
1.3 . Гетерування дефектів в технології напівпровідникових приладів.
2. МЕТОДИКА ЕКСПЕРИМЕНТУ
2.1. Методика вирощування плівок термічного SiO2 з одночасним легуванням в процесі росту.
2.2. Визначення параметрів технологічного процесу.
2.3. Методика дослідження дефектності діелектричних плівок.
2.4. Методика вимірювання характеристик систем Si-SiO2.
3. РЕЗУЛЬТАТИ ДОСЛІДЖЕНЬ.
3.1. Дослідження пористості плівок термічного SiO2.
3.2 Взаємозв’язок структурної досконалості монокристалічної кремнієвої підкладки і плівокSiO2..
3.3. Гетеруюча дія цинку. Оптимізація технологічного процесу за концентрацією домішки..
3.4. Електрофізичні характеристики структур.
Висновки.
4. Охорона праці.
5. Економічна частина.
Література.
ВСТУП
Використання напівпровідників в електроніці пройшло довгий шлях – від першого детектора на кристалі сульфіду свинцю і до сучасної мікро ЕОМ, яка виконана на кремнієвій пластині, площею меншою 1 см2. Такий результат досягнутий завдяки успіхам технології, яка, в свою чергу, спирається на фізичну електроніку. В наші дні розвиток електроніки безперервно стимулюється успіхами в області фізики напівпровідників і в області технології виробництва нових напівпровіднкових структур та об’єднання їх у великі інтегральні схеми (ВІС).
Підвищення ступеня інтеграції ВІС та пов’язана з цим реалізація граничних розмірів елементів та, відповідно, граничних значень параметрів вимагає якісного вдосконалення практично всіх технологічних процесів створення схем. Зокрема, процес окислення повинен вдосконалюватися в напрямку зменшення товщини та дефектності шару оксиду. Перехід від топологічної норми 2 мкм до 0.5мкм вимагає зменшення товщини оксиду від 0.4-0.8 до 0.1 -0.4 мкм, а його пористості від 10 до 1 см-2 .
Зі сказаного очевидно, що виробництво великих і надвеликих ІМ представить підвищені вимоги до якості вихідних матеріалів. Водночас, зберегти властивості навіть ідеального злитку в реальному технологічному процесі неможливо, так як в кремній вносяться домішки і виникають дефекти. Щоб зменшити вплив цих домішок і дефектів на параметри і надійність мікросхем, в технологічні маршрути вводять спеціальні операції гетерування, завдяки чому вдається зберегти якість робочих областей приладу на заданому рівні.
Вирощування легованих плівок SіO2, як відомоз літератури (1), є одним з методів модифікаціїелектричних параметрівяк окремих елементів, так і схеми в цілому. Причому, взалежності від необхідності досягнення заданих параметрів приладу використовують для легування як стандартні, так і нетипові домішки кремнію. Рівні легування використовують також різні: від найменших до суттєвих, аж до утворення елемент силікатного скла. На даний час процес впливу домішок на характеристикиМДН-структур досліджений недостатньо.
Домішки можуть створювати під дією зовнішніх факторів, зокрема радіації, різні типи радіаційно активних дефектів, які будуть приводити до деградації параметрів приладів. Без всебічного дослідження впливу легування на електрофізичні параметри структур, а також їх модифікації під дією зовнішніх факторів неможливе забезпечення стабільності та довговічності роботи приладів.
Впровадження методів домішкового гетерування також неможливе без дослідження впливу легування на електрофізичні властивості структур.
Метою цієї дипломної роботи є всебічне дослідження зарядових характеристик та параметрів розподілу МОН-структур з легованим в процесі гетерування дефектів шарів SіO2 та структур в цілому.
Для дослідження вказаних параметрів вибрані стандартні методи С(V) і C(t)–характеристик.
1. ЛІТЕРАТУРНИЙ ОГЛЯД
1.1. МЕТОДИ ВИРОЩУВАННЯ ПЛІВОК ТЕРМІЧНОГО SіO2.
Термічне окислення кремнію здійснюється в системах проточного типу в атмосфері, що містить кисень, вуглекислий газ, пари води з використанням в якості транспортуючих газів аргону, водню, кисню, або в замкнутих системах при високому тиску окислювача.
Головна відмінність між окисленням в парах води і в сухому кисні полягає в тому, що дифундуючоюкрізь плівку окислу речовиною є не вода, а молекули або іони кисню і гідроканальних груп. Дослідження з допомогою звичайної методики мічених атомів продемонструвало, що ріст окислу здійснюється не на межі газ - оксид, а на межі окисел - кремній. (2).
Кінетика окислення в області низьких температур обумовлюється найчастіше не дифузією кисневих іонів, а швидкістю реакції на межі розділу. Відхилення від параболічного закону в бік лінійності спостерігається при температурах нижче 1300 К.
Установка для окислення в сухому кисні зображена на рис.1.1. Як осушувач можна використовувати виморожуючу пастку, хімічний поглинач або інший пристрій, що дозволяє знизити вміст вологи в кисні до точки роси - 200 К. Фільтр служить для видалення частинок розміром 0.5 мкм і вище.
Криві окислення при таких умовах виглядатимуть, як на рис.1.2. (3). У високотемпературній області експериментальні дані добре узгоджуються одне з одним, в низькотемпературній - спостерігається великий розкид. Отримані в області високих температур результати добре описуються параболічним рівнянням:
x2 = 21. 2 t ехр(-1. 33/Т)= t×10(1. 326-6100/T) (1),
де: х - товщина плівки, нм, t- час окислення, хв, Т - температура процесу, К.

О2
4
Рис. 1.1. Окислення в сухому кисні: 1-осушувач;2 – фільтр;
2 
– піч для окислення; 4 – термопара.
Рис. 1.2. Окислення в сухому кисні при тиску 1 ат.
![]() |
Рис. 1.3. Ріст оксиду кремнію у вологих газах.
Висока енергія активації, характерна для окислення в сухому кисні, відображає міцність зв’язків кисневих іонів в окислі. Про це свідчить також енергія активації дифузії кисню в кварці.
Установка для окислення кремнію в вологому кисні - це система, в якій сухий кисень із балону спочатку пропускаєтьсячерез барботер, а потім надходить до печі для окислення. Вміст вологи в потоці газу визначається температурою барботера та швидкістю потоку. Оскільки окислення в водяних парах відбувається набагато швидше, ніж в сухому кисні, вміст вологи в потоці газу-носія є найважливішим фактором, що зумовлює швидкість окислення при заданих значеннях часу та температури. Майже по всьому діапазону типових значень температури водяної бані заміна кисню інертним газом-носієм не впливає суттєво на ріст окислу, хоча, як видно з рис. 3, при температурі водяної бані 300 К склад газу-носія може відчутно впливати на швидкість росту (3).
Тут, як і при окисленні в парах води, необхідний підігрів магістралей, що з’єднують водяну баню з реактором. Бажана також фільтрація газу-носія, хоча пробулькування газу черезводу саме по собі здійснює на нього фільтруючу дію, відкидаючи більшість частинок, що захоплюються, як правило, субмікронними фільтрами.
Головна відмінність окислення в вологому кисні від процесу, який протікає в сухому кисні, або в парах води, полягає в легкій зміні концентрації окислювача. При окисленні в потоці водяної пари окислювачем є вода при парціальному тиску 1 атм, при окисленні в сухому кисні - кисень при тиску 1 атм. В установці для окислення у вологому кисні, як окислювач використовується суміш води і кисню, причому співвідношення цих компонентів припускає зміни. В принципі можна змінювати швидкість окислення від величини, що відповідає100% вмісту кисню, до величини, що відповідає 100% вмісту води. Застосувавши аргон або азот як газ-носій та знизивши температуру барботера до 290 К, досягнемо меншої швидкості окислення, ніж в сухому кисні. Практично температура барботера буває не нижчою від кімнатної, а потік газу-носія складає не менше 200 см /хв для реактора діаметром 150 мм.
При окисленні у вологому кисні при температурі 1300 К величина константи параболічного рівняння швидкості знаходиться між відповідними значеннями для окислення в сухому кисні (3.6 х 10-4 мкм2/хв) та для окислення в парах води (99 х 10-4 мкм2/хв). Величина константи швидкості залежить від парціального тиску водяних парів. Значення констант не змінюються при зміні потоку газу від 30 до 200 см3/хв, що свідчить про насичення газу-носію протягом всього процесу окислення. Різниця між константами швидкості в атмосфері інертного газу або киснюприблизно дорівнює константі швидкості окислення в сухому кисні (3.6х10-4мкм2/хв при 1400 К).
Енергія активації окислення в вологому кисні зменшується зі збільшенням концентрації парів води, що пов’язано з різницею між швидкостями потоку кисню, а також з різними температурними діапазонами процесів окислення. Енергія активаціїзнаходиться в діапазоні від 0.8 еВ для водяної пари до 133 еВ, що відповідає сухому кисню. Експериментально знайдені значення складали 1.6 еВ при окисленні в вологому аргоні при температурі барботера 290 К (4).
Легування плівок диоксиду кремнію найкраще здійснювати в процесі росту. При цьому легуючу домішку необхідно вводити в реактор в вигляді пари. Легування плівок має свої відмінності при їх вирощуванні в “вологих” та “сухих” процесах(5).
При вирощуванні плівок в атмосфері вологого кисню домішку цинку найкраще розчиняти в приготовленому для барботування розчині. Як вихідна речовина при цьому використовується хлорид цинку.
Незважаючи на те, що згадана сіль надзвичайно гігроскопічна, при розчиненні у воді спостерігається помутніння розчину при гідролізі пов’язане з наявністю в ньому завислих комплексів, в склад яких входять не розкладені на іони молекули ZnCl2. Хлорид цинку повністю розчиняється у воді при надлишку іонів хлору. Тому, для повного розчинення солі у воді, розчин ZnCl2 необхідно титрувати соляною кислотою до повної прозорості, або відфільтровувати завислі комплекси через мікропористий фільтр.
Як згадано в (6,7) для барботування використовується вихідний розчин хлориду цинку концентрації 1 - 3%, або, при миттєвому випаровуванні розчину в реакторі, 0,001 - 0,025% розчин. В цьому випадку готується вихідний 1% розчин ZnCl2, який потім розводиться деіонізованою водою до необхідної концентрації. Миттєве випаровування попередньо приготованого розчину здійснюється шляхом введення його в реактор через капіляр з витратою 10 мл/хв.
1.2. Основні властивості диоксиду кремнію та меж розділу з напівпровідником та металом.
У літературі щодо властивостей кремнію наводяться різні конкретні значення величин параметрів, що характеризують властивостей оксидів кремнію. Очевидно, що ці залежать від експериментальних умов вирощування оксиду. Наприклад. Коефіцієнт заломлення плівок оксиду, вирощеного в сухому кисні, зменшується із збільшенням температури, досягаючи постійного значення 1.4620 при температурі вище 1190 °С. Швидкість травлення термічних оксидів при кімнатній температурі в HF (4.9%) складає 100 нм/хв і змінюється залежно від температури та концентрації травника. Крім того, швидкість травлення залежить від густини оксиду та від температури окислення.
В тонких оксидних плівках значно впливає на властивості окислу межа розділу фаз.
Здатність шару SiO2 служити локальним маскуючим покриттям при дифузії атомів легуючої домішки при підвищених температурах – дуже корисна властивість для технології формування ІС. В процесі маскування поверхні кремнію від дифузії домішки, оксид перетворюється в склоподібну фазу – так зване домішковосилікатне скло.
Значення дифузійних констант для різних легуючих домішок в SiO2 від концентрації домішок, властивостей та структури SiO2.
Найчастіше для створення в кремнію областей з провідністю n-типу застосовують Р, Sb та As, а для формування області з провідністю р-типу – В. ці домішки мають малі коефіцієнти дифузії в оксиді, тому оксид може застосовуватись для маскуванні при дифузії домішки в кремнію. Що стосується галію та алюмінію, то при їх використанні застосовувати окисел кремнію для маскування не можна. Найчастіше плівки оксиду, що використовують для маскування традиційних домішок в стандартних технологічних процесах формування напівпровідникових приладів, мають товщину 0.5-0.7 мкм.
1.2.1. Заряд в окислі.
Межа розділу Si-SiO2 є перехідною областю між кристалічним кремнієм і аморфним кварцевим склом, як щодо положення атомів, так і щодо стехіометрії. Різні за природою заряди та пастки носіїв супроводжують термічно окислений кремній, частина з них зв’язана з перехідною областю. Заряд на межі розділу може індукувати заряд протилежної полярності в розташованій під нею області кремнію, впливаючи на і деальність характеристик МОН-приладу та цим самим на вихід якісних виробів і їх надійність.
На рис. 1.4. показані основні види зарядів, зв’язаних з оксидом. Вони записуються:
N=Q/q,
де Q(Кл/см2) – результуючий ефективний заряд на одиницю площі на межі розділу – Si-SiO2; N (см-2) – результуюче число зарядів на одиницю площі на межі розділу Si-SiO2; q – заряд електрона.
Заряд поверхневих станів - це заряд електронних станів, що локалізовані на границі розділу SI-SiO2 і енергія яких лежить в глибині забороненої зони напівпровідника. Ці поверхневі стани (їх називають також швидкими) можуть досить швидко перезаряджатися, обмінюючись електронами (дірками) з кремнієм. Поверхневі стани зумовлені надлишковими атомами кремнію, надлишковим киснем або домішковими атомами. Основною причиною виникнення цих станів є те, що сама межа розділу є порушенням просторової періодичності кристалічної решітки. В сучасних МОН-структурах, які отримують шляхом термічного окислення кремнію, більша частина поверхневого заряду нейтралізується в процесі низькотемпературного відпалу (450 °С) в атмосфері водню. В кращих зразках величина Nit не перевищує 1010 см-2, що відповідає одному захопленому заряду на кожні 105 атомів межі розділу.
Поверхневі стани вважаються донорними, якщо, віддаючи електрон, вони стають нейтральними або позитивно зарядженими. Акцепторними називають поверхневі стани, які стають нейтральними або негативно зарядженими, захоплюючи електрон.
Еквівалентна електрична схема МОН-структури, що враховує вплив поверхнева станів, показана на рис.2.2.
На цьому малюнку Сi і Сd ємності ізолятора та збідненого шару напівпровідника. Еквівалентна ємність Сs, і еквівалентний опір Rs, залежать від поверхневого потенціалу і описують перезарядку поверхневих станів. Добуток СsRs, визначає час релаксації заповнення поверхневих пасток та залежність процесу перезарядки поверхневих станів. Паралельні гілки електричної схеми на рис. 2.2 можна показати в вигляді залежної від частоти еквівалентної ємності:
Cp=Cd+Cs/(1+wt2),t
включеної паралельно з провідністю:
Cp/w= Cswt/(1+w2t2),
де t=СsRs.
Активна та реактивна складові повної комплексної провідності еквівалентах схем, показаних на рис. 2.2 :
Yig=Gin+jw×Cin,
визначаються виразами:
Gin=w2CstCi2/(Ci+Cd+Cs)2+w2t2(Ci+w2t2(Ci+Cd)2),
Cin=Ci{Cd+Cs((Ci+Cd+Cs)2+w2t2Cd(Ci+Cd))/(( Ci+Cd+Cs)2+ w2t2Cd(Ci+Cd))}/
((Ci+Cd+Cs)…
Для визначення величини заряду, захопленого на поверхневі пастки, можна використовувати вимірювання вхідної ємності МДН-структури та вимірювання ЇЇ вхідної провідності. Метод провідності дозволяє точніше визначати густину поверхневих станів. Це особливо важливо при дослідженні МОН-структур з відносно малою (~1010 см-2еВ-1) густиною поверхневих станів. Перевага ємнісних методів полягає в тому, що з їх допо-
могою можна порівняно легко визначити зсув напруги плоских зон та величину повного захопленого заряду Оit.
На рис. 2.2 проілюстроване витягування С-V-характеристики МОН-структури за рахунок поверхневого захопленого заряду. При високих частотах (wt>>1) заряд на поверхневих станах не встигає за змінами тестуючої напруги. В цьому випадку вираз для значення С набуде вигляду:
С=Сi×Cd/( Сi+Cd) (Ф/см2).
Високочастотна вольт-фарадна залежність МОН-структури, в яку не входить
ємність поверхневих станів Сs зображена на рис.2.2 штриховою лінією. Але і в цьому випадку поверхневі стани впливають на форму вольт-фарадної характеристики, зсовуючи ї вздовж осі напруг. При наявності зв'язаного поверхневого заряду вимагається відповідне збільшення заряду на металі.
По формі високочастотної вольт-фарадної залежності густина поверхневих станів визначаеться за допомогою виразу:
Dit=Ci((dBs/dV)-1-1)/q-Cd/q (см/еВ)
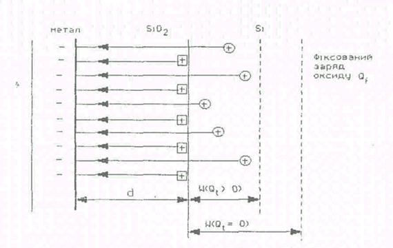
Фіксований заряд в окислі Qf (звичайно додатній) розміщений на відстані ~3 нм від межі розділу Si-SiO2. Він не може збільшуватись або зменшуватись. Густина його знаходитьcя в діапазоні від 1010 до 1012 см-2 та залежить від режиму окислення і умов відпалу, а також від орієнтації підкладки. Виникнення Qf пов'язане безпосередньо з самим процесом окислення.

Рис. 1.2.3. Зміна С-V-кривих під впливом заряджених поверхневих станів.

Рис. 1.2.4. Зсув С-V-кривих вздовж осі напруг, зумовлений
додатнім або від'ємним фіксованим зарядом оксиду:
а) для напівпровідника р-типу;
б) для напівпровідника n-типу.
Припускається, що фіксований заряд Qf зумовлений або надлишковим (тривалентним) кремнієм, або надлишковим (не зв'язаним із загубленим одним електроном) киснем в приповерхневому шарі SiO2 . При аналізі електричних характеристик МОН-структур фіксований заряд Qf можна розглядати як заряджений шар, локалізований на межі розділу Si-SiO2.
На рис.1.2.4 приведені високочастотні вольт-фарадні залежності, зсунуті вздовж осі напруг в результаті наявності додатнього або від'ємного фіксованого заряду Qf на межі розділу. Положення цих кривих характеризує так званий зсув напруги плоских зон, визначеннй по відношенню до С-V -характеристики ідеальної МДН-структури з Qf =0.
Незалежно від типу провідності підкладки позитивний заряд Qf зсуває С-V-характеристику в бік від'ємних напруг зміщення, а від'ємний заряд Qf - в бік додатніх.
Характер впливу фіксованого заряду Qf на С - V -характеристики можна легко пояснити за допомогою рис. 1.2.5., де умовно показаний "поперечний переріз" МОН-структури з позитивним Qf при негативній напрузі зміщення.
Для повної електронейтральності структури необхідно, щоб кожний від'ємний заряд на ії металічному електроді компенсувався рівним за величиною та протилежним за знаком зарядом в діелектрику або в напівпровіднику. В ідеальній МДН-структурі Qf = О, та ця компенсація здійснюється тільки за рахунок заряду іонізованих донорів в збідненому шарі напівпровідника. В реальній МОН-структурі з позитивним Qf частина зарядів на металічному електроді компенсується фіксованим зарядом окисла, що приводить до відповідного зменшення глибини області збіднення в порівнянні з ідеальною.
МДН-структурою при цій же напрузі зміщення. Оскільки глибина області збіднення зменшується, вся С - V -крива зсувається по відношенню до ідеальної в бік від'ємних напруг при від'ємних Qf С -V - в протилежному напрямку. Абсолютна величина цього зсуву:
D Vf=Qf/Ci.
Заряд, захоплений в шарі окислу, Q0t, приводить до зсуву С-V-характсристик МОН-структур. Цей заряд зумовлений структурними дефектами в шарі окислу. Пастки в окислі, як правило, нейтральні, але можуть заряджатися, захоплюючи електрони та дірки. На рис. 1.2.6 зображена зонна діаграма розподілу заряду, електричного поля та потенціалу в МОН-структурі, що містить як фісований заряд, так і заряд, захоплений в окислі. Зсув напруги, зумовлений зарядом, захопленим в окислі, записується у вигляді:
DV0t=Q0t/Ci=1/ Ci(1/d
xr0t(x)dx),

Рис. 1.2.5. Вплив фіксованого заряду окислу на властавості МДН-структур.

Рис. 1.2.6. МДН-структура з фіксованимта захопленим в оксиді зарядами:
а) зонна діаграма;
б) розподіл заряду;
в) електричне поле;
г) потенціал.
Де Q0t - ефективна поверхнева густина цього заряду, приведена до одиниці площі межі розподілу Si-SiO2; r0t - істинна об'ємна густина заряду, захопленого в окислі.
Результуючий зсув напруги плоских зон DVfb, зумовлений всіма компонентами зарфду в окислі:
DVfb=DVf+DVm+DV0t=Q0/Ci,
де Q0= Qf+ Qm+ Q0t - сума відповідних ефективних зарядів на одиницю площі розподілу Si-SiO2.
В ідеальній МДН-структурі різниця роботи виходу електрона з металу і напівпровідника дорівнює 0:
jms=jm-(x+Eg/2q-yb).
Якщо ця різниця відмінна від 0, а крім того, в діелектрику МДН-структури присутній заряд Q0, С-V-характеристики реальної МДН-структури будуть зсунуті вздовж осі напруг відносно ідеальної С -V -кривої на величину:
Vfb=jms- Q0/Сi=jms-( Qf+ Qm+ Q0t)/Ci,
що називається зсувом напруги плоских зон.
Встановлено, що ширина забороненої зони SiO2 приблизно дорівнює 9 еВ, а спорідненість до електрону qXi=0.9 еВ. Робота виходу з металу в МОН-структурах |звичайно визначається за результатами фотовідклику або вольт-фарадних характерик.
Висота енергетичного бар'єру на межі Si-SiO2 практично не залежить від кристалічної орієнтації підкладки (в межах похибки 0.1еВ)
Різниця робіт виходу ms може складати відчутну міру спостережуваного зсуву напруг плоских зон МОН-структури, і тому її необхідно враховувати при оцінках величини фіксованого заряду окисла за зсувом С-V -характеристик.
1.3. ГЕТЕРУВАННЯ ДЕФЕКТІВ В ТЕХНОЛОГІЇ НАПІВПРОВІДНИКОМ ВИХПРИЛАДІВ.
Однією з найважливіших задач напівпровідникової електроніки є забезпечення високої міри чистоти та досконалості кристалічної структури напівпровідникових матеріалів, що використовують для виробництва дискретних приладів та інтегральних мікросхем.
Сучасна технология забезпечує отримання практично бездислокаційних монокристалів напівпровідників. Але при цьому різко зростає роль точкових дефектів-вакансій, домішкових атомів та їх кластерів. При відсутності дислокацій, що є стоком для точкових дефектів, в ході технологічного процесу виготовлення приладів відбувається постійне збільшення концентрації вакансій та небажаних домішок натрію, калію, міді, золота та ін., в напівпровідниковому матеріалі. Наявність точкових дефектів і їх кластерів приводить до погіршення характеристик напівпровідникового матеріалу, деградації параметрів приладів, сприяє утворенню структурних дефектів при термічній обробці.
Для уникнення небажаного впливу точкових дефектів розроблені методи, що дозволяють нагромаджувати їх в неробочих ділянках пластин або взагалі виводити їх з пластин напівпровідника. Процес виводу та дезактивації дефектів прийнято називати гетеруванням. Цей термін вперше введений Готцбергом і Шоклі по аналогії з геттером в вакуумних лампах, що використовується для зняття слідів залишкових газів при отриманні високого вакууму. В застосуванні до напівпровідникової технології під гетеруванням розуміють:
• очистку об'єму напівпровідника від швидкодифундуючих домішок;
• попередження утворення центрів зародження структурних дефектів;
• скорочення раніше утворених структурних дефектів шляхом спрямованого руху точкових дефектів.
Для гетерування дефектів необхідно забезпечити рухливість точкових дефектів, звідси будь-який метод гетерування включає термообробку, температура та тривалість якої достатні для дифузії точкових дефектів із областей пластини, де формуються прилади, в область гетера. Існуючі методи можуть бути умовно розділені на три основні групи, в яких гетерування здійснюється за допомогою:
• шару напівпровідникового матеріалу з порушеною кристалічною структурою;
• нанесеного гетеруючого шару;
• термообробки в спеціальному середовищі.
Одним з методів термообробки в спеціальному середовищі є термічне окислення кремнію в хлормісткому середовищі,
Відомо, що додавання незначної кількості (0.1%...6%) хлору або його сполук в окислюючу атмосферу приводить до зменшення заряду і дефектів в окислі, зниженню густини поверхневих станів на межі поділу кремній-діоксид кремнію, підвищенню пробивної напруги та стабільності МОН-струкгур і т.ін.
Крім покращення властивості окислу при “хлорному" окисленні відбувається значне покращення властивостей кремнію, на декілька порядків зростає час життя неосновних носіїв, зменшується кількість дефектів пакування, покращуються параметри напівровідникових приладів.
Вивчення механізму гетерування при "хлорному" окисленні засвідчило, що покращення параметрів кремнію та виготовлених з нього приладів пов'язане з нейтралізацією небажаного впливу домішок лужних, перехідних та важких металів, які, взаємодіючи з хлором, або вилучаються з поверхні кремнію у вигляді летючих сполук, або перетворюються в нейтральні комплекси, що вже не впливають на характеристики приладів. Домішки золота та металів платинової групи важко гетеруються хлормісткою атмосферою, що, напевно, пов'язано з термодинамічною нестабільністю хлоридів при високих температурах.
Застосування хлору та хлористого водню при термічному окисленні ускладнюється через високу реакційну здатність цих реагентів. Тому досліджувалась можливість їх заміни іншими, менш хімічно активними газами, наприклад трихлоретаном, чотирихлористим вуглецем, трихлоретиленом, що за своєю дією на окисел подібні до хлору або хлористого вуглецю. Найефективнішими та безпечними в експлуатації є трихлоретан та трихлоретилен. На рис.1.3.1. показана схема установки для окислення пластин з використанням трихлоретилену. При високій температурі трихлоретилен розпадається з утворенням цілого ряду продуктів:
4С2HCl3+9O2× 2Н2О+6Сl2+8CO2
2H2O+2Cl2×4HCl+O2
Наявність води в продуктах піролізу трихлоретилену приводить до збільшенняшвидкості росту окислу, а присутність хлору і хлористого водню забезпечує гетерування домішок металів.
Експериментально встановлено, що окислення з добавками трихлоретилену покращує параметри МОН-структури, знижує струми втрат діодів, зменшує густину та розмір окислювальних дефектів пакування, причому збільшення концентрації трихлоретилену приводить до зменшення розмірів дефектів пакування, особливо помітному при високій температурі окислення

Рис. 1.3.1. Схема установки термічного окислення кремнієвих пластин:
1 -пластини; 2-барботер; 3 - термостат; 4 - реакційна камера.
(рис. 1.3.2). При певному співвідношенні температури окислення та концентрації трихлорстилену можна повністю уникнути появи утворення окислювальних дефектів пакування (рис. 1.3.3.).
Додавання невеликої кількості трихлоретилену дозволяє погасити утворення окислювальних дефектів пакування не лише в процесі "хлорного" окислення, а й при наступному звичайному окисленні в сухому кисні після зняття "хлорного" окислу. Це безпосередньо вказує на те, що в процесі обробки в хлормісткому середовищі відбувається гетерування центрів зародження дефектів пакування.
Одним із методів гетерування дефектів в плівках SiO2 на поверхні кремнієвої пластини є введення в ядра дислокацій домішкових атомів, що гальмують рух дислокацій під дією термомеханічних навантажень в процесі росту оксидної плівки. В цьому випадку незавершені зв'язки дислокацій та підкладки заповнюються валентними електронами домішкових атомів, в результаті чого зменшується рухливість дислокацій та гальмується один із механізмів утворення пор в плівках SiO2.

Рис. 1.3.2. Залежність розмірів окислюваних дефектів упаковки від витрат азоту, який пропускають через барботер з трихлоретиленом:
1 - температура окислення 1373 К, тривалість окислення 1 год.;
2 - температура окислення 1373 К, тривалість окислення 2 год.;
3 - температура окислення 1473 К, тривалість окислення 15 хв.;
4 - температура окислення 1473 К» тривалість окислення 1 год.

Рис. 1.3.3, Залежність температури окислення, при якій відсутні окислювані дефекти упаковки, від співвідношення концентрацій трихлоретилену та кисню в окислюваній атмосфері.
Висновки та постановка завдань досліджень.
Сучасний рівень щільності пакування елементів ІС вимагає високої суцільності плівок у взаємозв'язку з необхідними електрофізичними параметрами елементів та їх стабільнісію. Це вимагає розробки нових і вдосконалення відомих технологічних процесів виготовлення ІС, які дозволили б забезпечити; необхідний рівень Їх якості. Зокрема, як видно з літературного огляду, один з напрямків вказаних робіт - це розробка і всестороннє дослідження методів гетерування дефектів матеріалів електронної техніки, які є складовими частинами ВІС.
Методи домішкового гетерування на сьогодні є на стадії досліджень і апробацій, хоча перші відомі з літератури результати вказують на їх перспективу при використанні в області технології мікроелектроніки. Однак, впровадження їх у виробництво неможливе без оптимізаціі параметрів технологічного процесу за багатьма факторами, до складу яких входять: суцільність плівок, параметри ОПЗ, межі розділу діелсктрик-напівпровідник, зарядових характеристик діелектрика і вивчення впливу на них зовнішніх умов які можуть проявлятися при роботі приладів. До них відносяться термопольові і радіаційні навантаження структур.
Метою даної роботи е оптимізація процесу домішкового гетерування дефектів плівок термічного діоксиду кремнію та встановлення області концентрації домішки, яка забезпечила б його найефективніше використання.
Для досліджень найкраще вибрати традиційні методи руйнуючого та неруйнуючого контролю параметрів МДН-структур, які пройшли широку апробацію не тільки в наукових установах, але й на підприємствах електронної техніки. Це, зокрема, відомі методи дослідження суцільності плівок і дислокаційної структури підкладки, вольт-фарадний та ємнісно-часовий методи дослідження електрофізичних характеристик, як діелектрика, так і межі розділу. Безумовно, достовірність результатів досліджень підтвердили б дослідження параметрів структур після радіаційно-термічної обробки, які дозволили б суттєво скоротити час оптимізащї технологічного процесу.
Завданням даного дипломного проекту є вивчення вище згаданими методами впливу легування діелектрика і межі розділу на характеристики МОН-структур для з’ясування можливостей їх покращення.
Завдання досліджень дипломного проекту :
1. Вивчити та засвоїти технологію одержання МОН-структур з легуванням в процесі росту;
2. Опанувати методи вимірювання вольт-фарадних і фарадно-часових характеритик та розрахунку за ними основних параметрів МОН-структур;
3. Вивчити вплив легування на характеристики структур;
4. Зробити висновки за отриманими результатами і оцінити можливість практичного використання структур з легованим діелектриком.
2. Методика експерименту
2.1. Методика вирощування плівок термічного SiO2 з одночасним легуванням в процесі росту.
Плівки диоксиду кремнію вирощували в стандартній проточній системі схема якої приведена на рис.2.
У цій установці передбачено окислення кремнієвих пластин, як за стандартною технологією в атмосфері сухого кисню та водяної пари, так і окислення в середовищах, що містять домішки хлору та хлоридів, що, в свою чергу, дозволяє легувати плівки диоксиду кремнію в процесі росту. Для легування плівок під час процесу “вологого” окислення попередньо готувався розчин хлориду цинку в деіонізованій воді і заливався у барботер. Барботування проводили киснем з витратою 200 л/хв, за рахунок чого в парогазове окислювальне середовище потрапляв як окислювач, так і домішка. Однак, як показали дослідження, в процесі барботування концентрація вихідного розчину змінюється за рахунок різної швидкості випаровування розчинника та складових (іонів) розчиненої солі (10).
Навіть приготування вихідного розчину ZnCl2 в деіонізованій воді має свої особливості. Незважаючи на високу гігроскопічність солі, в процесі гідролізу хлориду цинку спостерігається помутніння розчину, виділення нерозчинного осаду, який знаходиться у зваженому стані. Після фільтрування розчину ми провели цикл досліджень його складу використовуючи для
