Атомно-эмиссионный спектральный анализ
Цель практического эмиссионного спектрального анализа состоит в качественном обнаружении, в полуколичественном или точном количественном определении элементов в анализируемом веществе. В зависимости от физического состояния, электрической проводимости и неорганической или органической природы все вещества могут быть разделены на следующие группы:
1. Твердые проводники, например высокочистые металлы, промышленные металлы и различные сплавы на основе железа, стали и других металлов (продукция металлургического производства).
2. Твердые диэлектрические вещества, например почвы, горные породы, руды, минералы (геологические образцы), сырье, полупродукты и готовая продукция неорганической химической промышленности (продукция химической, стекольной, керамической, полупроводниковой промышленности и т. д.).
3. Твердые диэлектрические вещества в основном органической природы, например вещества растительного и животного происхождения (биологические вещества, продукция пищевой промышленности), продукция органической химической, бумажной, фармацевтической промышленности и т. д.
4. Жидкие вещества неорганической (например, продукция химической промышленности) и органической природы (например, биологические вещества и продукция нефтяной промышленности).
5. Газы (воздух, природный газ, промышленные газы и т. д.).
6. Специальные вещества, которые не могут быть включены в группы 1—5.
Вообще говоря, любое вещество может быть проанализировано на содержание в нем металлических компонентов и исследовано со специфическими целями (например, соответствие веществ требованиям контроля качества, производственной технологии и промышленной гигиены, их пригодность для медицинских целей, археологии, криминалистики, космических исследований и т. д.).
Методы спектрального анализа, как правило, просты, экспрессные, легко поддаются механизации и автоматизации, т. е. они подходят для рутинных массовых анализов. При использовании специальных методик пределы обнаружения отдельных элементов, включая некоторые неметаллы, чрезвычайно низки, что делает эти методики пригодными для определения микроколичеств примесей. Эти методы, за исключением случаев, когда в наличии имеется лишь незначительное количество пробы, являются практически неразрушающими, так как для анализа требуются только малые количества материала образцов.
Точность спектрального анализа, в общем, удовлетворяет практическим требованиям в большинстве случаев определения примесей и компонентов, за исключением определения высоких концентраций основных компонентов сплавов. Стоимость спектрального анализа низка, хотя первоначальные капиталовложения достаточно высоки. Однако последние быстро окупаются вследствие высокой производительности метода и низких требований к материалам и обслуживающему персоналу.
Спектральный анализ (за исключением некоторых особых случаев) не пригоден для определения типов связей между элементами, т. е. вида соединений, присутствующих в образце. Как и все инструментальные методы анализа, количественный спектральный анализ основан на сравнительном исследовании анализируемого образца и стандартных образцов известного состава.
Спектральный анализ можно рассматривать как метод инструментального исследования, нашедший наибольшее применение. Однако этот метод не может всецело удовлетворять разнообразным аналитическим требованиям, возникающим на практике. Так, спектральный анализ является только одним лабораторным методом в ряду других методов исследования, преследующих различные цели. При разумной координации разные методы могут отлично дополнять друг друга и совместно содействовать их общему развитию.
Чтобы выбрать из методов спектрального анализа тот, который больше всего подходит для данной задачи, и чтобы получить правильные результаты выбранными методами, необходимы соответствующие теоретические и практические знания, очень тщательная и аккуратная работа. При систематическом рассмотрении основных положений практического спектрального анализа следует принимать во внимание, кроме общей фундаментальной теории, также специфические особенности метода.
В случае проводящих и непроводящих ток материалов органического и неорганического происхождения независимо от того, находятся ли они в твердом, жидком или газообразном состоянии, пробоотбор должен выполняться с особой тщательностью. Вследствие высокой чувствительности спектрального релиза выводы о химическом составе очень больших партий материала часто должны делаться на основании результатов анализа незначительных количеств пробы. Загрязнение анализируемого образца может существенно исказить результаты анализа. Соответствующая физическая или химическая обработка проб, например сплавление, растворение или предварительное обогащение, нередко может оказаться очень полезной.
Для возбуждения спектров в разных методах требуются вещества в различном физическом состоянии или в виде различных химических соединений. Производительность анализа может решающим образом влиять на выбор наиболее подходящих источников излучения.
Отношение интенсивностей линий аналитической пары даже для наиболее тщательного способа пробоотбора и при использовании наиболее подходящего источника излучения в значительной степени зависит от внешних физических и химических параметров (экспериментальных условий), задаваемых методом анализа и изменяющихся в процессе возбуждения. Знание теоретических корреляций и практических выводов из них имеет большое значение для реализации в полной мере аналитических возможностей метода.
Возбуждаемый спектр излучения пробы регистрируется с помощью спектрографа, спектрометра или спектроскопа. Поэтому способы оценки спектров в спектральном анализе могут быть разделены на три группы.
В спектрографическом качественном анализе заключение о природе элементов в анализируемом образце можно сделать на основании длины волны спектральных линий. В количественном анализе почернение линий в общем случае служит мерилом их интенсивности и, следовательно, искомого количественного состава пробы. Методы спектрального анализа основаны на использовании либо субъективных, либо объективных методов измерения. Первая группа методов охватывает полуколичественный, вторая—количественный анализ. Чрезвычайно важно знать принципы спектрографических методов спектрального анализа.
Спектрометрический метод, интенсивность линий в котором определяют обычно с помощью фотоумножителя и измерительной электронной аппаратуры, относится к объективным методам количественного анализа. Этот способ измерения интенсивностей является более точным и экспрессным по сравнению со спектрографическим, но требует дорогостоящего и непростого в обслуживании оборудования.
Приборы спектрального анализа для визуальной спектроскопии относительно дешевы, и анализ с их помощью выполняется быстро. Однако эти методы основаны исключительно на субъективных способах измерения интенсивности линий. Поэтому получаемые результаты всегда носят полуколичественный характер.
Чтобы достичь более высокой чувствительности определения, воспроизводимости и точности, необходима обработка результатов измерения методами математической статистики.
При проведении спектрального анализа большую помощь оказывают таблицы, содержащие соответствующие физические постоянные и спектроскопические константы элементов и их наиболее важных соединений, а также таблицы для вспомогательных расчетов и рабочие инструкции, необходимые при качественных и количественных определениях.
1. АТОМНО-ЭМИССИОННЫЙ СПЕКТРАЛЬНЫЙ АНАЛИЗ (АЭСА)
1.1 Основы АЭСА
Атомно-эмиссионный спектральный анализ (АЭСА) - метод элементного анализа, основанный на изучении спектров испускания свободный атомов и ионов в газовой фазе в области длин волн 150-800 нм.
Пробу исследуемого вещества вводят в источник излучения, где происходят ее испарение, диссоциация молекул и возбуждение образовавшихся атомов (ионов). Последние испускают характерное излучение, которое поступает в регистрирующее устройство спектрального прибора.
При качественном АЭСА спектры проб сравнивают со спектрами известных элементов, приведенных в соответствующих атласах и таблицах спектральных линий, и таким образом устанавливают элементный состав анализируемого вещества. При количественном анализе определяют количество (концентрацию) искомого элемента в анализируемом веществе по зависимости величины аналитического сигнала (плотность почернения или оптический плотность аналитической линии на фотопластинке; световой поток на фотоэлектрический приемник) искомого элемента от его содержания в пробе. Эта зависимость сложным образом определяется многими трудно контролируемыми факторами (валовой состав проб, их структура, дисперсность, параметры источника возбуждения спектров, нестабильность регистрирующих устройств, свойства фотопластинок и т.д.). Поэтому, как правило, для ее установления используют набор образцов для градуировки, которые по валовому составу и структуре возможно более близки к анализируемому веществу и содержат известные количества определяемых элементов. Такими образцами могут служить специально приготовленные металлические сплавы, смеси веществ, растворы, в том числе и стандартные образцы, выпускаемые промышленностью. Для устранения влияния на результаты анализа неизбежного различия свойств анализируемого и стандартных образцов используют разные приемы; например, сравнивают спектральные линии определяемого элемента и так называемой элемента сравнения, близкого по химическим и физическим свойствам к определяемому. При анализе однотипных материалов можно применять одни и те же градуировочные зависимости, которые периодически корректируют по поверочным образцам.
Чувствительность и точность АЭСА зависят главным образом от физических характеристик источников возбуждения спектров - температуры, концентрации электронов, времени пребывания атомов в зоне возбуждения спектров, стабильности режима источника и т. д. Для решения конкретной аналитической задачи необходимо выбрать подходящий источник излучения, добиться оптимизации его характеристик с помощью различных приемов - использование инертной атмосферы, наложение магнитного поля, введение специальных веществ, стабилизирующих температуру разряда, степень ионизации атомов, диффузионные процессы на оптимальном уровне и т.д. Ввиду многообразия взаимовлияющих факторов при этом часто используют методы математического планирования экспериментов.
1.2 Сущность метода
Атомно-эмиссионный спектральный анализ – это метод определения химического состава вещества по спектру излучения его атомов под влиянием источника возбуждения (дуга, искра, пламя, плазма).
Возбуждение атомов происходит при переходе одного или нескольких электронов на более отдалённый энергетический уровень. В нормальном состоянии (невозбуждённом) атом имеет наименьшую энергию E0. В возбужденном (неустойчивом) состоянии атом может находиться очень короткое время (≈10-7 – 10-8 сек) и всегда стремится занять нормальное невозбуждённое состояние. При этом атом отдаёт избыточную энергию в виде излучения фотона.
;
где Е2,Е1 – энергия верхнего и нижнего уровня; ν – частота; с – скорость света; λ – длина волны излучения; h – постоянная Планка.
Для перехода атома на более высокий энергетический уровень ему необходимо передать энергию называемую потенциалом возбуждения. Наименьшая энергия необходимая для отрыва от невозбуждённого атома его внешнего валентного электрона – потенциал ионизации (энергия возбуждения).
Спектральная линия – излучение какой-либо одной длины волны, соответствующая определённому энергетическому переходу возбуждённого атома.
Интенсивность спектральной линии (I) прямо пропорционально числу возбуждённых частиц (N*), т.к. возбуждение атомов имеет термическую природу. Возбуждённые и невозбуждённые атомы находятся между собой в термодинамическом равновесии, которая описывается уравнением Больцмана:

где N0 – число невозбуждённых атомов;g*,g0 – статические веса возбуждённых и невозбужденных состояний атомов; E – энергия возбуждения; k – постоянная Больцмана; Т – температура.
Таким образом, при постоянной температуре N* прямо пропорционально N0, т.е. фактически общему числу данных атомов в пробе. Общее число атомов прямо пропорционально концентрации (с) элемента в пробе.
Таким образом, интенсивность эмиссионной спектральной линии может быть использовано в качестве аналитического сигнала для определения концентрации элемента:
![]()
где a – коэффициент, зависящий от условий процесса.
В АЭСА решающее значение имеет правильный выбор условий атомизации и измерения аналитического сигнала, поэтому в реальных условиях АЭСА используется формула Ломакина – Шайбе:
![]()
где b – постоянный коэффициент, зависящий от энергетических переходов, обусловленной излучением данной спектральной линии; определяет угол наклона градуировочного графика контролируемого элемента.

![]()
«Градуировочный график зависимости интенсивности спектральной линии от концентрации определяемого элемента»
Так как химический состав образцов контролируется в широком интервале концентраций, формулу Ломакина – Шайбе используют в логарифмических координатах:
![]()
«математическое основание для проведения количественного АЭСА»
1.3 Область применения
Основные области применения – анализ состава металлов и сплавов в металлургии и машиностроении, исследование геологических образцов и минерального сырья в горнодобывающей промышленности, анализ вод и почв в экологии, анализ моторных масел и других технических жидкостей на примеси металлов с целью диагностики состояния машин и механизмов.
2. ИСТОЧНИКИ ВОЗБУЖДЕНИЯ СПЕКТРОВ
В практике атомно-эмиссионного спектрального анализа в качестве источников возбуждения спектров применяют пламя, электрические дуги постоянного и переменного тока, низко- и высоковольтную конденсированную искру, низковольтный импульсный разряд, различные формы тлеющего газового разряда и др. За последние 10–15 лет широкое распространение получили различные виды высокочастотных разрядов: высокочастотная индуктивно-связанная плазма (ИСП) в атмосфере инертных газов при атмосферном давлении, сверхвысокочастотный (микроволновый) разряд и др.
2.1 Пламя
Пламяиспользуют как атомизатор и источник возбуждения спектров в методе фотометрии пламени, а также как один из основных способов атомизации веществ в методе атомно-абсорбционного анализа. Наиболее часто используются пламена смеси воздух—ацетилен (Т=2100–2400 К) и оксид азота(I)—ацетилен (Т=3000–3200 К), реже — пламена смесей воздух—пропан (Т=2000–2200 К) и оксид азота(I)—пропан (Т=3000 К).
Схемы горелок, применяемых в методе фотометрии пламени, показаны на рис. 1. Ввод анализируемой жидкости в пламя обычно осуществляется путем ее пневматического распыления. Применяют распылители главным образом двух типов: угловые и концентрические, работающие вследствие создаваемого разряжения над отверстием распыляющего капилляра (или вокруг него), второй конец которого погружен в раствор анализируемой пробы. Вытекающая из капилляра жидкость разбрызгивается струей газа, образуя аэрозоль. Качество работы распылителя оценивают по отношению количества жидкости и газа (МЖ/МГ), расходуемых в единицу времени.
Температура пламени обеспечивает достаточно низкий предел обнаружения элементов, энергии, возбуждения резонансных линий которых не превышают 5 эВ; их соединения в достаточной мере атомизируются в пламени. Особое значение метод фотометрии пламени имеет для определения микроколичеств соединений щелочных и щелочно-земельных металлов, для которых предел обнаружения этим методом находится в диапазоне 0,0001–0,01 мг/л. Высокая пространственно-временная стабильность пламен обеспечивает хорошую воспроизводимость результатов, получаемых этим методом. При использовании непрерывного распыления растворов относительное стандартное отклонение, характеризующее воспроизводимость, находится не уровне 0,01 для содержаний, превышающих на два порядка и более предел обнаружения.

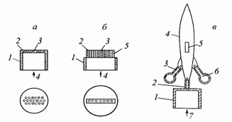
Рис. 1. Горелки для атомно-эмиссионной пламенной спектрометрии:
а) и б) обычная горелка Меккера и усовершенствованная горелка: 1 — корпус горелки; 2 — поверхность, на которой формируется пламя; 3 — отверстия для выхода горючих газов; 4 — подача смеси горючих газов и аэрозоля; 5 — выступ на корпусе горелки с отверстиями; в) комбинированная горелка с разделением зон испарения — атомизации и возбуждения спектров: 1 — основная горелка с выступом и отверстиями внем; 3 — вторая дополнительная горелка с однотипным или более высокотемпературным пламенем; 4 — пламя; 5 — зона регистрации излучения; 6 — подача смеси горючих газов в дополнительную горелку; 7 — подача смеси горючих газов и аэрозоля в основную горелку.
Основными ограничениями метода фотометрии пламени являются: необходимость переведения анализируемых проб в раствор, сравнительно высокий уровень матричных эффектов и, как правило, одноэлементность анализа.
2.2 Электрическая дуга
2.2.1 Электрическая дуга постоянного тока
Электрическая дуга постоянного тока (рис. 2) — более высокотемпературный источник, чем пламя. Анализируемый образец в измельченном виде помещают в углубление (канал) в нижнем электроде, который, как правило, включают анодом в цепь дуги.

Рис. 2. Дуга постоянного тока как источник возбуждения спектров:
а) схема питания дуги постоянного тока; б)вольт-амперная характеристика дугового разряда постоянного тока; в) схема переноса атомов из канала угольного электрода: 1 -доля атомов, участвующих в образовании аналитического сигнала (1а — вынос в свободном состоянии, 1б — вынос в связанном состоянии в конденсированной фазе); 2 — выход вещества помимо зоны возбуждения; 3а, 3б — диффузия в стенки и дно соответственно; 4а, 4б — переход вещества в зону возбуждения в виде атомов или соединений из стенок и дна электрода.
Температура плазмы дуги зависит от материала электродов и ионизационного потенциала газа в межэлектродном промежутке. Наиболее высокая температура плазмы (~7000 К) достигается в случае применения угольных электродов. Для дуги между медными электродами она составляет ≈5000 К. Введение солей щелочных элементов (например, калия) снижает температуру плазмы дуги до 4000 К.
Под действием дуги торец анода разогревается примерно до 3500 К (для угольных электродов), благодаря чему обеспечивается испарение твердых проб, помещенных в кратер анода. Однако температура электрода в направлении от торца очень быстро падает и уже на расстоянии 10 мм составляет всего ≈1000 К. Придавая электроду специальную форму, можно уменьшать отвод тепла и тем самым увеличивать до некоторой степени температуру электрода.
В угольной дуге постоянного тока возбуждаются спектры почти всех элементов, за исключением некоторых газов и неметаллов, характеризующихся высокими потенциалами возбуждения. По сравнению с измерениями эмиссии или абсорбции пламени, дуговой разряд обеспечивает снижение предела обнаружения элементов примерно на порядок величины, а также существенное снижение уровня матричных эффектов.
Дуговой разряд отличается неустойчивостью, одной из причин этого является непрерывное перемещение катодного пятна, которое собственно и обеспечивает термоэлектронную эмиссию, необходимую для поддержания разряда. Для устранения неустойчивости дуги в ее цепь включают большое балластное сопротивление R. Ток, текущий через дугу, по закону Ома
Здесь U — напряжение источника, питающего дугу; r — сопротивление дугового промежутка.
Чем больше балластное сопротивление R, тем меньше влияние колебаний r на изменение электрического тока дуги. По этой же причине выгодно увеличивать напряжение питания дуги (можно взять большее R). В современных генераторах напряжение питания дуги обычно составляет 350 В. Сила тока дуги, как правило, находится в диапазоне 6–10 А. Для испарения тугоплавких материалов (например, Аl2О3) требуется увеличение силы тока до 25–30 А. Электронные средства позволяют стабилизировать ток дуги на уровне 25 А с флуктуациями не более 1%при изменении питающего напряжения в пределах 200–240 B, а применение магнитных усилителей в качестве регулирующего элемента дает возможность повысить КПД дугового генератора до 90%.
Для улучшения условий возбуждения спектров применяют контролируемые атмосферы (например, аргон или другие газовые среды), стабилизацию положения плазмы в пространстве магнитным полем (в частности, вращающимся) или потоком газа. Применение контролируемой атмосферы позволяет избавиться от полос циана, наблюдающихся в области 340–420 нм и перекрывающих многие чувствительные линии разных элементов.
2.2.2 Электрическая дуга переменного тока
Дуговой разряд можно питать и переменным током, однако такой разряд не может существовать самостоятельно. При изменении направления тока электроды быстро остывают, термоэлектронная эмиссия прекращается, дуговой промежуток деионизируется и разряд гаснет, поэтому для поддержания горения дуги используют специальные поджигающие устройства: дуговой промежуток пробивают высокочастотным импульсом высокого напряжения, но малой мощности (рис. 3).

Рис. 3.Схема низковольтной активизированной дуги переменного тока:
I — основной контур; II — вспомогательный контур; R — реостат питания дуги; А — амперметр; d —рабочий промежуток дуги; L — вторичная катушка высокочастотного трансформатора; С — блокировочный конденсатор (0,5–2 мкФ); Тр — повышающий трансформатор ; La—первичная катушка высокочастотного трансформатора; Са — конденсатор активизатора (3000 мкФ); RTp — сопротивление активизатора; da— разрядный промежуток активизатора
Схему такой дуги можно разделить на две части: основную и вспомогательную. Основная часть схемы выглядит точно так же, как и для дуги постоянного тока, за исключением шунтирующего конденсатора С, предупреждающего проникновение высокочастотных токов в сеть.
В активизаторе повышающий трансформатор (120/260/3000 В, 25 Вт) создает на вторичной обмотке напряжение ~3000 B и заряжает конденсатор Сa. В момент пробоя вспомогательного разрядника dавконтуре, состоящем из катушки La, конденсатора Сa и разрядника da, появляются колебания высокой частоты. В результате на концах второй (высоковольтной) катушки L возникает ЭДС около 6000 В, пробивающая рабочий промежуток d. Эти пробои и служат для периодического поджога дуги, питаемой через основную цепь.
Стабильность электрических и оптических параметров дуги переменного тока зависит от стабильности напряжения, при котором происходит пробой. Управление поджогом по пробою вспомогательного промежутка нужной точности не дает из-за окисления и других изменений рабочих поверхностей разрядника во времени. Более стабильную работу дуги можно обеспечить, регулируя фазу поджога разряда с помощью электронных устройств. Такие схемы управления используют в большинстве современных генераторов.
До некоторой степени импульсный характер дуги переменного тока приводит к тому, что температура разряда становится несколько больше, чем в дуге постоянного тока, а измерения интенсивностей спектральных линий характеризуются лучшей воспроизводимостью. В то же время схема управления может быть настроена таким образом, чтобы пробой промежутка осуществлялся не каждый полупериод, а через один, два, четыре и т.д. Это позволяет регулировать нагревание электродов, что может быть необходимым, например, при анализе легкоплавких сплавов.
Для снижения пределов обнаружения элементов и улучшения воспроизводимости результатов анализа при работе с дуговыми разрядами широко используются добавки некоторых реагентов в анализируемые пробы с целью инициирования различного рода термохимических реакций непосредственно в каналах электродов дуги. Эти реакции позволяют переводить определяемые примеси в легколетучие соединения, а элементы матрицы, мешающие определению примесей, в труднолетучие соединения.
2.2.3 Дуга в варианте просыпки
Кроме традиционного варианта дуги с вертикально расположенными электродами, при анализе порошковых проб (например, руд и минералов) применяется дуга в так называемом варианте просыпки (вдувания), когда мелкодисперсная проба не испаряется из канала угольного электрода, а просыпается (вдувается) через плазму дугового разряда между двумя (или тремя — при трехфазном питании) горизонтально расположенными угольными электродами.

Рис. 4. Принципиальная схема ввода порошковой пробы в дуговой разряд методом просыпки—вдувания: 1 — порошковая проба в вибрирующей воронке; 2 — электроды дуги; 3 — охлаждающий и плазмообразующий потоки воздуха; 4 — цилиндрический воздухопровод; 5 — плазма дуги; 6 — окно в воздухопроводе для наблюдения излучения из рабочей области дуговой плазмы.
Конструкция и принцип действия такой дуги показаны на рис. 4. По параметрам и характеристикам горизонтальная дуга мало отличается от вертикальной, однако благодаря тому, что проба вводится в дугу потоком газа (обычно—воздуха), он стабилизирует форму и положение дуговой плазмы, что само по себе уже способствует снижению случайных погрешностей анализа по сравнению с обычной пространственно нестабилизированной дугой между вертикальными электродами. Кроме того, при равномерном вдувании порошков состав облака дуги во времени остается неизменным, следовательно, основные параметры дуговой плазмы (концентрация атомов и электронов, температура) также остаются постоянными, что значительно упрощает выполнение анализа. Основные проблемы анализа методом вдувания связаны с неполным испарением частиц порошка вследствие кратковременности их пребывания в плазме (3* 10–3–5* 10–3 с), что обусловливает зависимость интенсивности спектральных линий от размеров и состава частиц порошкообразных проб.
2.3 Искра
2.3.1 Низковольтная искра
Увеличение емкости шунтирующего конденсатора приводит к тому, что запасенная в нем энергия будет играть заметную роль в общем балансе разряда. Такой тип разряда получил название низковольтной искры. В зависимости от параметров контура низковольтной искры можно получать различные режимы разряда: колебательный (CR2/4L<1), критический (CR2/4L>1), апериодический (CR2/4L≈1).
Напряжение на конденсаторах разрядного контура обычно варьируют в интервале 450–1000 В. Изменяя емкость конденсаторов, сопротивление реостатов в силовой цепи и индуктивность вторичной обмотки трансформатора, можно регулировать соотношение между силой тока разряда конденсаторов и силой тока, проходящей через силовую цепь, и тем самым плавно менять температуру разряда в нужном направлении (от мягкого дугового режима до чисто искрового). Современные электронные средства позволяют стабилизировать энергию единичных импульсов с точностью не хуже 0,1%.
2.3.2 Высоковольтная искра
При спектральном анализе металлов и сплавов наиболее часто в качестве источника света используют высоковольтную конденсированную искру (рис. 5). Повышающий трансформатор заряжает конденсатор С до напряжения 10–15 кВ. Значение напряжения определяется сопротивлением вспомогательного промежутка В, которое в свою очередь выбирают всегда большим сопротивления рабочего промежутка А. В момент пробоя вспомогательного промежутка одновременно происходит также и пробой рабочего промежутка, конденсатор С разряжается, а затем заряжается. В зависимости от параметров схемы и скорости деионизации промежутка следующий пробой может произойти или в этом же, или в другом полупериоде. Простота и надежность этой схемы обеспечили ее успешную эксплуатацию.

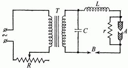
Рис. 5. Схема управляемой конденсированной высоковольтной искры:
Т — повышающий трансформатор на 15000 В; С — конденсатор; L — переменная индуктивность; r — блокирующее сопротивление; А — рабочий промежуток; В — постоянный вспомогательный промежуток; R — регулируемое сопротивление
В момент пробоя в узком искровом канале происходит возбуждение, а также высвечивание атомов и молекул азота и кислорода воздуха; это бесполезное и даже мешающее излучение (фон). Однако его длительность невелика (10–8 с). В следующий момент ток (до 50 А), проходящий через канал, разогревает малую площадку (0,2 мм) электрода. Плотность тока достигает 104 А/см2, и материал электрода выбрасывается в разрядный промежуток в виде факела раскаленных паров, причем, как правило, не вдоль искрового канала, а под некоторым случайным углом к нему.
Каждый новый пробой воздействует на разные участки поверхности образца, и после обыскривания в течение всего выбранного времени экспозиции на образце возникает пятно обыскривания диаметром до 3–5 мм, но незначительной глубины (при работе с угольным противоэлектродом — всего 20–40 мкм). Общее количество испаряющейся за время экспозиции твердой пробы весьма невелико: например, для сталей оно обычно составляет около 3 мг.
Факел выброшенных паров имеет температуру порядка 10000 К, т.е. достаточную не только для возбуждения спектров металлов, но также неметаллов и ионов. Температура непосредственно в начале искры достигает 30000-40000 К.
2.4 Высокочастотная индуктивно-связанная плазма
Благодаря появлению нового способа возбуждения спектров с помощью источника высокочастотной индуктивно-связанной плазмы (ИСП), работающей при атмосферном давлении, произошел резкий скачок в развитии физики, техники и практики атомно-эмиссионного спектрального анализа. Данный источник представляет собой разновидность безэлектродного высокочастотного разряда, поддерживаемого в специальной горелке, состоящей из концентрически расположенных трех (реже — двух) кварцевых трубок (рис. 6). В зазор между внешней и промежуточной трубками подается внешний (охлаждающий) поток газа (аргон или молекулярный газ), по средней трубке — промежуточный поток (только аргон), по центральной трубке осуществляется транспорт аэрозоля анализируемого раствора в плазму. Открытый конец горелки окружен охлаждаемой водой индукционной катушкой, соединенной с ВЧ-генератором. Для получения плазмы используют ВЧ-генераторы с потребляемой мощностью 1,5–5 кВт и рабочей частотой в диапазоне от 27 до 50 МГц.

Рис. 6. Схема горелки для высокочастотного индукционного разряда:
1 — аналитическая зона; 2 — зона первичного излучения; 3 — зона разряда (скин-слой); 4 — центральный канал (зона предварительного нагрева); 5 —индуктор; 6 — защитная трубка, предотвращающая пробой на индуктор (устанавливается только на коротких горелках); 7, 8, 9 — внешняя, промежуточная, центральная трубки соответственно
Для возбуждения разряда необходима предварительная ионизация газа, поскольку напряжение на индукторе значительно меньше напряжения пробоя рабочего газа. С этой целью чаще всего используют высоковольтную искру (катушку Тесла). В ионизированном газе возникает разряд, питаемый магнитным полем. Ток высокой частоты, протекающий через катушку-соленоид, создает переменное магнитное поле. Под его воздействием внутри катушки индуцируется вихревое электрическое поле. Вихревой электрический ток нагревает и ионизирует поступающие снизу порции газа за счет джоулевого тепла. Токопроводящая плазма аналогична короткозамкнутой вторичной обмотке трансформатора, магнитное поле которой сжимает кольцевой ток в тор (скин-эффект).
Поток аргона, подаваемый в зазор между промежуточной и внешней трубками, с одной стороны, служит плазмообразующим газом, а с другой — отжимает раскаленную плазму от стенок горелки, предохраняя их от перегрева и разрушения. Аэрозоль анализируемой пробы распространяется вдоль центрального канала разряда, практически не задевая электропроводящего скин-слоя и не влияя на его характеристики; в этом заключается одна из главных особенностей ИСП-разряда, отличающая его, например, от дуговых плазмотронов.
Обычно в плазму вводят аэрозоль, образованный раствором пробы в водном или органическом растворителе. Наряду с этим применяется введение проб в виде конденсатов, образующихся при испарении пробы в электротермическом атомизаторе, дуге, искре, плазме лазерного факела, а также в виде тонкодисперсных порошков, взвешенных в потоке газа или жидкости. Для ввода жидких проб используются различные конструкции пневматических распылителей (концентрический распылитель Мейнхарда, уголковые распылители, распылитель Бабингтона, сетчатый распылитель Гильдебранда и др.), а также ультразвуковых распылителей. Во всех типах распылителей используется принудительная подача раствора пробы с помощью перистальтического насоса.
В ультразвуковых распылителях распыление происходит за счет энергии акустических колебаний, а газовый поток служит только для переноса аэрозоля в горелку. Эти распылители образуют тонкий аэрозоль с узким распределением частиц по размерам. Эффективность их генерации, по крайней мере, в 10–20 раз больше, чем у пневматических распылителей, что позволяет получать лучшее отношение сигнал /фон и снижать предел обнаружения.
Можно выделить следующие безусловные достоинства источника ИСП применительно к задачам атомно-эмиссионного спектрального анализа (АЭСА):
1. благодаря возможности эффективного возбуждения как легко-, так и трудновозбудимых линий ИСП является одним из наиболее универсальных источников света, в котором можно определять (детектировать) почти все элементы периодической системы. ИСП наиболее универсальный источник не только по числу определяемых элементов, но и по типу содержащих эти элементы соединений;
2. в ИСП можно анализировать как большие массы растворов, подавая их в плазмотрон непрерывным потоком, так и микрообъемы (порядка сотен микролитров) при их импульсном введении в транспортирующий газ и импульсной регистрации спектров;
3. диапазон определяемых концентраций для большинства элементов составляет 4–5 порядков, т.е. в ИСП можно определять как малые и средние, так и большие концентрации того или иного элемента, что затруднительно для других источников возбуждения спектров. Градуировочные графики для многих элементов прямолинейны, параллельны друг другу и имеют угол наклона около 45°, что упрощает градуировку и снижает вероятность появления систематических погрешностей анализа;
4. благодаря высокой эффективности возбуждения и малому фону, пределы обнаружения большинства элементов на 1–2 порядка ниже, чем в других источниках возбуждения спектров. Средний предел обнаружения при анализе растворов по в