Авария компрессора: "заклинивание поршня"
1. Устройство и работа компрессорной установки
2. Различные виды неисправностей компрессора
2.1 Причины заклинивания компрессора
3. Современные методы диагностики компрессорного оборудования
4. Ремонт оборудования компрессорных установок
4.1 Организация ремонтных работ
4.2 Разборка компрессора
4.3 Очистка и мойка деталей
4.4 Дефектация деталей
4.5 Ремонт основных узлов и деталей
4.6 Общая сборка поршневых компрессоров
5. Пуско-наладочные испытания
СПИСОК ЛИТЕРАТУРЫ
Введение
С начала 90-х годов в России почти не проводилось обновления основных фондов предприятий. Это привело к тому, что большая часть (60-80%) технологического оборудования промышленных производств выработало нормативный ресурс, и его дальнейшая эксплуатация уже приводит к созданию аварийных ситуаций.
Аварии компрессорных установок обычно происходят в результате низкого качества их монтажа, ремонта, неправильной эксплуатации оборудования установки, нарушения обслуживающим персоналом заводских инструкций, а также правил техники безопасности.
Причинами аварий могут быть:
длительная вибрация оборудования вследствие пульсации давлений сжимаемого воздуха, а также знакопеременных динамических сил при возвратно-поступательном движении поршней цилиндров. Вибрация установок и нагнетательных трубопроводов вызывает преждевременный износ труб, разрушение теплоизоляции трубопроводов, нарушает жесткость крепления трубопроводов к опорам, расшатывает узлы крепления вспомогательного оборудования компрессорной установки, снижает точность показаний контрольно-измерительных приборов. Происходит неравномерная осадка грунта как под фундаментом оборудования компрессорной установки, так и под опорами трубопроводов, в результате чего возникают дополнительные напряжения в фундаментах и стенах здания компрессорной станции и происходит их разрушение;
недостаточное охлаждение сжимаемого воздуха в промежуточных холодильниках во второй и последующих ступенях компрессора, в результате возможно самовоспламенение паров масла, резкое повышение давления и взрыв;
взрывы, если эксплуатация компрессорной установки ведется неудовлетворительно (отсутствуют или неисправны термометры для замера температуры воздуха и воды, неисправны сальники штоки компрессора, клапаны); при неисправных сальниках штока в компрессорах может образоваться, такая смесь, которая при наличии источника воспламенения (самовозгорание нагара, искра статического электричества и др.) приведет к взрыву большой разрушительной силы. Взрыв может произойти также из-за поломки клапанных пластинок: температура сжатого воздуха может повыситься настолько, что произойдет воспламенение смеси и разрушение компрессора либо нагнетательного воздухопровода.
При повышении температуры сжатого воздуха до 120—170 °С вода и масло, находящиеся в сжатом воздухе в парообразном состоянии, уносятся в промежуточные и концевые холодильники и влагомаслоотделители, а затем в воздухосборник и в сеть. Это приводит к скоплению паров масла в воздухосборнике и образованию пожароопасной, а иногда и взрывоопасной смеси, к уносу большого количества масел, уменьшению сечения трубопроводов вследствие отложения на них нагара и конденсации влаги, скапливающейся на некоторых участках трубопроводов и создающей опасность гидравлического удара, к подаче потребителям сжатого воздуха, содержащего большое количество масла и влаги. В компрессорной установке смазочное масло под воздействием повышенной температуры воздуха (до 170 °С) окисляется и на стенках воздухопроводов образуются отложения в виде масляных нагаров. При окислении повышается температура отложений, а повышение температуры воздуха на каждые 10°С ускоряет процесс окисления 2—3 раза и увеличивает толщину слоя отложений, что способствует их воспламенению. Наиболее взрывоопасным является воздухосборник. Взрыв в воздухосборнике в большинстве случаев происходит вследствие образования в нем и воздухопроводах взрывоопасной концентрации паров масла при одновременном нарушении режима работы компрессоров, подающих сжатый воздух повышенной температуры. Взрыв в воздухосборнике может произойти при отсутствии перед ним влагомаслоотделителя, при отсутствии на воздухосборнике предохранительных клапанов и средств автоматического выпуска взрывной смеси, а также конденсата воды и масла.
Взрыв во влагомаслоотделителе при воздухосборнике компрессорной установки, не имеющей концевого холодильника, может произойти, когда горячий воздух после последней ступени компрессора направляется непосредственно во влагомаслоотделитель или воздухосборник, унося с собой смесь паров масла и воздуха опасной концентрации, которая при выходе из последней ступени компрессора может достичь температуры воспламенения.
При плохой продувке вспомогательного оборудования и трубопроводов компрессорных установок в них собирается масло, что может привести к взрыву. Взрыву обычно предшествует горение масла в трубопроводе, которое иногда можно обнаружить по струйке дыма, просачивающегося через неплотности фланцевых соединений, или определить по запаху гари.
Для предупреждения взрывов воздухосборников и воздухопроводов необходимо следить за тем, чтобы манометры и предохранительные клапаны находились в исправном состоянии. Не реже двух раз в год требуется тщательная очистка через люки воздухосборников, а также прочистка и промывка содовым раствором трубопроводов между компрессорами и воздухосборниками.
Во избежание попадания в воздухопроводную магистраль масла и воды в соответствующих местах воздухопровода должны быть установлены влагомаслоотделители. Работающие воздухопроводы не реже раза в год должны подвергаться тщательному наружному осмотру и очистке. Результаты осмотров, а также сведения о ремонте и очистке необходимо записывать в специальных журналах.
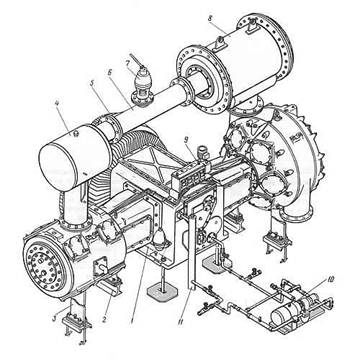
1. Устройство и работа компрессорной установки
Компрессорная установка состоит из компрессора, холодильников, воздухопровода, систем охлаждения и автоматики. Компрессор представляет собой поршневую крейцкопфную машину с прямоугольным или оппозитным расположением цилиндров. Поршни цилиндров двойного действия - закрытого типа. Они представляют собой полые чугунные отливки или тонкостенные стальные сварные конструкции. В литых поршнях для удаления формовочной земли в днище предусмотрены отверстия, которые глушатся коническими пробками, завернутыми на сурике и законтренными при помощи ввертышей.

Рис. 1 Общий вид компрессора 2ВМ10-63/9
2. Различные виды неисправностей компрессора
Различные виды неисправностей.
Заключения исследований причин аварий компрессоров следующие:
1. 20% компрессоров, представленные неисправными, находятся в хорошем состоянии и работают правильно.
2. Электропроблемы в целом составляют 20% от всех видов дефектов.
3. Неисправность компрессоров при недостатке масла ( т.е. уровень масла составляет 50% ниже стандартного) составляют 6% от всех неисправностей.
4. Заклинивание компрессора (механический дефект) составляет около 20% от всех дефектов.
5. Внутренняя утечка (клапанный элемент или прокладка повреждены, нагнетательный трубопровод, и т.д.) составляет около 8% от всех дефектов.
6. Компрессоры, представленные с воздушным всасыванием (т.е. утечка на линии всасывания) составляют около 5% от всех неисправностей.
Баланс подведен под многочисленными неисправностями, такими как "шум", повреждения при переносе или транспортировке, и т.д. При изучении дефекты можно разделить на следующие подгруппы:
20% нет дефектов
29% электрические дефекты
6% отсутствие масла
20% заклинивание компрессора
5% проблемы на всасывании
8% внутренние утечки
12% многочисленные дефекты.
Выше представленные цифры приведены в среднем значении и могут отличаться от ряда компрессоров, моделей, областей применения.
2.1 Причины заклинивания компрессора
Этот дефект (заклинивание) составляет около 20% от всех неисправностей. В основном такой дефект проявляется у однофазных компрессоров, что составляет около 40% для некоторых типов.
Основные причины:
· миграция жидкого хладагента в корпусе компрессора
· отсутствие масла при специальных условиях работы
· вспенивание
· затопление жидким хладагентом
· загрязнение системы
1) Миграция жидкого хладагента. Это наиболее частая причина либо для заклинивания, либо для механического износа. Во время стоянки компрессор находится в холодном состоянии. Масло для смазки смешано с определенным количеством хладагента в соответствии температуре и давлению, как хладагента так и масла, так что уровень масла повышается. За пределами насыщения масла хладагентом жидкий хладагент будет располагаться на дне корпуса из-за высокой плотности в сравнении со смесью хладагента и масла. При старте компрессора масляный насос будет качать не только масло, но и жидкий хладагент или смесь масло/хладагент, что будет являться не очень хорошей смазкой, и соответственно приведет либо к заклиниваю, либо к износу механических частей. В таких случаях можно определить уровень хладагента. При заклинивании компрессора катушки двигателя заклиниваются из-за жидкости, так что защита от перегрузки не может отключиться. В результате - карбонизация масла на поверхности, оставляющая отметки на корпусе или на поверхности, оставляющая отметки на корпусе или на механических частях.
Далее приводятся несколько рекомендаций, чтобы избежать эти проблемы: убедитесь, что возвращаемый газ перегревается, исключая возможность ненормального охлаждения при любых условиях, или установление сборника на всасывающей линии используйте нагреватель картера, чтобы обеспечить более теплое состояние компрессора по сравнению с другими частями системы

Рис. 2 Шатуны компрессора, сломанные в результате наличия значительного объема жидкого холодильного агента.
2) Отсутствие масла. Этот вид дефекта можно рассматривать у компрессоров с зарядкой маслом менее 50%. Из исследований множества компрессоров обнаружено, что масло можно осушить из компрессора (особенно с короткими трубопроводами) путем выпенивания за короткий период времени. Тем не менее этого времени будет достаточно, чтобы испортить компрессор до возврата масла назад.
Этот феномен можно объяснить тем, что исследуемые компрессоры имеют уровень масла более 50%, но менее чем первоначальная зарядка, что и создает проблему.

Рис 3. Последствия недостатка смазки на коленвале : износ и повреждения поверхностей
3) Вспенивание. Вспенивание было уже описано, что означает недостаток для смазки компрессора. Помимо этого смесь масло/хладагент - плохое смазывающее вещество, поэтому при исследовании компрессоров обнаруживается механический износ и иногда износ поршней.
Примечание: Вспенивание обычно обнаруживается при очень низком уровне шума работы компрессора.
Вспенивание обеспечивает звуковую защиту внутри и вокруг компрессора.
4) Затопление жидким хладагентом. При первом исследовании, очень сложно осознать взаимосвязь между заклиниванием компрессора и обратным затоплением жидким хладагентом. Жидкостное затопление - результат попытки сжать жидкость в цилиндре, когда поршень находится в конце процесса сжатия: это может случиться в обоих случаях - при избытке масла (состояния вспенивания) или жидкого хладагента.

Рис. 4 Поломка поршня вследствие возврата жидкости в компрессор.
Последствия следующие:
· поломан стержень всасывающего клапана
· испорчена прокладка
· заклинивание из-за плохой смазки (испорченное масло)
· сочетание повреждений
Примечание: Жидкий поток может так же присутствовать на стороне нагнетания (высокое давление ), как результат миграции жидкости на сторону высокого давления компрессора, вплоть до стержня клапана нагнетания. Поток жидкого хладагента приведет к немедленному увеличению нагрузки на подшипники компрессора, головку поршня, и т.д., так что смазка маслом нарушается. У высокопроизводительных компрессоров (3 фазный двигатель), соединительный стержень может сломаться из-за огромной нагрузки.
Второе обстоятельство: малые части поломанного вентиля могут попасть в систему (компрессор), и будут участвовать во всех дальнейших поломках, или в заклинивании компрессора.
5) Загрязнение. В случае попадания поломанных маленьких частиц в движущиеся составляющие, мгновенным результатом будет, либо заклинивание либо значительный износ составляющих компрессора. Рекомендуем убеждаться в чистоте любых составляющих, которые будут монтироваться на систему, особое внимание - подготовке труб.
Выдержка из "Инструкции по эксплуатации поршневого компрессора". Типичные повреждения и неисправности и указания по их устранению
Подобные работы: