СВЧ тракт приёма земной станции спутниковой системы связи
Использование искусственных спутников Земли для связи и телевидения, оперативного и долгосрочного прогнозирования погоды и гидрометеорологической обстановки, для навигации на морских путях и авиационных трассах, для высокоточной геодезии, изучения природных ресурсов Земли и контроля среды обитания становится всё более привычным. В ближайшей и в более отдаленной перспективе разностороннее использование космоса и космической техники, в различных областях хозяйства значительно возрастёт.
Для нашей эпохи характерен огромный рост информации во всех сферах деятельности человека. Помимо прогрессирующего развития традиционных средств передачи информации – телефонии, телеграфии, радиовещания, возникла потребность в создании новых её видов – телевидения, обмена данными в автоматических системах управления и ЭВМ, передачи матриц для печатания газет.
Глобальный характер различных хозяйственных проблем и научных исследований, широкая межгосударственная интеграция и кооперация в производстве, торговле, научно-исследовательской деятельности, расширение обмена в области культуры, привели к значительному росту международных и межконтинентальных связей, включая обмен телеви-зионными программами.
Традиционные средства связи в отношении их видов, объёма, дальности, оперативности и надёжности передачи информации будут непрерывно совершенствоваться. Однако дальнейшее развитие их встречает немалые затруднения как технического, так и экономического характера. Уже теперь ясно, что требования, предъявляемые к пропускной способности, качеству, надежности каналов дальней связи не могут быть полностью удовлетворены наземными средствами проводной связи и радиосвязи.
Сооружение дальних наземных и подводных кабельных линий занимает много времени. Они сложны и дорогостоящи не только в строительстве, но и в эксплуатации, и в отношении дальнейшего развития. Обычные кабельные линии имеют к тому же сравнительно малую пропускную способность. Намного большую пропускную способность по сравнению со спутниковыми системами связи обеспечивают волоконно-оптические линии связи, но они более дорогостоящи.
Значительно большей пропускной способностью, дальностью действия, возможностью перестройки для различных видов связи располагает радио. Но и радиолинии обладают определёнными недостатками, затрудняющими во многих случаях их применение.
Сверхдлинноволновые системы радиосвязи из-за ограниченности диапазона применяются обычно лишь для нужд транспорта, авианавигации и для специальных видов связи.
Длинноволновые радиолинии из-за ограниченной пропускной способности и сравнительно малого диапазона действия используются главным образом для местной радиосвязи и радиовещания.
Коротковолновые радиолинии обладают достаточной дальностью действия и широко применяются во многих видах связи различного назначения.
Новые пути преодоления свойственных дальней радиосвязи недостатков открыли запуски искусственных спутников Земли (ИСЗ).
Практика подтвердила, что использование ИСЗ для связи, в особенности для дальней международной и межконтинентальной, для телевидения и телеуправления, при передаче больших объемов информации, позволяет устранить многие затруднения. Вот почему спутниковые системы связи (ССС) в короткий срок получили небывало быстрое, широкое и разностороннее применение.
1. Энергетический расчёт радиолинии
1.1. Общие положения
Линия спутниковой связи состоит из двух участков: Земля – спутник и спутник – Земля. Основной их особенностью является большая физическая протяжённость и, как следствие этого, возникновение значительных потерь сигнала, обусловленных затуханием его энергии в пространстве. При этом сигнал подвержен влиянию многих дополнительных факторов: поглощения в атмосфере, фарадеевского вращения плоскости поляризации, рефракции, деполяризации и.т.д. На приёмное устройство спутника и земной станции кроме собственных флуктуационных шумов воздействуют разного рода помехи в виде излучения Космоса, Солнца, планет и атмосферных газов. Правильный учёт влияния всех факторов позволяет оптимально спроектировать систему, обеспечить её уверенную работу в наиболее трудных условиях и в то же время исключить излишние энергетические запасы, которые могут привести к неоправданному увеличению сложности земной и бортовой аппаратуры.
1.2. Энергетический расчёт радиолинии спутник-Земля
Исходные данные:
- С-диапазон принимаемых частот;
- ширина полосы частот потока данных:
МГц;
- диаметр приёмной антенны земной станции
м;
- орбита спутникового ретранслятора: геостационарная;
Необходимо:
а) определить величину мощности сигнала на входе приёмника земной станции;
б) определить коэффициент шума приёмника;
в) определить чувствительность приёмника.
Расчёт радиолинии произведём для спутника «Экспресс-А» №1R, предназначенного для работы в международной спутниковой службе «Интерспутник», находящегося на геостационарной орбите и имеющего следующие основные характеристики:
- точка стояния ИСЗ на геостационарной орбите:
в.д;
- диапазон рабочих частот линии «Космос – Земля»:
= 3600…4200 МГц (диапа-зон 4 ГГц);
- эквивалентная изотропно излучаемая мощность (ЭИИМ):
дБВт;
- полоса пропускания ствола:
МГц ;
- поляризация при передаче сигнала : круговая левая.
Координаты земной станции спутниковой системы связи, расположенной в г. Киеве таковы:
с.ш,
в.д.
1.2.1. Определение угла места и азимута приёмной антенны земной станции
Зная координаты ИСЗ, определим угол места
и азимут А. При этом необходимо допустить, что Земля является неидеальным шаром, а возвышение земной станции над уровнем моря нулевое. Тогда угол места
и азимут можно вычислить по формуле:

![]()
где
км – высота орбиты над центром Земли;
км – радиус Земли.
Подставив значения, получим:

.
Определим значение плотности потока мощности ЭМВ, создаваемой у поверхности Земли:
![]()
где
– ЭИИМ, выраженная в Вт;
Вт
– расстояние между земной станцией и ИСЗ, м.
Расстояние между ЗС и ИСЗ находим используя геометрические соотношения из рис.1.1.
![]()
где
– радиус Земли, км;
км;
– высота орбиты над экватором Земли, км;

Спутник
Гринвичский
меридиан

Рис. 1.1. Геометрические соотношения между геостационарным спутником и ЗС
– дополнительные потери в атмосфере;
,
где
– дополнительные потери, выраженные в дБ;
В наиболее общем случае величину дополнительных потерь в реальных условиях можно представить следующим образом:
![]()
где
– потери в спокойной атмосфере, определяющиеся поглощением энергии ЭМВ в молекулярном кислороде и водяных парах тропосферы. Эти потери увеличиваются с уменьшением угла места, так как при малых углах места радиоволны проходят через большую толщу атмосферы.
Для данного случая при
и частоте диапазона
ГГц из графиков на рис.1.2:
дБ
– потери в осадках, определяющиеся поглощением энергии радиоволн в дожде, в связи с чем носят статистический характер.
Для европейской части бывшего СССР для наиболее вероятной величины времени выпадения дождей
при
и
ГГц из графиков на рис. 1.3:
дБ



Рис. 1.2. Зависимость поглощения радиоволн в спокойной атмосфе- ре (без дождя) при различных уг- лах места | Рис. 1.3. Зависимость поглощения сигнала в дожде от частоты при раз- личных углах места |
– потери из-за рефракции и неточности наведения антенн. Рефракция радиоволн приводит к образованию угла между истинным и кажущимся направлениями на спутник, в результате чего появляется дополнительное ослабление сигнала, вызванное неверным наведением антенны земной станции и спутника друг на друга. Угловое отклонение, вызванное рефракцией, составляет несколько десятых долей градуса и может быть скомпенсировано или сведено к минимуму предварительной коррекцией направленности антенн. При автоматическом наведении антенн по максимуму сигнала влияние рефракции практически исключается. Так как в диапазонах 6/4 ГГц и выше влияние рефракции пренебрежимо мало, то не будем его учитывать вообще. Однако дополнительно могут возникнуть потери из-за неточности наведения антенны, которые зависят от метода и конструкции (включая механическую часть) устройства наведения. Этот вид потерь носит неподдающийся оценке статистический характер, и может примерно на 1 дБ увеличить общие потери.
дБ
– поляризационные потери. Эти потери складываются из потерь, вызванных несогла-сованностью поляризации, потерь, связанных с эффектом Фарадея, и потерь из-за деполяризации радиоволн в осадках.
Потери, вызванные несогласованностью поляризации, возникают в результате изменения взаимной ориентации антенн земной станции и спутника, что имеет рещающее значение при
использовании линейной вертикальной или горизонтальной поляризации. Возникающие при этом потери могут доходить до 10 дБ, однако использование круговой поляризации позволяет сделать эту составляющую поляризационных потерь достаточно малой. При коэффициентах эллиптичности поляризации приёмной и передающей антенн
из графика на рис.1.4 эти потери составляют:
дБ

Рис.1.4. Зависимость потерь из-за несогласованности поляризации передающей и приёмной антенн от эллиптичности поляризации
Эффект Фарадея заключается в повороте плоскости поляризации радиоволн под действием магнитного поля Земли и оказывает наибольшее влияние на сигналы с линейной поляризацией. Так как в данной работе используется круговая поляризация, значением этой составляющей потерь можно пренебречь.
Потери из-за деполяризации радиоволн в осадках обусловлены несферичностью формы и особенностью траекторий падения дождя. Этот вид потерь носит статистический характер, связанный со статистикой выпадения дождей. Значение этих потерь можно вообще не учитывать.
Таким образом поляризационные потери равны:
дБ
Тогда суммарные дополнительные потери энергии ЭМВ составят:
дБ или
раз.
Плотность энергии ЭМВ у поверхности Земли составит:
или ![]()
![]()
1.2.2. Определение мощности радиосигнала на входе приёмного тракта
Мощность сигнала на входе приёмного тракта (выходе антенны) составляет:
(1.1)
где
– эффективная площадь приёмной антенны, м2 ;
– геометрическая площадь раскрыва антенны, м2;
– коэффициент использования поверхности. Обычно
= 0,5…0,75. Зададим
=0,7.
Геометрическая площадь раскрыва антенны диаметром
м составит:
;
м2
Эффективная площадь приёмной антенны земной станции будет равна:
м2
Таким образом, мощность сигнала на входе приёмного тракта составит:

пВт или
дБВт.
Поскольку между выходом антенны и входом приёмника включены диплексер, циркулятор и полосовой фильтр, вносящие потери 1–1,2 дБ, то уровень сигнала на входе приёмника составит:
дБВт
1.2.3. Определение мощности шума на входе приёмника и коэффициента шума приёмника
Мощность шума на входе приёмного тракта земной станции равна:
![]()
где
– постоянная Больцмана,
;
– полная эквивалентная шумовая температура приёмного тракта, приведённая ко входу облучателя, К;
– эквивалентная шумовая полоса приёмника, Гц;
–коэффициент, определяемый избирательными свойствами приёмника; обычно
=1,1…1,2. Зададим
=1,15.
Определим значение мощности шума на входе приёмного тракта исходя из отношения сигнал/шум на его входе. В качестве передаваемого ИЗС радиосигнала наиболее часто используются радиосигналы частотной модуляции (ЧМ). Так, для приёма сигнала с ЧМ необходимое отношение
составляет 10…12 дБ во избежание порога помехоустойчивости ЧМ – явлении, заключающегося в непропорционально быстром увели-чении шумов на выходе приёмника при увеличении шумов на входе .
Зададим
=10 дБ. Тогда:
Вт или
дБВт
Соответственно мощность шума на входе приёмника составит:
дБВт
Полная эквивалентная шумовая температура приёмной системы составит:
![]()
К
Коэффициент шума приёмной системы будет равен:
или
дБ
Определим эквивалентную шумовую температуру приёмника.
Полная эквивалентная шумовая температура приёмной системы, состоящей из антенны, диплексера, циркулятора, полосового фильтра и собственно приёмника, приведённая ко входу облучателя равна:
(1.1)
где TА – эквивалентная шумовая температура антенны, К ;
T0 – абсолютная температура среды (290 К);

– общие потери, вносимые в приёмный тракт диплексером, циркулятором и полосовым фильтром:
дБ или
.
Тпр – эквивалентная шумовая температура приёмника, обусловленная его внутренними шумами. Предполагая, что для проектируемой системы приёмный тракт должен быть как можно проще, выберем в качестве входного устройства приёмника транзисторный малошумящий усилитель (МШУ) и смеситель.
![]()
где
– эквивалентная шумовая температура МШУ, К;
– эквивалентная шумовая температура смесителя, К. Обычно смеситель имеет шумовую температуру порядка
К;
– коэффициент шума смесителя. Как будет показано в п. 3.2, для балансного смесителя
дБ или
;
– коэффициент усиления МШУ. Как будет показано в п. 3.4,
дБ или
=3162
Эквивалентная шумовая температура антенны земной станции может быть представлена в виде составляющих, которые обусловлены различными факторами:
![]()
где (γ) указывает, что величина данной составляющей зависит от угла места антенны земной станции;
– температура, обусловленная приёмом космического радиоизлучения. Основу этой
температуры составляют радиоизлучения Галактики и точечных радиоисточников (Солнца, Луны, планет и некоторых звёзд). Так как излучение Галактики имеет сплошной спектр и слабо поляризовано, при приёме его на антенну с любым видом поляризации можно считать, что принимаемое излучение будет половинной интенсивности, т.е. величину
следует брать с коеффициентом 0,5. Радиоизлучение Солнца является самым мощным источником, который может полностью нарушить связь, попав в главный лепесток диаграммы направленности антенны. Однако вероятность такого попадания мала: для геостационарных орбит она составляет примерно
в зависимости от долготы ИСЗ. Поэтому радиоизлучение Солнца не учитываем.
Другой радиоисточник – Луна – практически не может нарушить связь, так как её эквивалентная температура не более 200 К. Этот источник тоже не будем учитывать. Остальные радиоисточники (планеты и радиозвёзды) имеют существенно меньшую температуру шума, вероятность встречи антенны с этими источниками ещё меньше, чем с Солнцем, так как их угловые размеры малы.
Используя график на рис. 1.5 для значений угла места
и частоты
ГГц с учётом излучения спокойной атмосферы получим:
К

Рис. 1.5. Частотная зависимость шумовой температуры Галактики, Солнца и атмос- феры (без дождя) | Рис. 1.6. Частотная зависимость шумовой температуры атмосферы (с учётом дождя) |
– температура, обусловленная излучением атмосферы с учётом дождя. Это вид излучения имеет тепловой характер и в полной мере обусловлено поглощением сигналов в атмосфере (с учётом дождя).
Для наиболее вероятного значения времени выпадения дождей
при
и
ГГц из графиков на рис.1.6 получим:
К
- температура, обусловленная приёмом излучения земной поверхности через боковые лепестки диаграммы направленности антенны. Для антенны земной станции, расположенной на суше обычно принимают
, т.е:
К
– коэффициент, учитывающий уровень энергии, попадающей в антенну через боковые лепестки. Выберем с = 0,2.
Тогда эквивалентная шумовая температура антенны составит:

К
Эквивалентная шумовая температура приёмника исходя из выражения (1.1) будет равна:
K
Эквивалентная шумовая температура МШУ:
К
Коэффициент шума приёмника составит:
или
=1,46 дБ
1.2.4. Определение реальной и пороговой чувствительности приёмника
Реальная чувствительность приёмника оценивается минимальной ЭДС
(или мощ-ностью
) сигнала на входе приёмника, при которой сигнал на выходе приёмника достигает требуемого значения при заданном отношении сигнал/шум на его выходе.
Значение реальной чуствительности при стандартной температуре
=290 К оценивается следующими выражениями:
, В
, Вт
где
– соотношение сигнал/шум на выходе приёмника. Для сигналов ЧМ
=2…4. Выберем
= 2;
= 50 Ом – сопротивление антенны, согласованной с антенно-фидерным трактом с волно-вым сопротивлением 50 Ом.
В = 13,6 мкВ

Вт = 0,9 пВт или
дБВт
Под предельной чувствительностью понимается уровень сигнала на входе приёмника при равных уровнях сигнала и шума на выходе линейной части приёмника, т.е при отношении сигнал/шум на выходе приёмника равном 1.
Вт или
дБВт
Таким образом можно сделать следующий вывод:
Так как уровень сигнала на входе приёмника составляет
дБВт, а реальная чувствительность приёмника, при которой обеспечивается заданное отношение сигнал/шум на выходе его выходе
дБВт, можно сказать, что будет обеспечено требуемое качество обработки сигнала ЧМ в демодуляторе.
2. Разработка структурной схемы СВЧ тракта приёмника
2.1. Общие положения
Общий тракт приёма (ОТП) приёмного устройства предназначен для переноса прини-маемого сигнала без нарушения его структуры из области частот, используемой для радиосвязи, в область относительно низких частот, в которой его обработка оказывается наиболее эффективной. ОТП образуют тракт радиочастоты (ТРЧ) и тракты промежуточной частоты (ТПЧ) приёмного устройства.
Под СВЧ трактом приёма понимается совокупность оборудования, обеспечивающего приём СВЧ сигнала, его предварительное усиление и преобразование. В состав приёмного оборудования ОТП входит:
- антенно-фидерный тракт (волноводный, коаксиальный);
- малошумящий усилитель;
- смеситель;
- СВЧ гетеродин;
- СВЧ полосно-пропускающие фильтры.
Антенно-фидерный тракт – предназначен для передачи принятого облучателем антенны СВЧ сигнала в приёмник.
Малошумящий усилитель – устройство, выполняющее функцию предварительного усиления СВЧ сигнала до определённого уровня, обеспечивающего дальнейшую обработку этого сигнала.
Смеситель – устройство, обеспечивающее преобразование СВЧ сигнала в более низкочастотный сигнал.
СВЧ гетеродин – устройство, выполняющее функцию формирования СВЧ высокоста-бильных колебаний, которые используются смесителем для преобразования СВЧ информационного сигнала.
СВЧ ППФ – устройства, предназначенные для выделения диапазона принимаемых СВЧ сигналов.
2.2. Сравнительный анализ структурных схем СВЧ трактов
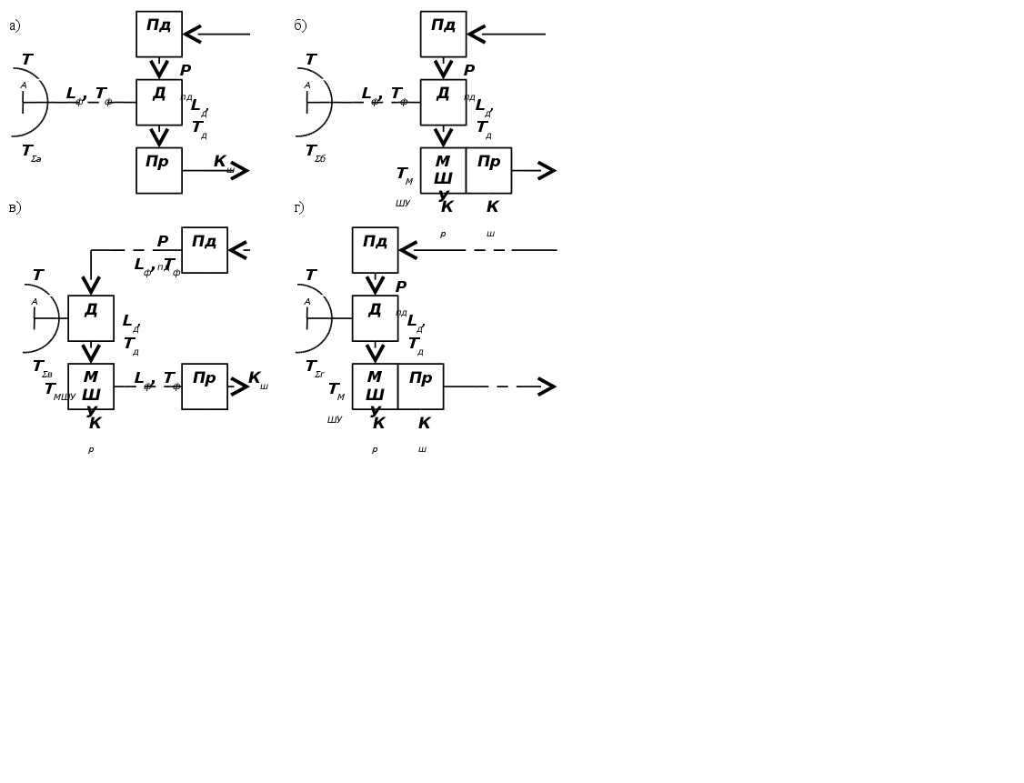
Можно выделить четыре схемы (рис 2.1, а - г) приёмопередающих трактов СВЧ, включающих: антенну с эффективной шумовой температурой
и коэффициентом передачи, принимаемым на СВЧ равным единице; передатчик
мощностью
; диплексер Д с потерями
и физической температурой
; фидер с потерями
находящийся при температуре
; МШУ с эффективной шумовой температурой
и коэффициентом усиления мощности
; приёмник Пр с коэффициентом шума
.


Рис 2.1. Структурные схемы построения приёмопередающих трактов средств связи СВЧ
Приведём необходимые для определения
выше приведённых схем известные соотношения, имеющие и самостоятельное значение.
Эффективная (эквивалентная) шумовая температура
пассивного элемента с потерями L и физической температурой Т:
(2.1)
Эффективная шумовая температура четырёхполюсника и его коэффициент шума
:
,
(2.2)
Коэффициент шума цепочки N каскадно включённых четырёхполюсников, обладающих усилением
и коэффициентом шума
:
(2.3)
Эффективная шумовая температура цепочки N четырёхполюсников:

(2.4)
Сопоставляя (2.1) и (2.2) и характеризуя пассивный четырёхполюсник коэффициентом шума
, можно заметить, что при Т=Т0 коэффициент шума численно равен ослаблению L, вносимому этим четырёхполюсником, т.е.
= L. Это обстоятельство позволяет быстро пересчитывать коэффициент шума к любой точке тракта, состоящего из цепочки пассивных элементов, добавляя к исходному значению для Кш или вычитая из него соответствующее число децибел.
Коэффициент шума реального четырёхполюсника с усилением мощности
в эффективной полосе частот равен отношению шумовой мощности на его выходе
к той её части, которая обусловлена шумами согласованной нагрузки, находящейся на входе при стандартной температуре Т0=290К:
(2.5)
где
- усиленные четырёхполюсником шумы согласованной нагрузки;
- собственные шумы четырёхполюсника.
Эффективная шумовая температура
- это не физическая температура антенны. За
принимается такая температура резистивного сопротивления
, равного сопротивлению излучения реальной антенны, при которой его мощность шумов равна мощности шумов на выходе этой реальной антенны. Величина
зависит от конструкции антенны и её антенны. Её значение изменяется в пределах от 100…150 К при нулевом угле места до 30…40 К при направлении антенны в зенит (без учёта осадков).
Подставив (2.1) – (2.3) в (2.4), получим следующие выражения для эффективной шумовой температуры приёмного тракта приведённой ко входу облучателя каждой из выше приведённых схем (рис. 2.1, а…г):
; (2.6)
; (2.7)
; (2.8)
![]()
; (2.9)
Как следует из анализа (2.6)…(2.9), наименьшее значение
имеет система, выпол-ненная по схеме рис. 2.1,г, в которой МШУ и приёмник вынесены непосредственно к антенне. Величина
падает с уменьшением
,
,
и с увеличением
.
2.3. Выбор структурной схемы СВЧ тракта приёма
В качестве приёмного выберем тракт, обеспечивающий минимум суммарной эффективной шумовой температуры. Это реально позволяет снизить уровень шумов тракта и увеличить чувствительность приёмника, понизить требования к элементам тракта, т.е упростить его, что является очень важным элементом при построении спутниковой системы связи. Структурная схема этого тракта показана на рис.2.2.

Рис. 2.2. Структурная схема выбранного приёмного тракта СВЧ
Существует два основных типа структурных схем радиоприёмников: прямого усиления и супергетеродинного типа. Выбор типа структуры ОТП осуществим на основании сравнения заданных исходных данных с обобщенными реализуемыми характеристиками приемников, построенных по каждой из схем.
По структурной схеме бывают приёмники прямого усиления и приёмники супергетеро-динного типа.

Рис. 2.3. Структурная схема приёмника прямого усиления
Структурная схема приёмника прямого усиления (рис. 2.3) включает входную цепь (ВЦ), усилитель радиочастоты (УРЧ), демодулятор (Д), усилитель низкой частоты (УНЧ) и оконечное устройство (ОУ).
Достоинства приёмников прямого усиления:
простота построения и дешевизна;
несложная перестройка в диапазоне частот при условии малого коэффициента перек-
рытия по частоте;
отсутствие побочных каналов приёма;
Недостатки:
низкая чуствительность из-за трудностей получения большого усиления на высоких
частотах;
слабая избирательность, а также неравномерность избирательных свойств в диапазоне
рабочих частот, поскольку для любых избирательных систем их полоса пропускания растёт с ростом частоты:
,
где
– добротность избирательной системы.
Таким образом, можно утверждать, что структурная схема приёмника прямого усиления не может быть использована при построении СВЧ тракта, так как не обеспечиваются требования по получению реальной чувствительности
дБВт и избирательности частотного ствола с полосой
МГц.
Приёмные тракты земных станций спутниковых систем связи обычно выполняют по супергетеродинной схеме (рис 2.4).
Структурная схема приёмника супергетеродинного типа включает тракт радиочастоты (ТРЧ) и дополнительно тракт промежуточной частоты (ТПЧ), состоящий из смесителя (СМ), усилителя промежуточной частоты (УПЧ) и гетеродина (Г), которые образуют общий тракт приёма (ОТП). В тракте ПЧ осуществляется перенос радиосигнала на постоянную и более низкую промежуточную частоту
, на которой легче реализовать фильтры с узкой полосой пропускания и крутыми скатами характеристики затухания для лучшего ослабления

Рис.2.4. Структурная схема супергетеродинного приёмника
помех соседнего колебания и следовательно обеспечить более высокую избирательность по сравнению с приёмником прямого усиления.
Такая схема построения позволяет получить большой коэффициент усиления (без опас-
ности самовозбуждения тракта), т.е обеспечить высокую чувствительность системы.
Недостатки:
гораздо большая сложность и стоимость;
возможность попадания в антенну с последующим излучением колебания гетеродина;
появление побочных каналов приёма (зеркальный канал приёма, канал промежуточной частоты, соседний канал приёма).
Для подавления побочных каналов приёма применяется двойное, тройное а иногда и чет-вертное преобразование частоты.
2.4. Выбор количества преобразований частоты
При проектировании супергетеродинного приёмника следует стремиться к одному преобразованию частоты в приёмнике, поскольку увеличение числа преобразований приводит к росту количества побочных каналов приёма. Однако при строгих требованиях ослабления помех в зеркальном и соседних каналах приёма может возникнуть необходимость применения двух, а иногда и трёх преобразований частоты. Поскольку определение количества преобразований частоты и выбор номиналов ПЧ
многовариантны при учёте всего комплекса требований к приёмнику, то процесс проектирования носит итеративный характер.
Из-за невозможности реализовать в избирательных системах ТРЧ и ТПЧ коэффициент прямоугольности
, меры по ослаблению помех по зеркальному каналу и помех соседних каналов, а также канала ПЧ, являются взаимно противоречивыми. Для их одновременного
удовлетворения необходимо определить диапазон возможных значений
, в пределах которого выполнение требований по подавлению в ТРЧ помехи зеркального канала из-за «увода» ПЧ вверх позволяет реализовать заданную величину ослабления помех
соседних каналов приёма и помехи по ПЧ. Если такой диапазон найден, то производится выбор
, если нет – принимается решение об использовании большего числа преобразований частоты, где удовлетворение противоречивых требований по подавлению помехи зеркального канала, канала ПЧ и соседнего канала производится раздельно. Кроме того, при выборе промежуточных частот желательно, чтобы их номиналы не находились в диапазонах частот мощных радиостанций (вещательных, точного времени и т.д.) и соответствовали некоторым нормированным значениям. На выбранной промежуточной частоте последнего преобразования должно обеспечиваться требуемое ослабление помех соседних каналов приёма при заданной величине коэффициента прямоугольности характеристики основной избирательности, а также качественная демодуляция принимаемых сигналов.
Выберем схему с двойным преобразованием частоты (рис.2.5), которая позволяет улучшить односигнальную избират