Синтез логической функции и анализ комбинационных схем
МІНІСТЕРСТВО ОСВІТИ І НАУКИ УКРАїНИ
СУМСЬКИЙ ТЕХНІКУМ ХАРЧОВОї ПРОМИСЛОВОСТІ
П О Я С Н Ю В А Л Ь Н А З А П И С К А
ДО КУРСОВОї РОБОТИ
НА ТЕМУ:
«Синтез логічної функції та аналіз комбінаційних схем»
по курсу
“Прикладна теорія цифрових автоматів”
Керівник роботи: Оксана ВалеріївнаКущенко
Роботу виконав студент групи е-03: Андрій Сергійович .Зігуля
2000
РОЗГЛЯНУТО НА ЗАСІДАННІ ЦИКЛОВОї КОМІСІї
ЕЛЕКТРОННО-ОБЧИСЛЮВАЛЬНОї ТЕХНІКИ
“”2000р. ПРОТОКОЛ №.
голова комісіїО.І.Перелука
Сумський технікум харчової промисловості
Спеціальності 5.091504 “Обслуговування комп`ютерних та інтелектуальних систем і мереж”
КурсГрупаСеместр.
З А В Д А Н Н Я
НА КУРСОВУ РОБОТУ
![]()
![]()
1
.Тема роботи:
![]()
2
.Термін здачі студентом закінченої роботи:
3
.Вихідні дані до роботи:
![]()
![]()
![]()
![]()
З
міст пояснювальної записки (перелік питаннь, що підлягають розробці):
![]()
![]()
![]()
![]()
![]()
4
.Перелік графічного матеріалу (з точним вказанням обов`язкових креслень):
![]()
Дата видачі:2000р.
Дата закінчення:2000р.
Студент:.
Консультант:.
Викладач-керівник:.
Зміст
| Сторінка |
Вступ
Значення імпульсної техніки в радіоелектроніці
Імпульсні режими роботи відіграють велику роль в радіоелектроніці. Імпульсний метод роботи дає можливість знайти принципіальне і поруч з цим просте рішення такої важливої задачі, як вимірювання відстанейй за допомогою радіоволн, що викликало розвиток імпульсної радіолокації. Цей же принцип використовується в радіонавігації (в імпульсних системах управління літаками, а також визначення виссоти їхнього польоту). Імульсні методи роботи дають змогу зробити кодирований зв`язок, який відрізняється високою скритністю і захищеністю від завад, а також багатоканальний зв`язок на одній волні. Широко використовуються імпульсні режими у телебаченні, де сигнали зображення і синхронізації являються імпульсними, радіотелеуправлінні повітряними апаратами, в космічній радіоелектронній і електронній апаратурі, в інформаційно-вимірювальній техніці і при різних областях науки і техніки.
Важливу виконуючу роль відіграють імпульсні методи роботи у сучасних ЕОМ і різних цифрових автоматах, при автоматичній обробці інформації.
В широко розвинених каскадах таких автоматів виконуються різні функціональні перетворення імпульсних сигналів, передаючих інформацію і виконуються потрібні логічні операції над імпульсами за допомогою спеціальних логічних схем і пристроїв селекції імпульсів. Таким шляхом виконується виділення імпульсних сигналів , несучих інформацію, аналіз і впізнавання потрібного змісту інформації і форматування сигналів для регістрації обработаної інформації або для управління роботою пристроїв, реалізуючих прийняту інформацію.
Розвиток автоматичних методів обробки інформації тісно пов`язаний з розвитком швидкодіючих ЕОМ і цифрових автоматів на основі широкого використання напівпровідникових пристроїв і високо надійних мікро-електронних схем, також працюючих в імпульсному режимі.
1. Переведення чисел в різні системи счислення
Існують два способи перекладу чисел з однієї позиційної системи числення з основою h в іншу з основою h*. Вони відрізняються один від одного системою числення, в якій виробляються дії над числами в процесі перекладу.
Розглянемо перший спосіб перекладу з використанням арифметики початкової системи числення. Для цього способу порядок перекладу цілих чисел відрізняється від перекладу дробів. Для того щоб перевести ціле число Х з системи з основою h в нову систему з основою h*, необхідно послідовно ділити задане число і що виходять в процесі розподілу приватні на основу нової системи h*, виражену в колишній (початкової) системі, доти, поки останнє приватне не виявиться менше нової основи h*. Результат перекладу запишеться у вигляді послідовності цифр, записаних зліва направо починаючи з останнього приватного і кінчаючи першим залишком (тобто число молодшого розряду є перший залишок і т. д.). Всі арифметичні дії в процесі розподілу числа виготовляються в початковій h-системі.
Задані 5ть десяткових цифр перевести в коди:
д
війковий:
1![]()
.1.1 4 2
![]()
- 4 2 2
0 2 1
0
4(10)=100(2)
1![]()
![]()
![]()
![]()
![]()
.1.2 6 2
![]()
- 6 3 2
0 2 1
1
6(10)=110(2)
1![]()
![]()
.1.3 8 2
![]()
![]()
- 8 4 2 2
0 4 2 1
![]()
0 2
0
8(10)=1000(2)
1![]()
![]()
.1.4 12 2
![]()
![]()
- 12 6 2 2
0 6 3 1
![]()
0 2
1
12(10)=1100(2)
1![]()
![]()
.1.5 15 2
![]()
![]()
- 14 7 2 2
1 6 3 1
![]()
1 2
1
15(10)=1111(2)
вісімковий:
4(10)=4(8)
6(10)=6(8)
8(10)=10(8)
12(10)=14(8)
15(10)=17(8)
шістнадцятковий:
4(10)=4(16)
6(10)=6(16)
8(10)=8(16)
12(10)=С(16)
15(10)=F(16)
2.Виконання арифметичних дій в різних позиційних системах
2.1 До першого числа додати четверте:
Додавання у різних системах счисленя відбувається по аналогії з додаванням у десятковому коді, але за один десяток в різних системах числення вважається різне число, наприклад у восмирічній 10(10)=8(8) і т.д.
2.1.1 0100(2)+1100(2)=100000(2)
1
0100
![]()
![]()
+ 1100
10000
2.1.2 4(8)+8(8)=16(8)
4
+ 8
16
2.1.2 4(16)+С(16)=10(16)
4
+ С
10
2.2 помножити друге число на третє:
Множення, у різних системах счисленя, також відбувається по аналогії з множенням у десятковому коді, але за один десяток в різних системах числення вважається різне число.
2.2.1 0100(2)1100(2)=0110000(2)
0100
![]()
1100
0000
+ 1000
+ 1000
+ 0000
0110000
2.2.2 14(8)6(8)=92(8)
3
14
6
110
2.2.3 С(16)6(16)=48(16)
3
12
![]()
![]()
![]()
6
72 16
+ 64 4
8
2.3 відняти двійковий код 2го числа від 5 у прямому зворотньому та додатковому коді:
2.3.1 віднімання в прямому коді:
1111
0110
1001 3 2 1 0
Перевірка -> 15(10)-6(10)=9(10) 1001(2)=23+30=8+1=9(10)
2.3.2 віднімання у зворотньому коді:
0 1111
1
0110
1
01000
1
![]()
1001
2.3.3 віднімання у додатковому коді:
1111
0110
1001
0110 – прямий код
1001 – зворотній код
1010 – додатковому коді
3.Побудова таблиці становищ та аналітичного виразу логічної функції
2.4 Скласти таблицю станів з двох кодів:
х1х2х3х4 | У | |
1 2 3 4 5 | 0 1 0 0 0 1 1 0 1 0 0 0 1 1 0 0 1 1 1 1 | 0 0 1 1 1 |
3. За складеною таблицею і заданою функцією у:
3.1 Знаййти аналітичний вираз логічної функції за допомогою СДНФ:
_ _ _ _ _
f=x1 x2 x3 x4 x1 x2 x3 x4 x1 x2 x3 x4
3.2 Знаййти аналітичний вираз логічної функції за допомогою СКНФ:
_ _ _
f=(x1x2x3x4)(x1x2x3x4)
3.3 Мінімізувати отримані логічні функції використовуючи карти Карно та закони булевої алгебри:
_ _ _ _ _
СДНФ: f=x1x3x4(x2x2)x1x2x3x4=x1x3x4x1x2x3x4
СКНФ:
f=x1x1x2x1x3x1x4x2x1x2x2x3x2x4x3x1x3x2x3x4x4x1x4x2x4x3x4
Карта Карно:
1 | 1 | ||
1 | |||
Мал.1

Мал.2
3.5 Записати отримане рівняння:
_ _
y=x1x3x4x1x2x3x4
4.Мінімізація логічних функцій в різних базисах
Мінімізація – називається пошук коротких форм представлення, перемикаючих функцій для скорочення числа фізичних елементів призначених для реалізації цих функцій.
Мінімізація досягається за допомогою законів булевої алгебри.
Існує декілька законів:
Аналітичний.
Графічний.
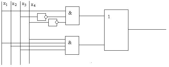
3.6 Синтезувати мінімізовану функцію в базисах И-НЕ, И-ИЛИ-НЕ, ИЛИ-НЕ.
И-ИЛИ-НЕ

Мал.3 Базис И-ИЛИ-НЕ
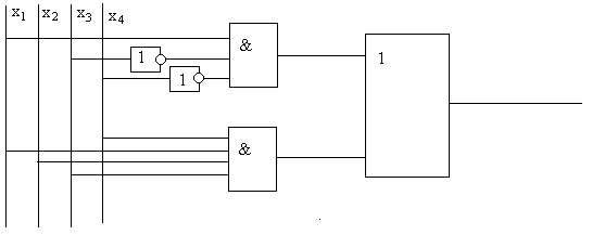
И-НЕ

Мал.4 Базис И-НЕ
![]()
_ _
y=x1x3x4x1x2x3x4
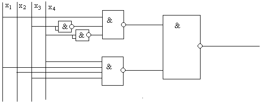
ИЛИ-НЕ
![]()
![]()
![]()
_ _
y=x1x3x4x1x2x3x4

Мал.5 Базис ИЛИ-НЕ
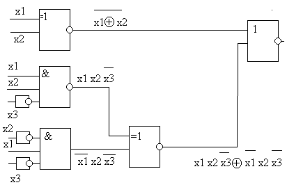
5.Аналіз заданої схеми
Проаналізувати задану схему:
намалювати задану схему:

Мал 6. Задана схема.
скласти аналітичний вираз функції заданої схеми:
_ _ _
y
=(x1x2)((x1x2x3)(x1x2x3))
Висновок
При виконанні цієї курсової роботи я закріпив той матеріал, який ми проходили по курсу “Прикладна теорія цифрової автоматизації”. Також зрозумів практичне примінення синтезу логічних функцій та аналізу комбінаційних схем.
Література:
1. Я.С.Ицхоки, Н.И.Овчинников “Импульсные и цифровые устройства” Москва “Советское радио” 1973.
2. Б.А.Трахтенброт “Алгоритмы и вычислительные автоматы” Москва “Советское радио” 1974
3. О.В.Кущенко “Конспект лекцій з предмету: “Прикладна теорія цифрових автоматів”” Суми СТХП 2000