Расчет элементов высокочастотной коррекции усилительных каскадов на биполярных транзисторах
Расчет элементов высокочастотной коррекции является неотъемлемой частью процесса проектирования усилительных устройств, как одного из классов аналоговых электронных устройств. В известной учебной и научной литературе материал, посвященный этой проблеме, не всегда представлен в удобном для проектирования виде. К тому же в теории усилителей нет достаточно обоснованных доказательств преимущества использования того либо иного схемного решения при разработке конкретного усилительного устройства. В этой связи проектирование широкополосных усилителей во многом основано на интуиции и опыте разработчика. При этом, разные разработчики, чаще всего, по-разному решают поставленные перед ними задачи, достигая требуемых результатов. В этой связи в данном пособии собраны наиболее известные и эффективные схемные решения построения широкополосных усилительных устройств на биполярных транзисторах, а соотношения для расчета коэффициента усиления, полосы пропускания и значений элементов высокочастотной коррекции даны без выводов. Ссылки на литературу позволяют найти, при необходимости, доказательства справедливости приведенных соотношений. Поскольку, как правило, широкополосные усилители работают в стандартном 50 либо 75-омном тракте, соотношения для расчета даны исходя из условий, что оконечные каскады усилителей работают на чисто резистивную нагрузку, а входные каскады усилителей работают от чисто резистивного сопротивления генератора.
1. ИСХОДНЫЕ ДАННЫЕ ДЛЯ РАСЧЕТА
В соответствии с (1, 2, 3), приведенные ниже соотношения для расчета усилительных каскадов основаны на использовании эквивалентной схемы замещения транзистора, приведенной на рис. 1.1, либо на использовании его однонаправленной модели, приведенной на рис. 1.2.

Рис. 1.1. Эквивалентная схема Джиаколетто

Рис. 1.2. Однонаправленная модель
Значения элементов схемы Джиаколетто могут быть рассчитаны по паспортным данным транзистора по следующим формулам (1):
;
;
;
;
;
;
,
где
- емкость коллекторного перехода;
- постоянная времени цепи обратной связи;
- статический коэффициент передачи тока в схеме с общим эмиттером;
- граничная частота коэффициента передачи тока в схеме с общим эмиттером;
- ток эмиттера в рабочей точке в миллиамперах;
=3 - для планарных кремниевых транзисторов;
=4 - для остальных транзисторов.
В справочной литературе значения
и
часто приводятся измеренными при различных значениях напряжения коллектор-эмиттер
. Поэтому при расчетах
значение
следует пересчитать по формуле (1)
,
где
- напряжение
, при котором производилось измерение
;
- напряжение
, при котором производилось измерение
.
Поскольку
и
оказываются много меньше проводимости нагрузки усилительных каскадов, в расчетах они обычно не учитываются.
Значения элементов схемы замещения, приведенной на рис. 1.2, могут быть рассчитаны по следующим формулам (3, 4):
;
;
;
,
где
,
- индуктивности выводов базы и эмиттера;
- максимально допустимое постоянное напряжение коллектор-эмиттер;
- максимально допустимый постоянный ток коллектора.
При расчетах по эквивалентной схеме приведенной на рис. 1.2, вместо
используют параметр
- коэффициент усиления транзистора по мощности в режиме двухстороннего согласования (2), равный:
, (1.1)
где
=
- круговая частота, на которой коэффициент усиления транзистора по мощности в режиме двухстороннего согласования равен единице;
- текущая круговая частота.
Формула (1.1) и однонаправленная модель (рис. 1.2) справедливы для области рабочих частот выше
(5).
2.РАСЧЕТ НЕКОРРЕКТИРОВАННОГО КАСКАДА С ОБЩИМ ЭМИТТЕРОМ
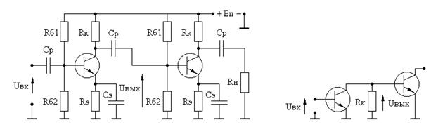
2.1. ОКОНЕЧНЫЙ КАСКАД
Принципиальная схема оконечного некорректированного усилительного каскада приведена на рис. 2.1,а, эквивалентная схема по переменному току - на рис. 2.1,б, где
- разделительный конденсатор,
- резисторы базового делителя,
- резистор термостабилизации,
- блокировочный конденсатор,
- сопротивление в цепи коллектора,
- сопротивление нагрузки.
При отсутствии реактивности нагрузки, полоса пропускания каскада определяется параметрами транзистора. В соответствии с (1) коэффициент усиления каскада в области верхних частот можно описать выражением:
,
где
;
- текущая круговая частота;
; (2.1)
; (2.2)
; (2.3)
; (2.4)
.

а) б)
Рис. 2.1
При заданном уровне частотных искажений
, верхняя граничная частота
полосы пропускания каскада равна:
=
. (2.5)
Входное сопротивление каскада может быть аппроксимировано параллельной RC цепью (1):
; (2.6)
. (2.7)
Пример 2.1. Рассчитать
,
,
,
каскада, приведенного на рис. 2.1, при использовании транзистора КТ610А (6)(
= 5 Ом,
= 1 Ом,
= 0,0083 Сим,
= 4 пФ,
=160 пФ,
= 1 ГГц,
=120,
=0,95 А/В,
= 0,99,
= 55 мА), и условий:
= 50 Ом;
= 0,9;
= 10.
Решение. При известных
и
, в соответствии с (2.1), имеем:
= 10,5 Ом. Зная
, находим:
= 13,3 Ом. По формуле (2.2) определим:
= 1,03×10-9с. Подставляя известные
и
в соотношение (2.5) получим:
= 74,9 МГц. По формулам (2.6) и (2.7) определим
= 196 пФ,
= 126 Ом.
2.2. ПРОМЕЖУТОЧНЫЙ КАСКАД
Принципиальная схема каскада приведена на рис. 2.2,а, эквивалентная схема по переменному току - на рис. 2.2,б.

а) б)
Рис. 2.2
В соответствии с (1) коэффициент усиления каскада в области верхних частот описывается выражением:
,
где
; (2.8)
; (2.9)
; (2.10)
– входное сопротивление и входная емкость нагружающего каскада.
Значения
, входное сопротивление и входная емкость каскада рассчитываются по формулам (2.5), (2.6), (2.7).
Пример 2.2. Рассчитать
,
,
,
каскада, приведенного на рис. 2.2, при использовании транзистора КТ610А (данные транзистора приведены в примере 2.1) и условий:
= 0,9;
= 10;
,
нагружающего каскада - из примера 2.1.
Решение. По известным
и
из (2.8) получим:
= 10.5 Ом. Зная
из (2.10) найдем:
= 11,5 Ом. По формуле (2.9) определим:
= 3×10-9 с. Подставляя известные
,
в соотношение (2.5) получим
= 25,5 МГц. По формулам (2.6) и (2.7) определим
= 126 Ом,
= 196 пФ.
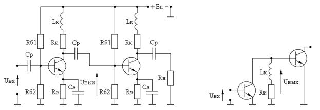
3. РАСЧЕТ КАСКАДА С ВЫСОКОЧАСТОТНОЙ ИНДУКТИВНОЙ КОРРЕКЦИЕЙ
3.1. ОКОНЕЧНЫЙ КАСКАД
Принципиальная схема каскада с высокочастотной индуктивной коррекцией приведена на рис. 3.1,а, эквивалентная схема по переменному току - на рис. 3.1,б.

а) б)
Рис. 3.1
При отсутствии реактивности нагрузки высокочастотная индуктивная коррекция вводится для коррекции искажений АЧХ вносимых транзистором. Корректирующий эффект в схеме достигается за счет возрастания сопротивления коллекторной цепи с ростом частоты усиливаемого сигнала и компенсации, благодаря этому, шунтирующего действия выходной емкости транзистора.
В соответствии с (1) коэффициент усиления каскада в области верхних частот, при оптимальном значении
равном:
, (3.1)
описывается выражением:
,
где
; (3.2)
; (3.3)
; (3.4)
; (3.5)
и
рассчитываются по (2.3) и (2.4).
При заданном значении
,
каскада равна:
=
. (3.6)
Значения
,
каскада рассчитываются по формулам (2.6), (2.7).
Пример 3.1. Рассчитать
,
,
,
,
каскада с ВЧ индуктивной коррекцией, схема которого приведена на рисунке 3.1, при использовании транзистора КТ610А (данные транзистора приведены в примере 2.1) и условий
= 50 Ом;
= 0,9;
= 10.
Решение. По известным
и
из (3.2) получим
= 10,5 Ом. Зная
из (3.3) найдем
= 13,3 Ом. Рассчитывая
по (3.5) и подставляя в (3.1) получим
= 13,7×10-9 Гн. Определяя tк по (3.4) и подставляя в (3.6) определим
= 350 МГц. По формулам (2.6), (2.7) найдем
= 196 пФ,
= 126 Ом.
3.2. ПРОМЕЖУТОЧНЫЙ КАСКАД
Принципиальная схема промежуточного каскада с высокочастотной индуктивной коррекцией приведена на рис. 3.2,а, эквивалентная схема по переменному току - на рис. 3.2,б.

а) б)
Рис. 3.2
В соответствии с (1) коэффициент усиления каскада в области верхних частот, при оптимальном значении
равном:
, (3.7)
определяется выражением:
,
где
; (3.8)
; (3.9)
; (3.10)
; (3.11)
– входное сопротивление и емкость нагружающего каскада;
и
рассчитываются по (2.3) и (2.4).
Значения
,
,
каскада рассчитываются по формулам (3.6), (2.6), (2.7).
Пример 3.2. Рассчитать
,
,
,
,
каскада с ВЧ индуктивной коррекцией, схема которого приведена на рис. 3.2, при использовании транзистора КТ610А (данные транзистора приведены в примере 2.1) и условий:
= 0,9;
= 10;
,
нагружающего каскада - из примера 2.1.
Решение. По известным
и
из (3.8) получим
= 10,5 Ом. Зная
из (3.9) найдем
= 11,5 Ом. Рассчитывая
по (3.11) и подставляя в (3.7) получим
= 34,7×10-9 Гн. Определяя
по (3.10) и подставляя в (3.6) определим
= 308 МГц. По формулам (2.6), (2.7) найдем
= 196 пФ,
= 126 Ом.
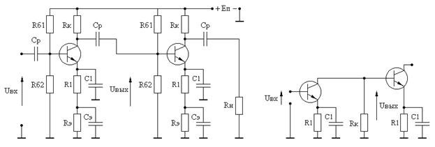
4. РАСЧЕТ КАСКАДА С ЭМИТТЕРНОЙ КОРРЕКЦИЕЙ
4.1. ОКОНЕЧНЫЙ КАСКАД
Принципиальная схема каскада с эмиттерной коррекцией приведена на рис. 4.1,а, эквивалентная схема по переменному току - на рисунке 4.1,б, где
- элементы коррекции. При отсутствии реактивности нагрузки эмиттерная коррекция вводится для коррекции искажений АЧХ вносимых транзистором, увеличивая амплитуду сигнала на переходе база-эмиттер с ростом частоты усиливаемого сигнала.

а) б)
Рис. 4.1
В соответствии с (1), коэффициент передачи каскада в области верхних частот, при выборе элементов коррекции
и
соответствующими оптимальной по Брауде форме АЧХ, описывается выражением:
, (4.1)
где
;
- нормированная частота;
;
;
; (4.2)
; (4.3)
- глубина ООС; (4.4)
; (4.5)
; (4.6)
. (4.7)
При заданном значении
, значение
определяется выражением:
. (4.8)
Подставляя известные
и
в (4.1) найдем:
, (4.9)
где
.
Входное сопротивление каскада с эмиттерной коррекцией может быть аппроксимировано параллельной RC-цепью (1):
; (4.10)
. (4.11)
Пример 4.1. Рассчитать
,
,
,
,
каскада с эмиттерной коррекцией, схема которого приведена на рисунке 4.1, при использовании транзистора КТ610А (данные транзистора приведены в примере 2.1) и условий:
= 0,9;
= 10;
= 100 Ом.
Решение. По известным
,
,
и
из (4.2), (4.3) получим:
= 4,75. Подставляя
в (4.4) и (4.8) найдем
= 4 Ом;
= 1,03. Рассчитывая
по (4.7) и подставляя в (4.5), (4.6) получим:
= 50,5 пФ. По известным
,
,
,
и
из (4.9) определим:
= 407 МГц. По формулам (4.10), (4.11) найдем
= 71 пФ,
= 600 Ом.
4.2. ПРОМЕЖУТОЧНЫЙ КАСКАД
Принципиальная схема промежуточного каскада с эмиттерной коррекцией приведена на рис. 4.2,а, эквивалентная схема по переменному току - на рис. 4.2,б.

а) б)
Рис. 4.2
В соответствии с (1), коэффициент передачи каскада в области верхних частот, при выборе элементов коррекции
и
соответствующими оптимальной по Брауде форме АЧХ, описывается выражением:
, (4.12)
где
;
- нормированная частота;
;
;
; (4.13)
; (4.14)
- глубина ООС; (4.15)
; (4.16)
; (4.17)
; (4.18)
; (4.19)
– входное сопротивление и емкость нагружающего каскада;
и
рассчитываются по (2.3) и (2.4).
При заданном значении
, значение
определяется выражением:
, (4.20)
Подставляя известные
и
в (4.12) найдем:
, (4.21)
где
.
Входное сопротивление и входная емкость каскада рассчитываются по соотношениям (4.10) и (4.11).
Пример 4.2. Рассчитать
,
,
,
,
промежуточного каскада с эмиттерной коррекцией, схема которого приведена на рис. 4.2, при использовании транзистора КТ610А (данные транзистора приведены в примере 2.1) и условий:
= 0,9;
=10;
,
нагружающего каскада - из примера 4.1;
.
Решение. По известным
,
и
из (4.13) получим:
= 28,5. Подставляя
в (4.15) найдем:
= 29 Ом. Рассчитывая по формуле (4.19) значение n и подставляя его в (4.20) определим:
= 0,76. Зная
, по (4.16) и (4.17) рассчитаем:
= 201 пФ. По известным
,
,
,
и
из (4.21) найдем:
= 284 МГц. По формулам (4.10), (4.11) определим:
= 44 пФ;
=3590 Ом.
5. КОРРЕКЦИЯ ИСКАЖЕНИЙ ВНОСИМЫХ ВХОДНОЙ ЦЕПЬЮ
5.1. РАСЧЕТ ИСКАЖЕНИЙ ВНОСИМЫХ ВХОДНОЙ ЦЕПЬЮ
Принципиальная схема входной цепи каскада приведена на рис. 5.1,а, эквивалентная схема по переменному току - на рис. 5.1,б.

а) б)
Рис. 5.1
При условии аппроксимации входного сопротивления каскада параллельной RC-цепью, коэффициент передачи входной цепи в области верхних частот описывается выражением (1):
,
где
; (5.1)
; (5.2)
;
–
входное сопротивление и входная емкость каскада.
Значение
входной цепи рассчитывается по формуле (2.5), где вместо
подставляется величина
.
Пример 5.1. Рассчитать
и
входной цепи, схема которой приведена на рис. 5.1, при использовании транзистора КТ610А (данные транзистора приведены в примере 2.1) и условий:
= 50 Ом и
= 0,9.
Решение. Из примера 2.1 имеем:
= 126 Ом,
= 196 пФ. Зная
и
из (5.1) получим:
= 0,716. По (5.2) найдем:
= 7×10-9 с. Подставляя известные
и
в (2.5) определим:
= 11 МГц.
5.2. РАСЧЕТ ВХОДНОЙ КОРРЕКТИРУЮЩЕЙ ЦЕПИ
Из приведенных выше примеров расчета видно, что наибольшие искажения АЧХ обусловлены входной цепью. Для расширения полосы пропускания входных цепей в (7) предложено использовать схему, приведенную на рис. 5.2.

а) б)
Рис. 5.2
Работа схемы основана на увеличении сопротивления цепи
с ростом частоты усиливаемого сигнала и компенсации, благодаря этому, шунтирующего действия входной емкости каскада. Коэффициент передачи входной цепи в области верхних частот можно описать выражением (1):
,
где
; (5.3)
;
;
;
(5.4)
–
входное сопротивление и входная емкость каскада.
Значение
, соответствующее оптимальной по Брауде АЧХ, рассчитывается по формуле:
. (5.5)
При заданном значении
и расчете
по (5.5) верхняя частота полосы пропускания входной цепи равна:
, (5.6)
где
.
Пример 5.2. Рассчитать
,
,
входной цепи, приведенной на рис. 5.2, при использовании транзистора КТ610А (данные транзистора приведены в примере 2.1) и условий:
= 50 Ом,
= 0,9, допустимое уменьшение
за счет введения корректирующей цепи – 5 раз.
Решение. Из примера 5.1 имеем:
= 126 Ом,
= 196 пФ,
= 0,716. Используя соотношение (5.3) и условия задачи получим:
= 10 Ом. Подставляя
в (5.5) найдем:
= 7,54 нГн. Подставляя результаты расчетов в (5.6), получим:
= 108 МГц. Используя соотношения (5.4), (2.5) определим, что при простом шунтировании каскада резистором
= 10 Ом
каскада оказывается равной 50 МГц.
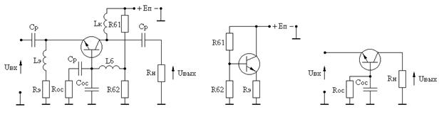
5.3. РАСЧЕТ КАСКАДА С ПАРАЛЛЕЛЬНОЙ ОТРИЦАТЕЛЬНОЙ ОБРАТНОЙ СВЯЗЬЮ
Для исключения потерь в усилении, обусловленных использованием входной корректирующей цепи (см. раздел 5.2), в качестве входного каскада может быть использован каскад с параллельной ООС. Принципиальная схема каскада приведена на рис. 5.3,а, эквивалентная схема по переменному току - на рис. 5.3,б.

а) б)
Рис. 5.3
Особенностью схемы является то, что при большом значении входной емкости нагружающего каскада и глубокой ООС (
мало) в схеме, даже при условии
= 0, появляется выброс на АЧХ в области верхних частот. Поэтому расчет каскада следует начинать при условии:
= 0. В этом случае коэффициент передачи каскада в области верхних частот описывается выражением:
, (5.7)
где
; (5.8)

;
;
;
–
входное сопротивление и емкость нагружающего каскада.
При заданном значении
,
каскада равна:
, (5.9)
где
.
Формулой (5.9) можно пользоваться в случае, если
. В случае
схема имеет выброс на АЧХ и следует увеличить
. Если окажется, что при ![]()
![]()
меньше требуемого значения, следует ввести
. В этом случае коэффициент усиления каскада в области верхних частот описывается выражением:
, (5.10)
где
; (5.11)
;

;
;
.
Оптимальная по Брауде АЧХ достигается при условии:
. (5.12)
При заданном значении
,
каскада может быть найдена после нахождения действительного корня
уравнения:
, (5.13)
где
.
При известном значении
,
каскада определяется из условия:
. (5.14)
Пример 5.3. Рассчитать
,
,
каскада с параллельной ООС, схема которого приведена на рис. 5.3, при использовании транзистора КТ610А (данные транзистора приведены в примере 2.1) и условий:
= 50 Ом,
= 0,9,
= 1,5,
нагружающего каскада – из примера 4.2 (
= 44 пФ,
= 3590 Ом).
Решение. По известным
и
из (5.11) определим
=75 Ом. Рассчитывая
и
формулы (5.7) найдем, что
. Поэтому следует увеличить значение
. Выберем
= 6. В этом случае из (5.11) определим:
= 150 Ом. Для данного значения ![]()
. По формуле (5.9) получим:
= 76 МГц. Для расширения полосы пропускания рассчитаем
по (5.12):
=57 нГн. Теперь найдем действительный корень уравнения (5.13):
, и по (5.14) определим:
= 122 МГц.
6. СОГЛАСОВАННЫЕ КАСКАДЫ С ОБРАТНЫМИ СВЯЗЯМИ
6.1. РАСЧЕТ КАСКАДА С КОМБИНИРОВАННОЙ ООС
Принципиальная схема каскада с комбинированной ООС приведена на рис. 6.1,а, эквивалентная схема по переменному току - на рис. 6.1,б.

а) б)
Рис.6.1
Совместное использование параллельной ООС по напряжению и последовательной ООС по току позволяет стабилизировать коэффициент усиления каскада, его входное и выходное сопротивления. При условии
>>
и выполнении равенств:
(6.1)
схема оказывается согласованной по входу и выходу с КСВН не более 1,3 в диапазоне частот, где выполняется условие
³ 0,7. Поэтому взаимное влияние каскадов друг на друга при их каскадировании отсутствует (8).
При выполнении условий (6.1), коэффициент передачи каскада от генератора в нагрузку в области верхних частот описывается выражением:
, (6.2)
где
; (6.3)
;
;
;
.
Задаваясь значением
, из (6.1) и (6.3) получим:
. (6.4)
При заданном значении
,
каскада равна:
, (6.5)
где
.
В (9) показано, что при выполнении условий (6.1) ощущаемое сопротивление нагрузки транзистора каскада с комбинированной ООС равно
, а максимальная амплитуда сигнала, отдаваемого каскадом в нагрузку, составляет величину:
, (6.6)
где
- максимальное значение выходного напряжения отдаваемого транзистором.
Пример 6.1. Рассчитать
,
,
каскада приведенного на рис. 6.1, при использовании транзистора КТ610А (данные транзистора приведены в примере 2.1) и условий:
= 50 Ом;
=0,9;
=3.
Решение. По известным
и
из (6.4) получим:
=200 Ом. Подставляя
в (6.1) найдем:
=12,5 Ом. Рассчитывая коэффициенты
,
формулы (6.2) и подставляя в (6.5) определим:
=95 МГц. Теперь по (6.6) можно найти величину потерь выходного сигнала, обусловленных использованием ООС:
.
6.2. РАСЧЕТ КАСКАДОВ С ПЕРЕКРЕСТНЫМИ ООС
Принципиальная схема каскадов с перекрестными ООС приведена на рис. 6.2,а, эквивалентная схема по переменному току - на рис. 6.2,б.

а) б)
Рис. 6.2
По идеологии построения рассматриваемая схема похожа на усилитель, в котором использованы каскады с комбинированной ООС. Однако при заданном коэффициенте усиления схема обладает большей полосой пропускания, которая практически не сокращается при увеличении числа каскадов, что объясняется комплексным характером обратной связи на высоких частотах.
Усилитель с перекрестными ООС, также как и каскад с комбинированной ООС, при выполнении равенств (6.1) оказывается согласованной по входу и выходу с КСВН не более 1,3 (8, 9). Коэффициент передачи двухтранзисторного варианта усилителя, изображенного на рис. 6.2, выполненного на однотипных транзисторах и при пренебрежении величинами второго порядка малости, описывается выражением:
, (6.7)
где
; (6.8)
= 2;
;
;
При заданном значении
,
каскада равна:
, (6.9)
где
.
Величина потерь выходного сигнала, обусловленных использованием ООС, определяется соотношением (6.6).
При увеличении числа каскадов, верхняя граничная частота всего усилителя
практически не меняется и может быть рассчитана по эмпирической зависимости:
,
где
- общее число каскадов;
- верхняя частота полосы пропускания двухтранзисторного варианта усилителя, рассчитываемая по формуле (6.9).
Коэффициент усиления n-каскадного усилителя рассчитывается по формуле (6.8).
Пример 6.2. Рассчитать
,
,
двухтранзисторного варианта усилителя приведенного на рис. 6.2, при использовании транзистора КТ610А (данные транзистора приведены в примере 2.1) и условий:
=50 Ом;
=0,81;
=10.
Решение. Подставляя в (6.8) заданные значения
и
найдем:
= 160 Ом. Подставляя
в (6.1) получим:
=15,5 Ом. Теперь по (6.9) определим:
=101 МГц.
6.3. РАСЧЕТ КАСКАДА СО СЛОЖЕНИЕМ НАПРЯЖЕНИЙ
Принципиальная схема каскада со сложением напряжений (10) приведена на рис. 6.3,а, эквивалентная схема по постоянному току – на рис. 6.3,б, по переменному току – на рис. 6.3,в.

а) б) в)
Рис. 6.3
При выполнении условия:
, (6.10)
напряжение, отдаваемое транзистором каскада, равно амплитуде входного воздействия. Коэффициент усиления по току транзистора включенного по схеме с общей базой равен единице. В этом случае ток, отдаваемый предыдущим каскадом, практически равен току нагрузки. Поэтому ощущаемое сопротивление нагрузки каскада равно половине сопротивления
, его входное сопротивление также равно половине сопротивления
, вплоть до частот соответствующих
= 0,7. Это следует учитывать при расчете рабочих точек рассматриваемого и