Расчетные работы по электротехнике
ТипОвая расчетная работа №1.
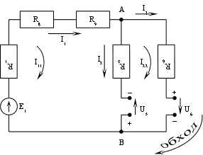
Дано:

Е1=110 В
R1=0,2 Ом
R8=R9=0,4 Ом
R5=R6=1 Ом
U5=60 В
U6=50 В
Найти: токи в ветвях тремя методами.
Решение:
Метод законов Кирхгофа.
Запишем I закон Кирхгофа для узла А:
(1);
Запишем I закон Кирхгофа для узла В:
(2);
Запишем II закон Кирхгофа для трех контуров:
для контура I -
:
(3);
для контура II -
:
(4);
для контура III -
:
(5).
Решим систему уравнений (1), (3), (4):
I1
-I2
-I3
0 (R1+R8+R9)∙I1
R5∙I2
0 E1+U5
0 -R5∙I2
R6∙I3
-U5-U6
Выпишем коэффициенты при неизвестных:
| 1 | -1 | -1 | 0 |
(R1+R8+R9) | R5 | 0 | E1+U5 |
| 0 | -R5 | R6 | -U5-U6 |
Подставим численные значения из исходных данных:
1 -1 -1 0 (0,2+0,4+0,4) 1 0 110+60 0 -1 1 -60-50
Определим Δ, ΔI1, ΔI2, ΔI3 по формулам:


По формулам Крамера определим:
- токи в трех ветвях.
Проверка: по I закону Кирхгофа для узла А:
;
76,(6)-93,(3)+16,(6)=0
Метод контурных токов.
Пусть в каждом контуре протекает только один контурный ток. В первом ток I11, во втором ток I22.
Запишем II закон Кирхгофа для первого контура:
![]()
Запишем II закон Кирхгофа для второго контура:
![]()
Решим систему этих уравнений и определим контурные токи:

Токи во внешних ветвях равны контурным токам, значит:
I1=I11=76,7 A – ток в первой ветви.
I3=I22=-16,6 - ток в третей ветви.
В смежной ветви ток равен разности контурных токов:
I2=I22-I22=76,7+16,6=93,3 A – ток во второй ветви.
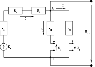
Метод узловых напряжений.
К узлам А и В подводится напряжение UAB – узловое, направление которого выбирается произвольно.

I закон Кирхгофа для узла А:
(1);II закон Кирхгофа для контура I -
: 
(2);
II закон Кирхгофа для контура II -
:
![]()
(3);
II закон Кирхгофа для контура III -
:
![]()
(4);
Для определения напряжения между узлами UAB уравнения (2), (3), (4) необходимо подставить в уравнение (1):

- напряжение между узлами А и В.
Токи в ветвях определим по уравнениям (2), (3), (4):
- токи в трех ветвях.
Подобные работы: