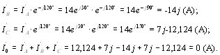
Трехфазники
Для симметричной схемы трехфазной цепи согласно заданных параметров выполнить следующее:
- рассчитать угловую частоту ω и сопротивления реактивных элементов схемы (L, C).
- Составить схему для расчета комплекса действующего значения тока фазы А, приняв начальную фазу ЭДС
для вариантов в которых нагрузка соединена треугольником рекомендуется заменить на звезду. - Рассчитать комплекс тока
, записать комплексы токов
и
. - Определить угол между векторами ЭДС и тока φ.
- Построить векторную диаграмму ЭДС и тока трехфазной цепи.
- Определить мощности генератора (P, Q, S), построить треугольник мощностей.


- Для расчета угловой скорости воспользу-емся форму-лой
, где
отсюда
.
Найдем реактивные сопротивления элементов (L, C) :

2. Cхема для расчета комплекса действующего значения фазы А :

- По данной схеме рассчитаем комплекс тока
, приняв начальную фазу ЭДС
найдем комплекс полной проводимости ветви :
![]()
Перейдем от амплитудного значения ЭДС к комплексному :
Найдем токи :

Токи
сдвинуты относительно тока
на
:

- В симметричной системе угол между ЭДС и током во всех фазах будет одинаков, и будет равен
. - Построим векторную диаграмму ЭДС и тока трехфазной цепи :
Найдем мощность генератора :

Треугольник мощностей :


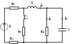
Для заданной схемы необходимо выполнить следующее :
- Рассчитать переходной процесс.
- Расчет провести классическим методом.
- На основании полученного аналитического выражения построить график переходного процесса в интервале от t = 0 до t = 3τ .
Данные :
![]()
Найти ток
.
Определим для после коммутационной схемы, когда ключ К разомкнут комплекс входного сопротивления относительно зажимов источника, заменив jω на P :

Приравняем
к 0 :

Подставим значения :

Корни вещественные разные значить переходный процесс апериодический затухающий. Запишем выражения для заданного тока в переходном режиме через принужденную и свободную составляющую :
.
Найдем токи протекающие в данной цепи до коммутации (t < 0 ) когда ключ К замкнут. Сопротивление катушки индуктивности L при постоянном токе равно 0, а емкости С равно ∞ значит
.

Напряжение на конденсаторе C равно напряжению на R4 :
![]()
Принужденные значения после коммутации, когда переходный процесс завершен :
Найдем значения в момент коммутации (t ≥ 0 ) :
по второму закону коммутации ![]()
Определим постоянные интегрирования А1 и А2 :

записываем ур-ния для t ≥ 0:

Численное значение производной
= 0 т. к. По второму закону коммутации напряжение на емкости скачком не изменяется :

Подставим полученные значения в ур-ния, получим :
![]()
решим совместно эти ур-ния :

Запишем ток
переходного процесса подставив все численные значения :

Исходя из этого постоянные интегрирования для тока
будут равны :
![]()
На основании полученных данных построим график переходного процесса в интервале от t = 0 до t = 3τ :
Найдем значения постоянной времени

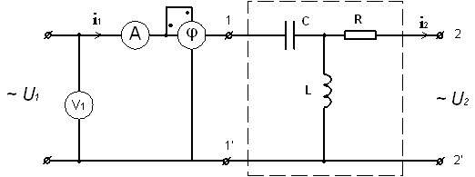
Лабораторная работа № 2.
Четырехполюсник.
Цель работы : провести опыты ХХ ( холостого хода ) и КЗ (короткого замыкания ) в заданной схеме четырехполюсника; определить из опытов комплексы
; на основе опытных данных рассчитать коэффициенты четырехполюсника : A B C D; проверить соотношение AD - BC = 0; для исследованной схемы четырехполюсника расчитать
и сопоставить с опытными значениями, основываясь на использованных в работе значениях ![]()

Схема Т - образного четырехполюсника.

А форма уравнения четырехполюсника : 
Фазометр - это прибор измеряющий угол φ между напряжением и током :
.

В опыте используются данные элементы :
![]()
Опыт ХХ четырехполюсника :
Режим ХХ четырехполюсника это когда 2 и 2’ разомкнуты и I2=0; z1X - комплекс входного сопротивления на зажимах 1 - 1’ .
Данные измерений
.
Найдем ![]()
Опыт КЗ1 четырехполюсника :
Режим КЗ1 четырехполюсника это когда 2 и 2’ закорочены ; z1К - комплекс входного сопротивления на зажимах 1 - 1’ .
Данные измерений
.
Найдем ![]()
Опыт КЗ2 четырехполюсника :
Проведем опыт для “перевернутого” четырехполюсника для чего к контактам 2 и 2’ подключем питание а 1 и 1’ закоротим.
Данные измерений
.
Найдем ![]()
Найдем R-L :
Для этого соберем следующую схему :
Данные измерений
.
![]()
Определим R :
Данные измерений ![]()
![]()
Найдем коэффициенты четырехполюсника :
Проверим соотношение AD-BC = 1 ;

Для данной схемы четырехполюсника рассчитаем
основываясь на использованных в работе значениях ![]()
Найдем
:

Найдем
:

Найдем
:
