Расчет электронной схемы включения приемника излучения, согласованной с усилительной схемой по сигналу
МОСКОВСКИЙ ЭНЕРГЕТИЧЕСКИЙ ИНСТИТУТ
(ТЕХНИЧЕСКИЙ УНИВЕРСИТЕТ)
Кафедра Светотехники
Типовой расчет по курсу «Приемники излучения»
«Расчет электронной схемы включения приемника излучения, согласованной с усилительной схемой по сигналу»
Выполнила: Нилова Ирина, ЭР-06-07
Проверил: Григорьев А.А.
Москва
2010
ЗАДАНИЕ
1. Рассчитать схему включения фотоприемника. (Фоторезистор поставить в режим согласованной нагрузки).
2. Разработать принципиальную электронную схему предварительного усилителя, обеспечивающую согласование с приемником по сигналу. Обеспечить коэффициент усиления предусилителя в диапазоне 10 – 100.
3. Рассчитать сигнал на выходе фотоприемного устройства.
Исходные данные для расчета (вариант 5):
| Тип ФП | Тпр, К | Rт, Ом | Тис, К | Fн, Гц |
| Тип тр. | Фпр, Вт |
| ФД – 8к | 295 | - | 3000 | 80 | 3840 | КП303А |
|
Параметры фотодиода ФД–8к:
Габаритные размеры:

| размер фоточувствительного элемента, мм | 2*2 |
| 0,5..1,12 |
| 0,85..0,92 |
| Uр, В | 20 |
| Iт, мкА | 1 |
| Si инт, мА/лм | 6* |
| Материал | Si-кремний |
Спектральная чувствительность фотодиода:

Параметры транзистора КП303А:
Габаритные размеры:

Входная ёмкость , | 6 |
Проходная ёмкость, | 2 |
Выходная ёмкость, | 0 |
| Iс max, мА | 20 |
| Iз max, мА | 5 |
| Uси max, В | 25 |
| Uзи max, В | 30 |
| Uзс max, В | 30 |
| параметры приведены для температуры окружающей среды | -40..+85 |
ВАХ транзистора:
фотоприемник усилитель транзистор сигнал

Составим схему предварительного усилителя сигнала на полевом транзисторе

МОм - сопротивление утечки цепи затвора
Гц – верхняя частота
- выходное сопротивление схемы включения в режиме согласованной нагрузки (Фоторезистор необходимо поставить в режим согласованной нагрузки, т.е. сигнал на выходе фоторезистора должен достигать максимального значения. Сигнал на выходе максимален, когда темновое сопротивление фоторезистора равно сопротивлению нагрузки
)
МОм
МОм
Для обеспечения согласования схемы с приемником по сигналу необходимо, чтобы входное сопротивление усилителя было много больше выходного сопротивления
схемы включения. (В данном случае в 5 раз).
![]()
МОм
МОм, т.к.
-нужно использовать истоковый повторитель.
Для согласования по сигналу необходимо, что бы выходное сопротивление было много меньше, сопротивления затвора. Т.к. максимальное сопротивление затвора 1МОм, а рассчитанное выходное сопротивление
МОм, то для увеличения входного сопротивления схемы, используем схему истокового повторителя:
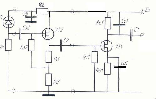
Составим схему усилительного каскада с истоковым повторителем

Обозначения: Ri –темновое сопротивление ФП; RH – сопротивление нагрузки; RФ, СФ – сопротивление и емкость фильтра; R31, R32, CЗ2 - сопротивление и емкость затвора; R
U2, R
U2, RU1, СU1– сопротивление и емкость истока; RC1, CC1 - сопротивление и емкость стока; С1 – емкость связи; ЕП – напряжение питания.
Найдем рабочую точку транзистора из зависимости

Рассмотрим кривую
В, получаем следующие значения
В;
мА;
Кривая
В;
мА.
мА;
В
Напряжение питания
В (
В)
Крутизна транзистора
мА/В
Условие выполнения согласования по сигналу:
;
;
![]()
(з-н Ома); ![]()
1 кОм
![]()
![]()
кОм
кОм
![]()
МОм
МОм
согласование выполняется
нФ
- необходимо для исключения влияния постоянного напряжения на схему включения
нФ- обеспечивает нижнюю частоту
Коэффициент усиления основного усилительного каскада
![]()
кОм (по з-ну Ома)
![]()
![]()
обеспечен коэффициент усиления предусилителя в диапазоне 10 – 100.
(по з-ну Ома)
кОм- необходимо для обеспечения значений
и ![]()
нФ- обеспечивает верхнюю частоту
кОм
мФ- устраняет действие отрицательной обратной связи, возникающей из-за ![]()
(
- выходное сопротивление усилительного каскада)
(
- входное сопротивление следующего усилителя)
мкФ - обеспечивает связь с последующими каскадами, сигнал должен передаваться без искажений
![]()
![]()
![]()
![]()
(в режиме согласования
)
МОм
нФ –
Сф, Rф – цепочка устраняет влияние паразитной обратной связи, возникающей из-за неидеальности источника питания
Разработанная электронная схема предварительного усилителя обеспечила согласование с приемником по сигналу. Так же обеспечен коэффициент усиления предусилителя в диапазоне 10-100.
РАССЧИТАЕМ СИГНАЛ НА ВЫХОДЕ ФОТОПРИЕМНОГО УСТРОЙСТВА
Спектральная чувствительность фотодиода:

Определим значения относительной спектральной чувствительности фотодиода ФД – 8к, для этого мы провели «среднюю» линию и приблизительно нашли значения
.
Значения чувствительности в зависимости от длины волны

Длина волны мкм | Чувствительность отн. ед. |
| 0.5 | 0.08 |
| 0.55 | 0.12 |
| 0.6 | 0.24 |
| 0.65 | 0.40 |
| 0.7 | 0.53 |
| 0.75 | 0.68 |
| 0.8 | 0.83 |
| 0.85 | 0.94 |
| 0.9 | 0.99 |
| 0.95 | 0.75 |
| 1.0 | 0.40 |
| 1.05 | 0.18 |
| 1.1 | 0.05 |
Теперь найдем следующие значения:
1.
- относительная спектральная световая эффективность основного фотометрического наблюдателя.
![]()
2.
- спектральную плотность энергетической светимости стандартного источника типа «А»
,где
![]()
*![]()
м*К
3.
- спектральную плотность энергетической светимости источника при Ти=3000 К
![]()
Спектральная плотность энергетической светимости источника типа А при температуре 2856К и спектральную плотность энергетической светимости источника при температуре 3000К.
Длина волны мкм |
|
|
|
| 0.5 | 0.372 | 0.503 | 0.816 |
| 0.55 | 0.973 | 0.781 | 1.212 |
| 0.6 | 0.644 | 1.084 | 1.623 |
| 0.65 | 0.108 | 1.387 | 2.012 |
| 0.7 | 4.562* | 1.666 | 2.354 |
| 0.75 | 4.881* | 1.908 | 2.635 |
| 0.8 | 1.321* | 2.104 | 2.848 |
| 0.85 | 9.033* | 2.252 | 2.996 |
| 0.9 | 1.562* | 2.355 | 3.084 |
| 0.95 | 0 | 2.416 | 3.121 |
| 1.0 | 0 | 2.441 | 3.114 |
| 1.05 | 0 | 2.435 | 3.072 |
| 1.1 | 0 | 2.405 | 3.004 |
Значения
и
.при расчете были очень велики, поэтому поделены на коэффициент ![]()



мА/лм -токовая чувствительность (интегральная)
,
где
- шаг суммирования,
мкм
| Чувствительность отн. ед. |
отн. ед |
|
|
| 0.372 | 0.08 | 0.503 | 0.187 | 0.04 |
| 0.973 | 0.12 | 0.781 | 0.759 | 0.09 |
| 0.644 | 0.24 | 1.084 | 0.698 | 0.26 |
| 0.108 | 0.40 | 1.387 | 0.149 | 0.555 |
4.562* | 0.53 | 1.666 | 0 | 0.883 |
4.881* | 0.68 | 1.908 | 0 | 1.297 |
1.321* | 0.83 | 2.104 | 0 | 1.746 |
9.033* | 0.94 | 2.252 | 0 | 2.117 |
1.562* | 0.99 | 2.355 | 0 | 2.331 |
| 0 | 0.75 | 2.416 | 0 | 1.812 |
| 0 | 0.40 | 2.441 | 0 | 0.976 |
| 0 | 0.18 | 2.435 | 0 | 0.438 |
| 0 | 0.05 | 2.405 | 0 | 0.12 |
Вт/![]()
Вт/![]()
![]()
Реакция приемника:
![]()


Заменим
,(Т=3000К)
Вт

| Чувствительность отн. ед. |
отн. ед. |
|
|
| 0.372 | 0.08 | 0.816 | 0.304 | 0.065 |
| 0.973 | 0.12 | 1.212 | 1.179 | 0.145 |
| 0.644 | 0.24 | 1.623 | 1.045 | 0.389 |
| 0.108 | 0.40 | 2.012 | 0.217 | 0.805 |
4.562* | 0.53 | 2.354 | 0 | 1.248 |
4.881* | 0.68 | 2.635 | 0 | 1.792 |
1.321* | 0.83 | 2.848 | 0 | 2.364 |
9.033* | 0.94 | 2.996 | 0 | 2.816 |
1.562* | 0.99 | 3.084 | 0 | 3.053 |
| 0 | 0.75 | 3.121 | 0 | 2.341 |
| 0 | 0.40 | 3.114 | 0 | 1.246 |
| 0 | 0.18 | 3.072 | 0 | 0.553 |
| 0 | 0.05 | 3.004 | 0
Подобные работы:
Актуально:
|