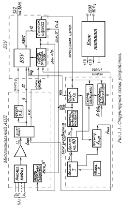
Устройство для сбора и хранения информации
Проектируемое устройство для сбора и хранения информации представляет собой информационно-измерительную систему, предназначенную для исследований окружающей среды или какого-либо объекта.
Как правило, устройство для сбора и хранения информации является многоканальным. Каждый канал содержит первичный преобразователь «Д» (датчик), предназначенный для преобразования измеряемого параметра в физическую величину, удобную для измерения.
цифровой преобразователь информация
1. Анализ технического задания
Запуск устройства производится внешним сигналом «Запуск», выдача хранимой в устройстве информации производится по запросным сигналам с ЭВМ
Многоканальный АЦП в течение заданного времени (время сбора информации 60 с) и с заданным периодом опроса (400 мс) преобразует аналоговую информацию в двоичный код и записывает эту информацию вместе с контрольным разрядом в БЗУ. После окончания цикла измерений формируется сигнал «Конец сбора информации», и устройство переходит в режим ожидания. Далее с вычислительного устройства поступают сигналы, по которым выдается хранимая информация.
В соответствии с техническим заданием проектируемое устройство для сбора и хранения информации имеет семь измерительных каналов, Tопр.=400 мс., частота опроса АЦП равна:
fАЦП=m/Tопр.=16/(400*10-3)=40 Гц, где m – количество измерительных каналов.
Емкость БЗУ зависит от частоты опроса АЦП и периода опроса каждого измерительного канала:
Z=fАЦП*Tизм ,
где Tизм – время сбора информации.
Также необходимо учитывать разрядность.
Поскольку питание устройства осуществляется от сети, необходимо разработать источник вторичного питания.
Для подключения устройства сбора и хранения информации к ЭВМ необходимо выполнить коммутирующие цепи, которые выполняются в виде разъемов.
2. Выбор элементной базы и принципиальной схемы
2.1 Выбор аналоговых ключей
![]() |
Рис.1
В качестве аналоговых ключей предпочтительно применить две микросхемы К561КП2 – демультиплексор, содержащий восемь каналов коммутации цифровых и аналоговых сигналов и один выход. Микросхема имеет два вывода питания: положительное напряжение Uи.п.С подается на вывод 16, а на вывод 7 может быть подано отрицательное напряжение -Uи.п.Э. Адресные и логические сигналы должны иметь в качестве нуля напряжение нулевого уровня.
Управляется микросхема трехразрядным входным кодом (A, B, C) и EI – входом разрешения. Если на нем присутствует высокий уровень, то все каналы размыкаются.
Основные параметры микросхемы:
- сопротивление включенного канала при Uи.п.С=5 В составляет 0,5…2,5 кОм; при Uи.п.С=15 В оно уменьшается до 0,13…0,28 кОм.
- время задержки не превышает 30 нс.
- Iп=100 мкА.
2.2 Выбор прецизионного усилителя
Усилитель должен быть выполнен на измерительном ОУ и иметь прецизионные элементы обратной связи (R и C), иметь балансировку и обеспечивать подстройку коэффициента усиления. Усилитель должен обеспечивать высокое входное сопротивление. Данным требованиям соответствует операционный усилитель типа К140УД17А. Данный ОУ имеет внутреннюю схему коррекции и может работать в диапазоне питающих напряжений ±3…18 В.
Основные характеристики данного ОУ:
- ку, тыс.-150; V=0,1 В/мкс;
- Uпит=±3…18 В; Rн=2 кОм;
- Iп=5 мА; f=0,4 МГц.
2.3 Выбор АЦП
АЦП предпочтительно выполнить на ИС К1113ПВ1, т.к. эта схема имеет внутренний источник опорного напряжения и внутренний генератор тактовых импульсов. Время преобразования составляет 30 мксек. Микросхема К1113ПВ1 представляет собой 10-разрядный АЦП, рассчитанный на входные напряжения до 10,24 В или –5,12…5,12 В. Переключение режима работы производится по входу V: если V=1, то преобразуются сигналы Uвх от 0 до 10,24 В, если же V=0, то преобразователь работает в двухполярном режиме.
Процесс преобразования в этом АЦП осуществляется при нуле на входе В/С (гашение/преобразование). Для сброса текущего выходного кода преобразователя необходимо подать единицу (минимум на 2 мкс) на вход В/С. После этого подача нуля на вход В/С инициирует новый цикл преобразования. По окончании преобразования на выходе D/R (готовность) появляется сигнал «нуль». В процессе сбора и преобразования одновременно с сигналами готовности данных на этом выходе поддерживается единица и кодовые выходы АЦП находятся в состоянии высокого импеданса. И только по окончании преобразования, одновременно с сигналом готовности данных D/R=0 на кодовых выходах устанавливается информация, соответствующая результату преобразования.
- Uп=+5 В и -15 В; Iп=28 мА.
2.4 Выбор формирователя контрольного разряда
В качестве формирователя контрольного разряда предпочтительно применить К561СА1 – 12-разрядная схема проверки на четность. Имеет один выход Q и 13 входов, один бит – контрольный.
- Uп=+5 В; Iп=10 мкА.
2.5 Выбор ОЗУ
Оперативное запоминающее устройство предназначено для приема, хранения и выдачи информации. ОЗУ выполняются в виде интегральных схем и делятся на статические и динамические. Наиболее распространены статические ОЗУ. Они могут быть одно- и многоразрядными. Элементом памяти статических ОЗУ является триггер.
В зависимости от требуемого объема памяти, быстродействия и разрядности, выбираем статическое ОЗУ К537РУ3. Основные параметры этой микросхемы:
- емкость, бит – 4096 на 1 разряд
- время выработки адреса – 240 нс.
- Uп=+5 В; Iп=12 мА.
![]() |
Рис.
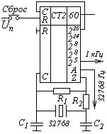
2.6 Выбор автогенератора и делителя частоты
В качестве генератора можно применить схему мультивибратора, построенного на ИМС, однако также можно применить кварцевый генератор с ИМС К176ИЕ12. Схема включения автогенератора приведена на рис.2.1.
Микросхема К176ИЕ12 представляет собой двоичный счетчик на 60 и 15-рпзрядный делитель частоты. Кварцевый генератор вырабатывает тактовые импульсы с частотой 32768 Гц. Его параметры:
- Uп=5-10 В; Iп=5 мкА.
Для делителя частоты выбираем микросхему К176ИЕ1 – шестиразрядный счетчик-делитель, который удобно использовать с таймером. Сброс выходных данных в ноль асинхронный, когда на вход R придет высокий уровень - Uп=5-10 В; Iп=0,25 мА.
![]() |
Рис.
2.7 Выбор схемы увеличения адреса ОЗУ
Выберем в качестве счетчика микросхему К176ИЕ1-шестиразрядный счетчик-делитель. Так как по условию задания количество разрядов 6, то реализовать счетчик на одной микросхеме не представляется возможным, поэтому необходимо применить две последовательно соединенных микросхемы. Схема увеличения адреса ОЗУ приведена на рис. 2.3.
Микросхема К176ТМ2 содержит два D – триггера, имеющих два входа асинхронного управления S и R. Триггер переключается по положительному перепаду на тактовом входе С, при этом логический уровень, присутствующий на входе D, передается на выход Q. Входы сброса R и установки S триггера не зависимы от тактового входа C и имеют высокие активные уровни. Максимальная тактовая частота до 5 МГц, но время фронта тактового сигнала не должно превышать 5 мкс. - Uп=5-10 В; Iп=3 мкА.
2.8 Выбор счетчика каналов
Счетчик каналов должен иметь коэффициент деления равный числу каналов. Счетчик каналов можно построить на микросхеме К176ИЕ1. Выходы счетчика подключаются на шины управления аналоговых ключей.
2.9 Выбор схемы управления
В качестве основного элемента используем микросхему К561ИЕ8 – счетчик-делитель на 10. Выходных состояний у данного счетчика – 10, соответствующих счету от 0 до 9. Длительность каждого тактового импульса должна быть больше 250 нс, поэтому максимальная тактовая частота – 2 МГц. При напряжении питания 5 В тактовая частота не превышает 0,6 МГц.
- Uп=5-10 В; Iп=50 мкА.
2.10 Выбор источника питания
Согласно условию задания питание устройства осуществляется от сети переменного тока напряжением 220 В и частотой 50 Гц. Выбираем трансформатор ТПП-127/220/50. Для питания микросхем необходимо применить стабилизированные источники вторичного питания на напряжение 5 В и двухполярное напряжение ±15 В. Этим требованиям удовлетворяют микросхемы К142ЕН5А и К142ЕН6А – интегральные стабилизаторы напряжения, выполненные методом полупроводниковой технологии на основе биполярных транзисторов с изоляцией p-n переходом и диэлектриком.
3. Электрический расчет принципиальной схемы и отдельных узлов
3.1 Расчет коммутатора аналоговых ключей и счетчика каналов
Согласно техническому заданию аналоговый ключ должен коммутировать 16 измерительных каналов, так как микросхема К561КП2 имеет восемь входов, то используем две такие микросхемы. Управление коммутатором осуществляется счетчиком каналов тремя разрядами управления А, В, С, выполненными на микросхеме К176ИЕ1. Переключение между мультиплексорами осуществляется Т-триггером, созданным из D-триггера.
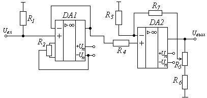
3.2 Расчет операционного усилителя
![]() |
Расчет ОУ сводится к расчету его коэффициента усиления. Согласно техническому заданию, напряжение на выходах первичных преобразователей каждого измерительного канала 0÷50 мВ, следовательно, Uвх пит.=50*10-3
Рис.
В. Входное напряжение АЦП лежит в пределах 0…10,24 В. Примем Uвх АЦП=10 В, следовательно, Kус.=Uвх АЦП/Uвх пит =10/(50*10-3)=200.
Для согласования коммутатора с ОУ используем эмиттерный повторитель на ОУ К140УД17А по типовой схеме. Примем R1=10 кОм. Рассчитаем элементы обратной связи этого ОУ.
Коэффициент усиления ОУ Kус.=200. Следовательно, нужно поставить один усилитель с чуть большим коэффициентом усиления, чтобы скомпенсировать потери. Для этого выбираем ОУ К140УД17. Этот ОУ обеспечивает порядка K=1÷1000. Примем коэффициент усиления ОУ Kус.=250.
Рассчитаем элементы обратной связи второго ОУ.
Примем R3=R4=10 кОм, тогда:
R7=R5*Kус.2=104*250=2,5 м
Для регулировки выходного напряжения включаем делитель R5, R6 ,где R5 – подстроечный. Примем R5=1,8 кОм, R6=200 Ом.
Балансировка ОУ осуществляется резистором R2=150 кОм.
Схема включения ОУ и эмиттерного повторителя показана на рис.3.2.
Выбираем прецизионные резисторы:
R1: C2-14-0,125-10 кОм,
R2: CП3-19а-0,5-150 кОм±0,1%,
R3: C2-14-0,125-10 кОм,
R4: C2-14-0,125-10 кОм±0,1%,
R5: CП3-19а-0,5-1,8 кОм±0,1%,
R6: C2-14-0,125-200 Ом±0,1%,
R7: C2-14-0,125-2,5 м.
3.3 Расчет АЦП
Микросхема К1113ПВ1 представляют собой 10-разрядный АЦП, рассчитанный на входные напряжения от 0 до 10,24 В или -5,12…5,12 В. Переключение режима работы производится по входу V: если V=1, то преобразуются сигналы Uвх от 0 до 10,24 В, если же V=0, то преобразователь работает в двухполярном режиме (Uвх=-5,12…5,12 В).
Режим работы АЦП определяется импульсами управления.
Для АЦП необходимо рассчитать частоту опроса АЦП:
fАЦП=40 Гц.
Рассчитаем длительность импульса запуска АЦП:
T1=1/(2*fАЦП)=1/80=12,5 мс.
3.4 Расчет формирователя контрольного разряда
Эта схема осуществляет действие, заключающееся в добавлении контрольного разряда. В этот контрольный разряд записывается «1» или «0» таким образом, чтобы общее количество единиц было нечетным.
Т.к. микросхема К561СА1 имеет 12-разрядный код, а с выхода АЦП подается 7-разрядный, то лишние входы заземляем. Контрольный разряд снимается с вывода 8.
3.5 Расчет ОЗУ
В соответствии с техническим заданием период опроса измерительного канала равен 400 мс, время сбора информации – 60 с, количество измерительных каналов – 16, разрядность с учетом контрольного разряда – 8. Исходя из этих данных, определяем требуемую емкость ОЗУ.
Z = fАЦП*Tизм=40*60=2400
Емкость ОЗУ должна составить 2400 8-разрядных чисел, т.е. 19200 бит. Т.к. такую емкость невозможно реализовать на одной микросхеме, то необходимо применить 8 одноразрядных микросхем К537РУ3 емкостью 4096 бит.
3.6 Расчет автогенератора и делителя частоты
В соответствии с техническим заданием и уже произведенным расчетом, автогенератор и делитель частоты должны обеспечивать тактовую частоту опроса АЦП fАЦП=40 Гц.
В качестве генератора применяем кварцевый генератор, построенный на. Схема включения показана на рис. Принимаем R9=10м, R10=470 кОм, C2=C3=33 пФ. В качестве импульсного диода используем КД522А.
Примем fАВТ=32768 Гц как тактовую частоту, необходимую для схемы формирования управляющих импульсов. Тогда T=1/fАВТ=1/32768=30,5 мксек.
Период опроса измерительного канала 100 мс. Примем R11=20 кОм и рассчитаем C5 по формуле t=0,69RC:
C5=400*10-3/(0,69*20*103)=28,8 мкФ.
Роль делителя частоты выполняет счетчик К176ИЕ1. Таким образом на выходе делителя получаем частоту опроса АЦП fАЦП=40 Гц
3.7 Расчет схемы увеличения адреса ОЗУ
Схема увеличения адреса ОЗУ приведена на рис.2.3. Так как схема выполнена на микросхеме К176ИЕ1, представляющей собой 6-разрядный счетчик-делитель, необходимо сделать проверку, чтобы выходной ток счетчика был больше всех остальных входных токов блока памяти:
Iвых.счет >∑ Iвх.А,
где: Iвых.счет – выходной ток счетчика, Iвых.счет =0,6 мА;
Iвх.А – входной ток микросхемы памяти, Iвх.А=20 мкА;
∑ Iвх.А=8*20*10-6=0,16 мА<0,6 мА. Следовательно, счетчик не перегружен.
Цепочка необходима, чтобы в момент включения источник питания через элемент DD14 устанавливал триггер DD10.1 в нулевое состояние.
Выбираем: R13: C2-23-0,125-5,1 кОм±5%,
С6: К10-19-Н70-6,2 пФ±20%
3.8 Расчет блока питания
Данное проектируемое устройство имеет два напряжения питания: U1=5 В и U2=±15 В, следовательно, блок питания состоит из двух стабилизаторов напряжения.
Стабилизатор напряжения на 5 В. Микросхема К142ЕН5А. Справочные данные: Uвх=8…14 В, Uвых=4,9…5,1 В, Iпотр=10 мА, KHI=2(3)%.
В качестве диодного моста VD2-VD5 используем диодный мост КЦ407А.
Исходя из справочных данных и из таблицы 3.1. определяем, что условие
Iпот м/с
109,93<600 мА выполняется.
Выбираем С7: К50-16-16В-2000 мкФ±20%,
С8: К50-16-16В-100 мкФ±20%
Стабилизатор напряжения на 15 В. Микросхема К142ЕН6А. Справочные данные: Uвх=18…22 В, Uвых=14,7…15,3 В, Iпотр=7,5 мА, KHI=0,2%.
В качестве диодного моста VD6-VD9 используем диодный мост КЦ407А.Исходя из справочных данных и из таблицы 3.1. определяем, что условие
Iпот м/с
38,1<600 мА выполняется
Выбираем С9: К50-16-25В-2000 мкФ±20%,
С10: К50-16-25В-2000 мкФ±20%,
С11: К50-16-25В-2000 мкФ±20%,
С12: К50-16-25В-100 мкФ±20%,
С13: К50-16-25В-100 мкФ±20%,
С14: К50-16-25В-100 мкФ±20%,
В соответствии с рассчитанными стабилизаторами напряжения выяснили, что вторичные обмотки трансформатора должны иметь напряжение U1=10 В и U2=35 В со средним выводом. Данным требованиям удовлетворяет трансформатор ТПП227-127/220/50. Токи вторичных обмоток: I1=1А, I2=0,5 А.
После внешнего запуска блок управления после внешнего запуска формирует сигнал «Начало цикла», который устанавливает в «0» схему управления ключами и счетчик адреса БЗУ, а также формирует операцию записи в БЗУ (W/R) и импульсы запуска АЦП fАЦП, начинается работа по передаче информации из АЦП в БЗУ. На АЦП поступают импульсы запуска АЦП. АЦП последовательно преобразует аналоговый сигнал в цифровой 7-разрядный код, формирует контрольный разряд и передает все 8 разрядов в БЗУ для записи и хранения. После каждого преобразования АЦП формирует сигнал «Конец преобразования», который запускает схему формирования управляющих сигналов с БЗУ. После запоминания всех 2400 8-разрядных чисел части БЗУ с выхода счетчика адреса выдается сигнал «Конец цикла измерений», который запускает схему задержки. После прихода запросных сигналов с ЭВМ по этим сигналам из БЗУ в ЭВМ выдается вся хранимая в БЗУ информация. После выдачи всей информации с БЗУ формируется сигнал «Конец цикла измерений», и все устройство переходит в режим ожидания прихода следующего сигнала внешнего запуска.
Таблица
| Формат | Зона | Поз. | Обозначение | Наименование | Кол. | Прим. |
Конденсаторы | ||||||
| С1,С4,С6 | К10-19-Н70-6,2 пФ±20% | 3 | ||||
| С2,С3 | К10-19-Н70-33 пФ±20% | 2 | ||||
| С5 | К50-16-25В-28,8 мкФ | 1 | ||||
| С8,С12,С13,С14 | К50-16-25В-100 мкФ | 4 | ||||
| С7,С9,С10,С11 | К50-16-25В-2000 мкФ | 4 | ||||
Микросхемы | ||||||
| DA1 | К140УД17А | 1 | ||||
| DA2 | К140УД17 | 1 | ||||
| DA3 | К1113ПВ1 | 1 | ||||
| DA4 | К142ЕН5А | 1 | ||||
| DA5 | К142ЕН6А | 1 | ||||
| DD1, DD8, DD11, DD12 | К176ИЕ1 | 4 | ||||
| DD2, DD10, DD23 | К176ТМ1 | 3 | ||||
| DD3, DD4 | К561КП2 | 2 | ||||
| DD5 | К561СА1 | 1 | ||||
| DD6, DD13, DD14 | К176ЛА7 | 3 | ||||
| DD7 | К176ИЕ12 | 1 | ||||
| DD9 | К561ЛА8 | 1 | ||||
| DD15-DD22 | К537РУ3 | 8 | ||||
| DD24 | К561ИЕ8 | 1 | ||||
Резисторы | ||||||
| R1, R3 | C2-14-0,125-10 кОм | 2 | ||||
| R2 | CП3-19а-0,5-150 кОм±0,1% | 1 | ||||
| Формат | Зона | Поз. | Обозначение | Наименование | Кол. | Прим. |
| R4, R8 | C2-14-0,125-10 кОм±0,1% | 2 | ||||
| R5 | CП3-19а-0,5-1,8 кОм±0,1% | 1 | ||||
| R6 | C2-14-0,125-200 Ом±0,1%, | 1 | ||||
| R7 | C2-14-0,125-2,5 м | 1 | ||||
| R8, R11, R13 | C2-23-0,125-5,1 кОм±5%, | 3 | ||||
| R9 | C2-14-0,125-10
Подобные работы:
Актуально:
|



