Расчет реверсивного электропривода
В замкнутых, а иногда и в разомкнутых структурах автоматизированного электропривода в настоящее время преимущественное развитие получили полупроводниковые преобразователи постоянного и переменного тока. В отличие от машинных преобразователей выходные напряжения полупроводниковых преобразователей характеризуются дискретностью, что может оказать влияние на характеристики электромеханических процессов двигателя. Однако это влияние при малых интервалах дискретности выходного напряжения преобразователя оказываются незначительным. Поэтому в расчетной практике в стадии начального проектирования обычно полагают, что выходные напряжения преобразователей с полупроводниковыми элементами описываются гладкими функциями времени. В последующих исследованиях динамики и статики системы управления электроприводом, полученной в результате проектирования, может быть учтено влияние дискретности выходных напряжений на переходные и установившиеся режимы работы электропривода.
Обобщенная структура электропривода показана на рис. 1.

Рисунок 1. Обобщённая структура электропривода.
Уравнения электропривода в случае жесткой механической передачи от двигателя к рабочему органу имеют вид:
= М - Mc;
= F(u, ω, M),
где J- момент инерции; М, Мс — моменты двигателя и сопротивления; ω — угловая скорость вала; u — управляющий сигнал на входе преобразователя, от которого получает напряжение двигатель. Функция F(u, ω, M) отражает динамические свойства привода, который обычно является нелинейным звеном.
Достоинствами полупроводниковых преобразователей являются широкие функциональные возможности управления процессом преобразования электроэнергии, высокие быстродействие и коэффициент полезного действия, большие сроки службы, удобство и простота обслуживания при эксплуатации, широкие возможности по реализации защит, сигнализации, диагностирования и тестирования как самого ЭП, так и технологического оборудования, возможность программирования и перепрограммирования работы микропроцессорных средств управления в случае их использования.
Вместе с тем для этих преобразователей характерны и определенные недостатки. К ним относятся высокая чувствительность полупроводниковых приборов к перегрузкам по току и напряжению и скорости их изменения; низкая помехозащищенность, искажение синусоидальной формы тока и напряжения сети.
Преобразователь — это электротехническое устройство, преобразующее электроэнергию одних параметров или показателей качества в электроэнергию с другими значениями параметров или показателей качества. Параметрами электрической энергии считаются род тока и напряжения, их частота, число фаз, фаза напряжения.
По характеру преобразования электроэнергии силовые преобразователи делятся на выпрямители, инверторы, преобразователи частоты, регуляторы напряжения переменного и постоянного тока, преобразователи числа фаз напряжения переменного тока. По элементной базе (видам применяемых силовых приборов) преобразователи могут быть диодными, тиристорными и транзисторными, а по управляемости — неуправляемыми и управляемыми. В управляемых преобразователях выходные переменные — напряжение, ток, частота могут регулироваться.
1. ВЫБОР СИЛОВОЙ СХЕМЫ РТП
Реверсивные электроприводы выполняются с одной (рис. 1.1, а, б) и двумя (рис. 1.1, в, г, д) вентильными группами. В приводах где допустимое время реверса составляет 0,5 – 2,5 с, возможно применение схемы с реверсом в цепи возбуждения (рис. 1.1, а). Недостаток этой схемы – малое быстродействие вследствие большой постоянной времени цепи возбуждения двигателя. Для приводов, где допустимо «мёртвое» время около 0,1 с и более, можно использовать схему тиристорного электропривода с реверсом в цепи якоря (рис. 1.1, б).

Рисунок 1.1. Виды реверсивных схем.
Для быстродействующих систем управления применяют схемы с двумя вентильными группами: встречно-паралельного включения вентильных групп V1 и V2, каждая из которых питается от отдельной вторичной обмотке трансформатора Т.: в практике эта схема получила название перекрёстной (рис. 1.1, в) встречно-паралельного включения вентильных групп V1 и V2 с питанием от трансформатора Т с одним комплектом вторичных обмоток (рис. 1.1, г); Н – схема, в которой две группы вентилей, обозначенные буквой В и присоединённые к двум комплектам вторичных обмоток трансформатора, обеспечивают полярность выпрямленного напряжения одного звена, а две группы вентилей, обозначенные буквой Н – полярность выпрямленного напряжения другого знака (рис. 1.1, д). На всех схемах L – сглаживающий дроссель, L1, L2 – уравнительные дроссели.
Исходя из выше сказанного выбираем трёхфазную мостовую схему соединения вентилей в группах тиристорного преобразователя так как она обладает следующими преимуществами над нулевой:
- при одинаковой фазной ЭДС среднее значение выпрямленного напряжения в мостовой схеме в два раза больше;
- частота пульсаций выпрямленного напряжения в два раза выше (300 против 150 Гц), а амплитуда пульсаций меньше;
-при одинаковой мощности нагрузки типовая мощность трансформатора меньше, чем для нулевой;
-индуктивность в цепи переменного тока в мостовой схеме в два раза больше;
-данная схема дает большой диапазон регулирования скорости.
Вентильные группы, входящие в схему реверсивного выпрямителя могут, как указывалось выше, соединяться двумя способами: по перекрестной или встречно-параллельным схемам. Схемы отличаются количеством вторичных обмоток силового трансформатора. Из-за простой конструкции трансформатора отдадим предпочтение схеме со встречно-параллельным соединением тиристоров. Силовая схема трехфазного мостового реверсивного преобразователя с устройствами коммутации и защиты представлена на рис. 1.2. По заданию, в курсовом проекте управление вентильными группами - совместное согласованное. Для ограничения возникающих при этом уравнительных токов используются два ненасыщающихся уравнительных реактора LR1 и LR2.

Рисунок 1.2. Электрическая схема трехфазного мостового ТП со встречно-параллельным соединением вентильных групп.
2. Расчёты и выбор элементов силовой схемы
2.1 Расчёт и выбор трансформатора
Выбор силового трансформатора производится по расчетным значениям тока I2ф, напряжению U2ф, и типовой мощности Sт. Напряжение первичной обмотки U2ф должно соответствовать напряжению питающей сети.
Расчетное значение напряжения U2ф,pасч вторичной обмотки трансформатора, имеющего ТП с нагрузкой в режиме непрерывных токов, с учетом необходимого запаса на падение напряжения в силовой части, определяется формулой
U2ф,pасч = kи · kс ka kR ·Ud,(2.1)
где kи=0,427 - коэффициент, характеризующий отношение напряжений U2ф/Ud0 в идеальном трехфазном мостовом выпрямителе;
kс—1,1— коэффициент запаса по напряжению, учитывающий возможное снижение напряжения сети;
ka =1,1 - коэффициент запаса, учитывающий неполное открытие вентилей при максимальном управляющем сигнале;
kR=1,05 - коэффициент запаса по напряжению, учитывающий падение напряжения в обмотках трансформатора, в вентилях и за счет перекрытия анодов;
Ud- номинальное напряжение двигателя, Ud = UH.
Подставив значения в формулу (2.1) определяем расчетное значение напряжения U2ф,pасч вторичной обмотки трансформатора:
U2ф,pасч = 0,427∙1,1∙1,1∙1,05∙220 = 119,4 В.
Расчетное значение тока вторичной обмотки
I2расч = k/· ki·Idн,(2.2)
где k/ =0,815 - коэффициент схемы, характеризующий отношение токов I2ф/Id в идеальной схеме;
ki=1,1 - коэффициент, учитывающий отклонение формы анодного тока вентилей от прямоугольной;
Idн - значение номинального тока двигателя.
Idн =
(2.3)
где РН - номинальная мощность электродвигателя;
η- КПД электродвигателя; Uн - номинальное напряжение электродвигателя.
Для двигателя 2ПН180М мощностью 15 кВт номинальное значение тока двигателя по формуле (2.3):
Idн =Id=
= 76,2 А.
Расчетное значение тока вторичной обмотки по формуле (2.2):
I2расч = 0,815∙1,1∙76,2 = 68,3 А.
Рассчитываем (предварительно) действующее значение тока первичной обмотки трансформатора
·ki1·Idн,(2.4)
где
- расчетный коэффициент трансформации трансформатора.
=
(2.5)
где U1ф- фазное напряжение первичной обмотки трансформатора, U1ф =220 В; ki1 - схемный коэффициент первичного тока. Принимаем ki1 =0,815 (1, табл. 2.1).
И так расчётный коэффициент трансформации по формуле (2.5):
=
= 1,84.
Действующее значение тока первичной обмотки трансформатора по формуле (2.4):
·0,815∙76,2 = 33,8 А.
Находим мощность первичной обмотки трансформатора
S1 =m1·
(2.6)
где m1 - число фаз первичной обмотки, m1 =3.
Подставив значения в формулу (2.6), имеем:
S1 = 3∙33,8∙220 = 22 308 В∙А.
Находим мощность вторичной обмотки трансформатора
S2 =m2·I2расч·U2ф+0,5%РН (2.7)
где m2-число фаз вторичной обмотки трансформатора, т2=3.
I2расч -действующее значение вторичного тока трансформатора, по форм.(2.2);
U2ф -фазное напряжение вторичной обмотки трансформатора, ориентировочно принимаем U2ф =U2фрасч .
И так имеем:
S2 =3∙68,3∙119,4+
∙0,5 = 24540 В∙А.
Находим типовую мощность трансформатора по формуле
ST=
,(2.8)
ST=
=22,38 кВ∙А.
Трансформатор выбираем из условий:
-номинальное напряжение вторичной обмотки трансформатора должно быть близким к значению U2фрасч: 0.95· U2фрасч ≤U2фн <1.2· U2фрасч; для нашего случая
113,4 В ≤U2фн < 143,3 В.
-ток вторичной обмотки трансформатора должно быть больше или равен к I2расч : I2н≥I2 расч, т.е. I2н ≥ 68,3 А.
-номинальная мощность трансформатора должна быть больше или равна типовой: Sн ≥ Sт, т.е. Sн ≥ 22,38 кВ∙А.
Выбираем трансформатор ШЛ 100×160, с сечением магнитопровода 160 см2.
Параметры выбранного трансформатора сводим в таблицу 2.1.
Таблица 2.1 – Параметры трансформатора.
| Наименование | Обозначение | Величина |
| Номинальная мощность, кВА | SH | 26 |
| Напряжение вентильной обмотки(линейное), В | U2H | 205 |
| Ток вентильной обмотки, А | I2H | 82 |
| Напряжение сетевой обмотки(линейное), В | U1H | 380 |
| Мощность холостого хода, Вт | Pxx | 220 |
| Мощность короткого замыкания, Вт | Pкз | 420 |
| Напряжение короткого замыкания, % | Uкз | 3,2 |
| Ток холостого хода, % | Ixx | 8,0 |
Рассчитываем действительный коэффициент трансформации выбранного трансформатора
k mр=
, (2.9)
k mр=
= 1,85.
Действительные значения рабочих токов первичной и вторичной обмоток
I2= I2расч= 68,3А,
I1=
, (2.10)
I1=
= 36,6 А.
2.2 Расчёт и выбор трансформатора тиристоров
Тиристоры выбираются по среднему значению тока, протекающему через них и величине обратного напряжения.
При этом должен быть обеспечен достаточный запас по току и напряжению. Среднее значение тока тиристора
Ia=kзi
, (2.11)
где kзi =1,5 - коэффициент запаса по току;
kоx - коэффициент, учитывающий интенсивность охлаждения силового вентиля. При естественном охлаждении kоx =0,35;
kвэ - коэффициент, принимаем по (1, табл.1.9), kвэ =0,333.
Среднее значение тока тиристора по формуле (2.11):
Ia=1,5∙
=108,7 А.
Максимальная величина обратного напряжения
Ubmax=kЗU∙kUобр∙Udo, (2.12)
где kЗU =1,8 - коэффициент запаса по напряжению, учитывающий возможные повышения напряжения питающей сети (включая режим холостого хода) и периодические выбросы Uобр, обусловленные процессом коммутации вентилей;
kUобр - коэффициент обратного напряжения, равный отношению напряжений Udmax/Udo, для мостовой схемы выпрямления kUобр = 1,045;
Udo - наибольшая величина выпрямленного напряжения преобразователя (среднее значение за период). Для трехфазной мостовой схемы выпрямления Udo =2,34U2ФН=2,34∙118=276,2 В.
Максимальная величина обратного напряжения по формуле (2.12)6
Ubmax=1,8∙1,045∙276,2 = 519 В.
Условия выбора тиристоров:
- Максимальный средний ток тиристоров открытом состоянии должен быть больше или равен значению la, Ioc.cp.max>Ia, в нашем случае Ioc.cp.max> 108,7 А.
- Повторяющееся обратное напряжение тиристора должно быть больше или равно значению Ub. max , Uo6p. n >Ub. max , т.е. Uo6p. n > 519В.
Из справочника (3) выбираем марку тиристоров (низкочастотных).
Параметры выбранных тиристоров сводим в таблицу 2.2. Выбираем марку тиристора – 2Т223-200-6.
Таблица 2.2 - Параметры выбранных тиристоров
| Наименование | Обозначение | Величина |
| Максимальный средний ток в открытом состоянии, А | Ioc.cp.max | 200 |
| Повторяющееся импульсное обратное напряжение, В | Uобр.п | 600 |
| Ударный неповторяющийся ток в открытом состоянии, А | Iос.удр | 4000 |
| Критическая скорость нарастания напряжения в закрытом состоянии, В/мкс | (dUзс/dt)кр | 500… 1000 |
| Ток удержания, мА | Iуд | 300 |
| Импульсное напряжение в открытом состоянии, В | Uос.u | 2 |
| Отпирающий постоянный ток управления, мА | Iупр | 300 |
| Время включения, мкс | tвкл | 25 |
| Время выключения, мкс | tвыкл | 50…100 |
| Отпирающее постоянное напряжение, В | Uупр | 5 |
2.3 Расчет и выбор уравнительных реакторов
В мостовом преобразователе с совместным управлением присутствуют уравнительные токи.
Для уменьшения уравнительных токов в схему вводят 4 насыщающихся или 2 ненасыщающихся уравнительных реактора.
Принимаем для расчета схему с двумя ненасыщающимися уравнительными реакторами,
Определяем индуктивность уравнительных реакторов по формуле (4, стр.133)
Lур=kД∙
(2.13)
где kД - коэффициент действующего значения уравнительного тока, принимаем по (4, стр.1-158) kД =0,62;
U2m -амплитуда фазного напряжения, U2m=
∙ Uф =1,41∙127=179 В ,
где ω - круговая частота сети, ω =314 рад/с ;
Iур - действующее значение уравнительного тока,
Iур =
∙ Idн (2.14)
Iур =
∙ Idн=0,12∙76,2=9,14А.
= 0,12 – ширина зоны прерывистого тока (по условию).
По формуле 2.13 имеем:
Lур=0,62∙
=0,0387 Гн.
Для схемы выбираем 2 ненасыщающихся уравнительных реактора LR1 и LR2 с рассчитанной индуктивностью 0,0387 Гн.
2.4 Расчет и выбор уравнительных реакторов сглаживающих дросселей
Пульсации выпрямленного напряжения приводят к пульсациям выпрямленного тока, которые ухудшают коммутацию электродвигателя и увеличивают его нагрев.
Для сглаживания пульсаций выпрямленного напряжения применяют сглаживающие дроссели.
Определяем индуктивность сглаживающего дросселя по формуле (4, стр. 132)
Ld2 =
, (2.15)
где, k - кратность гармоники, так как в симметричной мостовой схеме наибольшую амплитуду имеет первая гармоника, то принимаем k =1;
р- количество пульсаций, принимаем по (1,табл. 2.1), р =6;
Р(1)%- допустимое действующее значение основной гармоники тока, принимаем р(1)%- =8%;
Ud, n, т -амплитудное значение гармонической составляющей выпрямленного напряжения, определяем по (4,стр.131):
Ud,n,m =
, (2.16)
где а - угол управления тиристорами, a =30 °;
Udo - максимальное значение выпрямленного напряжения, Udo=2,34∙I2ФН=2,34∙127= 297В; ω - круговая частота сети;
IdН - номинальный выпрямленный ток преобразователя.
И так,
Ud,n,m =
= 53 В.
Определяем индуктивность сглаживающего дросселя по формуле 2.15:
Ld2 =
= 0,0032 Гн.
Так как индуктивность выбранного уравнительного реактора больше индуктивность сглаживающего дросселя (LУP>Ld2), то отказываемся от установки последнего в силовую цепь преобразователя.
Уравнительного реактора будет достаточно для сглаживания пульсаций выпрямленного напряжения.
2.5 Расчет и выбор силовой коммутационной и защитной аппаратуры
2.5.1 Расчет и выбор R-C цепочек
Для ограничения скорости нарастания прямого напряжения используем R-C цепочки, которые включаем параллельно каждому тиристору.
Используя стандартный ряд сопротивлений выбираем резистор R с сопротивлением в пределах 18... 51 Ом. Принимаем 36 Ом.
Из уравнения (5, стр.81)
, (2.17)
где Uycm- установившееся напряжение на тиристоре, Uуст=
U2л=1,41∙220=310,2 В.
-максимально допустимая критическая скорость нарастания прямого напряжения на тиристоре (из табл. 2.2), находим постоянную времени τ:
τ =
=
=0,245 мкс.
Значение емкости определяем по формуле:
С =
=
=0,0068 мкФ.
Используя стандартный ряд емкостей выбираем емкость конденсатора 0,0068 мкФ.
2.5.2 Расчет и выбор предохранителей
Для защиты тиристорного преобразователя от внутренних коротких замыканий во вторичную обмотку трансформатора поставим предохранители.
Находим амплитудное значение базового тока короткого замыкания по формуле
I2кm=
, (2.18)
где U2тф- амплитуда фазного напряжения вторичной обмотки трансформатора;
Х2к -индуктивное сопротивление, приведенное к вторичной обмотке трансформатора;
r2к -активное сопротивление, приведенное к вторичной обмотке трансформатора.
Находим полное, активное и индуктивное сопротивления вторичной обмотки трансформатора (4, стр.105):
Z2к =
, (2.19)
где UK%-напряжение короткого замыкания, из табл. 2.1
U2ЛН -линейное напряжение вторичной обмотки трансформатора;
По формуле 2.19 имеем: Z2к =
= 0,0595 Ом.
Активное сопротивление, приведенное к вторичной обмотке трансформатора
r2к =
, (2.20)
где Ркз -мощность короткого замыкания, из табл. 2.1; I2фН-ток вентильной обмотки.
По формуле 2.20 имеем: r2к =
= 0,030 Ом.
Индуктивное сопротивление, приведенное к вторичной обмотке трансформатора
Xк2=
, (2.21)
где Z2к -полное сопротивление, приведенное к вторичной обмотке.
По формуле 2.21 имеем: Xк2=
=0,0514 Ом.
По формуле 2.18: I2кm=
= 3008 А.
Для нахождения ударного тока внутреннего короткого замыкания определяем коэффициент k1 по (4, рис.1-129а) в зависимости от ctg φк:
ctg φк =
=
= 0,5837→ k1= 0,3.
Ударный ток внутреннего короткого замыкания
Iуд = k1∙ I2кт= 0,3∙3008 = 902 А.
Выбираем плавкий предохранитель, исходя из условий:
- номинальное напряжение предохранителя должно соответствовать напряжению цепи, в которой он установлен;
-номинальный ток предохранителя должен быть больше максимального рабочего тока, протекающего через него;
-номинальный ток плавкой вставки должен быть больше или равен максимальному рабочему току, протекающего через него.
Выбираем предохранитель ПР10-82-1000.
Проверка предохранителя на срабатывание при коротком замыкании
3∙Iплавст < Iуд /
.
3∙82 = 246А < 902/1,41=639A, как видим условие выполняется.
Параметры выбранного предохранителя необходимо сводим в таблицу (см. п. 2.5.3.).
2.5.3 Расчет и выбор автоматического выключателя
Для защиты тиристорного преобразователя от внешних коротких замыканий в первичную обмотку трансформатора устанавливают автоматический выключатель.
Для вычисления ударного тока внешнего короткого замыкания определяем коэффициент k2 по (4, рис.1-127а) в зависимости от ctg φк:
ctg φк =
= 0,5837→ k2= 0,7.
Ударный ток внутреннего короткого замыкания:
Iуд2 = k2∙ I2кт= 0,7∙3008= 2105А.
Автоматический выключатель выбирают из условий:
-номинальный ток автомата должен быть больше рабочего тока первичной обмотки трансформатора: I1=
=
= 39,5 А;
-номинальное напряжение автомата должно быть больше или равно сетевому напряжению;
-число полюсов должно быть равно числу фаз питающей сети;
-номинальный ток теплового расцепителя должен быть больше рабочего тока I1;
-номинальный ток электромагнитного расцепителя должен быть больше рабочего тока I1;
-ток срабатывания электромагнитного расцепителя должен быть меньше действующего значения ударного тока внешнего короткого замыкания протекающего через выключатель Iуд2/
∙kmp, т.е. 2105/1,41∙1,73=860А, условие 250А<860А – выполняется.
-ток термической устойчивости должен быть больше тока внешнего короткого замыкания Iуд2/ kmp , в нашем случае 2105/1,73= 1217А < 3500А.
Выписываем параметры выбранного автоматического выключателя в таблицу
| Ток плавкой вставки, А | 82 |
| Тип автоматического выключателя | АЕ |
| Номинальный ток автомата, А | 50 |
| Номинальное напряжение, В | 1000 |
| Число полюсов | 3 |
| Номинальный ток теплового расцепителя, А | 50 |
| Номинальный ток электромагнитного расцепителя, А | 50 |
| Ток срабатывания электромагнитного расцепителя, А | 250 |
| Ток термической устойчивости, А | 3500 |
3. ВЫБОР СТРУКТУРЫ И ОСНОВНЫХ УЗЛОВ СИСТЕМЫ УПРАВЛЕНИЯ ТИРИСТОРНЫМ ПРЕОБРАЗОВАТЕЛЕМ
Система управления преобразовательным устройством предназначена для формирования и генерирования управляющих импульсов определенной формы и длительности, распределения их по фазам и изменения момента подачи на управляющие электроды вентилей преобразователя. В настоящее время широкое распространение получили электронные (полупроводниковые) системы управления вентильными преобразователями, так как они имеют ряд преимуществ перед электромагнитными системами: высокое быстродействие, надежность, малая потребляемая мощность и малые габариты.
Системы управления, в которых управляющий сигнал имеет форму импульса, фазу которого можно регулировать, называют импульсно-фазовыми.
Системы управления выполняют по синхронному и асинхронному принципам.
Синхронный принцип импульсно-фазового управления преобразователями является наиболее распространенным. Его характеризует такая функциональная связь узлов СУ, предназначенных для получения управляющих импульсов, при которой синхронизация управляющих импульсов осуществляется напряжением сети переменного тока.
Асинхронные системы управления преобразователями применяются при существенных искажениях напряжения питающей сети, в частности при значительной несимметрии трехфазных напряжений по величине и фазе. Использование в таких условиях синхронной системы невозможно ввиду получающейся недопустимой асимметрии в углах а по каналам управления тиристорами. Наиболее распространены асинхронные СУ в преобразователях, потребляющих мощность, соизмеримую с мощностью питающей сети. В данном проекте необходимо использовать синхронную систему управления.
Существуют системы управления, построенные по горизонтальному и вертикальному принципу. Горизонтальное управление не нашло широкого распространения, так как мостовые фазовращатели критичны к форме и частоте подаваемого напряжения. Из-за этого выбираем систему управления, построенную по вертикальному принципу.
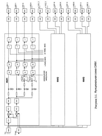
Функциональная схема СИФУ изображена на рис 3.1 и содержит:
ИСН - источник синхронизирующего напряжения (трехфазный трансформатор);
ГОН - генератор опорного напряжения;
Н01,Н02- нуль-органы;
УИ - усилитель импульсов;
ВУ - выходное устройство;
ФИ - формирователь импульсов;
УО- управляющий орган.

4. РАСЧЕТ И ВЫБОР ОСНОВНЫХ ЭЛЕМЕНТОВ СИСТЕМЫ ИМПУЛЬСНО-ФАЗОВОГО УПРАВЛЕНИЯ (СИФУ) ПРЕОБРАЗОВАТЕЛЯ
Для расчета основных элементов системы импульсно-фазового управления (СИФУ) преобразователя принимаем для конструирования цифровые микросхемы серии К176, а аналоговые типа К140УД8А.
Микросхемы серии К561.
| Параметры | Значения |
| 1 | 2 |
Напряжение источника питания, В Напряжение логического нуля, В Напряжение логической единицы, В Входной ток, мкА Ток потребления, мА | 10 1,0 9,0 ± 0,3 20…250 |
Микросхема К140УД8А. Операционный усилитель общего назначения с полевыми транзисторами во входном каскаде и внутренней частотной коррекцией.
| Параметры | Значения |
| 1 | 2 |
Напряжение источника питания, В Ток потребления, мА Входной ток, нА Разность входных токов, нА Выходное напряжение положительного уровня, В Выходное напряжение отрицательного уровня, В Коэффициент усиления напряжения, В Со Подобные работы:
Актуально:
|