Проект подстанции 500/110/10 киловольт в Ростовской области
Именно применение электроэнергии сделало возможным развитие самых передовых отраслей промышленности автоматизацию производства, внедрение и распространение компьютерных и информационных технологий. Именно электроэнергия неизмеримо повысила комфортность быта людей, все больше освобождая людей от рутинного домашнего труда. Темпы экономического роста в двадцатом столетии были очень высоки практически во всех регионах мира, хотя и в разное время. Рост производства и потребления электроэнергии был еще выше.
Дальнейшее проникновение электроэнергии в сферу быта и непроизводственных услуг увязывается с механизацией и автоматизацией труда в домашнем хозяйстве, с проникновением в быт людей телекоммуникаций и информационных технологий, повышением качества услуг образования, медицины, отдыха и развлечений.
К числу наиболее важных задач энергетической стратегии России относятся определение основных количественных и качественных механизмов достижения этих параметров, а также координация развития электроэнергетики с развитием других отраслей топливо - энергетического комплекса и потребности экономики страны.
Стратегическими целями развития отечественной электроэнергетики в перспективе до 2020 г. являются:
- надежное энергоснабжение населения и экономики страны;
- сохранение целостности и развитие Единой энергетической системы России, интеграция ЕЭС с другими энергообъединениями на Евразийском континенте;
- повышение эффективности функционирование и обеспечение устойчивого развития электроэнергетики на базе новых современных технологий;
- уменьшение вредного воздействия отрасли на окружающую среду.
В оптимистическом варианте развитие электроэнергетики России ориентировано на сценарий экономического развития страны, предполагающий форсированное проведение социально-экономических реформ с темпами роста производства валового внутреннего продукта. (1. www.ehighenergy.info)
Мною проектируемая подстанция 500/110/10 киловольт предназначена для потребления мощности и питания предприятий цветной металлургии и населения. Связь с системой осуществляется на напряжениях 500 и 110 киловольт. Установка синхронных компенсаторов заданием не предусмотрена. Выдача мощности осуществляется на напряжениях 110 и 10 киловольт. Подстанция строится в Ростовской области.
1. Выбор синхронных компенсаторов
Выбор синхронных компенсаторов заданием не предусмотрен
2. Выбор и обоснование двух вариантов схем проектируемой подстанции

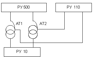
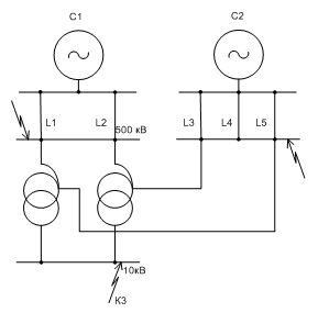
Рис. 1
В схеме 1 шины распределительных устройств 500 киловольт и 10 киловольт соединены двумя автотрансформаторами АТДЦТН 500/110/10 АТ1 и АТ2. Питание шины 110 киловольт осуществляется с выводов среднего напряжения.

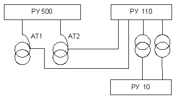
Рис. 2
В схеме 2 шины распределительных устройств 500 киловольт и 10 киловольт соединены тремя автотрансформаторами АТДЦТН 500/110/10 АТ3, АТ4 и АТ5. Питание шины 110 киловольт осуществляется с выводов среднего напряжения.
3. Выбор силовых трансформаторов
Определяем мощность автотрансформаторов:
Qсн=Pснּtgφсн=150ּ0.62=93 МВар; ; Qнн=Pннּtgφнн=60ּ0.59=35.6 МВар;
Smax=
=
=
246.25 МВА;
; ![]()
;.
По этой мощности выбираю АТДЦТН 250000/500/110/10.
По условию
,
, у
Условие выполняется.
Т.к. во втором варианте расположение и число автотрансформаторов сохраняется, считаю возможным выбрать те же автотрансформаторы
АТДЦТН 250000/500/110/10.
Выбор трансформаторов.
В первом варианте выбор трансформаторов по структурной схеме не предусмотрен.
Т.к. во втором варианте полная мощность проходит по четырём трансформаторам (АТ1, АТ2, Т1 и Т2), для расчётов используем следующую формулу:
; ![]()
По этой мощности выбираю ТДЦ 80000/110/10.
Данные выбранных трансформаторов и автотрансформаторов заносим в таблицу 3.1 и таблицу 3.2.
Таблица 3.1
(3.c585)
| Тип трансформатора | Номинальное напряжение, кВ | Потери, кВт | Напряжение короткого замыкания, % | Ток холостого хода, % | ||
| ВН | НН | холостого хода | Короткого замыкания | |||
| ТДЦ 80000/110/10 | 121 | 10,5 | 85 | 310 | 11 | 0.6 |
Таблица 3.2
(3. c172)
| Тип автотрансформатора | Номинальная мощность, МВА | Наибольший допустимый ток в обмотки | Номинальное напряжение, кВ | Потери, кВт | Напряжение короткого замыкания,% | Ток холостого хода, % | ||||||||
| автотрансформатора | Обмотки НН | ВН | СН | НН | Холостого хода | Короткого замыкания | ||||||||
| ВН-СН | ВН-НН | СН-НН | ВН-СН | ВН-НН | СН-НН | |||||||||
АТДЦТН-250000/500 /110 | 250 | 100 | 983 | 500 | 121 | 10,5;38,61 | 200 | 690 | 280 | 230 | 13 | 33 | 18.5 | 0,4 |
4. Технико-экономическое сравнение вариантов
4.1 Экономическая целесообразность схем определяется минимальными приведенными затратами по формуле:
(4. c.396 (5.6))
где К – капиталовложения на сооружение электроустановки, тыс. руб.; pн – нормативный коэффициент экономической эффективности, равный 0,12; И – годовые эксплуатационные издержки, тыс. руб./год.; У – ущерб от недоотпуска электроэнергии, тыс. руб./год.
Капиталовложения “К” при выборе оптимальных схем выдачи электроэнергии и выборе трансформаторов определяют по укрупненным показателям стоимости элементов схемы.
Вторая составляющая расчетных затрат – годовые эксплуатационные издержки – определяется по формуле:
(4. c.327 (5.7))
где Pa, P0 – отчисления на амортизацию и обслуживание, %; ∆W – потери электроэнергии, кВт ∙ ч; β – стоимость 1 кВт ∙ ч потерь электроэнергии,
коп/кВт ∙ ч
Делаем таблицу капитальных затрат:
Таблица 4.1
| Оборудование | Цена, т.р. | Первый | Второй | ||
| количество | стоимость | количество | стоимость | ||
АТ1, АТ2, АТ3, АТ4: АТДЦТН 250000/500/110/10 | 375.5 | 2 | 751 | 2 | 751 |
| Т1, Т2: ТДЦ 80000/110/10. | 113.7 | нет | нет | 2 | 227.4 |
| Ячейка 110 | 250.5 | 2 | 501 | 4 | 1002 |
| ИТОГО | 1252 | 1980.4 | |||
| ИТОГО с учётом удорожания ×30 | 1252×30 | 1980.4×30 | |||
4.2 Рассчитываем издержки для первого варианта:
;
;
;(1.с
315(т.8.2))
β=85коп/кВтч;
;
; (1.с 315(т.8.2))
ч;
=0.85;
;
;
=0.5∙
=0.5 ∙ 690=345кВт;
;
;
;![]()
4.3 Рассчитываем издержки для второго варианта:
;
;
;
![]()
Т.к. во втором варианте дополнительно используются те же автотрансформаторы, что и в первом варианте, то для нахождения полных затрат энергии второго варианта к
прибавить
:
;
;
![]()
4.4 Сравнение вариантов:
,6%=
Используются те же автотрансформаторы, что и в первом варианте, то для нахождения полных затрат энергии второго Первый вариант экономичнее второго на 76%, поэтому дальнейшие расчёты ведём для первого варианта.
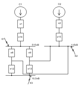
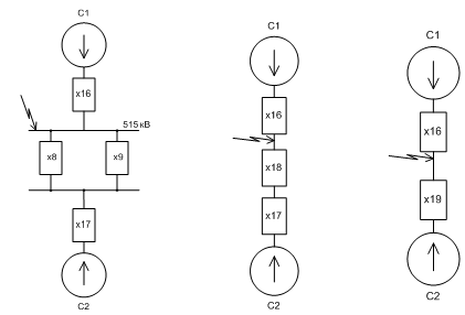
5. Расчёт токов короткого замыкания
5.1 Построение схемы замещения для всех точек:




Расчет токов короткого замыкания производим в относительных единицах. Базисную мощность принимаю Sб=1000 МВА.
5.2 Расчёт сопротивлений

![]()
![]()
![]()
![]()
принимаем за нуль
![]()
![]()
![]()

![]()
![]()
5.3 Расчёт для первой точки короткого замыкания:




![]()
5.4 Расчёт для второй точки замыкания:




![]()
.
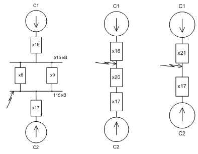
5.5 Расчёт третьей точки короткого замыкания:


![]()

![]()
![]()
![]()
.
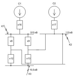
Токи трехфазного короткого замыкания:
Таблица 5.1
| Точки К.З. | К-1 | К-2 | К-3 |
Среднее напряжение,Ucр кВ | 515 | 115 | 10,5 |
| Источники | С1,2 | С1,2 | С1,2 |
Результирующие сопротивления, хрез | 2,01; 2,285 | 2,01; 0,905 | 2,71; 3,9 |
Базовый ток
|
|
|
|
| 1,0 | 1,0 | 1,0 |
| 2,27 | 8,05 | 34,4 |
|
|
|
|
| 6,08 | 19,5 | 94 |
| 0,035 | 0,038 | 0,07 |
| 0,56 | 0,28 | 0,03 |
| 1,8 | 3,18 | 1,46 |
Примечание: ![]()
(2.c.163§3.3(рис.3-26))
(2.c.161§3.3(Т.3-8))
(2.c.140§3.3(Т.3-4))
6. Выбор электрических аппаратов и токоведущих частей
Веду выбор оборудования на РУНН-10 кВ. Выбор выключателей и разъединителей.
Определяю расчетные токи продолжительного режима;
![]()
![]()
Расчетные и каталожные данные свожу в таблицу.
Таблица 6.1
| Расчетные данные | Каталожные данные | |
| Выключатель МГГ-10-45 | Разъединитель РОН-10-4000-У1 | |
Uуст=10 кВ | Uном=10 кВ | Uном=10 кВ |
Imax=3464 А | Iном=4000 А | Iном=4000 А |
|
| - |
|
| - |
|
| - |
|
|
|
|
|
|
|
| - |
Выбор выключателей по условию отключения апериодической составляющей тока КЗ не проходит, в этом случае допустимо проверить выключатель по полному току КЗ.
Выбор шин.
Произвожу выбор шин на стороне низшего напряжения. Выбор производим по экономической плотности тока:
![]()
Принимаю 2 несущих провода АС-30/39, тогда
![]()
Число А-300:
.
Принимаю токопровод 2×АС-300/39 + 4×А-300; d=230мм, D =3м.
![]()
Пучок голых проводов имеет большую поверхность охлаждения, поэтому проверку на термическую стойкость не проводим.
Проверка на схлёстывание:
![]()
Сила тяжести 1метра токопровода с учётом массы колец 1,6 кг, массы 1метра провода АС-300/39 1,132 кг, провода А-300 0,794 кг по табл. 7-29, 7-30 в (2):
![]()
Если ![]()

По диаграмме для ![]()
Допустимое отклонение:
![]()
Схлёстывания не произойдёт, т.к. ![]()
Выбор изоляторов.
Выбираю изолятор ПС6-А; Uном =10 кВ; Fном. =60000 Н.
Выбор трансформаторов тока.
Учитывая, что трансформатор тока будет установлен в КРУН, выбираю ТПШЛ 10-5000-0,5/10Р, R2ном =1,2 Ом, Ктер=35, tтер=3.
Сравнение расчетных и каталожные данных приведены в таблице 6.2. При расчете пользуюсь формулами (2.c.373-377).
Таблица 6.2
(2.c.367(т.4.12))
| Расчетные данные | Каталожные данные |
Uуст =10 кВ | Uном =10 кВ |
Imax=3464 А | Iном =5000 А |
| Не проверяем |
|
|
Составляю таблицу вторичной нагрузки трансформатора тока
Таблица 6.3
(2.c.632(п.4.7)).
| Приборы | Тип | Нагрузка | ||
| А | В | С | ||
| Амперметр | Э-335 | 0,1 | 0,1 | 0,1 |
| Счетчик реактивной энергии | Д-365 | 0,5 | - | 0,5 |
| Счетчик активной энергии | САЗ-Н361 | 2,5 | - | 2,5 |
| Итого | 3,1 | 0,1 | 3,1 | |
Из таблицы видно, что более загружены трансформаторы тока фаз А и С.
Общее сопротивление приборов:
![]()
Допустимое сопротивление проводов при ![]()
![]()
Так как на данной подстанции высшее напряжение 500кВ, то принимаю соединительные провода с медными жилами (
), ориентировочная длина 50м. (2.c.375).

,
так как ближайшее стандартное сечение кабеля 3.6 мм в диаметре, принимаю кабель М10-3,6
Выбор трансформаторов напряжения.
В цепи комплектного токопровода установлен трансформатор напряжения типа ЗНОЛ 06-10У3.
Проверяю его по вторичной нагрузке. Подсчет нагрузки приведен в таблице 6.4.
Таблица 6.4
| Приборы | Тип | Sодной об-ки | Число об-к | cos y | sin y | Число приборов | Общая S | |
| R Вт | Q Вар | |||||||
| Вольтметр | Э-335 | 2 | 1 | 1 | 1 | 0 | ?????????????? ????????????? ???????????? ????? ?????????????? ?????????????? ???? 3600 ?????????????? ?????????????? ???? ???? ?????????????? ?????????????? ???-720??? ?????????? ??????????? ??????? ??????????
Актуально:
| |




