Розрахунок керованого випрямляча та системи імпульсно-фазового керування
ЗАВДАННЯ
на проектування з дисципліни
«Електроніка та мікросхемотехніка»
Кафедра автоматизації виробничих процесів
Варіант № 34
Тема: “Розрахунок керованого випрямляча та системи імпульсно-фазового керування”
Вихідні дані:
1) Для випрямляча:
· напруга живлення (
) – 380;
· напруга на навантаженні (
) – 80;
· струм на навантаженні (
) – 30;
· глибина регулювання (
) – 10.
2) Для СІФУ:
· напруга живлення (
) – 380;
· напруга управління (
) – 0…8.
3) Для блока живлення:
· напруга живлення (
) – 380;
· вихідна напруга (
) – 12;
· струм на навантаженні (
) – 0,3;
· коефіцієнт стабілізації (
) – 100.
ПИТАННЯ ДЛЯ ПРОРОБКИ
1. Розрахунок силової частини керованого випрямляча.
2. Проектування системи імпульсно-фазового керування.
3. Розрахунок джерела живлення.
4. Моделювання силової частини керованого випрямляча.
Завдання видане15.10.2004р.
Строк захисту13.12.2004р.
Завдання прийняте до виконання __________________(Наталюткін М.І.)
Керівник __________________(Сус С.П.)
Реферат
Курсова робота присвячена розрахунку елементів керованого випрямляча, системи імпульсно-фазового керування для керованого випрямляча та блока живлення СІФУ.
Курсова робота містить 30 сторінок, 12 ілюстрацій, 1 додаток та 1 креслення (схема керованого випрямляча в зборі).
Зміст
Вступ
1 РОЗРАХУНОК СИЛОВОЇ ЧАСТИНИ КЕРОВАНОГО ВИПРЯМЛЯЧА
1.1 Вибір схеми та розрахунок основних параметрів випрямляча в некерованому режимі
1.2 Розрахунок основних параметрів випрямляча в керованому режимі
1.3 Розрахунок регулювальної характеристики керованого випрямляча
1.4 Розрахунок регулювальної характеристики керованого випрямляча
1.5 Вибір захисту тиристорів від перевантажень за струмом та напругою
2 ПРОЕКТУВАННЯ СИСТЕМИ ІМПУЛЬСНО-ФАЗОВОГО КЕРУВАННЯ
2.1 Розрахунок параметрів пускових імпульсів
2.2 Розрахунок параметрів елементів кола керування тиристорами
2.3 Розрахунок параметрів елементів блокінг-генератора
2.4 Розрахунок елементів генератора пилкоподібної напруги
2.5 Розрахунок вхідного кола генератора пилкоподібної напруги
2.6 Розрахунок елементів блока синхронізації
2.7 Побудова регулювальних характеристик випрямляча
3 РОЗРАХУНОК ДЖЕРЕЛА ЖИВЛЕННЯ
3.1 Вибір схеми та розрахунок основних параметрів джерела живлення
3.2 Розрахунок однофазного мостового випрямляча
Висновки
Перелік посилань
Додатки
Додаток А
Мета даної курсової роботи – спроектувати керований випрямляч і систему імпульсно-фазового керування для нього.
Випрямляч – пристрій, що перетворює змінний струм у постійний. Він складається з трансформатора, що перетворює напругу ланцюга живлення у необхідну за величиною; вентильного блоку, що перетворює змінну напругу в пульсуючу та фільтра, що згладжує пульсації випрямленої напруги до необхідної для нормальної роботи споживача величини. У даній курсовій роботі розглядається трьохфазний керований випрямляч, побудований з використанням керованих вентилів (тиристорів). В такому випрямлячі використовується трансформатор із двома обмотками. Фільтри, що згладжують, виконані на основі дроселів.
Для керування тиристорами, що використовуються в даному випрямлячі, використовується система імпульсно-фазового керування. Такий спосіб керування потужними тиристорами в даний час вважається найбільш прийнятним. Суть способу полягає у включенні замкнених тиристорів майже позитивними прямокутними імпульсами, що подаються на керуючий електрод тиристора зсунутими за фазою на кут
відносно моменту природного включення некерованих вентилів. Таким чином, основним завданням системи імпульсно-фазового керування є перетворення вхідної регулюючої напруги у відповідний кут регулювання
(тобто кут відкриття тиристорів). Тому що в даному випрямлячі використовується 6 тиристорів, то для керування ними використовується багатоканальна система імпульсно-фазового керування. При цьому схеми всіх каналів однакові і відрізняються тільки фазами синхронізуючих напруг, що зсунуті за фазою одна відносно одної на 120 градусів, як і у відповідних анодних ланцюгах тиристорів.
Для живлення схеми системи імпульсно-фазового керування використовується релейний стабілізатор напруги.
1 РОЗРАХУНОК СИЛОВОЇ ЧАСТИНИ КЕРОВАНОГО ВИПРЯМЛЯЧА
1.1 Вибір схеми та розрахунок основних параметрів випрямляча в некерованому режимі
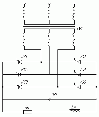
Згідно з завданням приймаємо трьохфазну мостову схему випрямляча на шести тиристорах з нульовим діодом.

Рисунок 1.1 – Схема трьохфазного мостового випрямляча
на шести тиристорах з нульовим діодом
Спочатку проводимо розрахунок у некерованому режимі, тобто при
У зв’язку з тим, що напруга в мережі може змінюватись у межах
визначаємо величини випрямлених напруг на навантаженні:

де
– випрямлена напруга на навантаженні при нормальній напрузі в мережі;
– випрямлена напруга на навантаженні при підвищеній напрузі в мережі.
Визначаємо максимальне значення зворотної напруги на тиристорах:
середнє значення струму тиристорів 
З джерела (1) за обчисленими значеннями обираємо тиристори типу T132-16-13.
Визначаємо активний опір фази трансформатора:

де
– коефіцієнт, що залежить від схеми випрямлення;
– магнітна індукція в магнітопроводі;
– частота струму живлячої мережі;
– число стрижнів магнітопроводу для трансформаторів.
Визначаємо індуктивність розсіювання обмоток трансформатора:

де
– коефіцієнт, що залежить від схеми випрямляча.
Визначаємо напругу холостого ходу з урахуванням опору фази трансформатора
: ![]()
де
– спадання напруги на вентилях та обмотках трансформатора,
![]()
– спадання напруги на вентилях, ![]()
– спадання напруги на обмотках трансформатора.

де
– число пульсацій кривої випрямленої напруги за період мережі.
Визначаємо параметри трансформатора з джерела (2):
діюча напруга на вторинній обмотці трансформатора
![]()
діючий струм вторинної обмотки трансформатора
![]()
коефіцієнт трансформації

діючий струм первинної обмотки трансформатора
![]()
діюче значення струму діода

типова потужність трансформатора
![]()
Визначаємо кут комутації:

де
– індуктивний опір обмоток трансформатора.
Внутрішній опір випрямляча

Коефіцієнт корисної дії

де
– втрати в трансформаторі, ![]()
– коефіцієнт корисної дії трансформатора, ![]()
– втрати потужності на випрямних діодах, ![]()
– число тиристорів у схемі.
Визначаємо струм нульового вентиля:

З джерела (1) за обчисленим значенням обираємо діод типу ВЛ100.
Зовнішня характеристика випрямляча при
будується за двома точками: Холостий хід і Номінальне навантаження, має вигляд прямої (рис. 1.2).
Таблиця 1.1
| 0 | 30 |
| 107,3015 | 80 |

Рисунок 1.2 – Зовнішня характеристика випрямляча
1.2 Розрахунок основних параметрів випрямляча в керованому режимі
Визначаємо максимальний і мінімальний кути регулювання:
![]()
Мінімальна випрямлена напруга на навантаженні


Струм на навантаженні 
Визначаємо максимальний і мінімальний кути провідності тиристорів:
![]()
Струми через тиристори та в нульовому діоді вже розраховано вище.
1.3 Вибір елементів керованого випрямляча
На підставі попередніх розрахунків знаходимо:
для тиристорів – ![]()
для нульового діода – ![]()
Тиристори та нульовий діод обираємо із запасом за зворотною напругою ![]()
Приймаємо тиристори та діод із припустимою зворотною напругою ![]()
Припустимі струми через тиристори та вентиль залежать від кута провідності
та швидкості охолоджуючого повітря й не перевищують
Тоді необхідно обрати:
тиристори на струм 
нульовий діод на струм 
За обчисленими значеннями з джерела (1) обираємо для випрямляча шість тиристорів VS1-VS6 типу 2Т132-25-20, нульовий діод VD0 типу ВЛ200. Для охолодження тиристорів та діоду застосовуємо типові охолоджувачі М-6А.
1.4 Розрахунок регулювальної характеристики керованого випрямляча
Загальна розрахункова формула для всього сімейства навантажувальних характеристик:
при 
![]()
при 


Де
– напруга холостого ходу;
– спадання напруги на елементах випрямляча;
– струм на навантаженні.
Результати розрахунків зведемо до таблиці 1.2.
Таблиця 1.2
| 0˚ | 30˚ | 60˚ | 90˚ | 101,366˚ |
| 30 | 25,981 | 15 | 4,019 | 1,573 |
| 6,984 | 6,343 | 4,592 | 2,841 | 2,451 |
| 100,318 | 86,583 | 49,059 | 11,535 | 3,174 |

Рисунок 1.3 – Регулювальна характеристика випрямляча
1.5 Вибір захисту тиристорів від перевантажень за струмом та напругою
Захист повинен задовольняти наступним вимогам:
- забезпечувати максимальну швидкодію;
- здійснювати відключення тільки пошкодженого елемента;
- мати високу чуттєвість.
Для захисту тиристорів від перевантажень використовуємо швидкодіючі плавкі запобіжники.
Струм плавкої вставки
![]()
де
– коефіцієнт можливого експлуатаційного перевантаження;
– коефіцієнт, що характеризує співвідношення струмів в ідеальному випрямлячі;
– коефіцієнт, що враховує відхилення форми опорного струму вентилів від прямокутної;
– коефіцієнт трансформації трансформатора.
Приймаємо до установки швидкодіючі запобіжники FU1-FU3 типу
ПНБ-5-380-7.
Для забезпечення захисту від комутаційних перевантажень використовуємо на вхідних шинах перетворювача
ланцюги.
Визначаємо параметри ланцюгів за наступними співвідношеннями:

де
– величина струму холостого ходу вторинної обмотки трансформатора, складає 5% від діючого струму вторинної обмотки трансформатора;
– коефіцієнт запасу від перевантажень на тиристорі, ![]()
![]()

![]()
![]()
З джерела (2) за обчисленими значеннями обираємо конденсатори C1-C3 типу СГМ-4-500 В-0.62 мкФ±10%, резистори R1-R3 типу ПЭВ-10-50 Ом±5%.
Для послаблення перевантажень тиристорів у момент комутації використовуємо
ланцюги, що вмикаються паралельно тиристорам. Такий ланцюг разом з індуктивністю навантаження утворює послідовний коливальний контур. В ньому конденсатор обмежує комутаційні перевантаження, а резистор обмежує струм розряду цього кондесатора при відмиканні та запобігає коливанням у послідовному контурі.
Параметри ланцюгів визначаємо за наступними співвідношеннями:

Де
– індуктивність розсіювання обмоток трансформатора;
– діюча напруга вторинної обмотки трансформатора;
– критична швидкість наростання напруги на тиристорі;


де
– динамічний опір відкритого тиристора.
З джерела (2) за обчисленими значеннями обираємо конденсатори C4-C9 типу МБГО-0,0025 мкФ±10% на 127 (В), резистори R4-R9 типу ПЭВ-20-620 Ом±10%.

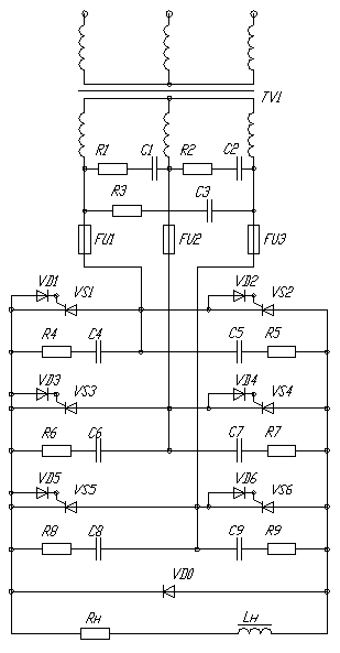
Рисунок 1.4 – Схема захисту вентильних блоків перетворювача від перевантажень за струмом та напругою
2 ПРОЕКТУВАННЯ СИСТЕМИ ІМПУЛЬСНО-ФАЗОВОГО КЕРУВАННЯ
2.1 Розрахунок параметрів пускових імпульсів
Визначаємо потрібну тривалість імпульсу керування
. У попередньому розрахунку був визначений кут комутації вентилів
. Тривалість імпульсу керування обираємо з умови
. Переведемо тривалість імпульсу в секунди (
=56мкс):
.
Сигнал подається на тиристор через
, тому період повторення імпульсів визначається як ![]()
Для тиристора Т151-100-13 струм та напругу керування: ![]()
2.2 Розрахунок параметрів елементів кола керування тиристорами
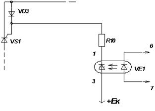
Схема підключення ланцюга керування має такий вигляд (рис. 2.1).

Рисунок 2.1 — Схема підключення ланцюга керування тиристорами
В якості розв’язки застосований діодно-оптотиристорний модуль VE1. Виконаємо розрахунок елементів ланцюга керування тиристорами.
Шунтуючий діод VD3, для надійного закриття тиристора обираємо за умови: Uобр.доп>Uxx=324,24 (B);
.
Приймаємо діод типу ВЛ100.
Через оптотиристор оптрону проходить струм керування силового тиристора
=300 (мА). Тоді величину опору обмежуючого резистора R10 знаходимо за такої умови:
,
де Uy – Напруга відкритого тиристора, Uy = 4 (В).
Визначаємо потужність розсіювання на резисторі R10, за умови імпульсного характеру керування:
.
Приймаємо до установки резистор ТВО-2-100 Ом±20%.
З джерела (1) обираємо стандартний діодно-оптотиристорний модуль. Вибір провозимо за
– середньому значенню струму через оптотиристор:

Приймаємо до установки модуль МДТО80-12 з параметрами: ![]()

Рисунок 2.2 — Схема ланцюга керування тиристорами
Крізь світодіод оптрона проходить струм керування
. Величина опору обмежуючого резистора R8 значодимо з умови, що коефіцієнт трансформації TV2 приймаємо
, і максимальну напругу на вторинній обмотці TV2 буде дорівнювати U2 =Eк/5= 30/5=6 (В).
,
де Uy – спадання напруги на свтодіоді оптрону.
Визначаємо потужність розсіювання на риезисторі R8:
.
Приймаємо до установки резистор типу ОМЛТ-0,125-47±1%.
Внутрішній опір керування оптотиристора:
.
Тоді повний опір навантаження ланцюга керування тиристорами:
Rн = Ry + R8 = 47+31,25 = 78,25 (Ом).
Для захисту світодіоду оптрона від перенапруг, які виникають на обмотках трансформатора TV2 при знятті импульсу керування, обмотка TV2 шунтується діодом VD8. Діод обираємо з умови Uобр > 2Eк =60 (B); Iпр = Iм = Iy = 0,08 (А), де Iм – струм намагнічення трансформатора TV2.
Обираємо до установки діод КД109Б з наступними параметрами:
Uобр = 100 (В), Iпр = 0,3 (А).
2.3 Розрахунок параметрів елементів блокінг-генератора
Схема блокінг-генератора представлена на рисунку 2.3.

Рисунок 2.3 — Схема блокінг-генератора
Максимальний струм в ланцюгу колектора VT2 (струм первинної обмотки Wk) визначимо як
.
Допустиму напругу на колекторі визначимо як:
.
Визначимо імпульсну потужність колекторного ланцюга:
.
Визначимо середню потужність вихідного каскаду:
.
З довідника за даними Uкэ.доп, Im, Pn обираємо транзистор КТ601М з наступними параметрами:
- максимальна напруга колектор-емітер Uкэ.max = 100 (B);
- максимальний струм колектора Iк.max = 0,03 (А);
- максимальна розсіювана потужність Pк.max = 0,5 (Вт).
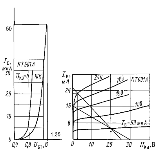
З довідника (3) беремо вхідні та вихідні характеристикии (малюнок 2.4) та бужуємо характеристики навантаження за постійним та змінним струмом.

Рисунок 2.4 — Вхідні та вихідні характеристики транзистора КТ601М (КТ601А)
Визначимо приведений опір в ланцюгу колектора:
.
Визначимо струм короткого замикання
.
Визначимо напругу холостого ходу
.
Будуємо лінію навантаження за постійним струмом. В момент перетину Iб = 50 (мкА) (струм відсічки) з лінією навантаження отримаємо робочу точку А. В результаті графічних будувань знаходимо: струм спокою Iкo = 5 (мА) и Uкo = 20 (В).
Визначаємо струм короткого замикання за змінним струмом
:
,
де
- коефіцієнт робочої точки при збільшенні температури
.
З точки
= 23,3 (мА) крізь точку А проводимо пряму навантаження за змінним струмом. Графічно знаходимо максимальний струм бази Iб.макс = 250 (мкА).
Визначаємо величину опору змінному струму:
.
З графічних побудов знаходимо:
Uкн = 2,5 (B); Iкн = I”к = 23,3 (мА);Uб0 = 1,35 (В); Uб.макс = 2,85 (В).
Тоді
;
.
.
Коефіцієнт підсилення каскада
.
Задаючись спаданням напруги на резисторі R6 яке дорівнює (0,15…0,2)Eк визначимо величину резистора:
.
Допустима потужність розсіювання на R6:
.
Приймаємо до установки резистор типу ОМЛТ–0,125–1 кОм±10%.
Визначимо опір дільників ланцюга бази.
Звичайно приймають
.
Тоді
.
.
Визначимо потужність розсіювання на резисторах R7 ,R9:
.
.
Приймаємо резистор R7 типу КИМ–0,05–2,4 кОм±10%; резистор R9 типу КИМ–0,05–6,8 кОм±10%.
Ємність конденсатора С5 визначимо з умови найменших відхилень:
.
Приймаємо до установки конденсатор типу К76-П1-63 В-3,3 мкФ.
Визначаємо опір ланцюга стабілізації:

Вхідний опір блокінг-генератора
.
Розрахунок імпульсного трансформатора поснемо з вибору коефіцієнта трансформації
який розраховується як:
.
Приймаємо n0 = 2.
Ємність конденсатора С4 визначимо з умови найменший відхилень:
.
приймемо конденсатор з ємність в 10 разів більше ніж ми розрахували. Обираємо конденсатор типу К50-7-50В-56 мкФ±20%.
Визначимо індуктивність колекторної обмотки імпульсного трансформатора:
,
де
– коефіцієнт передачі за струмом транзистора VT2 ![]()
16.
Обираємо тороїдальний сердечник з фериту марки 100НН1 10х6.0х2.0,
Тоді магнітна проникливість:

де
– початкова проникливість феріту марки 100НН1,
=100;
– магнітна стала феритів,
;
– середня довжина магнітної лінії,
= 34,84 мм;
S – поперечний переріз, S = 23,06 мм2.
Знаходимо кількість витків колекторної та вхідної обмоток трансформатора:
.
. Приймаємо
.
.
Діод VD7 обираємо по
.
Приймаємо до установки діод типу КД102Б.
2.4 Розрахунок елементів генератора пилкоподібної напруги
тиристор струм напруга генератор

Рисунок 2.5 — Схема блокінг-генератора
Для того, щоб блокінг-генератор (далі – ГПН) (рисунок 2.5) працював, необхідно, щоб час відкритого стану транзистора було набагато менше часу закритого стану, але достатнім для розрядки конденсатора С3. Для цього попередимо включення у вхідний ланцюг ГПН схеми (рисунок 2.6), яка складається з дільникового ланцюга, діоду та дільникового конденсатора. Така схема включення дозволяє знизити напругу на базі VT1 на половину амплітуди пульсуючого сигналу, що дозволить транзистору бути відкритим приблизно
. Приймемо час відкритого стану
, а час закритого стану![]()
.
Сконструюємо ГПН на транзисторі типу ГТ403Ж з параметрами
,
де
– напруга насичення між колектором та ємитером.
Напруга на конденсаторі С3 змінюється за законом
,
де Тз – постійна часу заряду конденсатора,
,
де Un максимальна напруга на виході ГПН.
Для его знахождення спочатку оберемо діод VD6:
.
Обираємо до установки діод типу КД202М з параметрами:
.
Так як. Uy=0…8 (B), Un розраховується як
.
Приймемо Un=9 (B), тоді:
.
Приймемо максимальний робочий струм
,
де KI – запас стійкості за струмом.
Знаходимо опір резистора R5 :
.
Т.я. напруга змінюється майже лінійно, то потужність розсіювання на резисторі R5:
.
Приймаємо до установки резистор типу С5-35 В-7.5-62 Ом.
Підставивши ці дані в формулу, знаходимо ємність конденсатора С3:
.
Приймаємо до установки конденсатор типу К50-7-50 В-380 мкФ.
Розрахуємо максимальний струм відкритого транзистора:
.
Обираємо струм дільника
,
де
=20 для транзистора типу ГТ403Ж за частот, близьких до 50 (Гц).
За довідником, визначивши, що при
![]()
визначають як
.
Визначаємо параметри опорів R4 та R3:
.![]()
.
.
.
Обираємо резистори типів: R4 С2-11-0.25-3.6±1%, R3 ПЭВ-10-120±5%.
Діод VD7 обираємо за
.
Обираємо діод типу КД102Б.
2.5 Розрахунок вхідного кола генератора пилкоподібної напруги
Вхідний ланцюг ГПН поданий на рисунку 2.6.

Рисунок 2.6 – Вхідний ланцюг ГПН

Ємність конденсатора С2 визначимо з умови найменших відхилень:
.
Напруга на С2:
.
Приймаємо конденсатор типу К50-16-1000 мкФ.
Задамося опором
. Приймемо
.
Потужність на резисторі R2
.
Приймаємо резистор ОМЛТ–0,125–100 Ом±10%.
Ємність конденсатора С1 визначимо з умови найменших відхилень:
.
Наруга на С1:
,
де
-кут відкритого стану транзистора
.
Приймаємо до встановлення конденсатор типу К52-1-3 В-22 мкФ.
Визначимо параметри опору R1, прийнявши
, знаходимо:
,
де
- максимальний струм навантаження, розраховуємо за формулою:
.
Потужність на резисторі R1:
.
Обираємо резистор типу ОМЛТ–0,125–36 Ом±5%.
Обираємо діод VD5 за параметрами:
![]()
Приймаємо до встановлення діод типу КД102Б.
2.6 Розрахунок елементів блока синхронізації

Рисунок 2.7 – Блок синхронізації
Для однофазної мостової схеми випрямлення знаходимо:

Від відносно малої потужності споживання (84 мВт) розрахунок трансформатора не виконуємо. Вторинна обмотка трансформатора може розполагатися на силовом трансформаторі.
Параметри діодів VD1-VD4:
![]()
За величиною
та
обираємо до встановлення діоди типу КД105Б за наступними параметрами ![]()
Повна схема СІФУ надана на рисунку 2.8.

Рисунок 2.8 – Повна схема СІФУ
2.7 Побудова регулювальних характеристик випрямляча
Вихідні дані для розрахунку Uy = 0…8 (B).
Амплітуда пилкоподібної напругиU п max = 9 (В).
Спадання напруги на діоді VD6
.
Блокінг-генератор на транзисторі VT2 спрацьовує в той момент, коли напруга з ГПН стає більш негативною по відношенню до напруги керування, тобто
.
– пилкоподібної напруги, змінюється за законами:
,
де
- напруга на виході ГПН за відкритого транзистора VT1,
Тз – постійна часу заряду конденсатора,
.
Величина напруги керування СІФУ для різних кутів
визначається як

Таблиця 2.1
| 0 | 30 | 60 | 90 | 120 | 150 |
| 0 | 1,68 | 3,36 | 5,04 | 6,72 | 8,4 |
|
| 1.68 | 3.5 | 5.28 | 6.93 | 8.46 |
Подобные работы: