Приемник диспетчерской радиостанции
Радиоприемное устройство является неотъемлемой частью любой радиотехнической системы. В первые годы развития радиотехники возможность беспроволочной передачи сообщений использовалась исключительно для целей связи; это время характеризуется интенсивным развитием радиотелеграфии, радиотелефонии, а также радиовещания. В дальнейшем совершенствование радиотехнической аппаратуры и освоение новых частотных диапазонов привело к созданию качественно новых направлений и к бурному развитию таких областей радиотехники, как телевидение, радиолокация, радиоуправление, радионавигация, радиоастрономия и т.д. В связи с этим в настоящее время для радиоприемных устройств весьма характерным является большое их разнообразие, определяемое различием радиотехнических систем, в состав которых они входят. Несмотря на такое многообразие, все радиоприемные устройства связывает общность построения структурной схемы и ряд функций, характерных для любого приемника.
Функции приемника вытекают из условий приема сигналов:
– наличие помех;
– малая мощность сигнала;
–наличие передаваемого сообщения в преобразованном виде, в форме модуляции несущих колебаний радиочастоты.
Соответственно в приемнике должно происходить:
– выделение нужного сигнала из спектра колебаний, создаваемых внешними полями в антенне;
– усиление сигнала;
– преобразование радиосигнала в ток, изменяющийся по закону модуляции несущих колебаний, позволяющий воспроизвести сообщение, которым модулирован передатчик корреспондента. Такое преобразование называется детектированием.
Поскольку при детектировании меняется частотный спектр подводимого сигнала, очевидно, что этот процесс требует применения нелинейной или параметрической цепи. Кроме того, уже продетектированный сигнал требует дополнительного усиления.
Первые приемники были приемниками прямого усиления и, вследствие ухудшения избирательных свойств с повышением частоты, работали на относительно низких частотах.
Гетеродинные преобразователи частоты были впервые применены еще в начале 20-го века в связи с переходом в телеграфных радиопередатчиках от искровых к дуговым и машинным генераторам. Они служили для преобразования в приемниках колебаний радиочастоты в колебания тональной частоты, пригодные для слухового приема. Такие приемники назывались гетеродинными. Когда позже дополнительно было введено предварительное преобразование радиочастоты в промежуточную частоту, приемники стали называть супергетеродинными. В дальнейшем это название сохранилось для всех приемников с преобразованием частоты в додетекторном усилительном тракте.
Основное усиление и избирательность СГРПРМ обеспечивает так называемый усилитель промежуточной частоты (УПЧ). Напряжение с промежуточной частотой образуется в одном из первых каскадов супергетеродинного приемника – в преобразователе частоты (ПЧ).
Отличительной особенностью супергетеродинного приемника является то, что независимо от частоты принимаемого сигнала промежуточная частота фиксирована, а величину её выбирают так, чтобы обеспечить требуемые усиление и избирательность. Таким образом, супергетеродинный приемник представляет своего рода комбинацию из преобразовательного каскада и приемника прямого усиления, работающего на фиксированной частоте. Роль такого приемника выполняет УПЧ и последующие за ним каскады.
Постоянство промежуточной частоты СГРПРМ и возможность сделать ее ниже радиочастоты позволяет получить ряд больших преимуществ:
1. Резонансные цепи УПЧ не требуется перестраивать. Это сильно упрощает конструкцию и увеличивает надежность приемника.
2. Благодаря фиксированной настройке колебательных контуров УПЧ имеет неизменную АЧХ и постоянный коэффициент усиления. Поэтому и общая АЧХ приемника, а также его общий коэффициент усиления мало зависят от частоты настройки.
3. При усилении сигналов на пониженной (промежуточной) частоте емкостные и индуктивные обратные связи проявляются слабее, и это позволяет увеличить коэффициент усиления без опасности самовозбуждения.
4. На промежуточной частоте проще осуществить качественную фильтрацию, чем на радиочастоте.
Обладая большими принципиальными достоинствами, супергетеродинные приемники не лишены некоторых недостатков. В первую очередь, это наличие паразитных каналов приема. Основной паразитный канал носит название зеркального или канала симметричной станции. Ослабление помех, действующих на частоте зеркального канала, возможно только с помощью избирательных систем, включенных до преобразователя, т.е. с помощью ФРЧ и входной цепи.
Степень подавления помех, действующих на частоте зеркального канала, можно повысить, увеличив промежуточную частоту. Однако при этом надо иметь ввиду, что увеличение ПЧ может привести к недопустимому расширению полосы пропускания УПЧ и снижению избирательности по соседнему каналу. В указанном обстоятельстве заключено основное противоречие при выборе между высокой и низкой промежуточной частотой. Обычно удается выбрать компромиссное значение ПЧ, которое обеспечивает требуемую избирательность как по соседнему, так и по зеркальному каналу.
Другой недостаток СГРПРМ состоит в возможности возникновения т.н. комбинационных свистов. Основной мерой для подавления этого эффекта является снижение уровня гармонических составляющих гетеродинного напряжения и сигнала выбором соответствующего режима работы смесителя.
При проектировании супергетеродинного приемника все перечисленные недостатки могут быть практически полностью устранены, причем и устранение достигается, в основном, рациональным выбором величины промежуточной частоты и режима работы преобразовательного каскада. Характеризуя достоинства супергетеродинного радиоприемника, следует отметить, что этот тип приемника является единственным, который способен обеспечить высокие усиление и избирательность во всех радиочастотных диапазонах. Поэтому супергетеродинный метод радиоприема, являющийся в настоящее время основным, и предложен для реализации в данном курсовом проекте.
1. Анализ задания, определение требований к приемнику
Выбор промежуточной частоты (частот)
приемник диспетчерская радиостанция
В связи с тем, что заданный диапазон частоты сигнала 330-340 МГц лежит в УКВ диапазоне, выберу число преобразований частоты равное двум. Иначе (при одном преобразовании) сильно возросло бы требование к стабильности частоты гетеродина, и, кроме того, при низкой промежуточной частоте, на которой должно осуществляться детектирование, обеспечение высокой избирательности по зеркальному каналу стало бы практически неосуществимым.
Так как зеркальный канал отличается от основного канала приема на частоту, равную
, то, исходя из обеспечения требуемой избирательности по зеркальному каналу, первую промежуточную частоту следует выбирать достаточно большой. В то же самое время частоту
следует выбирать не слишком высокой, опираясь на характеристики предполагаемого фильтра ПЧ, а именно на его избирательные свойства в отношении второго зеркального канала и, конечно же, соседнего канала приема. Учитывая требование к подавлению зеркального канала вместе с требованием к избирательности производимых промышленностью фильтров промежуточной частоты, выберу первую промежуточную частоту
.
Величину второй промежуточной частоты выбирают невысокой относительно первой. Это связано, как с номинальной частотой применяемого частотного детектора, так и с необходимостью получения требуемого ослабления помех соседних каналов. Так как в техническом задании к данной работе есть указание использовать современную элементную базу с применением поверхностно монтируемых компонентов, то при проектировании радиоприемника предполагается использовать микросхемы иностранного производства. Так как стандартной номинальной частотой ЧМ детекторов, выпускаемых за границей, является частота 455кГц, то выберу вторую промежуточную частоту
.
Расчёт полосы пропускания линейного тракта приемника
Полоса пропускания линейного тракта определяется не только полосой, занимаемой полезным сигналом, она также должна учитывать различные дестабилизирующие факторы и выбираться с некоторым запасом. Необходимая полоса определяется, главным образом, реальной шириной спектра принимаемого сигнала
и запасом
, учитывающим нестабильность частот генераторов при изменении температуры.
![]()
Реальная ширина спектра сигнала зависит от вида первичного сигнала, параметров модуляции и допустимых искажений. Для случая приема непрерывных сигналов с частотной модуляцией ширину спектра частот следует определять по формуле Манаева, причем при расчете устройств связи, где
, можно воспользоваться укороченным вариантом формулы:
, где
– верхняя частота спектра модулирующего сигнала;
– индекс модуляции, определяемый по формуле
.
В соответствии с техническим заданием
,
, тогда
.
.
Формула расчета запаса по частоте имеет вид:
, где
и
– частота первого и второго гетеродина соответственно;
и
– относительные нестабильности несущей частоты сигнала
и частот гетеродина;
– вероятностный температурный диапазон.
Расчет запаса по полосе пропускания требует знания частот гетеродина. Определю необходимые частоты гетеродина, исходя из ранее определённых значений промежуточных частот и известной частоты принимаемого сигнала.
![]()
![]()
Как правило
, так как стабильность передающей станции высока.
Примем
, так как используем синтезатор частоты с нетермостатированным опорным кварцевым генератором.
, где
– полный температурный диапазон.
Рассчитаем запас по полосе пропускания для случая настройки на верхнюю частоту диапазона перестройки приемника
.
.
В результате необходимая полоса пропускания будет равна:
.
Определение максимально допустимого коэффициента шума приемника при заданной чувствительности
Реальная чувствительность радиоприемника определяется выражением:
.
По требованию технического задания
.
Преобразуем формулу для определения коэффициента шума:
, где
– постоянная Больцмана,
;
– абсолютная температура при нормальных условиях,
;
– эффективная шумовая полоса, определяемая полосой пропускания линейного тракта:
;
– волновое сопротивление антенно-фидерного тракта. По условию ТЗ
;
– относительная шумовая температура антенны. Для приема при наличии помех можно взять
=2;
– отношение сигнал/шум на выходе линейного тракта, т.е. на входе детектора.
Отношение с/ш
можно определить, зная отношение сигнал/шум на выходе приемника
и величину выигрыша в отношении с/ш при использовании ЧМ (
). ![]()
По техническому заданию отношение сигнал/шум на выходе приемника SINAD=12 дБ. Поскольку SINAD представляет собой отношение
, то отношение
, можно считать на 1- цу меньше, если считать в разах. Таким образом,
.
Отсюда
.
2,43 (3,85 дБ).
Полученное значение максимального коэффициента шума следует учесть при выборе микросхем тракта радиочастоты и активных радиоэлементов.
2. Выбор и обоснование структурной схемы
Как уже было установлено ранее, проектируемый приемник должен иметь два преобразования частоты, поэтому его структурная схема будет строиться согласно типовой схеме супергетеродинного радиоприемника с двумя преобразованиями.
Коэффициент диапазона
. Так как
, то можно применить неперестраиваемые избирательные цепи, а перестройку в диапазоне частот можно осуществлять перестройкой первого гетеродина. С учетом требований к современной элементной базе управление перестройкой гетеродина целесообразно осуществлять при помощи синтезатора сетки частот. В соответствии с техническим заданием шаг сетки должен быть равен 50 кГц, а перестройка должна производится в диапазоне 330-340 МГц.
Поскольку первая и вторая ПЧ неизменны, то частота второго гетеродина фиксирована ![]()
Избирательность по зеркальному каналу осуществляется одновременно входной (ВЦ) цепью, выполненной на одиночном колебательном контуре, и фильтром радиочастоты (ФРЧ), являющимся нагрузкой МШУ РЧ. Принимая во внимание рабочие частоты, фильтром радиочастоты разумно выбрать фильтр на поверхностных акустических волнах. В настоящее время существуют ПАВ-фильтры, обладающие необходимой полосой пропускания и достаточной избирательностью. Кроме избирательности при выборе ФРЧ следует учитывать потери сигнала в его полосе пропускания. Они не должны быть очень большими, чтобы увеличить уровень шумов в первых каскадах и тем самым не ухудшить чувствительность.
Качественными характеристиками на частотах, близких к первой промежуточной, обладают монолитные кварцевые фильтры. Часто они способны одновременно осуществить избирательность и по второму зеркальному, и по соседнему дополнительным каналам приема. Поэтому кварцевый фильтр в качестве ФПЧ1 станет рациональным выбором.
Избирательность по соседнему каналу осуществляется одновременно фильтрами первой (ФПЧ1) и второй (ФПЧ2-1, ФПЧ2-2) промежуточных частот. На вторую промежуточную частоту обычно выбираются недорогие керамические фильтры со сравнительно невысокой избирательностью, поскольку большую часть задачи подавления соседнего канала решается кварцевым ФПЧ1.
Для устранения паразитной амплитудной модуляции сигнала при детектировании ЧМ-сигналов перед частотным детектором (ЧД) ставится усилитель-ограничитель (УО).
Описанная структурная схема изображена на рис.1.

3. Расчет преселектора
Расчет входной цепи
Входная цепь приемника предназначена для передачи принимаемого сигнала из антенны в последующие каскады. Она содержит избирательный элемент (контур или фильтр), который ослабляет помехи побочных каналов и сильные внешние помехи, уменьшая при этом такие нелинейные эффекты, как перекрестная модуляция, интермодуляция.
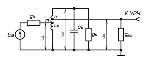
Часто в качестве избирательного элемента используется одиночный колебательный контур. Поскольку в проектируемом приемнике входная цепь (ВЦ) является не перестраиваемой, и предполагается работа с настроенной антенной, то реализуем цепь в виде обыкновенного колебательного контура с двойной автотрансформаторной связью (Рис.2).

Рис.2. Схема входной цепи
Эквивалентная схема входной цепи с двойным автотрансформаторным включением изображена на (Рис.3).

Рис.3. Эквивалентная схема входной цепи
Исходные данные:
- резонансная частота
;
- рабочий частотный диапазон
,
;
- проводимость антенны
;
;
- входная проводимость следующего каскада
(см. расчет УРЧ
).
Максимальный коэффициент передачи достигается при согласовании контура входной цепи с антенной или входной проводимостью следующего каскада. Однако обеспечить одновременное оптимальное согласование контура и со стороны антенны, и со стороны входа следующего каскада – невозможно. Поэтому так как
, то обеспечим оптимальное согласование с антенной, задавшись значением
, и рассчитаем значение
.
Определим параметры контура, для чего зададимся величиной емкости контура.
.
Рассчитаем значение индуктивности контура:
.
Избирательность входной цепи определяется эквивалентной добротностью
, которая зависит от коэффициентов включения
и
.
, где
при
, при
,
.
С другой стороны:
, отсюда
.
Характеристическое сопротивление контура:
.
Проводимость ненагруженного контура:
.
Зададимся коэффициентом включения
.
Рассчитаем коэффициент включения
:
.
Рассчитаю избирательность по зеркальному каналу.
![]()
Обобщенная расстройка 
![]()
Расчет усилителя радиочастоты
Входная цепь не обеспечивает должной избирательности по зеркальному каналу, поэтому следует применить УРЧ с резонансной нагрузкой, которой может служить контур, аналогичный контуру входной цепи. Помимо требуемой избирательности усилитель радиочастоты должен обладать также достаточно высоким усилением по мощности, а также малым коэффициентом шума. Исходя из этих условий, выберу в качестве усилителя РЧ схему с ОЭ на СВЧ n-p-n биполярном транзисторе 2Т3120А. Схема каскада приведена на рис.4.

Рис.4. Реализация УРЧ по схеме с ОЭ
В качестве активного элемента выберем СВЧ БТ n-p-n транзистор 2Т3120А, имеющий следующие параметры:
- статический коэффициент передачи тока биполярного транзистора в режиме малого сигнала в схеме с общим эмиттером ![]()
- обратный ток коллектора ![]()
- граничная частота коэффициента передачи тока ![]()
- емкость коллекторного перехода ![]()
- емкость эмиттерного перехода ![]()
- коэффициент шума БТ на частоте ![]()
![]()
- постоянная времени цепи обратной связи ![]()
- диапазон рабочих температур ![]()
- ![]()
- ![]()
Выберу по выходным характеристикам транзистора режим с
и
при
.
![]()
![]()
![]()
Учитывая высокую рабочую частоту усилителя, выберу
и
. Разделительный конденсатор выберу из условия его малого сопротивления на рабочей частоте
.
Рассчитаю сопротивления делителя R1, R2. Зададимся коэффициентом нестабильности
.
![]()
![]()
![]()
Рассчитаем коэффициент усиления данного каскада.
![]()
![]()
![]()
![]()
![]()

Найдём коэффициент включения нагрузочного контура.
Пусть
, тогда 
![]()
![]()
Полученное значение превышает предельно устойчивое, поэтому уменьшим усиление до приемлемого уровня путем снижения m более, чем в
раза, выберем 3. В этом случае
, а
.
Так как УРЧ нагружен на контур, аналогичный входной цепи, то и избирательность, им обеспечиваемая, будет такая же. В этом случае суммарная избирательность по зеркальному каналу приема
, чего явно недостаточно для выполнения предъявленного условия в 60дБ. Для обеспечения более высокой избирательности следует заменить нагрузку УРЧ с колебательного контура на высокоизбирательный фильтр, которым при заданных рабочих частотах может являться фильтр на ПАВ.
4. Реализация устройства на современной элементной базе
Выбор интегральных микросхем
Проектирование с использованием современной элементной базы предполагает интеграцию различных функциональных звеньев приемника в корпусах отдельных микросхем. При этом большее число блоков в одной микросхеме, то есть более высокая степень интеграции ведёт к снижению цены конечного устройства и улучшению его массо-габаритных параметров. Соответственно разработчику следует выбирать ИМС, ориентируясь на этот принцип.
Для тракта радиочастоты выпускаются так называемые “front-end” схемы, которые помимо УРЧ могут также включать смеситель и ГУН, образующий вместе с синтезатором частоты первый гетеродин. Кроме этого, для реализации сетки частот с заданным шагом 50 Гц потребуется отдельная микросхема синтезатора частоты.
Существуют специальные микросхемы, используемые для построения беспроводных устройств радиоприема аналоговых речевых сигналов, передаваемых по радиоканалу посредством узкополосной частотной модуляции. В частности производятся ИМС узкополосных радиоприемников с однократным преобразованием частоты, которые можно использовать и в качестве тракта второй ПЧ в приемнике с двумя преобразованиями. Такие схемы часто содержат смеситель, ГУН, усилитель ПЧ с функциями ограничения сигнала, а также квадратурный частотный детектор; для их функционирования требуется минимум навесных элементов.
Связующим звеном между схемой “front-end” и схемой тракта второй ПЧ, может служить интегральный УПЧ, способный работать на первой промежуточной частоте. Существуют схемы подобных УПЧ как с АРУ, так и без неё. УПЧ следует выбирать так, чтобы он обеспечивал на входе следующей микросхемы сигнал, превышающий порог её чувствительности.
Таким образом, для выполнения поставленной задачи потребуются микросхемы тракта радиочастоты, тракта первой промежуточной частоты, тракта второй промежуточной частоты, а также микросхема УНЧ, служащая для усиления звукового сигнала до необходимой величины.
В соответствии с техническим заданием можно сформулировать общие требования, которым должны удовлетворять все используемые в устройстве микросхемы: их корпуса должны быть приспособлены для поверхностного монтажа, а сами микросхемы должны нормально функционировать в диапазоне температур -30..+60 C.
Частные же требования будут относиться к рабочим частотам, необходимому усилению, работе с заданным динамическим диапазоном сигнала. Кроме того, тракт радиочастоты должен обладать определёнными шумовыми свойствами (указать), обеспечивающими заданную чувствительность, а детектор должен работать с заданной полосой пропускания.
В соответствии с вышеизложенными условиями выберу следующие микросхемы:
1. MC13142D
Данная микросхема включает в себя усилитесь радиочастоты (УРЧ), первый смеситель (СМ1) и генератор управляемый напряжением (Г1).
Основные параметры:
- диапазон рабочих частот0..1,8 ГГц
- диапазон частот ГУН0..1,8 ГГц
- диапазон ПЧ0..1,8 ГГц
- напряжение питания2,7..6,5 В
- входное сопротивление УРЧ50 Ом
- выходное сопротивление смесителя800 Ом
- усиление УРЧ по мощности17 дБ
- точка компрессии 1 дБ
–15 дБм
- коэффициент шума УРЧ1,8 дБ
- коэффициент шума смесителя12 дБ
- диапазон рабочих температур–![]()
2. ADF4110
На этой микросхеме реализуем синтезатор сетки частот.
Основные параметры:
- максимальная частота550 МГц
- напряжение питания2,7..5,5 В
- программируемый ДПКД 8/9, 16/17, 32/33, 64/65
- диапазон рабочих температур![]()
3. RF3330
Используем данную микросхему как усилитель первой промежуточной частоты (УПЧ1).
Основные параметры:
- напряжение питания ![]()
- полоса пропускания 150 МГц
- коэффициент усиления8..34 дБ
- точка компрессии 1 дБ
–13 дБм
- входное сопротивление2000 Ом
- выходное сопротивление10 Ом
- диапазон рабочих температур ![]()
4. MC13150FTA
Микросхема супергетеродинного приемника с одним преобразованием частоты. Включает в себя второй смеситель (СМ2), усилитель второй промежуточной частоты (УПЧ2), второй гетеродин (Г2), усилитель-ограничитель (УО) и частотный детектор (ЧД).
Основные параметры:
- напряжение питания ![]()
- диапазон рабочих частот10..500 МГц
- чувствительность 12 дБ по SINAD–100 дБм
- точка компрессии 1 дБ
–11 дБм
- усиление УПЧ42 дБ
- усиление УО96 дБ
- регулируемая рабочая полоса детектора 0..70 кГц
- диапазон рабочих температур ![]()
5. NJM213V
На данной микросхеме реализуем усилитель низкой частоты (УНЧ).
Основные параметры:
- напряжение питания ![]()
- коэффициент усиления 83 дБ
- диапазон регулировки коэффициента усиления 0..43 дБ
- максимальный выходной ток 0,25 А
- выходная мощность (Vсс = 6 B, RL= 32 Ом) 250 мВт
- диапазон рабочих температур ![]()
Для реализации полноценного устройства вместе с рассмотренными микросхемами предполагается использовать следующие фильтры:
1. ФП3П7-509-308
Фильтр на ПАВ. Служит фильтром радиочастоты (ФРЧ).
Основные параметры:
- центральная частота ![]()
- ширина полосы пропускания по уровню -3 дБ 10 МГц
- ширина полосы пропускания по уровню -35 дБ 40 МГц
- гарантированное затухание -45 дБ
- вносимое затухание в полосе пропускания 3,5 дБ
2. ФП2П4-590
Монолитный кварцевый фильтр 4-го порядка. Служит фильтром первой промежуточной частоты (ФПЧ1).
Основные параметры:
- центральная частота ![]()
- ширина полосы пропускания по уровню -3 дБ24 кГц
- ширина полосы пропускания по уровню -60 дБ120 кГц
- гарантируемое затухание 65 дБ
- потери 2 дБ
- неравномерность 1,5 дБ
- диапазон рабочих температур ![]()
3. CFUKF455KC4X-R0 (2 шт.)
Керамический фильтр. Используется в качестве фильтра второй промежуточной частоты (ФПЧ2).
Основные параметры:
- центральная частота ![]()
- полоса пропускания
-6 дБ
- затухание при расстройке
-40 дБ
- минимальное гарантированное
затухание-25 дБ
- максимальные потери -6 дБ
- неравномерность 1 дБ
- диапазон рабочих температур ![]()
Структурная схема приемника, реализованного на ИМС изображена на рис.5.