Комплектная трансформаторная подстанция. Расчет и выбор компонентов КТП
Курсовая работа
Комплектная трансформаторная подстанция. Расчет и выбор компонентов КТП
Задание
1. Определение и назначение КТП. Краткий обзор существующих типов.
2. На основании электрической схемы КТП описать электрические аппараты, входящие в нее.
3. Определить номинальные токи двигательной нагрузки и нагрузки уличного освещения.
4. Определить суммарную мощность КТП и выбрать КТП.
5. Выбрать силовой трансформатор КТП. Рассчитать параметры трансформатора: номинальные токи и токи КЗ первичной и вторичной обмоток, сопротивления.
6. Рассчитать и выбрать соединительные кабели низкого напряжения отходящих линий КТП. Определить их сопротивления.
7. Определить токи КЗ, ударный ток. Проверить условие нормального пуска двигателя.
8. Проверить термическую стойкость кабелей.
9. Выбрать автоматические выключатели для защиты двигателей и силового трансформатора от КЗ.
10. Выбрать измерительный трансформатор тока.
11. Выбрать предохранители высокого напряжения в цепи силового трансформатора и предохранители линии уличного освещения.
12. Выбрать разрядники высокого напряжения.
13. Выбрать высоковольтный выключатель нагрузки с разъединителем.
14. Сделать вывод о выбранных аппаратах.
| Параметры | Значения |
Соотношение сопротивлений питающей системы и силового трансформатора Хс/Хт | 0,1 |
Длина кабеля - lo,м, | 60 |
Длина кабеля - l1,м, | 90 |
Длина кабеля — l2,м, | 80 |
| Материал кабеля | Cu |
| Осветительная нагрузка, кВт | 17 |
| Номинальное линейное напряжение - U ном. л, В | 380 |
| Номера двигателей для схемы первой линии | 11 |
Кратность пускового тока двигателя — Кi | 7 |
Время пуска двигателя – tп, с | 11 |
| Номера двигателей для схемы второй линии | 12 |
Кратность пускового тока двигателя – Кi | 7,5 |
Время пуска двигателя – tп, с | 4 |
Параметры двигателей
| N п/п | Номер двигателя | 11 | 12 |
| 1. | Тип электродвигателя | АИР200L4 | АИР200L6 |
| 2. | Номинальная мощность Рном, кВт | 45 | 30 |
| 3. | КПД, % | 92,5 | 92 |
| 4. | Коэффициент мощности | 0,89 | 0,85 |
1. Определение и назначение Комплектной трансформаторной подстанции (КТП)
Подстанцией называют электроустановку, служащую для преобразования и распределения электроэнергии и состоящую из трансформаторов или других преобразователей энергии, распределительного устройства, устройства управления и вспомогательных сооружений. В зависимости от преобразования той или иной функции они называются трансформаторными (ТП) или преобразовательными (ПП).
Трансформаторную подстанцию называют комплектной – КТП (КПП) – при поставке трансформаторов (преобразователей), щита низкого напряжения и других элементов в собранном виде или в виде полностью подготовленном для сборки. Подстанции могут быть комплектными или сборными.
Получили широкое распространение различные комплектные устройства:
1. Комплектное распределительное устройство (КРУ) в сетях 10/6 кВ со шкафами на номинальные токи 6300 – 3200 А и номинальные токи 20 кА (КРУ 2 – 10, КХП), 31,5 кА (КР 10/500) и в отдельных случаях КРУ со шкафами на номинальные токи до 5000 А и токи отключения 58 кА (КР – Д9). В КРУ устанавливают маломасляные выключатели (в основном типов ВМП и ВМГ с отключаемой мощностью 850 МВА при 10 кВ), а при необходимости частых коммутаций – выключатели с электромагнитным гашением дуги.
2. Комплектные трансформаторные подстанции 10(6)70,4 кВ с трансформаторами мощностью 250-2500 кВА. Исполнение трансформаторов в КТП: сухие, масляные, заполненные негорючей жидкостью.
3. Комплектные полупроводниковые выпрямительные подстанции и установки (КПП, КПВП, КПУ) для питания сетевых нагрузок на напряжение 230 и 460 В и питания специальных электроприемников.
Комплектные подстанции изготовляются на заводах и транспортируются к месту установки узлами и блоками без демонтажа оборудования. На месте монтажа производят установку узлов и блоков и присоединения между ними и к сетям электроснабжения.
Комплектное распределительное устройство наружной установки (КРУН) - это КРУ, предназначенное для наружной (открытой) установки.
Комплектное распределительное устройство - распределительное устройство, состоящее из шкафов, закрытых полностью или частично, или блоков с встроенными в них аппаратами, устройствами защиты и автоматики, измерительными приборами и вспомогательными устройствами, поставляемое в собранном или полностью подготовленном для сборки виде и предназначенное для внутренней установки.
Камера (ячейка) - помещение, предназначенное для установки аппаратов и шин. Закрытая камера закрыта со всех сторон и имеет сплошные (несетчатые) двери. Огражденная камера имеет проемы, защищенные полностью или частично несплошными (сетчатыми или смешанными) ограждениями.
Комплектные трансформаторные подстанции назначение и классификация
Комплектные трансформаторные подстанции (КТП) применяют для приема, распределения и преобразования электрической энергии трехфазного тока частотой 50 Гц. По числу трансформаторов КТП могут быть однотрансформаторными, двухтрансформаторными и трехтрансформатор-ными.
По роду установки КТП могут быть:
ü внутренней установки с масляными, сухими или заполненными негорючей жидкостью трансформаторами;
ü наружной установки (только с масляными трансформаторами);
ü смешанной установки с расположением РУ высшего напряжения и трансформатора снаружи, а РУ низшего напряжения внутри помещения.
КТП можно разделить на четыре основные группы.
1. КТП наружной установки мощностью 25…400 кВА, напряжением 6…35/0,4 кВ, применяемые для электроснабжения объектов сельскохозяйственного назначения. Это в основном мачтовые подстанции. КТП данной группы состоят из шкафа ввода ВН, трансформатора и шкафа НН, укомплектованного на отходящих линия автоматическими выключателями.
2. КТП внутренней и наружной установки напряжением до 10 кВ включительно мощностью 160...2500 кВА, которые в основном используются для электроснабжения промышленных предприятий. КТП этой группы состоят из шкафов ввода на напряжение 10 кВ и РУ напряжением до 1 кВ. Для КТП применяют как масляные, так и заполненные негорючей жидкостью или сухие трансформаторы специального исполнения с боковыми выводами, для КТП наружной установки - только масляные.
3. Сборные и комплектные трансформаторные подстанции напряжением 35... 110/6... 10 кВ. Со стороны высокого напряжения подстанции комплектуются открытыми распределительными устройствами напряжением 35...110 кВ, со стороны 6...10 кВ - шкафами КРУП наружной установки.
4. КТП специального назначения, перевозимые на салазках, напряжением 6... 10 кВ, мощностью 160... 630 кВА, которые выпускаются для электроснабжения стройплощадок, рудников, шахт, карьеров.
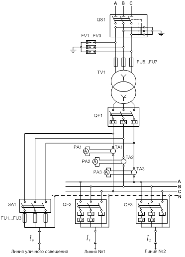
2. Описание электрических аппаратов, входящих в состав КТП, на основании представленной электрической схемы
QS1 – высоковольтный выключатель нагрузки
Коммутационные аппараты (выключатели) предназначены для осуществления оперативной и аварийной коммутации в энергосистемах, для выполнения операций включения и отключения отдельных цепей при ручном или автоматическом управлении. Во включенном состоянии выключатели должны беспрепятственно пропускать токи нагрузки. Характер режима работы этих аппаратов несколько необычен: нормальным для них считается как включенное состояние, когда они обтекаются током нагрузки, так и отключенное, при котором они обеспечивают необходимую электрическую изоляцию между разомкнутыми участками цепи. Коммутация цепи, осуществляемая при переключении выключателя из одного положения в другое, производится нерегулярно, время от времени, а выполнение им специфических требований по отключению возникающего в цепи короткого замыкания чрезвычайно редко.
Выключатели должны надежно выполнять свои функции в течение срока службы (25 лет), находясь в любом из указанных состояний, и одновременно быть всегда готовыми к мгновенному эффективному выполнению любых коммутационных операций, часто после длительного пребывания в неподвижном состоянии. Отсюда следует, что они должны иметь очень высокий коэффициент готовности: при малой продолжительности процессов коммутации (несколько минут в год) должна быть обеспечена постоянная готовность к осуществлению коммутаций.
Среди основных параметров выключателей высокого напряжения следует выделить группу номинальных параметров, присущих всем типам выключателей и определяющих условия их работы.
К основным номинальным параметрам выключателей в соответствии с рекомендациями Международной электротехнической комиссии (МЭК) относятся:
- номинальное напряжение Uном;
- наибольшее рабочее напряжение Uн.р;
- номинальный уровень изоляции;
- номинальная частота fном;
- номинальный ток Iном;
- номинальный ток отключения Iо.ном;
- номинальный ток включения Iв.ном;
- номинальное переходное восстанавливающееся напряжение (ПВН) при КЗ на выводах выключателя;
- номинальные характеристики при неудаленных КЗ; номинальная длительность КЗ;
- номинальная последовательность операций (номинальные циклы);
- нормированные показатели надежности и др.

Рис.1 Электрическая схема комплектной трансформаторной подстанции (КТП)
К параметрам, характерным для воздушных выключателей, следует отнести номинальное давление и расход воздуха, необходимые для проведения операций включения и отключения, нижний предел давления для производства отдельных операций.
FU1...FU3 - высоковольтные разрядники
Основными элементами вентильных разрядников являются искровые промежутки, последовательно соединенные с резистором, имеющим нелинейную вольт-амперную характеристику (ВАХ).

Рис.2
На рис. 2, представлен элемент магнитно-вентильного разрядника РВМГ на 33 кВ, состоящий из фарфоровой покрышки 1, колонки нелинейных резисторов из вилита 2 и блока последовательно соединенных искровых промежутков 3. Разрядники этой серии выпускаются на напряжение 110-500 кВ, что достигается последовательным включением исходных элементов.
Одним из основных недостатков вентильных разрядников является высокое значение коэффициента нелинейности материалов (тервита и вилита) а=(0,2-0,4), используемых при этом, а также нестабильность напряжений пробоя. Поэтому значительный прогресс был достигнут после разработки новых материалов оксидно-цинковых варисторов с коэффициентом нелинейности
а = 0,02. Это позволило разработать аппараты защиты без искровых промежутков. При рабочем напряжении токи через варисторы достигают миллиампер, а при перенапряжениях соответственно сотни и тысячи ампер.
FU4...FU6 - предохранители
Предохранители - это электрические аппараты, предназначенные для защиты электрических цепей от токов короткого замыкания и токов перегрузки. Преимущественно предохранители используются для защиты от токов короткого замыкания.
Основной элемент предохранителя — плавкая вставка постоянного или переменного сечения, которая при токах срабатывания сгорает (плавится с последующим возникновением и гашением электрической дуги), отключая электрическую цепь.
По конструктивному исполнению предохранители условно можно разделить на открытые (вставка не защищена патроном или размещена в трубке, открытой с торцов), закрытые (вставка расположена в закрытом патроне) и засыпные (вставка находится в патроне, полностью заполненном мелкозернистым наполнителем, например, кварцевым песком).
Наиболее распространенные материалы плавких вставок — медь, цинк, алюминий, свинец и серебро. Медь подвержена сравнительно интенсивному окислению, что может привести к увеличению сопротивления медной вставки и, следовательно, к изменению защитной характеристики предохранителя. Поэтому медные вставки подвергаются лужению (покрываются слоем олова).
В засыпных предохранителях наиболее распространенным наполнителем является кварцевый песок с содержанием оксида кремния SiO2 не менее 99%. Наилучшим наполнителем по своим дугогасящим свойствам является мел (СаСОз), который после перегорания вставки в отличие от песка не образует остаточных токопроводящих путей и пригоден для многократного использования. Но мел значительно дороже песка и это ограничивает его широкое применение. Для лучшего использования наполнителя как теплоотводящей и дугогасящей среды в засыпном предохранителе обычно размещены несколько параллельно соединенных вставок, суммарное сечение которых эквивалентно сечению одной вставки предохранителя на тот же рабочий ток.
TV1 - силовой трансформатор
Силовые трансформаторы являются основным электрическим оборудованием электроэнергетических систем, обеспечивающим передачу и распределение электроэнергии на переменном трехфазном токе от электрических станций к потребителям.
В справочных данных на трансформаторы приводятся: тип, номинальная мощность, номинальные напряжения обмоток, потери мощности холостого хода и короткого замыкания, напряжение короткого замыкания, ток холостого хода.
На повысительных и понизительных подстанциях применяют трехфазные или группы однофазных трансформаторов с двумя или тремя раздельными обмотками. В зависимости от числа обмоток трансформаторы разделяются на двухобмоточные и трехобмоточные. Двухобмоточные трансформаторы номинальной мощностью больше 25 МВ-А выполняются с расщепленной обмоткой вторичного напряжения 6...10 кВ. Обмотки высшего, среднего и низшего напряжений принято сокращенно обозначать соответственно ВН, СН, НН.
В настоящее время применяются трансформаторы следующих стандартных номинальных мощностей: 25, 40, 63, 100, 160, 250, 400, 630, 1000, 1600, 2500, 4000, 6300, 10 000, 16000, 25000, 32000, 40000, 63000 ,80000, 160000 кВ-А.
Условные обозначения типов трансформаторов состоят из букв, которые обозначают:
первые буквы: О – однофазный;
Т – трехфазный.
последняя буква:
Н - выполнение одной обмотки с устройством;
регулирования напряжения под нагрузкой (РПН);
Р - трансформатор с расщепленной обмоткой низшего
напряжения;
Т - трехобмоточный трансформатор;
М, Д, ДЦ, С, 3 -система охлаждения трансформаторов.
В настоящее время трансформаторы выполняются с переключением ответвлений обмотки без возбуждения (ПБВ) и с переключением ответвлений обмотки под нагрузкой – РПН.
QF1, QF2, QF3 - автоматические выключатели
Автоматические выключатели (автоматы) низкого напряжения (до 1000 В) предназначены для автоматической защиты электрических сетей и оборудования от аварийных режимов (коротких замыканий, перегрузок, снижения и исчезновения напряжения, изменения направления тока, гашения магнитного поля мощных генераторов в аварийных условиях и др.), а также для оперативной коммутации номинальных токов. Для обеспечения селективной (избирательной) защиты в автоматах предусматривается возможность регулирования уставок по току и по времени. Быстродействующие автоматы снижают время срабатывания и ограничивают отключаемый ток сопротивлением возникающей электрической дуги в автомате. Нередко эти факторы определяют принцип устройства и особенности конструкции автоматов.
Автоматические выключатели подразделяются на: установочные и универсальные. Установочные автоматические выключатели имеют защитный изоляционный (пластмассовый) корпус и могут устанавливаться в общедоступных местах, универсальные — не имеют такого корпуса и предназначены для установки в распределительных устройствах; быстродействующие и небыстродействующие. Быстродействие обеспечивается самим принципом действия (поляризованный электромагнитный или индукционно-динамический принцип и др.), а также условиями для быстрого гашения электрической дуги, подобно процессам в токоограничивающих автоматах; автоматы обратного тока, срабатывающие только при изменении направления тока в защищаемой цепи (поляризованные автоматы отключают цепь только при нарастании тока в прямом направлении, неполяризованные - при любом направлении тока).
ТА1, ТА2, ТАЗ - измерительные трансформаторы тока
Трансформатор тока (ТА) служит для измерения, преобразования и передачи информации о режиме работы сильноточной цепи высокого напряжения в цепь низкого напряжения с целью ее последующей обработки. При этом одновременно ТА служит для изоляции первичной цепи высокого напряжения от вторичной цепи низкого напряжения, имеющей потенциал земли. Информация на вторичной стороне используется как для целей измерения мощности при помощи амперметра, ваттметра, качества энергии, так и для системы релейной защиты. Поэтому ТА, как правило, имеют две вторичные обмотки: одну для измерения, другую для защиты. Вторичный ток ТА имеет нормированные значения: 5 или 1 А. Первичная цепь трансформатора тока постоянно включена в цепь высокого напряжения и является первым элементом (датчиком контроля тока) системы релейной защиты. От точности передачи информации зависит четкость и быстрота ликвидации аварии.
Одной из важнейших характеристик ТА является его точность, определяемая погрешностями измерения вторичного тока, соответствующая информации о первичном токе. Класс точности определяется по наибольшей допустимой погрешности ТА при номинальном первичном токе, выраженном в процентах. Установлено 6 классов точности: 0,2; 0,5; 1; 3; 10% соответствующих 100—120% номинального тока и в режиме КЗ.
Трансформаторы тока отличаются от силовых трансформаторов следующими особенностями: работают в условиях близких к короткому замыканию (амперметр является нагрузкой измерительной обмотки ТА); ток во вторичной цепи не зависит от значения и характера нагрузки (источник тока), а определяется значением и характером изменения первичного тока. В противоположность этому в силовых трансформаторах первичный ток определяется мощностью, потребляемой во вторичной цепи.

Рис.3
В общем случае ТА можно представить в виде двух обмоток первичной N1 и вторичной N2, размещенных на одном магнитопроводе из трансформаторной стали (рис. 3). Принцип действия ТА основан на явлении электромагнитной индукции (закон Ленца).
РА1...РАЗ амперметры
Амперметры для измерения электрического тока устанавливают на всех трансформаторах и линиях, питающих приемники электроэнергии или их группы. Амперметры устанавливают в одной фазе. Три амперметра предусматривают только в тех цепях, где возможна несимметрия нагрузки фаз приемников (освещение, сварочные посты, конденсаторные батареи). Амперметры включают непосредственно в сеть или через трансформаторы тока.
SA1 переключатель (рубильник)
Переключатель (рубильник) - предназначен для ручного включения и отключения цепей с постоянным или переменным напряжением. В данном случае применяется трехполюсный переключатель с центральным рычажным приводом и дугогасительной камерой. Включение и отключение линии уличного освещения осуществляется вручную выключателем SA1.
3. Определение номинальных токов двигательной нагрузки и нагрузки уличного освещения
а) Номинальный ток двигателя:
;
где: Pном – номинальная мощность двигателя;
Uном.л – номинальное линейное напряжение на обмотке статора;
η – к.п.д. при номинальном моменте на валу двигателя.
,
.
б) Номинальный ток линии освещения:
.
где: Pном.осв – суммарная номинальная мощность линии освещения.
сosφ = 1 – для осветительной нагрузки.

4. Определение суммарной мощности комплектной трансформаторной подстанции (КТП)
Полная суммарная мощность КТП SКТП равна сумме полных мощностей отходящих фидеров:
,
.
Округлим суммарную мощность трансформатора до стандартной SТ=160кВ∙А.
Выбор КТП
Номинальное вторичное напряжение силового трансформатора должно соответствовать номинальному напряжению нагрузки. Мощность силового трансформатора ST должна быть не менее суммарной мощности нагрузки, т.е. ST> SКТП. Из таблицы 1 выбираем КТП.
Таблица 1.
| Марка | Номинальная мощность, кВ-А | Напряжение, кВ | Габаритные размеры, мм, не более | Масса, кг | |||
| ВН | НН | длина | ширина | высота | ||||
| Однотрансформаторные | |||||||
| КТП-63-6/0,4 | 63 | 6 | 0,4 | 1300 | 1300 | 2740 | 995 |
| КТП-63-10/0,4 | 63 | 10 | 0,4 | 1300 | 1300 | 2740 | 995 |
| КТП-100-6/0,4 | 100 | 6 | 0,4 | 1300 | 1300 | 2740 | 1100 |
| КТП-100-10/0,4 | 100 | 10 | 0,4 | 1300 | 1300 | 2740 | 1100 |
| КТП-160-6/0,4 | 160 | 6 | 0,4 | 1300 | 1300 | 1385 | 1385 |
КТП-160-10/0,4 | 160 | 10 | 0,4 | 1300 | 1300 | 2740 | 1385 |
КТП 160 – 10/0,4;где: 160 кВА – номинальная мощность;
10 кВ – входное напряжение;
0,4 кВ – выходное напряжение.
5. Выбор силового трансформатора КТП. Расчёт параметров трансформатора: номинальные токи и токи КЗ первичной и вторичной обмоток, сопротивления
Силовые трансформаторы являются основной составляющей всех понижающих подстанций.
Существует шесть уровней систем электроснабжения, в которых применяются подстанции в зависимости от назначения номиналов напряжений.
Для электроснабжения потребителей напряжением до 1 кВ (220 В, 380 В, 500 В, 600 В) создают трансформаторные подстанции с высшим напряжением на 6,10 кВ.
В большинстве случаев для КТП применяют масляные трансформаторы, т.к. сухие или элегазовые (SF6) в 2 - 2,5 раза дороже масляных. Таким образом, выбираем масляные трансформаторы по следующим критериям:
· Мощность трансформатора должна быть больше или равной суммарной мощности нагрузки (как правило, равна мощности КТП).
· По номинальному вторичному напряжению, равному номинальному линейному напряжению нагрузки.
· Номинальный ток вторичной обмотки трансформатора должен быть больше суммы токов всех трех линий нагрузки.
Из таблицы 2 выбираем:
ТМ-160/10, где: S = 160 кВА;
Uк =4,5 %;
Р х =0,565 кВт;
Р к = 2,365 кВт.
Таблица 2.
| Трансформаторы силовые масляные общего назначения трехфазные двух и трехобмоточные с охлаждением естественным масляным (М) класса напряжения 10 кВ | ||||
| Тип | S,kB-A | Uк | Потери, кВт | |
| Рх | Рк | |||
| ТМ-25/10 | 25 | 4,5 | 0,135 | 0,600 |
| Т
Подобные работы:
Актуально:
| ||||