Управление системами электроснабжения
Все электроустановки оборудуются устройствами релейной защиты, предназначенными для отключения защищаемого участка в цепи или 'элемента в случае его повреждения, если это повреждение влечет за собой выход из строя элемента или электроустановки в целом. Релейная защита срабатывает и тогда, когда возникают условия, угрожающие нарушением нормального режима работы электроустановки.
В релейной защите электроустановок защитные функции возложены на реле, которые служат для подачи импульса на автоматическое отключение элементов электроустановки или сигнала о нарушении нормального режима работы оборудования, участка электроустановки, линии и т. д.
Реле представляет собой аппарат, реагирующий на изменение какой-либо физической величины, например тока, напряжения, давления, температуры. Когда отклонение этой величины оказывается выше допустимого, реле срабатывает и его контакты, замыкаясь или размыкаясь, производят необходимые переключения с помощью подали или отключения напряжения в цепях управления электроустановкой.
Защита трансформаторов.
Основными видами повреждений в трансформаторах являются:
а) замыкания между фазами внутри кожуха трансформатора и на наружных выводах обмоток;
б) замыкания в обмотках между витками одной фазы (так называемые витковые замыкания);
в) замыкания на землю обмоток или их наружных выводов;
г) повреждение магнитопровода трансформаторов, приводящее к появлению местного нагрева и «пожару стали».
Опыт показывает, что к. з. на выводах и витковые замыкания в обмотках трансформаторов происходят наиболее часто. Междуфазные повреждения внутри трансформаторов возникают значительно реже. В трехфазных трансформаторах они хотя и не исключены, но маловероятны вследствие большой прочности междуфазной изоляции. В трансформаторных группах, составленных из трех однофазных трансформаторов, замыкания между обмотками фаз практически невозможны.
При витковых замыканиях токи, идущие к месту повреждения от источников питания, могут быть небольшими.
В случае замыкания на землю обмотки трансформатора, подключенной к сети с малым током замыкания на землю, ток повреждения определяется величиной емкостного тока сети. Поэтому защиты трансформатора, предназначенные для действия при витковых замыканиях, а также при замыканиях на землю в обмотке, работающей на сеть с изолированной нейтралью, должны обладать высокой чувствительностью.
Для ограничения размера разрушения защита от повреждений в трансформаторе должна действовать быстро. Повреждения, сопровождающиеся большим током к.з. должны отключаться без выдержки времени с t = 0,05 — 0,1 с.
Защиты от повреждений. В качестве таких защит применяются токовая отсечка, дифференциальная и газовая защиты. За рубежом применяется довольно простая защита от замыкания на корпус (кожух) трансформатора.

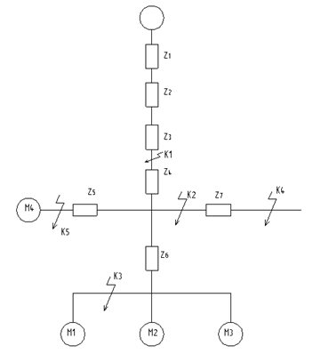
Данные:
W1: L1 = 20 км; A-95
W2: L2 = 1 км; 5×3×150
W3: L3 = 0,5 км; 2×3×150
W4: L4 = 0,5 км; 3×150
T1: ТДН, Sтном = 16000 кВ·А; 115/6,3
T3,T4: TM Sтном = 630 кВ·А; 6,3/0,4
1. Расчет токов КЗ
Для выбора токов срабатывания и проверки чувствительности релейной защиты необходимо рассчитать токи КЗ.
Определяем сопротивление ВЛ – w1
![]()
Индуктивное сопротивление:
![]()
![]()
Приведение сопротивления к номинальному:


Трансформатор Т1:
Полное сопротивление:

![]()
Определение сопротивление реактора

; ![]()
Определение сопротивление кабельной линии W2 :

![]()
n2 – число кабелей

![]()
Определение сопротивлений кабельной линии W3 :


Определение сопротивлений W4 :


Определение сопротивления Т3 :

![]()
Активное сопротивление трансформатора:

(справочник)
![]()
Схема Замещения


![]()
Расчетная точка | К1 | К2 | К3 | К4 | К5 |
| 0,43 | 0,445 | 0,463 | 3,69 | 0,482 |
| 0,027 | 0,068 | 0,118 | 1,22 | 0,168 |
| 8,46 | 8,1 | 7,63 | 0,93 | 7,14 |
2. Расчет РЗ электродвигателей
Согласно ПУЭ применяется отсечка при междуфазных к.з., перегрузке, замыкании на землю и понижении напряжения. Выберем тип защит и определим токи срабатывания защиты и реле АД типа АН-15-54-8.

Защита АД при междуфазных к.з. в обмотке статора принимаем ТО с использованием микроэлектронных токовых реле типа РС40. Данная защита является основной защитой АД и целью ее является защита обязательная во всех случаях.
В качестве РЗ эл. двигателя мощностью до 5000 кВт от к.з., согласно ПУЭ применяется отсечка.
Схема от трехфазных токов

Ток срабатывания защиты (отсечки) и реле:
![]()

Kотс – коэффициент отстройки
Iмах – пусковой мах. ток двигателя
kсх - коэффициент схемы
КI – коэффициент трансформации ТТ
Выбрано микроэлектронное реле тока РС40М - 5/40 и промежуточное реле РП-26 с указателем срабатывания.
Технические характеристики РС40М - 5/40
| Диап. изм-я уставок, А | 10,0 - 41,5 |
| Дискрет. изм-я уставок, А | 0,5 |
| Номинальный ток, А | 25,0 |
| Относительная погрешность выдержки времени в рабочем диапазоне температур, % , не более | ± 10 |
| Относительная погрешность тока срабатывания в рабочем диапазоне температур, %, не более | ± 5 (± 10) |
| Разброс тока срабатывания, % | ± 1,5 |
| Коэффициент возврата реле, не менее | 0,8 - 0,9 |
| Коэффициент отстройки | 1,25 |
| Механическая износоустойчивость реле, циклов ВО | 10000 |
| Потребляемая мощность на минимальной уставке, ВА | 0,7 - 2,5 |
| Габаритные размеры, мм | 70x140x136 |
| Сопротивление изоляции между входными и выходными цепями реле по ГОСТ 25071-81, ряд 3 | - |
Коэффициент чувствительности защиты:

Для защиты двигателя при перегрузке принято МТЗ с использованием токового реле РС40, включенного на разность токов фаз.
Ток срабатывания защиты и реле при перегрузке:.


Iд.ном – ном. ток двигателя
kв - коэффициент возврата (kв=0,85)
Выбрано микроэлектронное реле тока РС40М 5/40
Согласование времени действия защиты при перегрузке с временем самозапуска двигателя:
![]()
tс.д.,tс.ф. – допустимое и фактическое времена разгона двигателя при самозапуске
tп.д. – доп. время действия защиты при перегрузке.
![]()
Выбрано реле времени с уставкой, равной 22 с.
Ток срабатывания защиты при однофазных замыканиях на землю:
![]()
kотс = 1,2÷1,3
kб = 1,5÷2 – коэффициент, учитывающий бросок емкостного тока двигателя Ic, для защиты с временем действия 1-2 с.
![]()
Емкость двигателя

kг – коэффициент учитывающий класс изоляции(kг = 40 для изоляции класса Б при t=25 С)
Sд.ном – ном. мощность двигателя
nд – частота вращения двигателя
Таким образом окончательно:
![]()
Uд.ном = 6 кВ,
Защита на двигатель от замыканий на землю не требуется согласно ПУЭ:
![]()
Напряжение срабатывания защиты двигателя при понижении напряжения выбираем таким образом, чтобы обеспечивался самозапуск других более ответственных двигателей, т.е. (0,6-0,7)Uд.ном.
Для питания реле минимального напряжения используем ТН, которые установлены в распределительных пунктах(РП) для контроля и учета электроэнергии. Считаем, что в РП установлены трансформаторы напряжения НТМИ-6.
Выбрано микропроцессорное реле максимального напряжения РН-111/280 .
Технические характеристики РН-111/280
| Номинальное напряжение, В | 220 |
| Частота сети, Гц | 48-52 |
Диапазон регулирования: - срабатывания по Umin, В - срабатывания по Umax, В - время автоматического повторного вкл., сек | 160-210 230-280 5-900 |
| Фиксированное время срабатывания по Umax, сек | 0,5 |
| Фиксированная задержка отключения по Umin, сек | 12 |
Фиксированное время срабатывания при снижении напряжения более 30 В от уставки по Umin, сек | 0,1 |
Фиксированное время срабатывания при повышении напряжения более 30 В от уставки по Umax, сек | 0,1 |
| Максимальный коммутируемый ток (активной нагр.), А, не менее | 16 |
| Точность определения порога срабатывания по U, В | до 3 |
| Напряжение, при котором сохраняется работоспособность, В | 400 |
Кратковременно допустимое Umax, сохраняющее работоспособность реле, В | 450 |
| Гистерезис (коэффициент возврата по напряжению), не менее, В | 5-6 |
| Диапазон рабочих температур, оС | -35 - +40 |
| Суммарный ток потребления от сети, мА | до 15 |
| Габаритные размеры, ширина*высота*глубина, мм | 52*88*65 (Три модуля типа S) |
Напряжение срабатывания реле:

Время срабатывания защиты минимального напряжения принимаем равным 0,5 с.
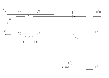
Проверяем ТТ из условия 10%-ой погрешности.
Сопротивление вторичной нагрузки ТТ при трехфазном КЗ:
![]()
Rпр – сопротивление соединительных проводов
Zр1,Zр2 – сопротивления КА1 и КА2
Rпер = 0,1 Ом – переходное сопротивление контактов



l,s - длина и сечение соединительных алюминиевых проводов
ρ = 1/γ – удельное сопротивление
Sр1, Sр2 – мощность реле КА1 иКА2
Iс.р.1, Iс.р.2 – ток срабатывания реле КА1 и КА2
Таким образом
![]()
Кратность расчетного первичного тока I1расч. К первичному номинальному I1ном току ТТ определяется:

k1 – коэффициент, учитывающий возможное ухудшение характеристики намагничивания установленного ТТ по сравнению с типовой характеристикой
k2 – коэффициент, учитывающий неточность расчетов и влияние апериодической составляющей тока к.з. на работу ТТ. (k2 = 1,25)
I1max – мах. значение первичного тока, при котором должна обеспечиваться работа ТТ с погрешностью не более 10%.
I1max = 1,1I1с.з. – для ТО и МТЗ с независимой характеристикой.
По кривой 10%-ной погрешности для трансформатора тока ТПЛ-10 находим Zн.доп = 0,6 Ом, т.е. Zн.доп В качестве примера выбирается тип защиты и определим токи срабатывания защиты и реле СД типа СДН-16-54-10. Защита СД выполняется аналогично защите АД и дополняется защитой при асинхронном ходе. Токи срабатывания токовой отсечки и реле при междуфазных к.з.: Ток срабатывания округляется до 30 А. Выбирается микроэлектронное токовое реле РС40М - 5/40 и промежуточное реле типа РП-26. Коэффициент чувствительности защиты: Токи срабатывания защиты и реле при перегрузке: Ток срабатывания реле округляется до 6 А. Выбирается микроэлектронное токовое реле РС40М - 1/8 Из расчета самозапуска известно: tс.ф = 6,8 с, tс.д. = 28,8 с. Выбирается реле времени ЭВ-245. Уставка выдержки времени – 9 с. Защита при перегрузке одновременно является защитой при асинхронном ходе. 3. Расчет релейной защиты и цеховых трансформаторов Выберем типы защит и определим токи срабатывания защиты и реле цехового трансформатора типа ТМ. Основные данные: Группа соединений обмоток треугольник - звезда с нулем. Рассмотрим защиту цехового трансформатора (Т3, Т4) при междуфазных КЗ в обмотках и на выводах высокого напряжения (ВН), при внешних КЗ, при однофазных КЗ и при перегрузке. Для защиты трансформатора при междуфазных КЗ в обмотках и на выводах ВН принимаем ТО без выдержки времени с использование микроэлектронного реле РС40М. Токи срабатывания защиты (отсечки) и реле определяем: Где Ikmax - ток проходящий через ТТ защиты при трехфазном КЗ на стороне низкого напряжения (НН): I1т.ном - номинальный первичный ток трансформатора Uk - напряжение КЗ трансформатора, Выбираем микроэлектронное реле тока РС40М-15/120 и промежуточное реле РТ-26 Характеристики РС40М-15/120 Для защиты трансформатора при внешних КЗ и резервирования ТО и газовой защиты принимаем МТЗ с выдержкой времени. Схема соединений ТТ – неполная звезда. Максимально токовую защиту отстраиваем от тока самозапуска полностью заторможенных ответственных двигателей, присоединенных к шинам НН. Токи срабатывания защиты и реле находим: kсам – коэффициент самозапуска принимаемый равным 3÷3,5 , когда нет данных о присоединяемых двигателях; Принимается микроэлектронное реле тока РС40М -5/40 Коэффициент чувствительности защиты определяем при трехфазном КЗ за трансформатором (т.е. на стороне НН): Приведенная формула справедлива для МТЗ (в двухфазном трехрелейном исполнении) трансформаторов со схемой соединения обмоток треугольник – звезда с нулем. В этом случае два токовых реле включают на фазные токи, а одно реле – на сумму токов двух фаз; За счет такого включения повышается чувствительность защиты к двухфазным КЗ на стороне НН цеховых трансформаторов. Для МТЗ в двухфазном двухрелейном исполнении реактированных линий, трансформаторов со схемой соединения обмоток звезда-звезда с нулем kч находят: Выдержку времени МТЗ трансформатора выбирают из условия избирательности на ступень ∆t выше наибольшей выдержки времени защит присоединений tпр, питающихся от трансформатора, т.е. Если МТЗ не удовлетворяет требованию чувствительности, то ее выполняют с пуском от реле минимального напряжения. Для защиты цехового трансформатора при однофазных КЗ в обмотке и на выводах НН, а также в сети НН принимаем МТЗ нулевой последовательности с выдержкой бремени с использованием реле тока РС40М. Защиту выполняют с помощью одного токового реле, включенного на ТТ, установленный в цепи заземления нейтрали цехового трансформатора. В реле протекает полный ток однофазного КЗ. Токи срабатывания защиты и реле определяем: Iс.з1- ток срабатывания защиты нулевой последовательности на стороне 0,4 кВ, который согласуется, в свою очередь с током отсечки Iот автоматического выключателя; kотс1 = 1,1 kотс2 = 1,2; Принимается реле тока с запасом по шкале РС40М -5/40 Коэффициент чувствительности защиты нулевой последовательности определяем при однофазном КЗ на выводах НН трансформатора: Для цеховых трансформаторов с соединением обмоток треугольник-звезда с нулем Выдержку времени защиты нулевой последовательности, установленной в нейтрали цехового трансформатора, отстраивают от времени срабатывания автоматических выключателей двигателей и двигателей принимают равной 0,5 с. Для защиты цехового трансформатора при перегрузке принимаем МТЗ, устанавливаемую со стороны ВН трансформатора, выполняемую с помощью одного токового реле, включенного на фазный ток, и действующую на сигнал с выдержкой времени. Максимальную токовую защиту отстраиваем от номинального тока трансформатора. Токи срабатывания: kотс = 1,05 I1Т.ном – первичный номинальный ток трансформатора Выдержку времени МТЗ в этом случае выбирают больше времени защиты трансформатора от КЗ. 4. Расчет релейной защиты кабельных линий В качестве примера выберем типы защит и определим токи срабатывания защиты и реле кабельной линии W3. Рассмотрим защиту кабельной линии W3 при междуфазных КЗ и при перегрузке. Для защиты кабельной линии при междуфазных КЗ принимаем МТЗ с независимой от тока КЗ выдержкой времени. Схема соединения ТТ – неполная звезда. При определении тока срабатывания МТЗ кабельной линии исходим из реальных условий ее эксплуатации и возможных послеаварийных режимов ее работы. Если они неизвестны, то перерасчетом необходимо ими задаться. Защиты двух и более последовательно соединенных элементов, например трансформатор – линии – двигатели, согласовывают по чувствительности и времени. Ток срабатывания МТЗ рассматриваемой линии, который мы отстраиваем от тока самозапуска трех асинхронных двигателей, и ток срабатывания реле определяем: Выбираем микроэлектронное реле тока РС40М -5/40. Выдержку времени МТЗ принимаем на ступень избирательности больше времени срабатывания ТО асинхронных двигателей: В связи с тем, что для защиты АД от междуфазных КЗ мы принимаем ТО с использованием токовых реле РС40М и промежуточного реле РП-26, замедляющего время действия ТО и позволяющего благодаря этому отстроиться от апериодической составляющей пускового тока, принимаем tотс = 0,1с. Коэффициент чувствительности вычисляем при двухфазном КЗ на шинах, к которым подключены АД, т.е. Полученный kч удовлетворяет требованиям ПУЭ. Если в результате расчета kч окажется меньше 1,5, то следует либо уменьшить количество двигателей, самозапускающихся одновременно, если это допустимо по технологии производства, либо дополнить МТЗ пуском от реле минимального напряжения. Для защиты кабельной линии W3 при перегрузке применяем МТЗ с независимой от тока КЗ выдержкой времени. Ток срабатывания защиты, которой мы отстраиваем от номинального тока линии, и ток срабатывания реле при перегрузке определяем в соответствии с формулами Выбираем микроэлектронное реле тока РС40М -5/40 Выдержку времени МТЗ линии при перегрузке принимаем равной 24 с(выдержка пред. защиты составляет 22 с) В качестве примера выберем типы защит и определим токи срабатывания защиты и реле кабельной линии W2. Защиту кабельной линии W2 рассчитываем аналогично пред. Примеру. а) Максимальную токовую защиту линии W2 отстраиваем от тока самозапуска трех АД(секционный выключатель Q2 отключен). Ток срабатывания защиты определяем: б) Максимальную токовую защиту линии W2 отстраиваем от тока самозапуска трех АД и одного СД (сработало устройство АВР2). Ток срабатывания защиты определяем по формуле: Выбираем наибольший ток срабатывания защиты. Ток срабатывания реле определяем на основании формулы Выбираем микроэлектронное реле РС40М -5/40. Выдержку времени МТЗ принимаем на ступень избирательности больше времени срабатывания МТЗ линии W3, т.е. Коэффициент чувствительности вычисляем при двухфазном КЗ на шинах, к которым подключена линия W3, СД и два трансформатораТ3 и Т4: Для повышения чувствительности МТЗ дополняем ее пуском от реле минимального напряжения. Ток срабатывания защиты в этом случае отстраиваем от длительной рабочей нагрузки без учета увеличения этого тока при самозапуске двигателей: Выбираем микроэлектронное реле тока РС40М -5/40. Напряжение срабатывания защиты и реле определяем по следующим формулам: Umin – минимальное остаточное напряжение при самозапуске нагрузки. Принимаем микропроцессорное реле напряжения РН-111/280 Umax – максимальное остаточное напряжение при КЗ в конце защищаемой зоны. IK2 - ток КЗ в конце линии W2, т.е. в точке K2; XW2 – индуктивное сопротивление линии W2; Рассмотренную МТЗ кабельной линии W2 согласуем по чувствительности с МТЗ кабельной линии W3. В соответствии с принципом согласования защит по чувствительности защита, расположенная ближе к источнику питания ИП (последующая), должна быть менее чувствительной, чем защита, расположенная дальше от ИП(предыдущая). Учитывая, что в распределительных сетях 6 и 10 кВ соотношения индуктивного и активного сопротивления линий таковы, что углы между U и I при КЗ близки углам U и I в нормальном режиме работы, при расчетах МТЗ и допустимо складывать алгебраически токи КЗ и токи нагрузки. Формула условия согласования защит по чувствительности имеет вид: kн.с – коэффициент надежности согласования, который зависит от точности работы реле и ТТ, точности настройки реле и т.д. kр – коэффициент токораспределения, учитывается при нескольких ИП, при одном ИП (kр = 1) На основании приведенного выше условия: Выбрано микроэлектронное реле тока РС40М -5/40. 5. Расчет релейной защиты силовых трансформаторов с выключателями на стороне НН В общем случае эти трансформаторы защищают от тех же повреждений и ненормальных режимов, что и цеховые трансформаторы, однако защита имеет некоторые особенности. Выберем типы защит и определим токи срабатывания защиты и реле трансформатора ТДН, основные данные которого следующие Группа соединения обмоток Рассмотрим защиту трансформатора от междуфазных и внешних КЗ Для защиты трансформатора от междуфазных и внешних КЗ в обмотках и на их выводах используем дифференциальную защиту, выполненную на дифференциальном реле тока РНТ-565 Определим первичные номинальные токи Коэффициенты трансформации трансформаторов тока со стороны ВН и НН выбираем равными К1ВН = 100/5 и К1НН = 1500/5. Трансформаторы тока со стороны ВН соединены в треугольник, а со стороны НН – в звезду. Находим вторичные токи в плечах защиты на стороне ВН и НН: Определяем ток не баланса по формуле Поскольку значение k апер – коэффициент, учитывающий увеличение тока КЗ из-за наличия в нем апериодической составляющей; k апер = 1 для реле РТН-565, поскольку они содержат насыщающийся ТТ; k одн – коэффициент однотипности ТТ; (k одн = 0,5 при одинаковых типах и k одн = 1 – при разных типах ТТ ) ζ = 0,1 – допустимая погрешность ТТ для защиты; Iк1 - максимальный ток трехфазного КЗ на шинах 6 кВ Определяется ток срабатывания защиты по следующим условиям: а) отстройка от тока небаланса б) отстройка от бросков тока намагничивания, который имеет место при включении ненагруженного трансформатора под напряжение и при восстановлении напряжения после отключения внешнего КЗ Принимаем наибольшее значение Iс.з из этих условий, т.е. Iс.з = 2262 А Находим ток срабатывания реле на основанной стороне 115 кВ с наибольшим вторичным током в плече защиты, исходя из тока срабатывания защиты, пересчитанного на сторону 115 кВ: Определяем расчетное число витков обмотки реле стороны 115 кВ Fс.р – МДС срабатывания реле РТН-565 Определяем число витков обмотки реле для неосновной стороны трансформатора, исходя из равенства МДС в реле при номинальных вторичных токах: В случае несовпадения расчетного числа витков Определяем коэффициент чувствительности защиты при двухфазном КЗ на выводах 6 кВ трансформатора: Защита обладает достаточной чувствительностью. Проверяем ТТ, установленные со стороны 110 кВ, на 10%-ную погрешность. Сопротивление вторичной нагрузки ТТ при трехфазном КЗ Кратность тока находим по выражению Кроме зашиты трансформатора при внешних КЗ применяем МТЗ. Кроме того эта защита резервирует основные защиты трансформатора. Так как трансформатор имеет схему соединений Определяем токи срабатывания защиты и реле МТЗ: Округляем до 21 А, тогда =242 А, выбираем микроэлектронное реле тока РС40М - 5/40. Находим коэффициент чувствительности защиты при двухфазном КЗ на шинах 6 кВ. Выдержку времени МТЗ трансформатора выбираем на ступень избирательности больше, чем выдержка вр

![]()
![]()
![]()
![]()
![]()

![]()


- ток трехфазного КЗДиап. изм-я уставок, А 30,0 - 124,5 Дискрет. изм-я уставок, А 1,5 Номинальный ток, А 25,0 ![]()
![]()

![]()
![]()
![]()


- минимальный ток однофазного КЗ на шинах НН;![]()

- номинальный вторичный ток трансформатора

![]()
- напряжение на зажимах АД, отн. ед., определяемое при расчете самозамуска этих двигателей.
![]()





- напряжение на зажимах СД, отн. ед., определяемое при расчете самозапуска этого двигателя.
![]()

![]()




![]()

- наибольшее из произведений числа n параллельно работающих элементов и тока срабатывания их защит.
- геометрическая сумма максимальных рабочих токов всех предыдущих элементов подстанции за исключением тех, с защитами которых производится согласование; при однородной нагрузке допустимо арифметическое сложение токов нагрузки.![]()


![]()

![]()


,
- составляющая тока небаланса, обусловленная погрешностью трансформаторов тока;
- составляющая тока небаланса, вызванная регулированием напряжения на трансформаторе;
- составляющая тока небаланса, вызванная неточностью установки на реле расчетного числа витков для одной сторон трансформатора.
в начале расчета неизвестно, ток небаланса определяем по двум первым составляющим, т.е.![]()
![]()
![]()
- половина суммарного диапазона регулирования напряжения на трансформаторе (при диапазоне регулирования +10÷(-10)%
)![]()
![]()



![]()
с принятым находят составляющую тока небаланса
после чего определяют
с учетом
:

![]()



и подключен к шинам 110 кВ, МТЗ выполняем трехфазной трехрелейной для действия при всех видах КЗ. Трансформаторы тока защиты соединяем в треугольник для предотвращения ее неправильного действия при внешних однофазных и двухфазных КЗ на землю в сети 110 кВ, поскольку указанные трансформаторы работают с заземленной нейтралью.![]()
- мах. Рабочий ток, равный суммарному току двух трансформаторов.
