Трехфазные электрические цепи, электрические машины, измерения электрической энергии, электрического освещения, выпрямления переменного тока
Костромская государственная
сельскохозяйственная академия
Кафедра ТОЭ и автоматики
ЛАБОРАТОРНЫЙ ПРАКТИКУМ
по курсу
"Электротехника с основами электроники"
для студентов факультета
Механизации сельского хозяйства
2 цикл
Составитель: старший
преподаватель кафедры ТОЭ и А
Смирнов В.Б.
Кострома - 2003
Лабораторный практикум по курсу "Электротехника с основами электроники (2 цикл). Для студентов факультета механизации сельского хозяйства. - Кострома: издательство Костромской государственной сельскохозяйственной академии, 2003.
Лабораторный практикум содержат описания лабораторных работ, которые студенты факультета механизации сельского хозяйства выполняют во втором семестре после начала изучения курса "Электротехника с основами электроники" и включают в себя разделы трехфазных электрических цепей, электрических машин, измерения электрической энергии, электрического освещения, выпрямления переменного тока, а также общие требования по технике безопасности при выполнении лабораторных работ.
Рекомендовано методической комиссией факультета электрификации и автоматизации сельского хозяйства КГСХА
Протокол № 4 от 16 декабря 2002 года.
Костромская государственная сельскохозяйственная академия, 2003.
Общие требования по выполнению лабораторных работ
Изучите по методическим указаниям и конспекту лекций теоретические вопросы, относящиеся к теме предстоящей работы. Ознакомьтесь с содержанием и порядком выполнения работы.
В тетради для лабораторных работ напишите номер, название и цель работы, начертите схему исследования электрической цепи и таблицу для записей результатов опытов и расчетов.
Соберите цепь по заданной схеме. Вначале рекомендуется подключить все последовательно соединенные элементы, а только затем подключить элементы, включаемые параллельно. Проверить правильность соединения цепи.
Включать цепь под напряжение только после разрешения преподавателя
При проведении опытов следует выполнять требования по технике безопасности:
перед началом сборки схемы необходимо убедится в том, что стенд выключен;
не применяйте провода с поврежденной изоляцией, наконечники
проводов надежно зажимайте клеммами;
о включении стенда необходимо предупредить всех членов группы;
при появлении во время работы искр, запаха, дыма или других признаков ненормальной работы оборудования необходимо немедленно отключить стенд и сообщить об этом преподавателю;
запрещается самовольно устранять неисправности электрооборудования;
при несчастном случае следует немедленно сообщить об этом преподавателю.
Разбирать схему следует только после проверки преподавателем результатов опытов.
Произведите необходимые расчеты и графические построения и сделайте выводы по работе.
Методические указания к лабораторной работе № 6
"ИССЛЕДОВАНИЕ ТРЕХФАЗНОЙ ЦЕПИ ПРИ СОЕДИНЕНИИ
ПОТРЕБИТЕЛЕЙ ПО СХЕМЕ "ЗВЕЗДА"
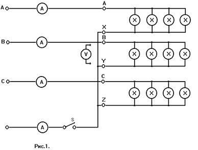
ЦЕЛЬ РАБОТЫ: исследовать цепь трехфазного тока при соединении потребителей электроэнергии по схеме "звезда" для различных режимов работы, выяснить влияние нейтрального провода на величины фазных напряжений потребителя.
ПОРЯДОК РАБОТЫ:
1. Ознакомиться с приборами, необходимыми для выполнения работы, записать их технические характеристики.
Собрать электрическую цепь (рис.1).

3. Установить симметричную нагрузку в фазах и записать показания приборов при наличии нейтрального провода и без него. Убедиться, что Uл = Uф /![]()
4. Установить несимметричную нагрузку фаз (разное количество ламп в каждой фазе) и записать показания приборов при наличии нейтрального провода и без него.
5. Установить симметричную нагрузку и, отключив все лампы в одной из фаз потребителя, что соответствует обрыву в данной фазе, записать показания приборов при наличии нейтрального провода и без него.
Установив симметричную нагрузку фаз, отключить нейтральный провод и записать показания приборов при коротком замыкании одной из фаз потребителя (для этого можно проводником замкнуть накоротко зажимы любой фазы). Все данные измерений и вычислений внести в таблицу 1 и построить по этим данным векторные диаграммы для каждого пункта.
Таблица 1.
| Характер нагрузки | UA | UB | UC | UAB | UBC | UCA | IA | IB | IC | IN | UN |
| 1 | 2 | 3 | 4 | 5 | 6 | 7 | 8 | 9 | 10 | 11 | 12 |
| Симметричная без нейтрального провода | |||||||||||
Симметричная с нейтральным проводом | |||||||||||
| Несимметричная без нейтрального провода | |||||||||||
Несимметричная с нейтральным проводом | |||||||||||
| Полная разгрузка одной фазы без нейтрального провода | |||||||||||
| Полная разгрузка одной фазы с нейтральным проводом | |||||||||||
| Короткое замыкание фазы без нейтрального провода |
Подобные работы: