Анализ системы охлаждения двигателя ВАЗ-2106

При сгорании топлива, когда двигатель работает с полностью открытой заслонкой, максимальная температура сгорающих газов может достигать величины 1500 – 2000°С. Расширение газов во время рабочего хода существенно понижает их температуру, но во время такта выпуска температура все еще может находиться вблизи 800°С (см. рис. 1).

Все детали двигателя, с которыми вступают в контакт эти нагретые газы, поглощают теплоту этих газов, пропорционально их температуре, площади и продолжительности контакта, в результате чего температура деталей двигателя повышается. Температура отработавших газов выше температуры красного каления и выше температуры плавления такого металла, как алюминий. Если не предпринимать меры для снижения температуры деталей двигателя, некоторые или многие из нижеперечисленных деталей могут быть серьезно повреждены:

стенки камеры сгорания, головка поршня, верхний торец цилиндра и область выпускного клапана подвергаются воздействию наиболее горячих газов и нагреваются до самых высоких температур. Термическое расширение этих деталей может привести к отклонению от правильной формы, что приведет к утечкам, прогоранию клапанов и появлению трещин в блоке и головке цилиндров.

пленка масла, которая должна смазывать поршень и стенки цилиндра, может сгореть или обуглиться, в результате чего может возникнуть ускоренный износ и даже деформация поршня.

в результате нагрева свежей порции подаваемой в цилиндр горючей смеси, из-за уменьшения его плотности, может уменьшиться выходная мощность, увеличивается вероятность детонационного сгорания.

некоторые части поверхности камеры сгорания могут нагреться до такой степени, что будут зажигать свежую порцию рабочей смеси до появления искры; это называется преждевременным воспламенением и может привести к серьезному повреждению двигателя.

Кроме этого, важно не переохлаждать двигатель, иначе могут возникнуть другие проблемы:

теплота необходима для испарения топлива внутри цилиндра во время такта сжатия. Не испаренное топливо будет осаждаться на холодных стенках цилиндра и в местах своего оседания оно будет растворять смазочное масло и уничтожать его смазывающие свойства.

образующийся при сгорании водяной пар будет конденсироваться на холодных стенках цилиндра, образуя грязь вместе со смазочным маслом и вызывая коррозию деталей двигателя. При этом скорость износа у холодного двигателя значительно больше, чем у горячего.

Опыт показывает, что температура головки цилиндров должна поддерживаться немного ниже 200 – 250С, поскольку перегрева также следует избегать.

Поэтому для поддержания нормального теплового режима работы узлов и механизмов необходимо непрерывно отводить теплоту от взаимодействующих деталей, не допуская их перегрева.

Следует поддерживать тепловой режим двигателя в пределах 85 – 95о С независимо от его нагрузки и температуры окружающей среды.

На современных поршневых двигателях применяют жидкостное или воздушное охлаждение.

Для обеспечения эффективной работы двигатель внутреннего сгорания имеет следующие механизмы и системы:

· кривошипно-шатунный механизм;

· систему смазки;

· газораспределительный механизм;

· систему питания;

· систему охлаждения;

· систему зажигания.

На современных автомобильных двигателях в полезную работу превращается лишь 23 - 40% теплоты, выделяющейся в цилиндрах двигателя, остальная теплота уноситься отработавшими газами, с охлаждающей жидкостью или воздухом и затрачивается на трение, рассеивание в окружающую среду внешними поверхностями двигателя и др.


1. УСТРОЙСТВО СИСТЕМЫ ОХЛАЖДЕНИЯ ДВИГАТЕЛЯ

Система охлаждения предназначена для отвода тепла от механизмов и деталей двигателя, а также для поддержания нормального теплового режима двигателя. На автомобильных двигателях наибольшее распространение получили жидкостные системы с принудительной циркуляцией охлаждающей жидкости.

Такие системы более эффективны в работе и вместе с пусковыми устройствами обеспечивают легкий пуск двигателя при отрицательных температурах окружающего воздуха и создают меньший шум при его работе.

В жидкостной системе охлаждения поверхности блока и головки цилиндров заключены в клетку или охлаждающую рубашку (контур), при наличии пространства между цилиндрами, в котором может циркулировать соответствующая жидкость. В качестве жидкости обычно используется вода или ее этиленгликолевые смеси – антифризы.

Наиболее широкое распространение получили всесезонные жидкости, замерзающие при низкой температуре – Тосол-А40М и Тосол-А65М, в зависимости от климатических условий. Эти жидкости обладают антикоррозийными, антивспенивающими свойствами и растворяют накипь, что является важным свойством для эксплуатации автомобилей. Они имеют высокий коэффициент теплового расширения.

Указанные жидкости голубого цвета без запаха – ядовиты, и поэтому необходимо соблюдать меры предосторожности при обращении с ними во избежание ожогов кожи и разъедания одежды. При попадании даже небольшого количества такой жидкости в организм человека может произойти тяжелое отравление.


Рис. 2 Система охлаждения ВАЗ-2106: 1 – трубка отвода жидкости от радиатора отопителя к жидкостному насосу; 2 – шланг отвода горячей жидкости из головки цилиндров в радиатор отопителя; 3 – перепускной шланг термостата; 4 – выпускной патрубок рубашки охлаждения; 5 – подводящий шланг радиатора; 6 – расширительный бачок; 7 – рубашка охлаждения; 8 – пробка радиатора; 9 – радиатор; 10 – кожух вентилятора; 11 – вентилятор с электроприводом; 12 – резиновая опора радиатора; 13 – шкив привода жидкостного насоса; 14 – отводящий шланг радиатора; 15 – ремень привода насоса; 16 – жидкостный насос; 17 – шланг подачи жидкости в насос; 18 – термостат.


Рис.3. Принципиальная схема системы охлаждения: 1 – радиатор; 14 – поршень; 2 – крышка; 15 – сливной краник; 3 – вентилятор; 16 – нижний бачок радиатора; 4 – термостат; 5 – жидкостный насос; 6 – расширительный бачок; 7 – головка цилиндров; 8 – трубопровод к отопителю; 9 – указатель температуры жидкости; 10 – вентилятор отопителя; 11 – радиатор отопителя; 12 – рубашка охлаждения головки цилиндров; 13 - рубашка охлаждения блока цилиндров.

Система охлаждения состоит (рис.3) из:

- рубашки охлаждения блока и головки блока цилиндров;

- центробежного насоса;

- термостата;

- радиатора с расширительным бачком;

- вентилятора;

соединительных патрубков и шлангов.

Систему охлаждения заполняют жидкостью через расширительный бачок 6 (рис. 3) или горловину радиатора. В крышке радиатора или бачка выполнен паровоздушный клапан, который поддерживает повышенное давление в системе охлаждения при работе двигателя, повышая тем самым температуру Тосола. По мере остывания остановленного двигателя клапан постепенно снижает давление, предотвращая разрыв радиатора и расширительного бачка. Для слива жидкости служат отверстия в нижней части радиатора и блоке цилиндров, закрытые резьбовыми пробками или снабженные краниками 15.

Во время работы двигателя жидкость циркулирует в системе охлаждения двигателя под действием центробежного жидкостного насоса 5 охлаждающей жидкости. Распределением потока жидкости управляет термостат. Пока двигатель не прогрет, жидкость циркулирует по малому кругу (рис.4) - фактически в пределах рубашки охлаждения головки и блока цилиндров. По мере прогрева двигателя клапан термостата открывается, и часть жидкости, а затем и весь ее поток направляется в радиатор (большой круг циркуляции), где охлаждается потоком набегающего воздуха и вентилятором. Крыльчатка вентилятора на некоторых двигателях приводится во вращение ременной передачей от шкива коленчатого вала. Более современная конструкция – электрический вентилятор системы охлаждения, работающий от бортовой электросети автомобиля и управляемый термодатчиком, установленным в бачке радиатора.

Система охлаждения двигателя конструктивно объединена с системой отопления пассажирского салона автомобиля. Нагретая жидкость поступает в радиатор отопителя 8 (рис.4) из рубашки охлаждения головки блока цилиндров по верхнему трубопроводу, а отводится по нижнему трубопроводу к насосу охлаждающей жидкости. Проходя через радиатор отопителя самотеком (при движении автомобиля) или под действием включенного вентилятора 12, холодный наружный воздух нагревается и создает комфортную температуру в салоне автомобиля. Поток жидкости через радиатор отопителя регулируется или перекрывается краном отопителя 9, управляемым с места водителя.

Для создания принудительной циркуляции охлаждающей жидкости в системе охлаждения служит жидкостный насос центробежного типа (рис. 5). Расположен насос в передней части блока цилиндров и приводится в действие клиновидным ремнем от шкива коленчатого вала. Он состоит из корпуса 1, крыльчатки 9 и крышки 6 подшипников, соединенных между собой через прокладку. В насосах, как правило, применяются специальные двухрядные подшипники, внутренним «кольцом» которых служит сам валик. Однако, для «Жигулей» в запасные части поставлялись и крышки 2102 – 1807020, в которых применялись два обычных подшипника 203, в отличие от «родной» крышки.

Рис. 5 Продольный разрез жидкостного насоса ВАЗ – 2106: 1 – корпус; 2 – подшипник; 3 – шкив; 4 – ступица шкива; 5 – стопорный винт подшипника; 6 – крышка; 7 – валик; 8 – сальник; 9 – крыльчатка.

На автомобиле ВАЗ – 2108 крышка превратилась в корпус, который крепится непосредственно к блоку цилиндров – см. рис. 6.

Здесь, в отличие от заднеприводных моделей ВАЗ, привод на жидкостный насос идет через зубчатый ремень. Его проскальзывание относительно зубчатых шкивов совершенно недопустимо. При этом, лишаясь самого ремня (срезаются зубцы), одновременно нарушаются фазы газораспределения. Беда не в том, что их потребуется вновь устанавливать, а в том, что «сбой» фаз приводит к «встрече» клапанов с поршнями. Погнутые клапаны и разбитые направляющие втулки – это повод для серьезного и дорогого ремонта. Поэтому важно добиться правильного натяжения зубчатого ремня.

Рис. 6. Насос охлаждающей жидкости ВАЗ – 2108: 1 – крыльчатка; 5 – стопорный винт; 2 – корпус; 6 – наружное кольцо подшипника; 3 – сальник; 7 – зубчатый шкив. 4 – валик;

Пластмассовая крыльчатка 9 (рис. 5) крепится на заднем конце вала 5при помощи ступицы. Пи вращении крыльчатки жидкость из подводящего патрубка поступает к ее центру, затем захватывается лопастями и под действием центробежной силы отбрасывается к стенкам корпуса 1 насоса, а оттуда через полые приливы подается в рубашку охлаждения двигателя.

Герметичность вращающихся деталей, расположенных в корпусе насоса, обеспечивается самоуплотняющимся сальником, установленным в крыльчатке. Он состоит (рис. 7) из графитового кольца 4, резиновой манжеты 2 и пружины 3, прижимающей кольцо к торцу корпуса подшипников.

Своими выступами графитовое кольцо входит в пазы крыльчатки и закрепляется обоймой. Для контроля за исправным состоянием сальника в корпусе жидкостного насоса имеется технологическое отверстие. В случае выхода из строя сальника через него будет вытекать охлаждающая жидкость.

Рис. 7 Сальник ВАЗ – 2106: 1 – корпус; 2 – резиновая манжета; 3 – пружина; 4 – графитовое кольцо; Б – контролируемый размер 11мм при запрессовке.

В системе с водяным охлаждением простейшего типа движение автомобиля вперед само по себе достаточно для создания воздушного потока через радиатор. Однако вентиляторы с принудительным приводом обеспечивают больший воздушный поток, в результате чего радиатор меньшего размера может рассеивать требуемое количество тепла. Простейшим способом привода вентилятора является ремень, который приводит генератор и насос охлаждающей жидкости, вентилятор на самом деле просто установлен на удлиненной части оси жидкостного насоса.

Вентилятор необходим только тогда, когда скорость потока воздуха через радиатор недостаточна для поддержания требуемой температуры охлаждающей жидкости. Другими причинами этого могут быть малая скорость движения автомобиля, его подъем в гору и т.д. Энергия, требуемая для привода вентилятора, берется от двигателя, в результате чего двигатель нагружается, и расход топлива увеличивается.

Хотя благодаря приданию оптимальной формы лопастям вентилятора и использованию лопастей из штампованной стали можно добиться определенной экономии энергии, на современных автомобилях еще большая экономия достигается при использовании отключаемой системы привода, которая прекращает работу в том случае, когда работа вентилятора не нужна. Одной из наиболее распространенной системой является – электрическая.

Вентилятор с электрическим приводом.

Вентилятор приводится отдельным электрическим двигателем, который включается только тогда, когда охлаждающая жидкость достигает определенной заданной температуры, например 90°С. Подаваемая к двигателю энергия контролируется или термостатическим выключателем, обычно биметаллического типа, расположенный в области верхнего шланга, или при помощи реле, включаемого сигналом от электронного модуля управления.

Вентилятор имеет четырехлопастную крыльчатку, установленную на валу электродвигателя.


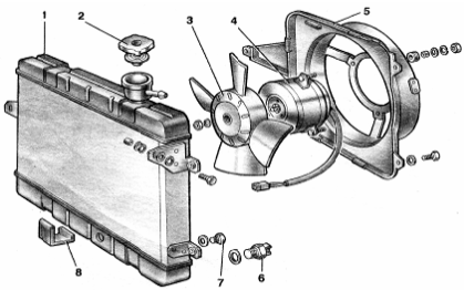
Рис. 8. Детали радиатора и вентилятора с электроприводом: 1 – радиатор; 2 – пробка радиатора; 3 – вентилятор; 4 – электродвигатель вентилятора; 5 – кожух вентилятора; 6 – датчик включения электродвигателя вентилятора; 7 – сливная пробка радиатора; 8 – нижняя опора радиатора.

Радиатор, являющийся теплообменным узлом, предназначен для передачи тепла от охлаждающей жидкости потоку воздуха. Он крепится к кузову автомобиля с помощью резиновых подушек (опор), что необходимо для уменьшения вибраций и ударных нагрузок, возникающих при движении.

Радиатор состоит из верхнего и нижнего бачков и теплорассеивающей сердцевины, наружная поверхность которой обдувается воздухом, рассеивающим теплоту, полученную жидким теплоносителем (охлаждающей жидкостью) от нагретых деталей двигателя.

Сердцевина радиатора состоит из трех – четырех рядов плоских латунных трубок, между рядами которых размещаются широкие зигзагообразные ленты, имеющие специальные выштамповки, искривляющие воздушный канал и повышающие эффективность отдачи тепла потоку воздуха.

В пробке радиатора размещаются выпускной и впускной клапаны. При избыточном давлении в системе охлаждения открывается выпускной клапан и пар или жидкость по трубопроводу отводится в расширительный бачок. По мере понижения температуры двигателя объем охлаждающей жидкости уменьшается, вследствие чего создается разряжение, под действием которого открывается впускной клапан, и жидкость из расширительного бачка поступает обратно в радиатор, в результате объем жидкости в системе охлаждения поддерживается постоянным при работе двигателя.

Охлаждающую жидкость сливают через сливные краны, расположенные соответственно на нижнем патрубке радиатора и в нижней части блока – картера, при этом пробки радиатора и расширительного бачка должны быть открытыми.

Рис 9 Радиатор и типы его сердцевины: а – устройство; б, в – соответственно трубчато-пластинчатая и трубчато-ленточная сердцевины; 1 – боковая стойка; 2 – пароотводная трубка; 3 – пробка; 4 – верхний бачок; 5 – резиновая подушка крепления радиатора; 6 – нижний бачок; 7 – теплорассеиваюшая сердцевина.


Термостат.

Для ускорения прогрева холодного двигателя и автоматического поддержания его теплового режима служит термостат. Конструктивно он представляет собой клапан, регулирующий количество циркулирующей жидкости через радиатор.

Термостаты могут быть с твердым или жидкостным наполнителем.

Рабочим органом термостата сильфонного типа является герметичный гибкий металлический гофрированный баллон, частично заполненный жидкостью, температура кипения которой несколько ниже температуры кипения воды. При низкой температуре охлаждающей жидкости давление внутри гофрированного баллона ниже атмосферного снаружи и гофр сжимается, удерживая клапан закрытым и не допуская циркуляцию воды через радиатор.

При температуре вблизи температуры кипения жидкости в гофре внутренне и внешнее давления выравниваются, и гофрированный баллон начинает расширяться, открывая клапан. Это происходит при температуре около 70 –80°С, а при достижении температуры приблизительно 85 – 90°С клапан открывается полностью.

Рис. 10 Термостат с восковым элементом: 1 –мостик; 2 –упорный палец; 3 –клапан; 4 –отверстие; 5 –фланец; 6 –пружина; 7 –капсула; 8 – резиновая втулка

Действие термостата с восковым элементом основано на изменении объема некоторых видов воска вблизи температуры плавления. Рабочий орган представляет собой неподвижный металлический цилиндр или капсулу 7 (рис. 10), заполненную воском, в который погружен упорный палец 2. Гибкая резиновая втулка 8 вокруг пальца служит для уплотнения верхней части капсулы, чтобы избежать утечки воска.

Термостат вместе с фланцем 5 заключен в корпус, таким же образом, как и термостат с гофрированной трубкой, а упорный палец 2 прикреплен к мостику 1, проходящему через фланец. Клапан 3 прикреплен к капсуле 7 и, перекрывая отверстие во фланце, удерживается в закрытом состоянии пружиной 6, когда термостат холодный. Расширяющийся воск, во время его плавления, давит на упорный палец, который открывает клапан.

Срок службы этого термостата составляет около 100.000 км пробега и ограничивается тем, что температура открывания все время растет из-за деформации резиновой втулки. Такой термостат значительно более прочный, чем термостат с гофрированным баллоном, поэтому его внезапный и полный выход из строя маловероятен. Тем не менее, если такая внезапная поломка все же случится, клапан останется закрытым, что приведет к перегреву двигателя, но если в резиновой втулке 8 под упорным пальцем появится утечка, клапан останется заблокированным в открытом состоянии.

Отверстие 4 действует как вентиляционное отверстие, предотвращая захват воздуха под клапаном, когда система заполняется, а установленный свободно качающийся штифт предотвращает забивание отверстия.

2. ТЕХНИЧЕСКОЕ ОБСЛУЖИВАНИЕ СИСТЕМЫ ОХЛАЖДЕНИЯ

У нас в стране принята планово-предупредительная система технического обслуживания и ремонта автомобилей. Сущность этой системы состоит в том, что техническое обслуживание осуществляется по плану, а ремонт – по потребности.

Принципиальные основы планово-предупредительной системы технического обслуживания и ремонта автомобилей установлены действующим «Положением о техническом обслуживании и ремонте подвижного состава автомобильного транспорта».

Техническое обслуживание является профилактическим мероприятием, проводимым в плановом порядке через определенный пробег автомобиля. Оно предназначено для поддержания подвижного состава в технически исправном состоянии, уменьшения интенсивности изнашивания деталей, а также для выявления отказов и неисправностей с целью их своевременного устранения.

Операции ТО или ремонта проводят с предварительным контролем или без него. Основным методом контроля является определение технического состояния автомобиля, его агрегатов и механизмов.

Техническое обслуживание подразделяют по периодичности, выполняемым операциям и трудоемкости на следующие виды: ежедневное техническое обслуживание (ЕО); первое техническое обслуживание (ТО-1); второе техническое обслуживание (ТО-2) и сезонное обслуживание (СО).

Техническое обслуживание включает в себя следующие виды работ: уборочно-моечные, контрольно-диагностические. Крепежные, смазочные, заправочные, регулировочные, электротехнические и другие работы, выполняемые, как правило, как правило, без разборки агрегатов и снятия с автомобиля отдельных узлов и механизмов. Если при ТО нельзя убедиться в полной исправности отдельных узлов, то их следует снимать с автомобиля для контроля на специальных стендах и приборах.

При ЕО (ежедневном обслуживании) системы охлаждения после пуска двигателя и его работы в режиме холостого хода около минуты нужно проверить уровень жидкости в радиаторе и при необходимости долить ее.

Ежедневно необходимо проверять натяжение ремня привода жидкостного насоса и генератора, отсутствие подтеканий.

Во время работы двигателя и сразу после его остановки уровень жидкости повышен в связи с ее расширением при нагреве. Поэтому контроль уровня охлаждающей жидкости следует производить на холодном двигателе (желательно при температуре около 20°С). Уровень охлаждающей жидкости должен быть на автомобилях ВАЗ на 2…3 см выше риски с отметкой «MIN» в расширительном бачке.

При использовании в качестве охлаждающей жидкости водные растворы Тосола-АМ, необходимо доливать дисцилированную воду.

При перегреве охлаждающей жидкости надо открывать пробки радиатора и расширительного бачка осторожно, так как при этом возможно выбрасывание горячей жидкости из горловины. Заливать холодную жидкость в горячий двигатель нельзя, так как это может привести к образованию трещин в рубашке охлаждения блока цилиндров.

В летнее время нужно следить за чистотой сердцевины радиатора. При засорении ее следует прочистить струей воды или сжатого воздуха, направленного на сердцевину со стороны вентилятора.

При То-1, кроме работ по ежедневному техническому обслуживанию, проверить и при необходимости подтянуть крепления всех деталей системы охлаждения двигателя (радиатора, жидкостного насоса, вентилятора, жидкостных патрубков и шлангов).

Смазать трущиеся детали жидкостного насоса, вентилятора с помощью нагнетательного насоса через пресс-масленки (если это предусмотрено техническими условиями).

Если требуется слить жидкость из системы охлаждения, нужно снять пробку радиатора и открыть сливные краны радиатора, блока цилиндров и отопителя. При наличии предпускового подогревателя открыть краны котла, насосного агрегата. При замерзании кранов в открытом положении закрывать их нужно после заливки в систему жидкости в процессе прогрева двигателя, когда она потечет из кранов. Необходимо систематически следить за состоянием всех уплотнений, не допускать течи жидкости из системы охлаждения.

При ТО-2, кроме работ по первому техническому обслуживанию, необходимо закрепить радиатор, жидкостный насос и при необходимости заменить детали крепления. Проверить натяжение ремня жидкостного насоса, а также его состояние (на его поверхности не должно быть порезов, расслоений, обрывов нитей корда). Также, если это необходимо – проверить производительность насоса на стенде.

При СО (сезонном обслуживании) промыть систему охлаждения для удаления из нее накипи, ржавчины, осадков.

Сначала нужно промыть двигатель, а затем радиатор, направляя поток промывочной воды обратно циркуляции охлаждающей жидкости в двигателе. Перед этим с двигателя снять термостаты, вывернуть из блока цилиндров и радиатора сливные краны, отсоединить трубопроводы, идущие к расширительному бачку, и закрыть отверстия пробками.

Промывать двигатель следует до тех пор, пока сливаемая вода не станет совершенно чистой. Затем устанавливают трубопроводы, соединяющие двигатель с радиатором и расширительным бачком. После этого направляют из шланга воду под сильным напором в отверстие патрубка термостата и прекращают подачу лишь после того, как из отверстий сливных кранов потечет чистая вода, без примесей. Перед установкой сливные краны прочистить, промыть и проверить их исправность.

Радиатор нужно промывать, пользуясь шлангом, под сильным напором воды, через нижний патрубок радиатора, чтобы вода выливалась через верхние патрубки. Для отвода воды надеть шланги на верхние патрубки радиатора.

Если вода жесткая, то перед заливкой в систему охлаждения ее необходимо смягчить, т.е. удалить соли кальция (прокипятить, добавить в воду специальные добавки и др.).

Для удаления накипи применяют раствор каустической соды – 0,8 кг, 0,5 л керосина на 10 л воды – для двигателей с чугунными головками цилиндров. Для двигателей с чугунными и алюминиевыми головками блока применяют 4%-ный раствор ингибированной соляной кислоты.

Перед заливкой соляной кислоты систему охлаждения промывают холодной водой в течение 5-10 мин, после чего заполняют раствором, пускают двигатель и прогревают его, пока температура не поднимется до 40°С. Раствор сливают через 5 мин. Для нейтрализации соляной кислоты заполняют систему специальным раствором и прогревают до температуры 60°С. После этого слить раствор и промыть систему водой.

При использовании воды для охлаждения двигателя независимо от продолжительности предпочтительнее применять дождевую или снеговую воду, так как в ней нет солей.

3. ОСНОВНЫЕ НЕИСПРАВНОСТИ И РЕМОНТ СИСТЕМЫ ОХЛАЖДЕНИЯ

Основные неисправности системы охлаждения имеют следующие признаки:

подтекание охлаждающей жидкости;

перегрев или переохлаждение двигателя;

повышенный шум при работе жидкостного насоса.

Подтекание охлаждающей жидкости может быть вызвано негерметичностью соединений шлангов системы охлаждения со штуцерами и патрубками, неплотностью соединений фланцев патрубков, негерметичностью спускных пробок и краника отопителя, повреждением шлангов, трещинами в бачках и сердцевине радиатора, износом самоподжимного сальникового уплотнения жидкостного насоса (при вытекании жидкости из дренажного отверстия насоса).

Контроль герметичности системы охлаждения производится специальным устройством, которое устанавливают вместо пробки на горловину радиатора или расширительного бачка и при помощи насоса устройства создают избыточное давление в системе 0,05…0,07 МПа, при котором не допускается просачивание жидкости из системы. Однако обычно подтекание жидкости легко обнаруживается по мокрым следам на месте стоянки, а также по снижению уровня охлаждающей жидкости в системе охлаждения.

Негерметичность соединений шлангов и фланцев патрубков устраняется подтяжкой их креплений – хомутов и резьбовых деталей. Поврежденные шланги и негерметичные пробки, и краники заменяют на новые.

Подтекание жидкости через трещины в бачках или сердцевине радиатора устраняется заделкой трещин при помощи пайки или заклеивания. Незначительное подтекание жидкости через радиатор может быть устранено при помощи добавления в охлаждающую жидкость специальных герметиков. Однако применение герметиков устраняет подтекание жидкости, как правило, лишь на небольшое время и может иметь вредные для системы охлаждения двигателя последствия. При добавлении герметика его частицы осаждаются не только на поврежденные места, но и на остальные поверхности, увеличивая отложения на внутренних поверхностях элементов системы охлаждения. Это может ухудшить циркуляцию жидкости в системе и соответственно снизить эффективность охлаждения двигателя и работу отопителя. В этом случае помимо замены негерметичного радиатора потребуется тщательно промыть всю систему охлаждения.

В случае вытекания жидкости через дренажное отверстие корпуса жидкостного насоса необходимо снять его с автомобиля для ремонта (замены деталей сальникового уплотнения) или замены. Недопустимо устранять подтекание закрытием отверстия. Это неизбежно приведет к попаданию жидкости в подшипники насоса и к их разрушению.

Перегрев двигателя характеризуется повышенной температурой и возможным закипанием охлаждающей жидкости. Возникает он вследствие:

недостаточного уровня охлаждающей жидкости;

пробуксовки или обрыва ремня привода жидкостного насоса;

неисправности электровентилятора;

поломки крыльчатки жидкостного насоса;

неисправности термостата;

засорения воздушных проходов в сердцевине радиатора;

отложения загрязнений и накипи в радиаторе и на стенках рубашки охлаждения.

При перегреве двигателя охлаждающая жидкость значительно увеличивается в объеме и может происходить ее выход через пробку распределительного бачка. Кроме того, при перегреве происходит потеря мощности двигателя вследствие ухудшения наполнения цилиндров горючей смесью, а также падению давления и выгорание масла, что приводит к усиленному изнашиванию поршневой группы и цилиндров.

Рис. 11 Схема проверки натяжения ремня привода жидкостного насоса: 1 – генератор; 2 – жидкостный насос; 3 – шкив коленчатого вала

Проверка натяжения ремня привода жидкостного насоса и генератора осуществляется по прогибу ремня при приложении к нему определенного усилия. Для проверки натяжения может использоваться линейка с рейкой или специальное динамометрическое устройство.

При нормальном натяжении ремня прогиб А (рис. 11) под усилием 98,1 н (10кгс) должен быть в пределах 10 – 15 мм, а прогиб В в пределах 12 – 17 мм.

Для увеличения натяжения ремня необходимо ослабить гайки крепления генератора, сместить его от двигателя и затянуть гайки.

При регулировке натяжения ремня необходимо иметь в виду, что при недостаточном натяжении ремня на больших оборотах двигателя вследствие пробуксовки он будет нагреваться и это приведет к его износу. В то же время при чрезмерном натяжении ремня будет происходить ускоренный износ подшипников жидкостного насоса и генератора. А также ускоренное вытягивание и разрушение самого ремня.

Проверка электропривода вентилятора производится по температуре охлаждающей жидкости, при которой происходит его включение и выключение. Температура замыкания контактов датчика включения электродвигателя вентилятора ТМ108 составляет 89…94°С (для ВАЗ, например). Если при данной температуре не происходит включения вентилятора или же он не отключается при снижении температуры ниже 80°С, то необходимо найти и устранить причину неисправности (устранить обрыв в электрической цепи привода вентилятора, заменить неисправный датчик или электродвигатель вентилятора).

Проверка действия термостата может производиться непосредственно на автомобиле. Для этого необходимо пустить двигатель и ощупать рукой нижний бачок или нижний патрубок радиатора. При исправном термостате бачок или патрубок начинает прогреваться, когда температура охлаждающей жидкости достигнет 80…90°С.

Ремонт жидкостного насоса производится главным образом по причине выхода из строя самоподжимного сальникового уплотнения (наблюдается вытекание жидкости через дренажное отверстие) или подшипников (появляется характерный свистящий шум при работе насоса, усиливающийся с повышением оборотов двигателя). При ремонте производится снятие насоса с двигателя и его разборка.

Долговечность подшипника и сальника в значительной мере зависит от натяжения ремня привода. На «Жигулях» клиновой ремень должен быть натянут так, чтобы в середине его ветви между насосом и генератором прогиб от усилия 10 кгс составлял 10 – 15 мм. В сущности, для подшипников лучше, если ремень натянут слабее, но по мере уменьшения натяжения ремень начинает проскальзывать относительно шкивов, особенно при резком увеличении нагрузки на генератор. Например, при включении фар неопытного владельца «Жигулей» может озадачить резкий свист под капотом – это признак проскальзывания ремня. В результате не только ухудшаются охлаждение и работа генератора, но и быстро изнашиваются сами шкивы и ремень (последний порой даже обугливается).

Постоянный и неустранимый шум подшипника означает, что он сильно поврежден или изношен и замена его неизбежна. Другой признак необходимости ремонта насоса – подтекание охлаждающей жидкости из-под валика привода: значит, сальник потерял герметичность вследствие износа его манжет или из-за нарушения «геометрии контакта» при изношенных подшипниках.

Пути жидкости организованы так, что обходят подшипник снизу. Это позволяет в ряде случаев при ремонте ограничится заменой негодного сальника, не трогая подшипник. Если же требуется замена подшипника, оставлять старый сальник бессмысленно.

При сильном износе подшипника крыльчатка «помпы» может задевать корпус или блок цилиндров, что порождает сильный шум.

Для замены сальника необходимо снять крышку 4 (см. рис. 3) или корпус насоса 2 (см. рис. 4). Крыльчатку спрессовывают с валика съемником (рис. 10).

На «Жигулях» в центре крыльчатки есть отверстие с резьбой М18х1,5 – оно позволяет воспользоваться съемником, показанным на рис. 11

Рис. 12 Замена сальника: 1 – съемник; 2 – крыльчатка; 3 – крышка насоса.

Рис. 13

Перед съемом крыльчатки обязательно нужно отметить ее положение на валике для последующего контроля при напрессовке.

Извлечь сальник при установленном подшипнике практически невозможно, да и не нужно. Достаточно отогнуть усики и вынуть внутренние детали. Главное не деформировать или как нибудь еще не повредить посадочное гнездо сальника в корпусе (или крышке).

Новый сальник осторожно запрессовывают простейшей деревянной оправкой диаметром 40 мм с отверстием в центре диаметром 16 мм – под валик насоса. Запрессовку лучше делать, используя пресс или тиски. Удары могут быть губительными для графитового кольца.

Замена подшипника жидкостного насоса.

В этом случае нужно демонтировать ступицу 8 (см. рис. 3) или шкив 7 (см. рис. 4). Это делается универсальным съемником, как и некоторые дальнейшие операции.

Рис. 14 Снятие ступицы универсальным съемником: 1 – крышка насоса; 2 – ступица; 3 – съемник;

Рис. 15 Выпрессовка (или запрессовка) подшипника с валиком: 1 – оправка; 2 – подшипник; 3 – крышка.

Далее выворачивают стопорный винт наружного кольца подшипника и выпрессовывают подшипник в сборе с валиком и сальником по направлению к сальнику – внутрь (рис. 13). Перед этим должна быть снята крыльчатка.


Рис. 16 – запрессовка сальника: 1 – оправка; 2 – сальник; 3 – крышка.

Рис. 17 – напрессовка на валик ступицы и крыльчатки: 1 – опора; 2 – валик; 3 – крышка; 4 – крыльчатка; 5 – прокладка (фанера).

Сборку насоса начинают с запрессовки сальника (рис. 16), контролируя при этом размер Б (рис. 7). Следовательно, при этом понадобится штангенциркуль или хотя бы подходящая линейка. Этот размер легко определить по старому сальнику – на нем видна «граница». При запрессовке надо быть очень осторожным – графитовое кольцо легко расколоть и сальник придет в негодность.

Затем запрессовывают подшипник с валиком (рис. 15), используя приспособление, и большие слесарные тиски или пресс. Удары опасны не только для сальника, но и для подшипника – появление лунок (отпечатков шариков на дорожках качения) от ударов совершенно недопустимо.

Важно не забыть о том, что в конце запрессовки отверстия под стопорный винт в подшипнике и корпусе (крышке) должны совместиться, для чего наружное кольцо с самого начала операции нужно правильно соорентировать относительно корпуса (крышки).

Затянув стопорный винт, гнездо вокруг него зачеканивают, чтобы исключить его ослабление и самоотворачивание при работе.

Ступицу 8 (рис.5) напрессовывают на валик (натяг 0,06 – 0,1 мм), используя тиски (пресс) и следя за соблюдением посадочных размеров, иначе плоскости вращения шкивов на двигателе могут не совпасть.

Чтобы напрессовать на валик крыльчатку 4 (рис. 17), достаточно использовать опору 1 на переднем конце валика и фанерку со стороны крыльчатки. При этом нельзя забывать контролировать размер А, от которого зависит зазор между лопатками крыльчатки и стенками подводящего жидкость канала, а также сила, прижимающая манж

Подобные работы:

Актуально: