Компенсация реактивной мощности в системах электроснабжения с преобразовательными установками
1. Исследование методов и устройств компенсации реактивной мощности при электроснабжении нелинейных и резкопеременных нагрузок
1.1 Реактивная составляющая – неотъемлемая часть потребляемой из сети энергии
1.2 Принципы компенсации реактивной мощности
1.3 Влияние преобразовательных установок на сети промышленного электроснабжения
1.4 Компенсация реактивной мощности в системах электроснабжения преобразовательных установок
1.4.1 Технические трудности, возникающие при использовании конденсаторных батарей для компенсации реактивной мощности
1.4.2 Особенности компенсации реактивной мощности в сетях со специфическими нагрузками
1.4.3 Статические тиристорные компенсаторы реактивной мощности
1.4.4 Разработанные устройства для компенсации реактивноймощности
1.4.5 Статические тиристорные компенсаторы реактивной мощности, выпускаемые отечественной промышленностью
2. Устройство компенсации реактивной мощности
2.1 Разработка и обоснование алгоритма функционирования и структурной схемы проектируемого устройства
2.2 Обоснование функциональной и принципиальной схем блока проектируемого устройства
3. Технико-экономическое обоснование
3.1 Планирование заработной платы на предприятии
3.2 Определение годового экономического эффекта от внедрения проектируемого устройства
4. Охрана труда
4.1 Электробезопасность
4.2 Расчет защитного заземления
Заключение
Список литературы
Приложение
ВВЕДЕНИЕ
Вопросы экономного использования всех видов энергии, в том числе электрической, и повышения экономичности работы электроустановок являются важной государственной проблемой.
Электроэнергия, как особый вид продукции, обладает определенными характеристиками, позволяющими судить о ее пригодности в различных производственных процессах. Совокупность таких характеристик, при которых приемники электроэнергии способны выполнять заложенные в них функции, объединены под общим понятием качества электроэнергии.
В последние годы повышению качества электроэнергии уделяют большое внимание, т.к. качество электроэнергии может существенно влиять на расход электроэнергии, надежность систем электроснабжения, технологический процесс производства.
При решении задачи повышения качества электроэнергии выделяют экономические, математические и технические аспекты.
Экономические аспекты включают в себя методы расчета убытков от некачественной электроэнергии в системах промышленного электроснабжения. Математические аспекты представляют собой обоснование тех или иных методов расчета показателей качества электроэнергии. Технические аспекты включают в себя разработку технических средств и мероприятий, улучшающих качество электроэнергии, а также организацию системы контроля и управления ее качеством.
Качество электроэнергии можно улучшить средствами питающей сети или применением соответствующего дополнительного оборудования на основе имеющегося опыта проектных и эксплуатационных организаций.
Часть решений, в основном обусловленных техническими требованиями, является общей и должна приниматься на основе имеющихся указаний. В других случаях учитывают специфику конкретных условий.
Стремление повысить производительность труда на современных промышленных предприятиях, а также интенсификация и усложнение технологических процессов обусловили то, что все большую долю в общем объеме суммарных нагрузок занимают резкопеременные и нелинейные нагрузки с повышенным потреблением реактивной мощности. Это, прежде всего, вентильные преобразователи, нашедшие широкое применение на заводах черной и цветной металлургии и предприятиях химической промышленности, а также мощные дуговые печи, сварочные установки и т. п.
Характерной особенностью работы этих потребителей является влияние их на качество электроэнергии питающих сетей. В свою очередь нормальная работа электрооборудования зависит от качества электроэнергии питающей системы. Такое взаимное влияние электрооборудования и питающей системы определяют термином "электромагнитная совместимость".
Решение проблемы электромагнитной совместимости связано с определением и поддержанием оптимальных показателей качества электроэнергии, при которых выполняются технические требования с минимальными затратами.
Проблема электромагнитной совместимости электроприемников с питающей сетью остро возникла в последнее время в связи с широким внедрением мощных вентильных преобразователей, дуговых сталеплавильных печей, сварочных установок и других устройств, которые при всей своей экономичности и технологической эффективности оказывают отрицательное влияние на качество электрической энергии в питающих электрических сетях.
При разработке новых приемников электроэнергии необходимо учитывать то отрицательное влияние, которое они могут оказывать на питающую электрическую сеть. При оценке должны приниматься во внимание дополнительные устройства, предотвращающие ухудшение качества электрической энергии. Необходимые нормы качества электрической энергии могут быть достигнуты уже на стадии проектирования электроснабжения промышленных предприятий путем соответствующих расчетов и применения технических средств.
Одним из основных вопросов, связанных с повышением качества электроэнергии в сетях, решаемых как на стадии проектирования, так и на стадии эксплуатации систем промышленного электроснабжения, является вопрос о компенсации реактивной мощности, включающий выбор целесообразных источников, расчет и регулирование их мощности, размещение источников в системе электроснабжения.
Рациональная (оптимальная) компенсация реактивной мощности в промышленных электросетях включает в себя широкий комплекс вопросов, направленных на повышение экономичности работы электроустановок, улучшение качества потребляемой электроэнергии и включающих в себя методы выбора и расчета компенсирующих устройств, исходя из условий выполнения заданий энергосистемы; вопросы места установки компенсирующих устройств и их наивыгоднейшего размещения, рациональной и безопасной эксплуатации и защиты; ключевые вопросы автоматического регулирования реактивной мощности в промышленных электросетях, а также создания целенаправленного научного подхода к разработке и решению с минимумом погрешности адекватной математической модели задачи рациональной компенсации реактивной мощности.
Рациональная компенсация реактивной мощности приводит к снижению потерь мощности из-за перетоков реактивной мощности, обеспечению надлежащего качества потребляемой электроэнергии за счет регулирования и стабилизации уровня напряжений в электросетях, достижению высоких технико-экономических показателей работы электроустановок.
Проблема компенсации реактивной мощности в электрических системах страны имеет большое значение по следующим причинам:
1) в промышленном производстве наблюдается опережающий рост потребления реактивной мощности по сравнению с активной;
2) в городских электрических сетях возросло потребление реактивной мощности, обусловленное ростом бытовых нагрузок;
3) увеличивается потребление реактивной мощности в сельских электрических сетях.
Количественные и качественные изменения, происходящие в промышленном электроснабжении за последние годы, придают этому вопросу особую значимость. В настоящее время прирост потребления реактивной мощности существенно превосходит прирост потребления активной мощности. При этом передача реактивной мощности на значительные расстояния от мест генерации до мест потребления существенно ухудшает технико-экономические показатели систем электроснабжения.
Интенсификация производственных процессов, повышение производительности труда связаны с совершенствованием существующей и внедрением новой, передовой технологии. Этому процессу сопутствует широкое внедрение мощных вентильных преобразователей, электродуговых печей, сварочных установок и других устройств, которые при всей технологической эффективности оказывают отрицательное влияние на качество электроэнергии в электрических сетях.
Следует отметить, что практически все показатели качества электроэнергии по напряжению зависят от потребляемой промышленными электроприемниками реактивной мощности. Поэтому вопросы качества электроэнергии невидимо рассматривать в непосредственной связи с вопросами компенсации реактивной мощности.
Проблема электромагнитной совместимости электроприемников с питающей сетью, которую в последнее время сравнивают с проблемой загрязнения окружающей среды, порождает новые научные и технические проблемы при проектировании и эксплуатации промышленных электрических сетей. В настоящее время принимаются меры для того, чтобы уменьшить влияние потребителей на качество электроэнергии в промышленных сетях.
Проблема может быть решена путем создания и промышленного освоения быстродействующих многофункциональных средств компенсации реактивной мощности, улучшающих качество электроэнергии сразу по нескольким параметрам. Внедрение этих устройств приведет также к уменьшению потерь электроэнергии.
Экономное использование электроэнергии приобретает все большее значение, что необходимо учитывать при проектировании и эксплуатации промышленных сетей высокого и низкого напряжения. Анализ потребления электрической энергии промышленными предприятиями показывает, что основными направлениями сокращения потерь электроэнергии в сетях являются компенсация реактивной мощности с одновременным улучшением качества потребляемой электрической энергии непосредственно в сетях промышленных предприятий, увеличение загрузки трансформаторов с целью достижения максимальной эффективности их использования, приближение трансформаторов к приемникам электроэнергии (глубокие вводы), сокращение ступеней трансформации и исключение дополнительного реакторного оборудования, сокращение потерь непосредственно в трансформаторах, внедрение более экономичного силового электрооборудования и источников света, оптимизация режимов работы электрооборудования, реконструкция и перевод сетей на повышенное напряжение, внедрение диспетчерского управления и автоматизированных систем управления электроснабжением и учетом электроэнергии.
Вопросы качества электроэнергии требуют тщательной разработки и изучения происходящих при этом явлений. Особые трудности связаны с отсутствием требуемых измерительных приборов в электрических сетях, а также сложностью и необходимостью изменения методов измерений. Это связано, в частности, с влиянием случайного характера изменений нагрузок, что, в свою очередь, требует применения статистических приборов и соответствующей обработки получаемой информации – использования вероятностно-статистических методов расчета(1).
1. ИССЛЕДОВАНИЕ МЕТОДОВ И УСТРОЙСТВ КОМПЕНСАЦИИ РЕАКТИВНОЙ МОЩНОСТИ ПРИ ЭЛЕКТРОСНАБЖЕНИИ НЕЛИНЕЙНЫХ И РЕЗКОПЕРЕМЕННЫХ НАГРУЗОК
1.1 Реактивная составляющая – неотъемлемая часть потребляемой из сети энергии
В реальных условиях электроснабжения звенья электропередачи и нагрузка потребителя всегда содержат наряду с активным сопротивлением составляющие индуктивного и емкостного сопротивлений. Устройства, потребляющие индуктивный ток, принято называть приемниками реактивной мощности (энергии), а устройства, потребляющие емкостный ток, – источниками реактивной мощности (энергии). Большая часть промышленных устройств потребляет реактивную мощность.
Состав потребителей реактивной мощности показывает, что основную часть реактивной мощности потребляют четыре вида устройств: асинхронные двигатели – 40 % (совместно с бытовыми, сельскохозяйственными электродвигателями и асинхронными электроприводами собственных нужд электростанций), электропечные установки – 8 %; вентильные преобразователи – 10 %, трансформаторы всех ступеней трансформации (потери в них) – 35 %, линии электропередачи (потери в них) – 7 %. Так как превалирует индуктивная нагрузка, то одновременно с активной мощностью по сети должна передаваться и реактивная мощность индуктивного характера(2).
При подключении к электросети с напряжением
активно-индуктивной нагрузки ток в ней отстает от напряжения на угол сдвига j:
.
Электроприемник с такой нагрузкой потребляет как активную
,
так и реактивную
![]()
мощность.
Текущий коэффициент мощности в каждый момент времени:
,
где Pi, Qi, Si – соответственно активная, реактивная и полная мощности в момент времени ti (кВт, квар, кВА).
Активная и реактивная мощности предприятия изменяются не только в течение длительного промежутка времени (суток, месяца), но и в течение одной производственной смены.
Коэффициент реактивной мощности
наглядно выражает реактивную мощность в долях активной. Связь между коэффициентами такая:
(4).
Активная мощность, потребляемая электроприемником, может совершать работу и преобразовываться в другие виды энергии: механическую, тепловую, световую, химическую, энергию сжатого воздуха и газа и т.п. Определенная часть активной энергии расходуется на потери.
Реактивная мощность не связана с полезной работой электроприемника и расходуется на создание электромагнитных полей в электродвигателях, трансформаторах, линиях.
Следует сказать о некоторой условности толкования Q как мощности. Активная мощность обусловлена преобразованием энергии первичного двигателя, полученной от природного источника, в электроэнергию. Реактивная мощность не преобразуется в другие виды мощности, не требует для ее производства затраты других видов энергии, не совершает работу и поэтому условно называется мощностью.
Аналогия реактивной мощности с активной состоит в сходстве аналитического выражения; в том, что электроприемники потребляют не только активную, но и реактивную мощность, так как процессы передачи и потребления электроэнергии неразрывно связаны с возникновением магнитного и электрического полей; в зависимости и активной, и реактивной мощности от напряжения и частоты в соответствии со статическими характеристиками; в зависимости потерь в сетях от потоков и активной, и реактивной мощности; в одинаковом способе измерения активной и реактивной мощности. Для расчета режимов в цепях синусоидального тока реактивная мощность является очень удобной характеристикой, широко используемой на практике(22).
С точки зрения генерации и потребления между реактивной и активной мощностью существуют значительные различия. Если большая часть активной мощности потребляется приемниками и лишь незначительная теряется в элементах сети и электрооборудования, то потери реактивной мощности в элементах сети могут быть соизмеримы с реактивной мощностью, потребляемой приемниками электроэнергии. Из 100 % реактивной мощности, вырабатываемой в энергосистеме, 22 % теряется в повышающих трансформаторах электростанций и в автотрансформаторах повышения напряжения на подстанциях 110–750 кВ энергосистемы, 6,5 % теряется в линиях районных сетей системы, 13,5 % составляют потери в понижающих трансформаторах и лишь 58 % из всей выработанной реактивной мощности приходятся на шины 6–10 кВ потребителей.
Активную мощность электрической сети получают от генераторов электрических станций, которые являются единственным источником активной мощности.
Полная мощность, вырабатываемая генератором, включает активную и реактивную составляющие.
Синхронные генераторы на электростанциях вместе с другими источниками реактивной мощности обеспечивают и регулируют баланс реактивной мощности в современных электрических сетях. В номинальном режиме генератор вырабатывает номинальные значения активной и реактивной мощностей при cosjном.
При снижении активной мощности в сравнении с номинальным значением возможна выдача увеличенной реактивной мощности сверх номинальной. Возможность увеличения реактивной мощности за счет уменьшения активной допустимо использовать в случае избытка активной мощности, т.е. в режиме минимума активной нагрузки. В этом случае некоторая часть генераторов, несущих активную нагрузку, может переводиться на работу с пониженным коэффициентом мощности.
Увеличение же генерируемой реактивной мощности в режиме наибольших нагрузок за счет уменьшения генерации активной мощности экономически нецелесообразно. Эффективнее вместо снижения активной мощности генераторов электростанций применять для выработки реактивной мощности компенсирующие устройства. Поэтому, как правило, в сетях для покрытия потребности в реактивной мощности применяют компенсирующие устройства(20).
Прохождение в электрических сетях реактивных токов обуславливает дополнительные потери активной мощности в линиях, трансформаторах, генераторах электростанций, потери напряжения, требует увеличения номинальной мощности или числа трансформаторов, снижает пропускную способность всей системы электроснабжения. Большая загрузка реактивной мощностью электростанций приводит к перегрузке по току генераторов, к необходимости их использования специально для выработки реактивной мощности даже в те часы, когда по активной нагрузке часть генераторов можно отключить в резерв. Реактивной мощностью дополнительно нагружаются питающие и распределительные сети предприятий, соответственно увеличивается общее потребление электроэнергии(3).
Концентрация производства реактивной мощности во многих случаях экономически нецелесообразна по следующим причинам.
1. При передаче значительной реактивной мощности возникают дополнительные потери активной мощности и электроэнергии во всех элементах системы электроснабжения, обусловленные загрузкой их реактивной мощностью. Так, при передаче активной Р и реактивной Q мощностей через элемент системы электроснабжения с сопротивлением R потери активной мощности составят:
.
Таким образом, дополнительные потери активной мощности DPp, вызванные протеканием реактивной мощности Q, пропорциональны ее квадрату.
2. Возникают дополнительные потери напряжения, которые особенно существенны в сетях районного значения. При передаче мощностей P и Q через элемент системы электроснабжения с активным сопротивлением R и реактивным Х потери напряжения составят:
,
где
- потери напряжения, обусловленные активной мощностью;
- потери напряжения, обусловленные реактивной мощностью.
Дополнительные потери напряжения увеличивают отклонение напряжения на зажимах приемника от номинального значения при изменениях нагрузок и режимов электросети. Это требует увеличения мощности, следовательно, и стоимости средств регулирования напряжения.
3. Загрузка реактивной мощностью систем промышленного электроснабжения и трансформаторов уменьшает их пропускную способность и требует увеличения сечений проводов воздушных и кабельных линий, увеличения номинальной мощности или числа трансформаторов подстанций и т.п.
Поскольку реактивная составляющая неизбежна при работе многих промышленных устройств, она не может быть исключена полностью. Однако целесообразно применять средства, предназначенные для уменьшения ее потребления из питающей сети.
В какой-либо электрической цепи генерируемая реактивная энергия равна потребляемой реактивной энергии. В связи с тем, что большая часть промышленных устройств является потребителями реактивной энергии, потребность в реактивной мощности обычно превышает возможности покрытия ее рациональным способом генераторами электростанций. Поэтому возникает необходимость в исследовании дополнительных устройств, поставляющих в энергетическую систему реактивную мощность. Устройствами такого типа, называемыми компенсаторами, могут служить батареи конденсаторов, синхронные компенсаторы и двигатели, а также статические источники реактивной мощности. При номинальной нагрузке генераторы вырабатывают лишь около 60% требуемой реактивной мощности, 20% генерируется в ЛЭП с напряжением выше 110 кВ, 20% вырабатывают компенсирующие устройства, расположенные на подстанциях или непосредственно у потребителя. Совместная работа компенсирующих устройств с сетью ведет к уменьшению потребления из нее реактивной составляющей тока(17).
Приведенные соображения вынуждают, насколько это технически и экономически целесообразно, приближать источники покрытия реактивной мощности к местам ее потребления и уменьшать получение реактивной мощности из энергосистемы. Это в значительной степени разгружает питающие линии электропередачи и трансформаторы от реактивной мощности.
1.2 Принципы компенсации реактивной мощности
Компенсацией реактивной мощности называют ее выработку или потребление с помощью компенсирующих устройств.
Принцип компенсации реактивной мощности заключается в следующем.
Как было установлено, ток, проходящий через конденсатор, опережает приложенное к нему напряжение на 90°, в то время как ток, проходящий через катушку индуктивности, отстает от приложенного напряжения на 90°. Таким образом, емкостный ток противоположен индуктивному току и реактивная мощность, идущая на создание электрического поля, противоположна по направлению реактивной мощности, идущей на создание магнитного поля. Поэтому емкостный ток и емкостная мощность считаются условно отрицательными по отношению к току намагничивания и мощности намагничивания, условно принятыми положительными.
Таким образом, численно равные реактивные мощности емкости и намагничивания взаимно "уничтожаются" (QC– QL= 0) и сеть разгружается от протекания реактивной составляющей тока нагрузки.
Принцип компенсации при помощи емкостного тока поясняет векторная диаграмма на рисунке 1.

Рисунок 1 – Принцип компенсации реактивного тока намагничивания(2): а – схема до компенсации; б – схема с компенсацией
Емкость конденсатора С, подключенного параллельно нагрузке, содержащей R и L, подбирают такой, чтобы ток IC, проходящий через конденсатор, был по возможности близок по абсолютной величине к намагничивающему току IL, потребляемому индуктивностью L. Из векторной диаграммы видно, что подключение конденсатора С дало возможность уменьшить угол сдвига фаз между током и напряжением нагрузки с величины j1 до величины j2 и соответственно повысить коэффициент мощности нагрузки. Увеличивая емкость, можно полностью скомпенсировать реактивную мощность нагрузки, когда j = 0(2).
Компенсация реактивной мощности, как всякое важное техническое мероприятие, может применяться для нескольких различных целей. Во-первых, компенсация реактивной мощности необходима по условию баланса реактивной мощности. Во-вторых, установка компенсирующих устройств применяется для снижения потерь электрической энергии в сети. И, наконец, в-третьих, компенсирующие устройства применяются для регулирования напряжения.
Во всех случаях при применении компенсирующих устройств необходимо учитывать ограничения по следующим техническим и режимным требованиям:
1) необходимому резерву мощности в узлах нагрузки;
2) располагаемой реактивной мощности на шинах ее источника;
3) отклонениям напряжения;
4) пропускной способности электрических сетей.
Для уменьшения перетоков реактивной мощности по линиям и трансформаторам источники реактивной мощности должны размещаться вблизи мест ее потребления. При этом передающие элементы сети разгружаются по реактивной мощности, чем достигается снижение потерь активной мощности и напряжения.
Таким образом, вследствие применения компенсирующих устройств на подстанции при неизменной мощности нагрузки реактивные мощности и ток в линии уменьшаются – линия разгружается по реактивной мощности(20).
Уменьшение потребления реактивной мощности на предприятии достигается путем компенсации реактивной мощности как естественными мерами (сущность которых состоит в ограничении влияния приемника на питающую сеть путем воздействия на сам приемник), так и за счет специальных компенсирующих устройств (реактивной мощности) в соответствующих точках системы электроснабжения.
Мероприятия, проводимые по компенсации реактивной мощности эксплуатируемых или проектируемых электроустановок потребителей, могут быть разделены на следующие три группы:
1) не требующие применения компенсирующих устройств;
2) связанные с применением компенсирующих устройств;
3) допускаемые в виде исключения.
Мероприятия первой группы направлены на снижение потребления реактивной мощности и должны рассматриваться в первую очередь, поскольку для их осуществления, как правило, не требуется значительных капитальных затрат.
Последние два мероприятия должны обосновываться технико-экономическими расчетами и применяться при согласовании с энергосистемой.
Мероприятия, не требующие применения компенсирующих устройств:
1) упорядочение технологического процесса, ведущее к улучшению энергетического режима оборудования, а следовательно, и к повышению коэффициента мощности;
2) переключение статорных обмоток асинхронных двигателей напряжением до 1000 В с треугольника на звезду, если их загрузка составляет менее 40%;
3) устранение режима работы асинхронных двигателей без нагрузки (холостого хода) путем установки ограничителей холостого хода, когда продолжительность межоперационного периода превышает 10 мин;
4) замена, перестановка и отключение трансформаторов, загружаемых в среднем менее чем на 30% от их номинальной мощности;
5) замена мало загруженных двигателей двигателями меньшей мощности при условии, что изъятие избыточной мощности влечет за собой уменьшение суммарных потерь активной энергии в энергосистеме и двигателе;
6) замена асинхронных двигателей синхронными двигателями той же мощности, где это возможно по технико-экономическим соображениям;
7) применение синхронных двигателей для всех новых установок электропривода, где это приемлемо по технико-экономическим соображениям;
8) регулирование напряжения, подводимого к электродвигателю при тиристорном управлении;
9) повышение качества ремонта двигателей с сохранением их номинальных данных;
10) применение преобразователей с большим числом фаз выпрямления;
11) применение поочередного и несимметричного управления работой преобразователей;
12) применение специальных преобразовательных систем с искусственной коммутацией вентилей (такие системы характеризуются сниженным потреблением реактивной мощности), а также систем с ограниченным содержанием высших гармоник в токе питающей сети.
Мероприятия, связанные с применением компенсирующих устройств:
1) установка статических конденсаторов;
2) использование синхронных двигателей в качестве компенсаторов;
3) применение статических источников реактивной мощности;
4) применение систем компенсации, состоящих из нескольких перечисленных устройств, работающих параллельно.
Применению устройств компенсации реактивной мощности должен предшествовать тщательный технико-экономический анализ в связи с высокой стоимостью и достаточной сложностью этих устройств.(4).
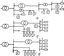
Компенсирующие устройства в зависимости от места их расположения в разветвленной электроэнергетической системе подразделяются на следующие виды: индивидуальные, групповые, централизованные компенсаторы. На рисунке 2 показаны различные схемы расположения компенсирующих устройств в электроэнергетической системе.

Рисунок 2 – Схемы подсоединения компенсирующих устройств:
а – индивидуальная компенсация; б – групповая компенсация; в – централизованная компенсация(17)
Индивидуальные компенсаторы – устройства, работающие непосредственно с приемником, потребляющим из питающей сети реактивную мощность. При полной компенсации приемник и устройство компенсации представляют для питающей сети устройства, потребляющие только активную мощность. Однако при выключенном потребителе компенсирующие устройства также не используются, что является главным недостатком индивидуальной компенсации. Такой вид компенсации лучше всего применять для компенсации мощности искажения приемников с нелинейными характеристиками.
Групповая и централизованная компенсация позволяет использовать устройства независимо от работы отдельных потребителей. Для реализации компенсации этого вида требуется дополнительная аппаратура – коммутационная и защитная; кроме того, компенсирующие устройства должны обеспечивать достаточный диапазон регулирования потребляемой мощности. Диапазон изменения мощности, потребляемой компенсирующими устройствами, должен быть определен на основе анализа суточной потребности в реактивной мощности для данной группы потребителей. Как правило, для группы потребителей характерно частое изменение нагрузки, что требует применения компенсирующих устройств с автоматическим регулированием мощности, отдаваемой компенсатором.
При непрерывном развитии электроэнергетических систем и наметившейся тенденции к созданию все более крупных энергоблоков значение централизованной компенсации снижается. При централизованной компенсации в крупных энергосистемах не обеспечивается компенсация во всех точках системы, особенно при размещении нелинейных нагрузок на большом расстоянии от электростанций и подстанций, причем, чем больше расстояние, тем больше потери в сети. Поэтому в настоящее время все чаще создают групповые компенсаторы, а для нелинейной нагрузки большой мощности – индивидуальные компенсаторы.
Важным моментом является соответствующее расположение компенсатора, и в особенности выбор мест подсоединения схем измерения. Компенсатор целесообразно располагать так, чтобы имелась возможность стабилизации реактивной мощности в точке подключения преобразователя. В этом случае достигается ограничение колебания напряжения в энергосистеме при изменении условий работы подключенных потребителей(17).
1.3 Влияние преобразовательных установок на сети промышленного электроснабжения
Интенсивное развитие силовой полупроводниковой преобразовательной техники и ее использование в тиристорных электроприводах переменного и постоянного тока, вентильных преобразователях для электротермических и электротехнологических установок различного назначения привело к ухудшению показателей качества электроэнергии, предусмотренных ГОСТ, а также к снижению естественного коэффициента мощности в сетях промышленного электроснабжения.
При всей своей прогрессивности и технологической эффективности тиристирные преобразователи являются одними из главных нарушителей качества электроэнергии в питающей сети, т.е. существует проблема электромагнитной совместимости их с питающей сетью. Это объясняется тем, что все изменения режима работы преобразовательных установок прямо передаются в питающую электрическую сеть.
Особенно заметно это проявляется в колебаниях напряжения (они могут достигать величины более 20 % в сети 10 кВ) и частоты питающей электрической сети. Это обуславливается резким изменением как активной (колебания частоты), так и реактивной (колебания напряжения) мощности. Кроме того, работа установок сопровождается большими искажениями напряжения, происходящими из-за коммутации вентилей.
Вентильные преобразователи оказывают все более сильное отрицательное воздействие на качество напряжения в питающей сети в связи с расширением их применения и увеличением единичной мощности. Как известно, это объясняется тем, что преобразователи, в особенности регулируемые, за счет сдвига первой гармоники тока относительно напряжения потребляют значительную реактивную мощность, зачастую с весьма неравномерным временным графиком, а за счет высших гармоник потребляемого тока являются источниками сильных искажений кривой напряжения сети. Оба этих фактора, кроме того, вызывают дополнительные потери мощности в питающей сети. Поэтому проблема улучшения коэффициента мощности преобразователей относится к числу одной из наиболее актуальных в современной преобразовательной технике и электроэнергетике.
Наряду с широко известными достоинствами (сравнительная простота регулирования, удобство эксплуатации, а также небольшие потери мощности) управляемые вентильные выпрямители имеют ряд серьезных недостатков, основным из которых является низкий коэффициент мощности при глубоком регулировании выпрямленного напряжения.
Потребление реактивной мощности преобразовательными агрегатами обусловлено в основном двумя причинами: естественным коммутационным процессом и искусственной задержкой момента открытия вентиля в целях регулирования выпрямленного напряжения. Именно эти факторы создают сдвиг тока в цепях вентилей относительно напряжения, понижают коэффициент мощности в сетях, питающих выпрямители, и повышают потребление реактивной мощности.
При работе трехфазного преобразовательного агрегата переход тока с фазы А на фазу В (рисунок 3) происходит не в момент равенства напряжений: UA=UB, а занимает некоторое время коммутации и происходит с запаздыванием на соответствующий этому времени угол коммутации g, в течение которого напряжение UB превысит UA на достаточное для перехода тока значение.

Рисунок 3 – Сдвиг по фазе тока и напряжения в вентильном преобразователе(22)
На рисунке 3 это учтено тем, что ток вентиля представлен в виде трапеции, наклон которой зависит от времени коммутации и от угла коммутации.
В управляемых вентилях искусственно создается задержка открытия вентиля для снижения выпрямленного напряжения. При этом возникает сдвиг анодного тока i2 относительно кривой напряжения на время, измеряемое углом a. Угол сдвига по фазе тока i2 относительно амплитуды напряжения U2 равен:
.
Приблизительно на такой же угол j сдвинут в сторону отставания от напряжения U1 и первичный ток I1 преобразовательного трансформатора, чем и определяется реактивная нагрузка сети от преобразовательного агрегата.
Cosj – коэффициент сдвига тока I1 относительно напряжения U1 – можно представить так:
(22).
При работе в выпрямительном режиме вентильный преобразователь потребляет из сети переменного тока активную и реактивную мощность. При работе в инверторном режиме – отдает в сеть переменного тока активную мощность, потребляя реактивную. При a=90° вентильный преобразователь потребляет из сети переменного тока только реактивную мощность(7).
В наибольшей мере этот фактор проявляется при работе выпрямителя на противоЭДС и постоянстве тока нагрузки, например, в электроприводе с двигателем постоянного тока. Здесь при выпрямленном напряжении, близком к нулю, реактивная мощность максимальна. Таким образом, с уменьшением выпрямленного напряжения реактивная мощность выпрямителя растет, увеличивая загрузку электрических сетей реактивным током, что в свою очередь сопровождается значительными потерями активной энергии и напряжения в сети, а также снижением пропускной способности всей системы электроснабжения.
Жесткая связь между переменным током на входе выпр