Синхронный двигатель
БИЛЕТ №6
6–1 Простейший усилительный каскад: схемы включения транзистора, принцип работы, обратная связь
Усиление электрических сигналов.
Классификация и основные характеристики усилителей. Входной и выходной импедансы. Эмиттерный повторитель. Параметрический стабилизатор. Генератор стабильного тока. Резистивно-ёмкостной каскад усилителя. Многокаскадный усилитель. Коррекция частотной характеристики. Избирательные усилители. Обратная связь в усилителях. Влияние обратной связи на основные характеристики усилителей. Усилители постоянного тока, дифференциальный каскад. Усилители мощности с трансформаторной связью и на основе комплиментарных транзисторов.
Операционные усилители. Основные схемы включения – инвертирующий, неинвертирующий и дифференциальный усилители. Коэффициент ослабления синфазного сигнала (КОСС). Фазовые и частотные характеристики операционных усилителей. Влияние отрицательной обратной связи на параметры и характеристики операционных усилителей. Операционный усилитель как базовый элемент функциональных устройств. Сумматор, интегратор, дифференциатор, логарифмический усилитель, релаксационный генератор, триггер Шмитта, фазовращатель, компенсационный стабилизатор напряжения.
Общие сведения о биполярном транзисторе
Основные определения
Биполярным транзистором называется электропреобразовательный полупроводниковый прибор, имеющий в своей структуре два взаимодействующих p-n-перехода и три внешних вывода, и предназначенный, в частности, для усиления электрических сигналов. Термин «биполярный» подчеркивает тот факт, что принцип работы прибора основан на взаимодействии с электрическим полем частиц, имеющих как положительный, так и отрицательный заряд, – дырок и электронов. В дальнейшем для краткости будем его называть просто – транзистором.
Режимы работы транзистора
В зависимости от того, в каких состояниях находятся переходы транзистора, различают режимы его работы. Поскольку в транзисторе имеется два перехода (эмиттерный и коллекторный), и каждый из них может находиться в двух состояниях (открытом и закрытом), различают четыре режима работы транзистора. Основным режимом является активный режим, при котором эмиттерный переход находится в открытом состоянии, а коллекторный – в закрытом. Транзисторы, работающие в активном режиме, используются в усилительных схемах. Помимо активного, выделяют инверсный режим, при котором эмиттерный переход закрыт, а коллекторный – открыт, режим насыщения, при котором оба перехода открыты, и режим отсечки, при котором оба перехода закрыты.
Схемы включения биполярного транзистора
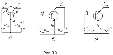
В большинстве электрических схем транзистор используется в качестве четырехполюсника, то есть устройства, имеющего два входных и два выходных вывода. Очевидно, что, поскольку транзистор имеет только три вывода, для его использования в качестве четырехполюсника необходимо один из выводов транзистора сделать общим для входной и выходной цепей. Соответственно различают три схемы включения транзистора: схемы с общей базой (ОБ), общим эмиттером (ОЭ) и общим коллектором(ОК). На рис. 3.3 показаны полярности напряжений между электродами и направления токов, соответствующие активному режиму в указанных схемах включения транзистора. Следует отметить, что токи транзистора обозначаются одним индексом, соответствующим названию электрода, во внешней цепи которого протекает данный ток, а напряжения между электродами обозначаются двумя индексами, причем вторым указывается индекс, соответствующий названию общего электрода (см. рис. 3.3). В схеме с общей базой (см. рис. 3.3, а)

входной цепью является цепь эмиттера, а выходной – цепь коллектора. Схема ОБ наиболее проста для анализа, поскольку в ней каждое из внешних напряжений прикладывается к конкретному переходу: напряжение uЭБ прикладывается к эмиттерному переходу, а напряжение uКБ – к коллекторному. Следует заметить, что падениями напряжений на областях эмиттера, базы и коллектора можно в первом приближении пренебречь, поскольку сопротивления этих областей значительно меньше сопротивлений переходов. Нетрудно убедиться, что приведенные на рисунке полярности напряжений (uЭБ<0; uКБ>0) обеспечивают открытое состояние эмиттерного перехода и закрытое состояние коллекторного перехода, что соответствует активному режиму работы транзистора.
В схеме с общим эмиттером (см. рис. 3.3, б) входной цепью является цепь базы, а выходной – цепь коллектора. В схеме ОЭ напряжение uБЭ>0 прикладывается непосредственно к эмиттерному переходу и отпирает его. Напряжение uКЭ распределяется между обоими переходами:
uКЭ = uКБ + uБЭ. Для того, чтобы коллекторный переход был закрыт, необходимо uКБ = uКЭ – uБЭ > 0, что обеспечивается при uКЭ > uБЭ > 0.
В схеме с общим коллектором (см. рис. 3.3, в) входной цепью является цепь базы, а выходной – цепь эмиттера.
Принцип работы биполярного транзистора
Рассмотрим в первом приближении физические процессы, протекающие в транзисторе в активном режиме, и постараемся оценить, каким образом эти процессы позволяют усиливать электрические сигналы.
Для простоты анализа будем использовать плоскую одномерную модель транзистора, представленную на рис. 3.4. Эта модель предполагает, что p-n – переходы транзистора являются

плоскими, и все физические величины в структуре, в частности, концентрации носителей заряда, зависят только от одной продольной координаты x, что соответствует бесконечным поперечным размерам структуры. С учетом того, что в реальной структуре транзистора (см. рис. 3.1) ширина базы значительно меньше поперечных размеров переходов, плоская одномерная модель достаточно хорошо отражает процессы, протекающие в транзисторе. Рассмотрим вначале статическую ситуацию, при которой на переходы транзистора от внешних источников питания подаются постоянные напряжения uЭБ и uКБ – см. рис. 3.4. Заметим, что приведенный на рисунке транзистор включен по схеме с общей базой. Напряжения uЭБ <0 и uКБ >0 обеспечивают открытое состояние эмиттерного перехода и закрытое состояние коллекторного перехода, что соответствует активному режиму работы транзистора. Через открытый эмиттерный переход протекают основные носители заряда. Как уже отмечалось в п. 3.1, из-за резкой асимметрии эмиттерного перехода инжекцию через него можно считать односторонней, то есть достаточно рассматривать только поток электронов, инжектируемых из эмиттера в базу – см. рис. 3.4. Этот поток очень сильно зависит от напряжения на эмиттерном переходе uЭБ, экспоненциально возрастая с увеличением uЭБ. Инжектированные в базу электроны оказываются в ней избыточными (неравновесными) неосновными носителями заряда. Вследствие диффузии они движутся через базу к коллекторному переходу, частично рекомбинируя с основными носителями – дырками. Достигнувшие коллекторного перехода электроны экстрагируются полем закрытого коллекторного перехода в коллектор. В связи с тем, что в коллекторном переходе отсутствует потенциальный барьер для электронов,

движущихся из базы в коллектор, этот поток в первом приближении не зависит от напряжения на коллекторном переходе uКБ. Таким образом, в активном режиме всю структуру транзистора от эмиттера до коллектора пронизывает сквозной поток электронов, создающий во внешних цепях эмиттера и коллектора токи iЭ и iК, направленные навстречу движению электронов. Важно подчеркнуть, что этот поток электронов и, соответственно, ток коллектора iК, являющийся выходным током транзистора, очень эффективно управляются входным напряжением uЭБ и не зависят от выходного напряжения uКБ. Эффективное управление выходным током с помощью входного напряжения составляет основу принципа работы биполярного транзистора и позволяет использовать транзистор для усиления электрических сигналов.
Схема простейшего усилительного каскада на транзисторе, включенном по схеме ОБ, приведена на рис. 3.5. По сравнению со схемой, приведенной на рис. 3.4, в эмиттерную цепь введен источник переменного напряжения uЭБ-, а в коллекторную цепь включен нагрузочный резистор RК. Переменное напряжение uЭБ – наряду с напряжением, подаваемым от источника питания, воздействует на сквозной поток электронов, движущихся из эмиттера в коллектор. В результате этого воздействия коллекторный ток приобретает переменную составляющую iК–, которая благодаря очень высокой эффективности управления может быть значительной даже при очень маленькой величине uЭБ- При протекании тока коллектора через нагрузочный резистор на нем выделяется напряжение, также имеющее переменную составляющую uКБ- = iК – RК. Это выходное переменное напряжение при достаточно большом сопротивлении RК может значительно превосходить величину входного переменного напряжения uЭБ – (uКБ – >>uЭБ-). Таким образом, транзистор, включенный по схеме ОБ, усиливает электрические сигналы по напряжению. Что касается усиления по току, то рассмотренная схема его не обеспечивает, поскольку входной и выходной токи примерно равны друг другу (iЭ iК).
Примесная проводимость полупроводников
Собственная проводимость полупроводников обычно невелика из-за малого числа свободных электронов. Но проводимость полупроводников очень сильно зависит от примесей. Именно это свойство сделало проводники тем, чем они являются в современной технике. При наличие примесей в полупроводнике наряду с собственной проводимостью возникает дополнительная – примесная проводимость. Изменяя концентрацию примеси, можно значительно изменить число носителей заряда того или иного знака.
Донорные примеси
При добавлении в полупроводник атомов пятивалентных элементов, например мышьяка, даже при очень малой их концентрации, число свободных электронов возрастает во много раз. Четыре валентные электрона участвуют в создании ковалентной связи, а пятый валентный электрон оказывается слабо связан с атомом. Он легко покидает атом мышьяка и становится свободным. Примеси, легко отдающие электроны и, следовательно, увеличивающие число свободных электронов, называются донорными примесями. Поскольку полупроводники, обладающие донорными примесями имеют большее число электронов (по сравнению с числом дырок), их называют полупроводниками n-типа.
В полупроводнике n-типа электроны являются основными носителями заряда, а дырки – неосновными.
Акцепторные примеси
Если в качестве примеси использовать трехвалентный элемент, например индий, то характер проводимости полупроводника меняется. Теперь для образования ковалентных связей атому индия не хватает электрона. В результате образуется дырка. Такого рода примеси называют акцепторными. При наличии электрического поля дырки начинают перемещаться, возникает дырочная проводимость. Полупроводники с преобладанием дырочной проводимости над электронной называют полупроводниками p-типа.
Основными носителями заряда в полупроводнике p-типа являются дырки, а неосновными – электроны.
Электрический ток через контакт полупроводников p- и n-типов
Наиболее важные свойства полупроводников происходят при контакте полупроводников n- и p-типов. Рассмотрим полупроводник, одна часть которого содержит донорные примеси, и поэтому является полупроводником n-типа, а другая – акцепторные примеси и представляет собой полупроводник p-типа. При включении полупроводника с p-n переходом в электрическую цепь так, чтобы потенциал полупроводника p-типа был положительным, а n-типа – отрицательным. При этом ток через p-n переход будет осуществляться основными носителями: из области n в область p – электронами, а из области p в область n – дырками. Следовательно, проводимость проводника велика. Такой переход называют прямым. Вольтамперная характеристика прямого перехода изображена сплошной линией. Если переключить полюсы батареи, то переход через контакт будет осуществляться неосновными зарядами. Следовательно, проводимость будет маленькой. Такой переход называют обратным. Вольтамперная характеристика обратного перехода изображена пунктирной линией.
Полупроводниковый диод.
Полупроводниковый диод – прибор, в котором используется один p-nпереход. Бывает точечным и плоскостным. Диод – представитель нелинейных проводников.
Транзистор.
Транзистор – полупроводниковый прибор, в котором использовано два p-nперехода. Бывает точечным и плоскостным. Их можно использовать для усиления электрических сигналов.
6–2 Устройство синхронной машины и конструктивные особенности. Принцип действия синхронной машины в режиме двигателя и генератора. V-образные характеристики
Синхронные двигатели. Конструкция, принцип действия
В отличие от асинхронного двигателя частота вращения синхронного двигателя постоянная при различных нагрузках. Синхронные двигатели находят применение для привода машин постоянной скорости (насосы, компрессоры, вентиляторы).
В статоре синхронного электродвигателя размещается обмотка, подключаемая к сети трехфазного тока и образующая вращающееся магнитное поле. Ротор двигателя состоит из сердечника с обмоткой возбуждения. Обмотка возбуждения через контактные кольца подключается к источнику постоянного тока. Ток обмотки возбуждения создает магнитное поле, намагничивающее ротор.
Роторы синхронных машин могут быть явнополюсными (с явновыраженными полюсами) и неявнополюсными (с неявновыраженными полюсами). На рис. 12.10а изображен сердечник 1 явнополюсного ротора с выступающими полюсами. На полюсах размещены катушки возбуждения 2. На рисунке 12.10б изображен неявнополюсной ротор, представляющий собой ферромагнитный цилиндр 1. На поверхности ротора в осевом направлении фрезеруют пазы, в которые укладывают обмотку возбуждения 2.

Рис. 12.10
Рассмотрим принцип работы синхронного двигателя на модели (рис. 12.11).
Рис. 12.11 | Вращающееся магнитное поле статора представим в виде магнита 1. Намагниченный ротор изобразим в виде магнита 2. Повернем магнит 1 на угол α. Северный магнитный полюс магнита 1 притянет южный полюс магнита 2, а южный полюс магнита 1 – северный полюс магнита 2. Магнит 2 повернется на такой же угол α. Будем вращать магнит 1. Магнит 2 будет вращаться вместе с магнитом 1, причем частоты вращения обоих магнитов будут одинаковыми, синхронными, |
Подобные работы:
