Расчет устройств релейной защиты и автоматики системы электроснабжения
Целью данного курсового проекта является расчет устройств РЗ и А системы электроснабжения. При работе элементов систем электроснабжения возможно возникновение ненормальных и аварийных режимов. К ним относятся короткие замыкания, перегрузки, понижение уровня напряжения, частоты и другие.
Повреждения и ненормальные режимы должны быть устранены, и это является основным назначением устройств релейной защиты и системной автоматики.
К устройствам релейной защиты предъявляются следующие требования: селективность, необходимое быстродействие, чувствительность и надежность. Перечисленные требования удовлетворяются правильным выбором устройств релейной защиты, схем соединения устройств РЗ, расчётом установок срабатывания.
1. Расчет токов короткого замыкания
Расчет токов короткого замыкания проводим в относительных единицах. Все полученные величины приведены к базовым условиям. Базовую мощность принимаем равной:
= 1000 МВА.
Схема замещения приведена на рисунке 1.1:

Рис. 1.1. Схема замещения
Определим сопротивления схемы замещения:
Сопротивление системы согласно (l.стр. 131):
, (1.1)
где SK3 - мощность короткого замыкания системы.
.
Определим параметры линий 110 кВ (нагрузкой являются трансформаторы Т1 и Т2) с учетом допустимой перегрузки трансформатора согласно (1,стр.213):
, (1.2)
где ![]()
- номинальная мощность трансформатора, кВА,
- номинальное напряжение трансформатора кВ.
А
Выбор сечения проводов проводим по экономической плотности тока (1, стр.232).
(1.3)
где
- экономическая плотность тока, при
ч для сталеалюминиевых проводов,
= 1
(3, стр.266); I, A –ток на участке сети.
![]()
Принимаем провод АС-70/11 сечением 70
; с удельными сопротивлениями:
Ом/км и реактивным сопротивлением
Ом/км. (3, стр.577).
Сопротивление ЛЭП согласно (1, стр.131):
(1.4)
где
- среднее значение напряжения на шинах в месте короткого замыкания,
l – длина ЛЭП.
![]()
![]()
![]()
Определяем параметры линий 35 кВ. Нагрузкой линии 35 кВ, при простое второй будут трансформаторы Т7, Т8, Т9 и Т10. Так как параметры трансформаторов Т7 и Т8 не даны, принимаем для расчета нагрузку этих трансформаторов – четыре синхронных двигателя:
(1.5)
где
,
,
- параметры синхронного двигателя ( табл. 1 )
А
Выбор сечения питающего кабеля проводим по экономической плотности тока.
При ![]()
ч для кабелей с бумажной пропитанной изоляцией с алюминиевыми жилами
= 1,4
(3, стр.266).
![]()
![]()
Принимаем 2 кабеля ААБ-35-(3×185) общим сечением 370
; с удельными сопротивлениями
Ом/км и
Ом/км. (2, стр.421).
![]()
![]()
![]()
Сопротивление трансформаторов согласно (1, стр.131):
(1.6)
где
- номинальная мощность трансформатора;
- напряжение короткого замыкания;
![]()
Для трансформатора мощностью 10МВА соотношение x/r составляет порядка 10.
Исходя из этого, принимаем:
![]()
![]()
для трансформатора блока 2 МВт принимаем (1, стр.613) ![]()
![]()
Для трансформатора мощностью 2,5 МВА соотношение x/r составляет порядка 6.
Исходя из этого, принимаем:
![]()
![]()
![]()
Для трансформатора мощностью 2,5 МВА соотношение x/r составляет порядка 6.
Исходя из этого, принимаем:
![]()
![]()
Сопротивление генераторов согласно (1, стр.131):
(1.7)
![]()
для генератора мощностью 2 МВА соотношение x/r составляет порядка 15. Исходя из этого, принимаем:
![]()
![]()
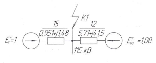
Расчет токов КЗ для точки К1
Упростив схему замещения относительно точки К1 получаем схему, представленную на рис 1.2.
![]()
![]()
![]()
![]()

Рис. 1.2. Упрощенная схема замещения
Базовый ток согласно (1, стр.142):
(1.8)
где
- среднее значение напряжения в месте короткого замыкания (115 кВ).
кА .
Начальное значение периодической составляющей тока короткого замыкания согласно (1, стр.137):
(1.9)
где
- ЭДС источника в относительных единицах (1, стр.130).
Значение периодической составляющей тока короткого замыкания по ветвям:
Ветвь энергосистемы ( сопротивление ветви составляет 1,76 отн. ед.):
кА
Ветвь генератора G2 ( сопротивление ветви составляет 41,89 отн. ед.):
кА
Общий ток:
кА
Определим величину ударного тока (1, стр.148):
![]()
(1.10)
где
- ударный коэффициент:
(1.11)
где:
- угол между векторами тока и напряжения в момент короткого замыкания;
(1.12)
- постоянная времени затухания апериодической составляющей тока короткого замыкания;
(1.13)
- угловая частота;
(1.14)
Ветвь энергосистемы:
![]()
![]()
![]()
![]()
кА
Ветвь генератора G2:
![]()
![]()
![]()
кА.
Суммарный ударный ток короткого замыкания в точке К1:
![]()
кА .
Определим величину апериодической составляющей тока короткого замыкания.
Согласно (1, стр.151):
(1.15)
(1.16)
- время действия релейной защиты ( принимаем
= 0,01 с );
- собственное время отключения выключателя.
При установке выключателя ВВБК-110Б-50, собственное время отключения выключателя составит
= 0,045 с (1, стр.630):
Тогда t= 0,01+0,045 = 0,055 с .
Ветвь энергосистемы:
![]()
Ветвь генератора G2:
кА
Суммарная апериодическая составляющая тока короткого замыкания в точке К1 в момент времени t = 0,055 с:
кА .
Определим величину периодической составляющей тока короткого замыкания для момента времени t = 0,055 с .
Периодическая составляющая тока короткого замыкания от энергосистемы в любой момент времени неизменна:
кА .
Ветвь генератора G2:
Так как генератор значительно удален от точки короткого замыкания ( за двумя ступенями трансформации), принимаем:
кА .
Общая величина периодической составляющей тока короткого замыкания в точке К1 в момент времени t = 0,055 с составит:
кА .
Расчет несимметричных токов короткого замыкания
Для упрощения расчетов принимаем величины сопротивления обратной последовательности всех элементов схемы, (включая синхронные генераторы) равными величинам сопротивлений прямой последовательности:
(1.17)
Схема замещения нулевой последовательности представлена на рисунке 2.1:

Рис. 2.1. Схема замещения нулевой последовательности.
Согласно (1, стр.160): справедливо соотношение
для одноцепных ЛЭП со стальным тросом, заземлённым с одной стороны. Тогда:
(1.18)
![]()
Величины сопротивлений нулевой последовательности остальных элементов схемы, равны величинам соответствующих сопротивлений прямой последовательности (1, стр.160).
Двухфазное короткое замыкание.
(1.19)
Значение периодической составляющей тока короткого замыкания по ветвям:
Ветвь энергосистемы (
= 1,76 отн. ед. ):
кА
Ветвь генератора G2 (
= 41,89 отн. ед. ):
кА
Общий ток:
кА
Определим величину ударного тока:
Ветвь энергосистемы:
кА
Ветвь генератора:
кА .
Суммарный ударный ток короткого замыкания в точке К1:
кА .
Определим величину апериодической составляющей тока короткого замыкания:
Ветвь энергосистемы:
![]()
Ветвь генератора G2:
кА
Суммарная апериодическая составляющая тока короткого замыкания в точке К1 в момент времени t = 0,055 c :
кА .
Величину периодической составляющей тока короткого замыкания в точке К1 в момент времени t = 0,055 с считаем неизменной:
кА .
Двухфазное короткое замыкание на землю.
Преобразуем схему замещения нулевой последовательности относительно точки К1.
![]()
![]()
![]()
отн. ед.
Результирующее сопротивление согласно (1, стр.168):
(1.20)
отн. ед.
отн. ед.
Начальное значение периодической составляющей тока короткого замыкания согласно (1, стр.168):
(1.21)
кА
Определим величину ударного тока:
![]()
![]()
![]()
![]()
кА
Величина апериодической составляющей тока короткого замыкания для момента времени: t = 0,055 с.
![]()
Величина периодической составляющей тока короткого замыкания для момента времени: t =0,055 с.
кА .
Однофазное короткое замыкание на землю.
Результирующее сопротивление согласно (1, стр.168):
(1.22)
отн. ед.
Начальное значение периодической составляющей тока короткого замыкания согласно (1, стр.168):
(1.23)
кА
Определим величину ударного тока:
![]()
![]()
![]()
кА
Расчеты токов КЗ для других точек аналогичны расчётам для точки К1. Результаты расчётов приведены в табл. 1.1.
Таблица 1.1 Сводная таблица результатов расчёта токов короткого замыкания
| Точка КЗ | Вид повреждения | Источник |
|
|
КЛ (ВЛ 110 кВ) | Трехфазное КЗ | Система: | 2,85 | 4,7 |
| Генератор G2: | 0,13 | 0,3 | ||
| Итого: | 2,98 | 5 | ||
| Двухфазное КЗ | Система: | 2,47 | 4,06 | |
| Генератор G2: | 0,11 | 0,25 | ||
| Итого: | 2,58 | 4,31 | ||
| Однофазное КЗ на землю | Итого: | 0,89 | 1,75 | |
К2 (РУ 35 кВ) | Трехфазное КЗ | Итого: | 1,84 | 4,17 |
| Двухфазное КЗ | Итого: | 1,6 | 3,63 | |
К3 (Сторона ВН ГПП) | Трехфазное КЗ | Итого: | 1,75 | 3,87 |
| Двухфазное КЗ | Итого: | 1,52 | 3,35 | |
К4 (РУ 0,4 кВ) | Трехфазное КЗ | Итого: | 40,9 | 91,5 |
| Двухфазное КЗ | Итого: | 35,42 | 79 | |
| Однофазное КЗ на землю | Итого: | 44,68 | 99,8 | |
К5 (РУ 6 кВ) | Трехфазное КЗ | Итого: | 2,6 | 4,1 |
| Двухфазное КЗ | Итого: | 2,25 | 5,03 |
2. Выбор тока плавкой вставки предохранителей для защиты асинхронного электродвигателя
При выборе предохранителей для защиты асинхронных двигателей руководствуемся рекомендациями, изложенными в (4, стр.98-стр.116).
Условия выбора предохранителя:
![]()
![]()
(2.2)
где
- номинальный ток плавкой вставки, А;
- номинальный ток двигателя, А;
- коэффициент, учитывающий условия пуска двигателя;
= 1,6 ÷ 2,0 при тяжелом пуске;
= 2,5 при легком пуске;
- пусковой ток двигателя, А.
(2.3)
(2.4)
где
- кратность пускового двигателя ( 5÷7 );
- номинальные величины мощности, напряжения, коэффициента мощности и КПД двигателя.
Для двигателя М1:
А
А
А
Принимаем к установке предохранитель типа: НПН2;
= 63 А;
= 25 А; (2, стр.371).
Для остальных двигателей расчеты аналогичны. Результаты расчетов приведены в табл. 2.1.
Таблица 2.1 Результаты выбора предохранителей
| Двигатель |
|
|
|
| Предохранитель | ||
| Тип |
|
| |||||
| М1 | 5 | 10,27 | 51,35 | 20,54 | НПН2 | 63 | 25 |
| М2 | 60 | 123,27 | 616,35 | 246,54 | ПН2 | 250 | 250 |
| М3 | 7,5 | 15,41 | 77,05 | 30,82 | НПН2 | 63 | 32 |
| М4 | 5,5 | 11,3 | 56,5 | 22,6 | НПН2 | 63 | 25 |
| М5 | 4 | 8,22 | 41,1 | 16,44 | НПН2 | 63 | 20 |
| М6 | 15 | 30,82 | 154,1 | 61,64 | НПН2 | 63 | 63 |
Предохранитель FU3, от которого запитана группа электродвигателей, выбирается согласно следующих условий:
, (2.5)
, (2.6)
где
и
-пусковой и номинальный ток максимального по мощности двигателя, питающегося от выбираемого предохранителя, А;
- коэффициент спроса для этого двигателя (так как не дано иное, принимаем
=1);
- расчетный ток двигателей, питающихся от выбираемого предохранителя, А.
(2.7)
А
А .
Принимаем к установке предохранитель типа ПН2;
= 400 А;
= 355 А; (2, стр.371).
Для обеспечения селективности действия защиты для предохранителя FU2 принимаем плавкую вставку с номинальным током:
= 630 А.
Предохранитель типа: ПН2;
= 630 А;
= 630 А; (2, стр.371).
3. Выбор установок автоматов
При выборе автоматов для защиты асинхронных двигателей руководствуемся рекомендациями, изложенными в (4, стр.98-стр.116).
Условия выбора:
(3.1)
(3.2)
где
- номинальный ток уставки теплового расцепителя автомата, А;
- номинальный ток уставки электромагнитного расцепителя автомата, А;
Автомат для двигателя М1:
А
А
Выбираем автомат типа АЕ 2023М,
=12,5 А,
= 87,5 А, без выдержки времени (t = 0 с.).
Для остальных двигателей выбор производится аналогично. Результаты приведены в таблице 3.1.
Таблица 3.1 Результаты выбора автоматического выключателей
| Двигатель |
|
|
| Предохранитель | ||
| Тип |
|
| ||||
| М1 | 10,27 | 51,35 | 64,19 | АЕ 2023 | 12,5 | 87,5 |
| М2 | 123,27 | 616,35 | 770,44 | АЕ 2063 М | 160 | ?????? ?????????????? ????, ???????????? ??????????????? ??????? ??????????????? ??? "??????????????" ?????? ??????? ???????????????? ????????????? ???????? ?????? ?????? ??????????????????? ? ????? ??? ??????????? ?????? ?????????? ? ???????
Актуально:
|