Розробка конструкції та техніко-економічне обґрунтування таймера-регулятора потужності
Міністерство освіти і науки України
Харківський радіотехнічний технікум
Циклова комісія „Радіотехнічних дисциплін”
ПОЯСНЮВАЛЬНА ЗАПИСКА
до дипломного проекту
ДП xxxxxx414 012 000 ПЗ
Виконав:
Керівник:
Студент групи xxxx
ХАРКІВ 2008р.
ЗАЛІКОВИЙ ЛИСТ
ХАРКІВСЬКИЙ РАДІОТЕХНІЧНИЙ ТЕХНІКУМ
Циклова комісія „РАДІОТЕХНІЧНИХ ДИСЦИПЛІН”
Спеціальність xxxxxx„Конструювання, виробництво і технічне обслуговування радіотехнічних пристроїв”
Курс – 4
Група – xxxxx
Семестр – 7
Курсовий проект
Студента Xxxxxxа xxxxxxxxxxxxxxx
на тему: “Таймер-регулятор потужності”
ДОПУЩЕНИЙ ДО ЗАХИСТУ
ОЦІНКА________________
Заступник директора з навчальної роботи
Голова циклової комісії
Керівник проекту xx.Xxxxxx
Консультант економічного розділу xxxx
Консультант з охорони праці xxxxxxx
Протокол № від „__”_____________2008 року
МІНІСТЕРСТВО ОСВІТИ І НАУКИ УКРАЇНИ
ХАРКІВСЬКИЙ РАДІОТЕХНІЧНИЙ ТЕХНІКУМ
Циклова комісія РАДІОТЕХНІЧНИХ ДИСЦИПЛІН „ЗАТВЕРДЖУЮ”
Спеціальність xxxxxxКонструювання, Зав. Відділення
виробництво і технічне обслуговування xxxxxxx
радіотехнічних пристроїв. «___»__________2008р.
ЗАВДАННЯ
На дипломний проект
Тема проекту: “Розробка конструкції та техніко-економічне обґрунтування таймера-регулятора потужності”
Основні технічні данні: Розробити таймер-регулятор потужності. Розрахувати стабілізатор постійної напруги з випрямлячем:
Вихідна напруга Uвих. = 12.5±0.5 В
Коефіцієнт стабілізації Кст = 200
Пульсації вихідної напруги U~m вих. = 0,006 В
Робоча температура Т = 25±10ºC
Живлення від мережі f = 50 Гц, напруга мережі Uвх. = 220В±10%
1. До складу пояснювальної записки повинні входити:
Вступ
1. Огляд аналогічних пристроїв
2. Вибір та обґрунтування проектованого пристрою
3. Розрахункова частина
4. Конструкторсько-технологічна частина
5. Розрахунок надійності
6. Охорона праці та навколишнього середовища
7. Технічне обслуговування та ремонт проектованого пристрою
8. Економічна частина
Висновки Перелік посилань
3. Графічна частина повинна включати:
- схему електричну принципову – ф. А1;
- креслення друкованої плати – ф. А1;
- складальне креслення друкованої плати – ф. А1;
- схему електричну структурну;
- алгоритм пошуку несправностей.
Дата видачі завдання : „21” квітня 2008р.
Дата здачі виконаної роботи: „18” червня 2008р.
Керівник курсового проекту
Протокол № 100 від „28” березня 2008 року
ЗМІСТ
Вступ
1. Огляд аналогічних пристроїв
2. Вибір та обґрунтування проектованого пристрою
3. Розрахункова частина
4. Конструкторсько-технологічна частина
5. Розрахунок надійності
6. Охорона праці та навколишнього середовища
7. Технічне обслуговування та ремонт проектованого пристрою
8. Економічна частина
Висновки
Перелік посилань
Додатки
Додаток А - перелік елементів до схеми електричної принципової
Додаток Б - специфікація до креслення складального
ВСТУП
У наш час наука і техніка не стоять на місці. З’являється одна технологія - не проходить і року, як з'являється інша. Ще більш ефективна , але вона складніша, а це означає, що і дорожча. Щоб конструкція та схема була простіше, наука йде далі.
І якщо поглянемо на ті ж телевізори, що з’явилися в минулому столітті, то можно побачити, що основна схема була побудована на лампах, а вага таких телевізорів була велика(десь 40-50 кг). Зараз ці ж телевізори легкі, а керувати ними (перемикати канали) можно не встаючи з крісла. Щоб користування телевізором було простіше, був розроблений пристрій регулювання.
Пристрої регулювання теж пройшли великий шлях в своєму розвитку. З початку це були механічні перемикачі. Далі з’явилися реле – це ті ж перемикачі, але спрацьовували вони вже без людини. Зараз вже є цілі схеми чи блок схем, у якому все працює автоматично, тільки треба задати певні параметри. Також є пристрої регулювання з таймером.
Один з них я вибрав в цьому проекті. Пристрій призначений для регулювання робочої температури електропечей, електроплит і інших подібних навантажень з великою тепловою інерцією. Але він може виконувати і інші функції – періодично з певною частотою і дірчатістю вмикати-вимикати світлову рекламу, світлові ліхтарики чи звукову сигналізацію.
Розробка регулятора потужності з таймером являється актуальною темою.
1 ОГЛЯД АНАЛОГІЧНИХ ПРИСТРОЇВ
Симісторний регулятор потужності.
Застосування симіторів у регуляторах потужності та в різноманітних автоматичних комутаторах утруднене із-за необхідності забезпечення порівняно великого струму управляючого електроду - 150 мА для симісторів серії КУ 208. Управління симістором постійним струмом вимагає великої потужності, а при імпульсному управлінні необхідний формувач, що забезпечує короткі імпульси в момент проходження мережевої напруги через «нуль» і загальний вивід, спільний з одним з мережевих провідників.
Простий регулятор, що не створює шуму.
Цей триністорний регулятор відноситься до пристроїв, в яких комутація триристорів відбувається в моменти переходу мережевої напруги через «нуль», а потужність регулюється зміною числа напівперіодів напруги, що підводиться до навантаження.
2 ВИБІР ТА ОБГРУНТУВАННЯ ПРОЕКТОВАНОГО ПРИСТРОЮ
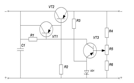
Згідно ТЗ та на основі огляду аналогічних пристроїв таких, як симісторні регулятори потужності та регулятор потужності, не виробляючий шумів, я вибрав Таймер-регулятор потужності. Вибір цього пристрою обумовлений тим, що він відрізняється схемним рішенням вузла синхронізації з мережею; наявністю допоміжного таймера, формуючого імпульси з регулюючим, але залишаючись суворо кратним періоду напруги в мережі, періодом повторення. Час відновлення таймера після закінчення імпульсу значно зменшено за рахунок введення до кола розрядки часозадавального конденсатора додаткового польового транзистора. Вихідним симістором керує спеціалізований оптосимістор, що включає його строго в моменти близькості до нуля миттєвого значення мережевої напруги.
Схема таймера-регулятора зображена на рисунку 1.1. Вузол синхронізації таймера з мережею виконаний на здвоєному транзисторному оптроні SU1 і транзисторі VT3. Струм випромінюючих діодів оптрона обмежений резистором R5, від номіналу якого залежить мінімальна напруга в мережі, при якій вузол синхронізації ще працює. При вказаному на схемі номіналі - це 140 В.
Завдяки зустрічно-паралельному з'єднанню випромінюючих діодів: один з фоторезисторів оптрона SU1 відкритий в позитивних напівперіодах мережевої напруги, інший - в негативних. В результаті на “стиках” напівперіодів, коли відсутній струм через обидва випромінюючі діоди і закриті обидва фототранзистори, на колекторі транзистора VT3 утворюють імпульси тривалістю близько 0,1 мс. При необхідності їх тривалість можна змінити, підбираючи резистор R9.
Сформовані описаним чином синхроімпульси поступають на вивід 5 таймера DA1 і запускають зібраний на ньому одновібратор. Чутливість таймера до запускаючих імпульсів залежить від напруги на його виводі 2, заданого резистивним дільником R1R2. Конденсатор С1 подавляє імпульсні перешкоди і наводки.
Зарядка часозадавального конденсатора (залежно від положення перемикача SA1- це С2 або С3) йде по лінійному закону завдяки стабілізатору струму, зібраного на транзисторі VT1. Напругу на базі цього транзистора задано резисторами R3 і R4. Значення струму стабілізації залежить від сумарного опору постійного резистора R6 і змінного R7 в колі емітера транзистора. По закінченню сформованого одновібратором імпульсу черговий синхроімпульс запускає одновібратор повторно. Тому період повторення його імпульсів завжди рівний цілому числу напівперіодів мережевої напруги.
Для достатньо швидкої розрядки часозадавального конденсатора великої ємності (С3) можливостей внутрішнього транзистора таймера DD1 не вистачає. Більш того, при ємності конденсатора більш 22мкФ цей транзистор може вийти з ладу. З цих причин в одновібратор доданий р-канальний польовий транзистор VT2 з опором відкритого каналу не більше 0,175 Ом при струмі 11 А. Це дозволило з кроком в 10мс регулювати період повторення імпульсів одновібратора від мінімального (10мс) до декількох десятих секунди.
Логічні елементи DD2.1 і DD2.2 формують з імпульсів одновібратора і мережевих синхроімпульсів короткі одиночні імпульси з регульованим періодом повторення, які поступають на вхід лічильника DD3. Спільно з RS-тригером на елементах DD2.3 і DD2.4 лічильник служить генератором імпульсів з періодом повторення вдесятеро більшим від періоду повторення імпульсів одновібратора.
Високий рівень, встановлений в одному з кожних десяти тактів роботи лічильника на його вив. 3, переводить RS-тригер в стан з високим рівнем на виході елементу DD2.4. Через декілька тактів, число яких залежить від положення перемикача SA2, високим рівнем на виході (вив.6) елементу DD2.4 тригер буде знову в стані з низьким рівнем на виході.
Імпульси, сформовані тригером, подані на базу транзистора VT7, що служить підсилювачем їх потужності. У коло колектора цього транзистора включено послідовно випромінюючий діод симісторного оптрона SU2, сигнальний світлодіод HL1 (він дозволяє візуально контролювати роботу приладу при відключеному або недоступному для спостереження навантаженню) і резистор R19, що обмежує струм.
Оптрон МОС3083 відрізняється від звичайних тим, що містить внутрішній вузол, що забезпечує відкриття його фотосимістора в моменти переходу прикладеної до нього змінної напруги через нуль, так що в ці ж моменти відкривається і потужний симістор VS1, включений в коло навантаження. Цим забезпечений низький рівень імпульсних перешкод, що створюються таймером-регулятором в мережі живляння. Диференцируюче коло C9R22 захищає симістор від відкриття кидками мережевої напруги.
Перемикач SA2 дозволяє змінити коефіцієнт заповнення (відношення тривалості до періоду повторення) імпульсів струму, що проходить через випромінюючий діод оптрона SU2 десятьма ступенями по 10 %. Такими ж ступенями змінюється і потужність, що виділяється на навантаженні. У нижньому (по схемі) положенні перемикача на виході елементу DD2.4 встановлений високий постійний рівень, що відповідає безперервно включеному навантаженню.
Змінюючи тривалість циклу регулювання потужності змінним резистором R7, можна встановити її оптимальною для конкретного навантаження. Якщо навантаженням служать лампи розжарювання, вдається спостерігати цікаві світлові ефекти.
3 РОЗРАХУНКОВА ЧАСТИНА
3.1 Розрахунок стабілізатора напруги на трьох транзисторах
Згідно до завдання на ДП необхідно розрахувати стабілізатор постійної напруги (рисунок 3.1)

Рисунок 3.1 - Схема електрична принципова стабілізатора на трьох транзисторах
Дані для розрахунку
1 Напруга на виході стабілізатора
Uвих. = 12.5 ±0,5 В
2 Нестабільність напруги на виході стабілізатора
Рст. вих. = 0,0005
3 Напруга на виході мережі
Uвх. = 220 ±10% В з частотою f = 50 Гц
4 Нестабільність напруги мережі
Рст. вх = 0,1
5 Необхідний коефіцієнт стабілізації
Кст = Рст. вх. / Рст. вих. (3.1.1)
Кст = 0.1/0.0005 = 200
6 Пульсації на виході
U~m вих. = 0,006 В
Кп вих. = (U~m вих. / Uвих.)•100% (3.1.2)
Кп вих. = (0.006/12.5)•100% = 0.048 %
7 Робоча температура
Тmax = 35ºC
Tmin = 15ºC
∆T = 20ºC
1 Розрахунок регулюючого транзистора
1.1 Максимальний струм регулюючого транзистора
Ік max = Ін max = 1А
Беремо транзистор КТ814В з параметрами:
Uке = 65 В
Uке min = 3 В
Ін max = 12А
Ік обр. = 0.015 А
Рк доп. = 1.5 Вт
h21е min = 40 при Ік = 1А
Rtк = 1ºС / Вт
Тк max = 80ºC
1.2 Амплітуда пульсацій на вході стабілізатора
U~m вх. = (0.05÷0.1)•( Uвих. max + Uкэ min) (3.1.3) U~m вх. = 0.07•(13 + 3) = 1.12 В
1.3 Мінімальна напруга на вході стабілітрона
Uo min = Uвих. max + Uкэ min + U~m вх. (3.1.4)
Uo min = 13 + 3 + 1.12 = 17.2 В
1.4 Номінальна напруга на вході стабілізатора
Uон = Uo min / (1 - Рст. вх) (3.1.5) Uон = 17.2 / (1 - 0.1) = 19 В
1.5 Коефіцієнт згладжування
q = Кп вх. / Кп вих (3.1.6)
q = 5.9 / 0.048 = 123 < Кст = 200,
де Кп вх. = (U~m вх. / Uон)•100% (3.1.7)
Кп вх. = (1.12 / 19) • 100% = 5.9%
1.6 Максимальна напруга на вході стабілізатора
Uо max = Uон • (1 + Рст. Вх) (3.1.8)
Uо max = 19 • (1 + 0.1) = 20.9 В
1.7 Величина внутрішнього динамічного опору випрямляча
Riв = (0.05÷0.15)• Uон / Ік max (3.1.9)
Riв = 0.1 • 19 / 1 = 1.9 Ом
1.8 Максимальна напруга на вході стабілізатора (при максимальному струмі навантаження)
Uо max max = Uо max + Riв •( Ін max – Iн min) (3.1.10)
Uо max max = 20.9 + 1.9 •(1 – 0.5) = 21.85 В
1.9 Максимальна напруга між колектором та емітером
Uке max = Uо max max - Uвих. min (3.1.11)
Uке max = 21.85 – 12 = 9.85 В
1.10 Максимальна потужність розсіювання на транзисторі
Рк max = Uке max • Ік max (3.1.12)
Рк max = 9.85•1 = 9.85 Вт > Рк доп. = 1.5 Вт
1.11 Площа тепловідводу транзистора
Sт = Рк max / Kт •( Тк max - Тmax - Рк max • Rtк) (3.1.13)
Sт = 9.85 / 0.0016•(80 - 35 - 9.85•1) = 9.85 / 0.0016•35.15 = 9.85 / 0.05624 = 175 мм² = 1.75 см²
1.12 Максимальний струм емітера регулюючого транзистора
Іе max = Ік max + Ік max / h21е min (3.1.14)
Іе max = 1 + 1 / 40 = 1.025 А
1.13 Максимальний струм бази регулюючого транзистора
Іб max = Іе max / h21е min (3.1.15) Іб max = 1.025 / 40 = 0.0256 А
1.14 Шукаємо транзистор по величині струму
Ік2 = 1.1• Іб max (3.1.16)
Ік2 = 1.1 • 0.0256 = 0.2816 А
По струму Ік2 беремо транзистор П601БИ з параметрами
Uке max = 30 В
Ік max = 0.5 А
Рк доп. = 0.5 Вт
h21е min” = 80 при Ік = 0.5А
Іб2 = Іе max / h21е min•h21е min” = 1.025 / 40•80 = 0.00032 А < 0.0005 А
1.15 Величина опору автозміщення Rб транзистора П601БИ
ІRб = (1 ÷ 1.5)•Ік обр. (3.1.17)
ІRб = 1.2•0.015 = 0.018 А
Rб = Uвих. min / ІRб (3.1.18)
Rб = 12 / 0.018 = 670 Ом
Потужність на опорі
РRб = (ІRб)²•Rб (3.1.19)
РRб = (0.018)²•680 = 0,254 Вт
Беремо опір типу С2-23- 0.5 – 680 Ом
1.16 Потужність на транзисторі П601БИ
Рк2 = Рк max•Ік2 (3.1.20)
Рк2 = 9.85•0.028 = 0.278 Вт < Рк доп. = 0.5 Вт
2 Розрахунок пристрою порівняння та ППС
2.1 Величина еталонної напруги
Uоп. < Uвих. min – (2 ÷ 3)В (3.1.21)
Uоп. < 12 – 2 = 10 В
Іоп. cт. min > 5•Ібн (3.1.22)
Іоп. cт. min > 5•0,0004 = 0,002 А
Беремо стабілітрон типу Д810 з параметрами
Uст н = 10 В
Uст min = 9 В
Uст max = 10.5 В
Іст min = 0.002 А
Іст max = 0.026 А
αст 0.058 при Т = -20 ÷ +20ºС
Rдин = 12 Ом при Іст = 0,005 А
2.2 Величина струму та напруги колектора транзистора
Іку ≥ 8•Ібн (3.1.23)
Іку ≥ 8•0.0004 = 0.0032 A
Uк = Uвих. max - Uст min (3.1.24)
Uк = 13 – 9 = 4 В
Беремо транзистор КТ342Б з параметрами:
Uке дод. = 20 В
Ік max = 0.02 A
Pк дод. = 0.15 Вт
h21е min = 50
2.3 Струм бази транзистора ППС
Uк = Uвих. max - Uст min (3.1.25)
Uк = 13 – 9 = 4 В
2.4 Вхідний опір транзистора ППС
Rвх. ппс = 1 / (25÷35)•Іку (3.1.26)
Rвх. ппс = 1 / 25•0,0032 = 12,5 Ом
2.5 Величина опору Rг2
Rг2 = Uвих. min - Uст max / Іст min + Іку (3.1.27)
Rг2 = 12 – 10.5 / 0.002 + 0.0032 = 290 Ом
Потужність розсіювання на ньому
Рг2 = (Іст min + Іку)²•Rг2 (3.1.28) Рг2 = 0.00002704•290 = 0.00784 Вт
Беремо резистор С2-23-0.125-320
2.6 Максимальний струм скрізь стабілітрон
Іст max =((Uвих.max – Uст min) / Rг2) + Іку (3.1.29)
Іст max = ((13 -9) / 320) + 0.0032 = 0.0157А = 15.7 мА < Іст max = 26 мА
2.7 Величина струму у опірному дільнику
Іділ >> Іб ппс = 30•0.000064 = 0.002А (3.1.30)
2.8 Опір резистивного дільника
Rділ = Uвих. min / Іділ (3.1.31)
Rділ = 12 / 0.002 = 6.25 кОм
2.9 Коефіцієнт зворотного зв’язку дільника
Кз.в. min = Uст min / Uвих. max (3.1.32)
Кз.в. min = 9 / 13 = 0.69
Кз.в. = Uст н / Uвих. (3.1.33)
Кз.в. = 10 / 12.5 = 0.8
Кз.в. max = Uст max / Uвих. min (3.1.34)
Кз.в. max = 10.5 / 12 = 0.875
2.10 Величина опорів R1 та R3 дільника
R1 ≤ (1 - Кз.в. max )•Rділ (3.1.35)
R1 ≤ 0.125•6000 = 750 Ом
РR1 = (Іділ)²•R1 (3.1.36)
РR1 = 0.000004•750 = 0.003 Вт
Беремо резистор С2-23-0.125-750
R3 ≤ Кз.в. min•Rділ (3.1.37)
R3 ≤ 0.69•6000 = 4100
РR3 = (Іділ)²•R3 (3.1.38)
РR3 = 0.000004•4000 = 0.016 Вт
Беремо резистор С2-23-0.125-4.3к±10%
2.11 Опір змінного резистора R2
R2 ≥ Rділ - R1 - R3 (3.1.39)
R2 ≥ 6000 – 750 – 4300 = 950 Ом
Беремо резистор СП2-2а-1.3к
2.12 Максимальний ККД
ή = Uвих. max •Ін max / Uо max•Ік max (3.1.40)
ή = 13•1 / 20.9•1 = 0.622
2.13 Основний коефіцієнт стабілізації
Кст. осн = (Кз.в. / Rвх. ппс)•(Rк.с / А)•( Uвих. / Uон) , де (3.1.41)
а) 1/ Rк.с = (Rк1+Rк2) / Rк1•Rк2 = (240000 + 30000) / 72•100000000
Rк1 = R1к•h21е min” = 3000•80 = 240000 Ом
Rк2 = 30000 Ом (для транзистора П601БИ)
Rк.с = 720000 / 27 = 26.7 •1000 Ом
б) А = 1 + (Rділ •(1 - Кз.в.)•Кз.в. / h21е min ) / Rвх. ппс = 1 + (6000•0.2•0.8/50)/ 12.5 = 1 + 1.536 = 2.536
Кст. осн = 0.8•26700•12.5 / 12.5•2.536•19 = 267000 / 602.3 = 443.3
2.14 Коефіцієнт стабілізації
Кст. = Кст. осн = 443.3 > 200 (3.1.42)
2.15 Фактичний коефіцієнт пульсацій та амплітуда на виході стабілізатора
Кп. вих. = Кп. вх. / Кст. (3.1.43)
Кп. вих. = 5.9 / 443.3 = 0.0133 %
U~m вих. = Кп. вих.•Uоп. (3.1.44)
U~m вих. = 0.000133•10 = 0.00133 =1.33 мВ
3.2 Розрахунок випрямляча з фільтром
Згідно до завдання на ДП необхідно розрахувати випрямляч з фільтром (рисунок 3.2)

Рисунок 3.2 - Схема електрична принципова випрямляча з фільтром
Дані для розрахунку
1 Напруга в навантаженні
Uо = 19 В
2 Струм навантаження
Iо = 0,5 А
3 Коефіцієнт пульсацій напруги в навантаженні
Кп = 5,9 % = 0,059
4 Напруга і частота живлячої мережі
Uмер. = 220 В з f = 50 Гц
Розрахунок
1.Потужність нагрузки:
Ро = Io • Uо (3.2.1)
Ро = 0,5 • 19 = 9,5 Вт
2. Падіння напруги на дроселі
Uдр = 0,15 Uо (3.2.2)
Uдр = 2,85 В
3 Постійна напруга на вході згладжуючого випрямляча
Uпост = Uо + Uдр (3.2.3)
Uпост = 19 + 2,85 = 21,85 В
4 Обираємо однофазну мостову схему.
Визначаємо активний опір трансформатора
Rтр = Kr • Uпост • a / Io • f • Bm (3.2.4)
де a =
= 2,53
Kr = 3,5 Bm = 1,4 Тл
S = 1
Rтр = 3,5 • 21,85 • 2,53 / 0,5 • 50 • 1,4 = 5,53 Ом
5 Обираємо тип вентилю
Іов = 0,5Iо (3.2.5)
Іов = 0,25 А
Iтв = 0,5F • Iо (3.2.6)
Iтв = 0,5 • 6 • 0,5 = 1,5 А
Uобр = 1,41В • Uпост (3.2.7)
Uобр = 1,41 • 21,85 = 30,8 В
де В = 1
F = 6
Обираємо вентиль типу Д214 (4 шт.) з параметрами:
Uобр = 100 В
Іов макс = 2 А
Середня пряма напруга Uпр ≤ 1 В
6 Внутрішній опір вентилю
Ri = Uпр / 3 Іов (3.2.8)
Ri = 1 / 3 • 0,75 = 1,33 Ом
7 Повний активний опір фази вентилю
Rв = Rтр + 2Ri (3.2.9)
Rв = 5,53 + 2,66 = 8,2 Ом
8 Індуктивність дроселя трансформатора
Ls = KL • S • Uпост / Io • f • Bm • a (3.2.10)
Ls = 0,005•1•21,85 / 0,5•50•1,4•2,53 = 0,0012 Гн
де KL = 0,005
9 Величина розрахункового параметра
А = П • Io • Rв / m • Uпост (3.2.11)
А = 3,14•0,5•8,2 / 2•21,85 = 0,29
10 Кут зсуву фаз за рахунок Ls
£ = arctg(2П•f• Ls / Rв) (3.2.12)
£ = arctg 0,0459 = 3°
В = 1,09
D = 2,17
F = 6
H = 600
11 Визначимо величини необхідні для розрахунку трансформатора
U2 = B•Uпост (3.2.13)
U2 = 1,09•21,85 = 23,82 В
I2 = 0,707• D•Io (3.2.14)
I2 = 0,707 • 2,17• 0,5 = 0,77 А
I1 = Kтр • I2 (3.2.15)
I1 = 0,07 А
де Kтр = U2 / U1 = 0,108
Ртип = 0,707 • В • D • Io • Uпост (3.2.16)
Ртип = 0,707•1,09•2,17•0,5•21,85 = 18,27 В•А
12 Уточнюємо величину Rтр та Rв
При Ртип до 40 В•А і f = 50 Гц для сталі Е340 значення Bm = 1,55 Тл
Rтр = 3,12 Ом
Ls = 0,0015 Гн
Rв = 3,12 + 2,66 = 5,78 Ом
13Уточнюємо параметри вентилю та трансформатора
А = 0,21
£ = arctg(2П•f• Ls / Rв) (3.2.17)
£ = arctg 0,081 = 5°
В = 1
D = 2,21
F = 6,4
H = 440
Iов = 0,5 А
Uобр = 1,41•1•21,85 = 30,8 В < Uобр доп = 100 В
U2 = 1•21,85 = 21,85 В
I2 = 0,707•2,21•0,5 = 0,78 А
Ктр = 21,85/220 = 0,099
I1 = 0,099•0,707•2,21•0,5 = 0,077А
Ртип = 0,707•0,78•2,21•21,85 = 26,63 В•А
14 Вибираємо П-образний LC фільтр
Коефіцієнт пульсацій на вході фільтру:
Кп.вх. = 100Н / RвСо (3.2.18)
Задаємося ємкістю конденсатора на вході фільтру такої величини, щоб значення Кп.вх було менше 3 %
Со = 100 мкФ
Кп.вх. = 76%
15 Коефіцієнт згладжування фільтру
q = Кп.вх. / Кп.вих. (3.2.19)
q = 0,76/ 0,1 = 7,6
16 Амплітуда змінної напруги на конденсаторі Со
U~m = Кп.вх. • Uo (3.2.20)
U~m = 0,076•21,85 = 1,7 В
Вибираємо конденсатор типу К50-27 з умови:
Uраб конд = 50 В > U2m= 1,41U2 = 33,6 В
Umконд > U~m
U~mконд = 6%
Uраб конд = 0,06•50 = 3 В > U~m = 1,7 В
Конденсатор С1 на виході фільтру вибераєм того ж типу що і С0
17 Індуктивність дроселя фільтру
L = 10(q + 1) / m² • C1 (3.2.21)
L = 10•8,6 / 4 • 100 = 0,215 Гн
Вибираємо уніфікований дросель типу Д4-0,6-0,12 параметри якого наступні:
L = 0,6 Гн
I0 = 0,12 А
U~др доп = 5 В
U~ mдр доп = 1,41 U~др доп = 7 В > U~m = 3,8 В
18 Фактичний коефіцієнт згладжування
q = m² • C1 • L / 10 (3.2.22)
q = 24
Фактичний коефіцієнт пульсації напруги в навантаженні
Кп.вих. = Кп.вх. / q (3.2.23)
Кп.вих. = 0,76 / 24 = 0,032
19 ККД випрямляча
n = Ро ном / Ро ном + Рв + Ртр + Рф (3.2.24)
де Ро ном = Ро = 9,5 Вт
Рв = Io • 2 • Uпр = 1 Вт
Ртр = Ртип(1- nтр) = 26,63•0,1 = 2,663 Вт
Рф = Uдр•Io = 2,85•0,5 = 1,425 Вт
n = 9,5 / 9,5+1+2,663+1,425 = 0,65 або 65%
4 КОНСТРУКТОРСЬКО-ТЕХНОЛОГІЧНА ЧАСТИНА
4.1 Конструкторська частина
Згідно з технічним завданням було розроблено корпус для схеми „Регулятор потужності з таймером”. Друкована плата має три отвори для кріплення на корпус.
Корпус являє собою пластикова коробка (120х92,5х20), що складається з двох деталей. Товщина пластика складає 5мм у всіх стінках. Перша, основна, має на основі чотири піднесені циліндри зі спеціальними отворами для шурупів на місцях, які зазначені на рисунку друкованої плати. Вони піднесені на 7 мм від стінки основи. Завдяки їм плата тримається у корпусі нерухомою.
В корпусі є отвори для змінних опорів R7 та R20, перемикачів SA1 та SA2,а також індикатора HL1.
В якості вмикача живлення існують клеми з фіксацією, що кріпляться укомплектованою гайкою на праву стінку корпусу, що входить до першої деталі. Провідниками (ПХВ.М – 2.5) з`єднуються із самою платою.
Таким чином ми маємо зручний і досить компактний корпус для регулятора потужності з таймером.
4.2 Технологічна частина
4.2.1 способи виготовлення друкованої плати
Друкована плата є плоскою ізоляційною підставкою, на одному чи обох боках якої розташовані металеві провідники, відповідно до електричної схеми.
Друкована плата служить для монтажу на ній електрорадіоелементів за допомогою напівавтоматичних і автоматичних установок з подальшим одночасним паянням всіх ЕРЕ зануренням в розплавлений припій або на хвилі рідкого припою ПОС.
До друкованої плати пред'являється ряд вимог по точності розташування провідного малюнка, по величині опору ізоляції діелектрика, механічної міцності і тд. (ГОСТ 23752—79). Однією з основних вимог є забезпечення здатності до паяння, що досягається відповідним вибором гальванічного покриття і технологією металізації, тому у виробництві друкованої плати особливу увагу надається хіміко-гальванічним процесам.
Виготовлення друкованої плати (ГОСТ 2.417-91) здійснюється хімічним, електрохімічним або комбінованим способом. Останнім часом набули поширення нові способи виготовлення - аддетивні. Нижче дана коротка характеристика кожного із способів.
Вихідним матеріалом при хімічному способі служить фольгований діелектрик, на поверхню якого з одного або двох боків наклеєна мідна фольга завтовшки 35-50 мкм.
На поверхню мідної фольги спочатку наноситься захисний малюнок (рельєф) так, щоб він закрив провідники при витравленні міді. Захисний малюнок схеми виконується стійкими до дії травильних розчинів матеріалами. Потім слідує операція витравлення, в результаті якої повністю витравлюється мідь і створюється провідний малюнок.
У зарубіжній практиці даний спосіб називають субтрактивним. Отвори для установки виводів електрорадіоелементів свердляться або штампуються після витравлення міді і не металізуються. Паяння виводів електрорадіоелементів проводиться безпосередньо до контактних майданчиків друкованих провідників.
Електрохімічний спосіб в зарубіжній літературі і частково у вітчизняній практиці називають напіваддитивним від латинського слова «additio» (складання), оскільки провідний малюнок створюється в результаті електрохімічного осадження металу, а не витравляння. Префікс «напів» означає, що в технології виготовлення збережена операція витравлення тонкого шару металу, який утворюється по всій поверхні плати при хімічній металізації.
Вихідними матеріалами в цьому випадку служать нефольговані діелектрики. Захисний малюнок на відміну від попереднього методу наносять так, щоб відкритими залишалися ті ділянки поверхні, які підлягають металізації з метою утворення провідникових елементів схеми.
Електрохімічний спосіб передбачає отримання металізованих отворів одночасно з провідниками і контактними майданчиками.
Комбінований спосіб є поєднанням перших двох способів. Вихідним матеріалом служить фольгований з двох сторін діелектрик, тому провідний малюнок одержують витравленням міді, а металізація отворів здійснюється за допомогою хімічного міднення з подальшим електрохімічним нарощуванням шару міді. Паяння виводів електрорадіоелементів проводиться за допомогою заповнення припоєм монтажних отворів в платі.
Комбінований метод в даний час є основним у виробництві двосторонньої і багатошарової друкованної плати для апаратури найрізноманітнішого призначення.
Аддитивний метод полягає в створенні провідного малюнка за допомогою металізації достатньо товстим шаром хімічної міді (25—35 мкм),
що дозволяє виключити застосування гальванічних операцій і операцій витравлювання. Вихідним матеріалом при цьому служить нефольгований діелектрик. Виключення вищезгаданих операцій дозволяє істотно зменшити ширину провідників і зазори між ними, що у свою чергу забезпечує можливість збільшити густину монтажу на платі. Крім того, як показав досвід, вживання цього методу рядом фірм США сприяє зниженню вартості плати на 15-20 %, а також витрат хімікатів, скороченню виробничих площ і складу устаткування. До 10 % плат, що виробляється в Європі і США, виготовляються адитивним методом. Більш широкому його розповсюдженню перешкоджають патентні обмеження.
4.2.2 Хімічний спосіб виготовлення плат
Послідовність основних технологічних операцій позитивним і негативним методом відрізняється.
Негативний метод - для отримання захисного рельєфу методом фотодруку як фотошаблон використовується негативне зображення провідного малюнка плати, тобто пробільні місця чорні, а провідники - оптично прозорі. Таким чином, проходячи через світлі ділянки потік ультрафіолетового проміння при експонуванні полімеризує фоторезист, нанесений на поверхню заготовки, утворюючи захисний рельєф.
Позитивний метод – захисний шар наноситься на провідний малюнок, бо витравлювання здійснюється металевим покриттям, тому захисний рельєф наноситься на пробільні місця і для фотодруку використовується позитивне зображення плати.
Негативний метод найбільш поширений у виробництві плат побутової радіоапаратури, він характеризується мінімальною трудоємністю і можливостями автоматизації всіх операцій. Як метод отримання захисного рельєфу при цьому використовується найдешевший в масовому виробництві спосіб трафаретного друку – сіткографія із застосуванням фарби, що полімеризується за допомогою ультрафіолетового опромінювання.
Хіміко-механічна підготовка поверхні фольги може проводитися також на автоматичній лінії ГГМ 1.240.006. Захисна маска з епоксидної смоли наноситься на поверхню плати так, щоб відкритими були тільки контактні майданчики провідників, які залужуються припоєм ПОС при виконанні монтажних операцій.
Провідники, захищені епоксидним покриттям, обробці не піддаються і цим досягається значна економія олов'яного сплаву. Епоксидна захисна маса наноситься також способом трафаретного друку. Пробивка отворів звичайно проводиться штампуванням за допомогою кривошипних пресів.
З досвіду одного з підприємств захист провідників від лудіння при паянні виводів радіоелементів здійснюється за допомогою їх хімічної пасивації (хромування), оскільки хромова плівка на міді запобігає змочуванню її припоєм.
Захисна маска на контактних майданчиках служить потім флюсом при паянні на хвилі припою.
Головною перевагою даного методу є виключення з технології операції нанесення маски з епоксидної смоли, що представляє велику професійну шкідливість.
Позитивний метод застосовується вельми рідко і обмежується звичайно виготовленням смужкових плат. Як гальванічне покриття при цьому служить срібло з товщиною шару 9-12 мкм.
Плата з одностороннім або двостороннім розташуванням провідників без металізації отворів можуть бути виготовлені способами штампування, перенесення а також нанесення струмопровідних фарб (паст).
Спосіб штампування рекомендований для масового виробництва, при цьому як підставка служить будь-який діелектрик, у тому числі і картон. Мідна фольга завтовшки 35 мкм, змотана в рулон, з одного боку покрита
адгезійним шаром. Цим шаром фольга накладається на діелектрик, при штампуванні вирубка провідників комбінується з їх притиском до діелектрика. Непотрібна частина фольги відділяється. Потім плата піддається нагріву в пресованому положенні для полімеризації адгезійного шару з метою міцного зчеплення провідників з підложкою. Метод ефективний для плат масового виробництва з відносно простою схемою провідників.
Операція витравлення не застосовується, тому мідь витрачається по прямому призначенню, а відходи міді використовуються для переплавлення. Даний спосіб - найдешевший по витраті матеріалів і якнайменше трудомісткий.
Спосіб перенесення полягає в отриманні провідного малюнка на тимчасовій металевій підложці і потім перенесення його на діелектрик. Як тимчасова підложка служить пластина з корозійностійкої сталі типу 18ХН9Т. На пластині одержують захисний малюнок, як і при позитивному процесі, тобто пробільні місця закриті фоторезистом або фарбою.
Потім пластину піддають гальванічному мідненню в кислих електролітах і на ній утворюється провідний малюнок з міді завтовшки 35-50 мкм. Фоторезист або фарба відділяється, а пластина з провідним малюнком притискається до діелектрика, на поверхню якого нанесений клейовий шар.
Провідний малюнок легко відділяється від поверхні корозійностійкої сталі і приклеюється до діелектрика унаслідок дуже слабкого зчеплення електрообложеної міді з корозійностійкою сталлю. Як і у попередньому випадку, плата піддається нагріву в пресованому поляганні для полімеризації клейового з'єднання.
Метод перенесення доцільний в умовах дослідницького і дрібносерійного виробництва за відсутності очисних споруд і умов для утилізації міді з травильних відходів. Технологічний процес є прикладом безвідходної технології.
Спосіб отримання провідного малюнка за допомогою електропровідних фарб або паст ще не одержав широке вживання в промисловості через відсутність відповідних матеріалів необхідної якості, проте він є вельми перспективним і економічним для отримання плат широкомовної апаратури.
4.2.3 Електрохімічний спосіб отримання друкованої плати
Цей спосіб здійснюється за допомогою наступних основних операцій: нарізка заготовок, свердлення отворів, що підлягають металізації, підготовка поверхні; хімічного міднення; посилення міді гальванічним мідненням; нанесення захисного рельєфу на пробільні місця; гальванічне міднення; гальванічного покриття сплавом олово-свинець; видалення захисного рельєфу; витравлення міді з пробільних місць.
Вихідним матеріалом служить нефольгованний текстоліт, на обидві якого сторони нанесений адгезійний шар з епоксидно-каучукової композиції.
Підготовка поверхні діелектрика полягає в її хімічній обробці сумішшю хромової і сірчаної кислот, в результаті якої на поверхні утворюються мікрозападини, що забезпечують хорошу адгезію металізованого шару і хорошу змочуваність водними розчинами. Операція витравлення в даному процесі характеризується дуже малою тривалістю (до 1 хв), оскільки витравленню підлягає вельми тонкий шар хімічно обложеної і посиленої гальванічно до товщини 5-7 мкм міді. При витравленні такого тонкого шару міді ефект бічного затравлення практично відсутній, що дозволяє одержувати дуже вузькі провідники шириною до 0,15 мм і з таким же зазором між провідниками.
Таким чином, технологічний процес виготовлення друкарської плати електрохімічним (напіваддитивним) способом звільняє від необхідності фольгувати міддю діелектрики і забезпечує підвищену густину монтажу на платі, що обумовлює можливість у ряді випадків замінити складну у виробництві багатошарову друкарську плати на двосторонні. Нижче приведені характеристики окремих операцій і умови їх виконання.
Заготовки із текстоліта нарізаються з урахуванням технологічних полів на одноножових або багатоножових ножицях. На технологічному полі свердляться фіксуючі отвори відповідно до рекомендацій. Підготовка поверхні проводиться таким чином. Знежирену поверхню діелектрика піддають хімічній обробці з метою додання гідрофільності і виявлення в адгезійному шарі мікронерівностей. Видалення залишків хромових з'єднань з поверхні заготовки проводиться в наступній послідовності: промивка у воді, нейтралізація в розчині NaOH (5-10 %), повторна промивка, нейтралізація в розчині HCI (50-100 г/л), ще одна промивка у воді.
Для видалення продуктів реакції промивання водою чергують з промиванням в солянокислому розчині гидроксиламіна (20 г/л) і лужному розчині трилона Б. Поверхня адгезійного шару після того, що витравлення набуває рівномірний матовий відтінок унаслідок створення мінкрошороховатості. Свердлення отворів, що підлягають металізації, здійсн