Разработка печатного модуля РЭС с использованием учебных алгоритмов САПР
1. Решение задачи компоновки для функциональной схемы с использованием последовательного алгоритма
1.1 Общее описание алгоритма
1.2 Пошаговое описание алгоритма
1.3 Выполнение компоновки
2. Размещение элементов в принципиальной электрической схеме с использованием последовательного алгоритма
2.1 Краткое описание алгоритма последовательной установки элементов РЭА
2.2 Выполнение размещения
2.3 Результаты размещения
3. Трассировка цепей питания и земли с использованием алгоритма построения кратчайших связывающих сетей и волнового алгоритма
3.1 Краткое описание алгоритма Краскала
3.2 Трассировка цепей земли по алгоритму Краскала
3.3 Трассировка цепей питания по алгоритму Прима
4. Трассировка сигнальных цепей с помощью волновых алгоритмов
Заключение
Список используемой литературы
Введение
Стремление разработать эффективные методы конструирования РЭА, позволяющие обобщить опыт работы высоко квалифицированных конструкторов и сделать их достаточно универсальными, приводит к необходимости формализации процесса конструирования.
Разработанная обобщённая модель конструкции РЭА подвергается тщательным исследованиям с точки зрения удовлетворения параметров конструкций заданным техническим требованиям.
Успешное решение формализации конструкторской деятельности возможно лишь только при её алгоритмизации и автоматизации с использованием математических методов, теории графов, алгоритмов, математического программирования и исследование операции, методов вычислительной математики.
Следует отметить, что в общем случае процессы конструирования РЭА плохо поддаются формализации и с математической точки зрения относятся к так называемым плохо формализуемым задачам. Тем не менее для широкого круга задач удалось найти математическое описание и на его основе построить алгоритмы и программы их решения на ЭВМ.
В настоящее время на основе современных вычислительных комплексов и средств автоматизации созданы и находятся в промышленной эксплуатации схемы автоматизированного проектирования РЭА и ЭВА, позволяющие в значительной степени освободить конструктора-проектировщика от однообразной, трудоёмкой и утомительной умственной работы и повысить его интеллектуальные возможности на этапах принятия решений.
Существующие системы автоматизированного проектирования РЭА решают комплекс вопросов по проектированию схем и конструкций аппаратуры.
Нам необходимо разработать печатный модуль РЭС с использованием учебных алгоритмов САПР.
1. Решение задачи компоновки
1.1 Общее описание алгоритма
Общая схема процесса последовательной компоновки по связности имеет следующий вид:
Пусть дана схема соединения элементов из множества
. Определим последовательный процесс назначения элементов
в узлы Br(
), на каждом шаге которого выбирается один из неразделенных элементов и приписывается очередному узлу.
Узел считается завершенным, если число элементов в узле равно заданному числу K.
После завершения очередного узла аналогичная процедура повторяется для следующего узла, причем кандидатами для назначения являются элементы, не включенные в предыдущие узлы. Процесс заканчивается, когда все элементы из множества E распределены.
Исходные данные являются:
– электрическая схема устройства (Рис.1);
– максимально допустимое число элементов в модуле.
Электрическую схему удобно представлять графом G=(E,V), где множество вершин Е соответствует элементам электрической схемы, а множество ребер V –электрическим связям между элементами.
В таком виде задача компоновки может быть сформулирована как задача разрезания графа
G=(E,V) на множество подграфов
Gr = (Er, Vr),
где r=1, 2, 3…
.
В каждом подграфе число вершин соответственно Er должно не превосходить ранее заданного ограничения на число элементовв в узле К. Для любого разбиения должны выполняться следующие условия:
![]() |
(1)Рис.1
При проведении компоновки без учета ограничения на кол-во внешних выводов в узле все модули, кроме последнего, будут иметь полное заполнение и последнее условие примет вид
(2)
1.2 Пошаговое описание алгоритма
Шаг 1.
Формирование очередного подграфа Gr(r=1,2,3…
) начинается с выбора базовой вершины
из множества нераспределенных вершин Ir. В начале процесса все вершины считаются нераспределенными, т.е. Ir=E.
Критерием выбора вершины на роль базовой является ее степень
(
) (под степенью вершины графа будем понимать кол-во ребер данного графа, инцидентных ей). Выбор происходит в соответствии со следующим условием:
![]()
![]()
(3)
Базовая вершина будет первой по порядку вершиной подграфа Gr(Er,Vr), а оставшиеся вершины, принадлежащие множеству
, являются кандидатами для включения в подграф Gr на последующих шагах алгоритма.
Базовая вершина
является, во-первых, как бы “центром” группирования, к которому прибавляются новые вершины, во-вторых, центром факторизации.
Шаг 2.
Из множества
выделяется подмножество Г (
) вершин, связанных с
.
Шаг 3.
Для элемента X
введем функционал:
L(x)=
(4)
определяющий число цепей, связывающих вершину X и вершины из множества Г и Ir\
.
Для упрощения записей будем отождествлять элемент (множество элементов). Для формального вычисления функционала будем пользоваться формулой:
(5)
где
– число связей между вершинами
и
.
Шаг 4.
Из всех вершин
выбирается
такая, у которой значение функционала минимально. Очевидно, что вершина, для которой это условие будет выполняться, максимально связана с
. Эта вершина включается во множество Еr вершин Gr.
Множество вершин подграфа Gr приобретает следующий вид:
(6)
где
, а верхний индекс в обозначении
в общем случае указывает кол-во шагов выборки.
Шаг 5.
Происходит стягивание вершин подграфа Gr в вершину
. Этот процесс далее будем называть факторизацией, вершину
– центром факторизации, а количество вершин стянутых в
, кроме него самого, – степенью факторизации.
Центр факторизации со степенью факторизации
, отличной от нуля, будем обозначать символом
и называть гипервершиной степени
.
После данного процесса множество
преобразуют в одноэлементное множество
содержащее гипервершину степени
.
В указанных обозначениях первый процесс факторизации запишется следующим образом:
. (7)
В общем случае на
ом шаге выборки все указанные преобразования будут иметь вид:
. (8)
=1,2,3…,Кс-1,где Кс –допустимая мощность множества вершин формируемого подграфа (кол-во элементов в конструктивном узле).
Шаг 6.
Действия, описанные в шагах 2,3,4,5, повторяются до полного заполнения формируемого модуля.
Далее весь процесс повторяется до тех пор, пока не будет сформирован (
-1) модуль. Последний же
–й полностью включает в себя множество
, так как
. (9)
1.3 Выполнение компоновки
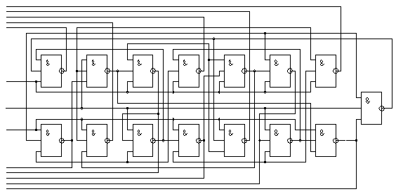
Данную электрическую функциональную схему распределителя уровней на 10 каналов (рис. 1) разбиваем на 3 блока. Далее выполняем компоновку для каждого блока, для чего представляем их в виде графов, где множеству вершин соответствуют элементы электрической схемы блока, а множество ребер электрическим связям между этими элементами.
1.3.1 Компоновка первого блока

В исходной схеме выделяем однотипные логические элементы. Сведём их в блок 1.
Рис. 2. Блок 1
По блоку 1 составляем граф.
![]() |
Рис. 3. Граф 1
По полученному графу составляем матрицу смежности.
Таблица 1
| X1 | X2 | X3 | X4 | X5 | X6 | X7 | X8 | X9 | X10 | X11 | X12 | X13 | X14 | X15 | ||
| X1 | 0 | 0 | 0 | 0 | 1 | 1 | 1 | 1 | 0 | 1 | 1 | 0 | 1 | 0 | 1 | 8 |
| X2 | 0 | 0 | 1 | 1 | 0 | 1 | 1 | 1 | 0 | 1 | 1 | 0 | 0 | 1 | 1 | 9 |
| X3 | 0 | 1 | 0 | 1 | 1 | 1 | 0 | 0 | 1 | 0 | 0 | 1 | 1 | 1 | 1 | 9 |
| X4 | 0 | 1 | 1 | 0 | 0 | 0 | 0 | 1 | 1 | 1 | 1 | 0 | 1 | 1 | 0 | 8 |
| X5 | 1 | 0 | 1 | 0 | 0 | 1 | 1 | 0 | 1 | 1 | 1 | 0 | 1 | 1 | 0 | 9 |
| X6 | 1 | 1 | 1 | 0 | 1 | 0 | 1 | 1 | 1 | 0 | 0 | 1 | 0 | 0 | 1 | 9 |
| X7 | 1 | 1 | 0 | 0 | 1 | 1 | 0 | 0 | 0 | 0 | 1 | 1 | 1 | 1 | 0 | 8 |
| X8 | 1 | 1 | 0 | 1 | 0 | 1 | 0 | 0 | 1 | 1 | 0 | 1 | 1 | 1 | 0 | 9 |
| X9 | 0 | 0 | 1 | 1 | 1 | 1 | 0 | 1 | 0 | 1 | 1 | 1 | 0 | 0 | 1 | 9 |
| X10 | 1 | 1 | 0 | 1 | 1 | 0 | 0 | 1 | 1 | 0 | 0 | 0 | 0 | 1 | 1 | 8 |
| X11 | 1 | 1 | 0 | 1 | 1 | 0 | 1 | 0 | 1 | 0 | 0 | 0 | 1 | 0 | 1 | 8 |
| X12 | 0 | 0 | 1 | 0 | 0 | 1 | 1 | 1 | 1 | 0 | 0 | 0 | 1 | 0 | 1 | 7 |
| X13 | 1 | 0 | 1 | 1 | 1 | 0 | 1 | 1 | 0 | 0 | 1 | 1 | 0 | 0 | 0 | 8 |
| X14 | 0 | 1 | 1 | 1 | 1 | 0 | 1 | 1 | 0 | 1 | 0 | 0 | 0 | 0 | 1 | 8 |
| X15 | 1 | 1 | 1 | 0 | 0 | 1 | 0 | 0 | 1 | 1 | 1 | 1 | 0 | 1 | 0 | 9 |
За базовую принимаем вершину X2, т.к. она имеет максимальное значение, равное 9, и минимальный порядковый номер. Она связана с вершинами X3, X4, X6, X7, X8, X10, X11, X14, X15. Посчитаем для этих вершин функционалы:
L(X1)=8-0=8, L(X3)=9-1=8, L(X4)=8-1=7, L(X5)=9-0=9,
L(X6)=9-1=8, L(X7)=8-1=7, L(X8)=9-1=8, L(X9)=9-0=9, L(X10)=8-1=7, L(X11)=8-1=7, L(X12)=7-0=7, L(X13)=8-0=8, L(X14)=8-1=7, L(X15)=9-1=8.
Стягиваем вершину X4 с базовой в первый корпус, т.к. она имеет минимальный функционал, равный 7, и минимальный порядковый номер.
Таблица 2
| X1 | X3 | X5 | X6 | X7 | X8 | X9 | X10 | X11 | X12 | X13 | X14 | X15 | ||
| X1 | 0 | 0 | 1 | 1 | 1 | 1 | 0 | 1 | 1 | 0 | 1 | 0 | 1 | 0 |
| X3 | 0 | 0 | 1 | 1 | 0 | 0 | 1 | 0 | 0 | 1 | 1 | 1 | 1 | 2 |
| X5 | 1 | 1 | 0 | 1 | 1 | 0 | 1 | 1 | 1 | 0 | 1 | 1 | 0 | 0 |
| X6 | 1 | 1 | 1 | 0 | 1 | 1 | 1 | 0 | 0 | 1 | 0 | 0 | 1 | 1 |
| X7 | 1 | 0 | 1 | 1 | 0 | 0 | 0 | 0 | 1 | 1 | 1 | 1 | 0 | 1 |
| X8 | 1 | 0 | 0 | 1 | 0 | 0 | 1 | 1 | 0 | 1 | 1 | 1 | 0 | 2 |
| X9 | 0 | 1 | 1 | 1 | 0 | 1 | 0 | 1 | 1 | 1 | 0 | 0 | 1 | 1 |
| X10 | 1 | 0 | 1 | 0 | 0 | 1 | 1 | 0 | 0 | 0 | 0 | 1 | 1 | 2 |
| X11 | 1 | 0 | 1 | 0 | 1 | 0 | 1 | 0 | 0 | 0 | 1 | 0 | 1 | 2 |
| X12 | 0 | 1 | 0 | 1 | 1 | 1 | 1 | 0 | 0 | 0 | 1 | 0 | 1 | 0 |
| X13 | 1 | 1 | 1 | 0 | 1 | 1 | 0 | 0 | 1 | 1 | 0 | 0 | 0 | 1 |
| X14 | 0 | 1 | 1 | 0 | 1 | 1 | 0 | 1 | 0 | 0 | 0 | 0 | 1 | 2 |
| X15 | 1 | 1 | 0 | 1 | 0 | 0 | 1 | 1 | 1 | 1 | 0 | 1 | 0 | 1 |
| 0 | 2 | 0 | 1 | 1 | 2 | 1 | 2 | 2 | 0 | 1 | 2 | 1 | 0 |
Стягиваем вершину X7 с X4 и с базовой в первый корпус, т.к. вершина X7 также имеет функционал равный 7.
Таблица 3
| X1 | X3 | X5 | X6 | X8 | X9 | X10 | X11 | X12 | X13 | X14 | X15 | ||
| X1 | 0 | 0 | 1 | 1 | 1 | 0 | 1 | 1 | 0 | 1 | 0 | 1 | 1 |
| X3 | 0 | 0 | 1 | 1 | 0 | 1 | 0 | 0 | 1 | 1 | 1 | 1 | 2 |
| X5 | 1 | 1 | 0 | 1 | 0 | 1 | 1 | 1 | 0 | 1 | 1 | 0 | 1 |
| X6 | 1 | 1 | 1 | 0 | 1 | 1 | 0 | 0 | 1 | 0 | 0 | 1 | 2 |
| X8 | 1 | 0 | 0 | 1 | 0 | 1 | 1 | 0 | 1 | 1 | 1 | 0 | 2 |
| X9 | 0 | 1 | 1 | 1 | 1 | 0 | 1 | 1 | 1 | 0 | 0 | 1 | 1 |
| X10 | 1 | 0 | 1 | 0 | 1 | 1 | 0 | 0 | 0 | 0 | 1 | 1 | 2 |
| X11 | 1 | 0 | 1 | 0 | 0 | 1 | 0 | 0 | 0 | 1 | 0 | 1 | 3 |
| X12 | 0 | 1 | 0 | 1 | 1 | 1 | 0 | 0 | 0 | 1 | 0 | 1 | 1 |
| X13 | 1 | 1 | 1 | 0 | 1 | 0 | 0 | 1 | 1 | 0 | 0 | 0 | 2 |
| X14 | 0 | 1 | 1 | 0 | 1 | 0 | 1 | 0 | 0 | 0 | 0 | 1 | 3 |
| X15 | 1 | 1 | 0 | 1 | 0 | 1 | 1 | 1 | 1 | 0 | 1 | 0 | 1 |
| 1 | 2 | 1 | 2 | 2 | 1 | 2 | 3 | 1 | 2 | 3 | 1 | 0 |
Так как К155ЛА4 содержит три модуля, элементы X2, X4, X7 помещаем в одну микросхему. Для оставшихся несвязанных элементов будем продолжать компоновку.
Таблица 4
| X1 | X3 | X5 | X6 | X8 | X9 | X10 | X11 | X12 | X13 | X14 | X15 | ||
| X1 | 0 | 0 | 1 | 1 | 1 | 0 | 1 | 1 | 0 | 1 | 0 | 1 | 7 |
| X3 | 0 | 0 | 1 | 1 | 0 | 1 | 0 | 0 | 1 | 1 | 1 | 1 | 7 |
| X5 | 1 | 1 | 0 | 1 | 0 | 1 | 1 | 1 | 0 | 1 | 1 | 0 | 8 |
| X6 | 1 | 1 | 1 | 0 | 1 | 1 | 0 | 0 | 1 | 0 | 0 | 1 | 7 |
| X8 | 1 | 0 | 0 | 1 | 0 | 1 | 1 | 0 | 1 | 1 | 1 | 0 | 7 |
| X9 | 0 | 1 | 1 | 1 | 1 | 0 | 1 | 1 | 1 | 0 | 0 | 1 | 8 |
| X10 | 1 | 0 | 1 | 0 | 1 | 1 | 0 | 0 | 0 | 0 | 1 | 1 | 6 |
| X11 | 1 | 0 | 1 | 0 | 0 | 1 | 0 | 0 | 0 | 1 | 0 | 1 | 5 |
| X12 | 0 | 1 | 0 | 1 | 1 | 1 | 0 | 0 | 0 | 1 | 0 | 1 | 6 |
| X13 | 1 | 1 | 1 | 0 | 1 | 0 | 0 | 1 | 1 | 0 | 0 | 0 | 6 |
| X14 | 0 | 1 | 1 | 0 | 1 | 0 | 1 | 0 | 0 | 0 | 0 | 1 | 5 |
| X15 | 1 | 1 | 0 | 1 | 0 | 1 | 1 | 1 | 1 | 0 | 1 | 0 | 8 |
За базовую принимаем вершину X5, т.к. она имеет максимальное значение, равное 8, и минимальный порядковый номер. Она связана с вершинами X1, X3, X6, X9, X10, X11, X13, X14. Посчитаем для этих вершин функционалы:
L(X1)=7-1=6, L(X3)=7-1=6, L(X6)=7-1=6, L(X8)=7-0=7, L(X9)=8-1=7, L(X10)=6-1=5, L(X11)=5-1=4, L(X12)=6-0=6, L(X13)=6-1=5, L(X14)=5-1=4, L(X15)=8-0=8.
Стягиваем вершины X11, X14 с базовой во второй корпус, т.к. они имеют минимальный функционал, равный 4.
Таблица 5
| X1 | X3 | X6 | X8 | X9 | X10 | X12 | X13 | X15 | ||
| X1 | 0 | 0 | 1 | 1 | 0 | 1 | 0 | 1 | 1 | 2 |
| X3 | 0 | 0 | 1 | 0 | 1 | 0 | 1 | 1 | 1 | 2 |
| X6 | 1 | 1 | 0 | 1 | 1 | 0 | 1 | 0 | 1 | 1 |
| X8 | 1 | 0 | 1 | 0 | 1 | 1 | 1 | 1 | 0 | 1 |
| X9 | 0 | 1 | 1 | 1 | 0 | 1 | 1 | 0 | 1 | 2 |
| X10 | 1 | 0 | 0 | 1 | 1 | 0 | 0 | 0 | 1 | 2 |
| X12 | 0 | 1 | 1 | 1 | 1 | 0 | 0 | 1 | 1 | 0 |
| X13 | 1 | 1 | 0 | 1 | 0 | 0 | 1 | 0 | 0 | 2 |
| X15 | 1 | 1 | 1 | 0 | 1 | 1 | 1 | 0 | 0 | 2 |
| 2 | 2 | 1 | 1 | 2 | 2 | 0 | 2 | 2 | 0 |
Так как К155ЛА4 содержит три модуля, элементы X5, X11, X14 помещаем в одну микросхему. Для оставшихся несвязанных элементов будем продолжать компоновку.
Таблица 6
| X1 | X3 | X6 | X8 | X9 | X10 | X12 | X13 | X15 | ||
| X1 | 0 | 0 | 1 | 1 | 0 | 1 | 0 | 1 | 1 | 5 |
| X3 | 0 | 0 | 1 | 0 | 1 | 0 | 1 | 1 | 1 | 5 |
| X6 | 1 | 1 | 0 | 1 | 1 | 0 | 1 | 0 | 1 | 6 |
| X8 | 1 | 0 | 1 | 0 | 1 | 1 | 1 | 1 | 0 | 6 |
| X9 | 0 | 1 | 1 | 1 | 0 | 1 | 1 | 0 | 1 | 6 |
| X10 | 1 | 0 | 0 | 1 | 1 | 0 | 0 | 0 | 1 | 4 |
| X12 | 0 | 1 | 1 | 1 | 1 | 0 | 0 | 1 | 1 | 6 |
| X13 | 1 | 1 | 0 | 1 | 0 | 0 | 1 | 0 | 0 | 4 |
| X15 | 1 | 1 | 1 | 0 | 1 | 1 | 1 | 0 | 0 | 6 |
За базовую принимаем вершину X6, т.к. она имеет максимальное значение, равное 6, и минимальный порядковый номер. Она связана с вершинами X1, X3, X8, X9, X12, X15. Посчитаем для этих вершин функционалы:
L(X1)=5-1=4, L(X3)=5-1=4, L(X8)=6-1=5, L(X9)=6-1=5, L(X10)=4-0=4, L(X12)=6-1=5, L(X13)=4-0=4, L(X15)=6-1=5.
Стягиваем вершину X1, X3 с базовой в третий корпус, т.к. они имеют минимальный функционал, равный 4.
Таблица 7
| X8 | X9 | X10 | X12 | X13 | X15 | ||
| X8 | 0 | 1 | 1 | 1 | 1 | 0 | 2 |
| X9 | 1 | 0 | 1 | 1 | 0 | 1 | 2 |
| X10 | 1 | 1 | 0 | 0 | 0 | 1 | 1 |
| X12 | 1 | 1 | 0 | 0 | 1 | 1 | 2 |
| X13 | 1 | 0 | 0 | 1 | 0 | 0 | 2 |
| X15 | 0 | 1 | 1 | 1 | 0 | 0 | 3 |
| 2 | 2 | 1 | 2 | 2 | 3 | 0 |
Так как К155ЛА4 содержит три модуля, элементы X1, X3, X6 помещаем в одну микросхему. Для оставшихся несвязанных элементов будем продолжать компоновку.
Таблица 8
| X8 | X9 | X10 | X12 | X13 | X15 | ||
| X8 | 0 | 1 | 1 | 1 | 1 | 0 | 4 |
| X9 | 1 | 0 | 1 | 1 | 0 | 1 | 4 |
| X10 | 1 | 1 | 0 | 0 | 0 | 1 | 3 |
| X12 | 1 | 1 | 0 | 0 | 1 | 1 | 4 |
| X13 |

