Проектирование передатчика
1. Обоснование и выбор структурной схемы
2. Расчет выходного каскада радиопередатчика
2.1. Выбор транзистора оконечного каскада
2.2. Расчет коллекторной цепи
2.3. Расчет базовой цепи
2.4. Расчет цепи коррекции АЧХ
2.5. Расчет фильтра нижних частот
2.6. Расчет трансформаторов на длинных линиях
2.8. Расчет катушек индуктивности и блокировочных элементов
2.9 Вторичный источник питания
Заключение
Библиографический список
Условные обозначения символы и сокращения
АМ – амплитудная модуляция
ОМ – однополосная модуляция
ТДЛ – трансформатор на длинных линиях
ФНЧ – фильтр нижних частот
Введение
Большой практический интерес к ОМ и широкое внедрение радиооборудования с ОМ, особенно в КВ диапазоне объясняется известными преимуществами этого вида модуляции по сравнению с АМ и ЧМ.
Очевидным и важным преимуществом ОМ является наиболее узкая полоса частот, занимаемая сигналом с ОМ в радиоканале. Она почти равна полосе исходного модулирующего сигнала. Полоса частот, занимаемая колебанием с АМ, по меньшей мере в 2 раза шире. Благодаря этой особенности ОМ ее применение в системах радиосвязи позволяет почти в 2 раза по сравнению с АМ уменьшить необходимые полосы радиоканалов и тем самым увеличить вдвое число действующих радиосвязей в одном и том же диапазоне частот.
Важным преимуществом ОМ перед АМ является возможность получения в системах радиосвязи с ОМ энергетического выигрыша.
При АМ всё передаваемое сообщение заключено в каждой из боковых полос, так как одна полоса по составу является зеркальным отражением другой. Несущая частота играет вспомогательную роль – переносит информацию о точном значении частоты и фазы колебаний, необходимых для одновременного синфазного детектирования обоих полос АМ сигнала. Без потери передаваемой информации одну из полос можно исключить. Это позволит вдвое сократить занимаемую в эфире полосу частот, но в то же время вдвое уменьшит напряжение на выходе детектора приемника, так как теперь детектируется лишь одна боковая полоса. Экономии энергии передатчика это не дает, так как средняя относительная мощность боковых полос в АМ сигнале невелика (порядка 2%).
1. Обоснование и выбор структурной схемы
Связные передатчики коротковолнового диапазона (f = 1,5-30,0 МГц) работают в режиме однополосной модуляции (ОМ). Однополосный сигнал формируется фильтровым методом на относительно низкой частоте (500 кГц) и переносится с помощью преобразователей частоты в рабочий диапазон. Многократное преобразование сигнала сопровождается появлением большого числа комбинационных составляющих, которые при неудачном выборе частот преобразования могут попасть на вход усилителя мощности и создать помехи вне рабочего диапазона передатчика.
Структурная схема современного диапазонного передатчика с однополосной модуляцией должна строиться так, чтобы снизить вероятность излучения паразитных колебаний и свести к минимуму число перестраиваемых цепей в промежуточных и оконечном каскадах передатчика.
Рассмотрим вариант структурной схемы диапазонного передатчика с ОМ, удовлетворяющего изложенным выше требованиям (рис. 1.1).

Рис. 1.1. Структурная схема однополосного передатчика
Звуковой сигнал с микрофона (М) усиливается усилителем низкой частоты (1) и попадает на балансный модулятор БМ1 (2). На второй вход БМ1 поступает напряжение с опорного генератора (3) с частотой f0. Частота этого генератора стабилизирована кварцем. Значение частоты f0 определяется АЧХ электромеханического фильтра (ЭМФ) и выбором рабочей боковой полосы (верхней или нижней). На выходе первого балансного модулятора получается двухполосный сигнал с ослабленной несущей. Степень подавления несущей частоты на выходе передатчика (в антенне) определяется балансным модулятором и ЭМФ, а нежелательной боковой полосы – только параметрами ЭМФ. Последующие каскады не могут изменить степень подавления этих составляющих однополосного сигнала.
С выхода ЭМФ однополосный сигнал поступает на второй балансный модулятор (5). На другом его входе – сигнал вспомогательной частоты f1. Частота f1 выбирается выше верхней рабочей частоты передатчика – fB. При таком выборе комбинационная частота на выходе БМ2 f1 + f0 также будет выше верхней частоты рабочего диапазона передатчика. Следовательно, колебания вспомогательного генератора f1 и продукты преобразования первого порядка с частотами f1 + f0, если они попадут на вход усилителя мощности, не создадут помех в рабочем диапазоне проектируемого передатчика.
Относительная расстройка между комбинационными частотами на выходе БМ2, как правило, не велика, поэтому селекция нужной комбинационной частоты должна осуществляться пьезокерамическим фильтром (ПФ) или фильтром на поверхностных акустических волнах (7). Полоса пропускания этого фильтра должна быть не меньше полосы прозрачности ЭМФ.
Однополосный сигнал с выхода ПФ в балансном модуляторе БМ3 (8) смешивается с частотой f2. Источником этих колебаний служит синтезатор сетки дискретных частот, генерирующий сетку в диапазоне f2H-f2Bс заданным шагом. Частота f2 выбирается выше f1, то есть выше рабочего диапазона. Частоты рабочего диапазона от fН до fB получаются на выходе БМ3. Они равны разности частот f2 и промежуточной частоты на выходе полосового фильтра(7) f = f2 – f1 – f0.
Эти частоты выделяются фильтром нижних частот (10), частота среза которого равна верхней частоте рабочего диапазона fB.
Однополосный сигнал формируется на малом уровне мощности 1-5 мВт. До заданного уровня на выходе передатчика он доводится линейным усилителем мощности.
Цепи связи промежуточных каскадов делают широкополосными, перекрывающими весь диапазон передатчика. Здесь не ставится задача фильтрации высших гармоник, решается только проблема согласования входного сопротивления следующего каскада с выходным предыдущего. Широкое применение находят трансформаторы на длинных линиях (ТДЛ) и цепи, обеспечивающие постоянное входное сопротивление усилительного каскада.
К достоинствам передатчика, выполненного в соответствии со структурной схемой рис. 1.1, следует отнести следующее:
– минимальное число коммутируемых цепей. Изменяется только частота синтезатора и коммутируется фильтрующая цепь на выходе передатчика,
– малая вероятность возникновения внеполосных излучений как следствие особенностей выбора частот преобразования. (2)
2.Расчет выходного каскада радиопередатчика
В оконечном каскаде радиопередатчика необходимо усилить имеющийся сигнал до заданной мощности при этом проходная характеристика транзистора должна быть линейной и угол отсечки коллекторного тока θ=90º (невыполнение этих требования приводит к нелинейным искажениям).
В данном случаем целесообразно оконечный каскад выполнить по двухтактной схеме, что позволяет при отдачи транзисторами мощности меньшей, чем стандартном напряжении питания повысить надежность устройства; а также при использовании данной схемы подавляются четные гармоники на 15-20 дБ, следовательно уменьшится порядок ФНЧ необходимого для подавления внеполосного излучения. Так как проектируемый каскад явлется широкополосным, то выберем в качестве схемы связи генератора с нагрузкой ТДЛ. В связи с падением коэффициента усиления по току β с увеличением частоты необходима цепь коррекции АЧХ.
2.1 Выбор транзистора оконечного каскадаДля выходного каскада однополосного радиопередатчика, как сказано выше, необходимо выполнить двухтактную схему, в которой транзисторы должны быть идентичны. Для выбора транзистора необходимо руководствоваться следующими параметрами:
- транзистор должен отдавать необходимую мощность в нагрузку;
- так как передатчик однополосный, то необходимо, чтобы проходная характеристика была линейной.
Как правило, для генерации заданной мощности в нагрузке в определенном диапазоне частот можно подобрать целый ряд транзисторов. При одинаковой выходной мощности ГВВ на этих приборах будут иметь разный КПД и коэффициент усиления по мощности. Из группы транзисторов нужно выбрать тот, который обеспечивает наилучшие электрические характеристики усилителя мощности.
Коэффициент полезного действия каскада связан с величиной сопротивления насыщения транзистора – r нас ВЧ. Чем меньше его величина, тем меньше остаточное напряжение в граничном режиме и выше КПД генератора.
Коэффициент усиления по мощности КР зависит от ряда параметров транзистора – коэффициента передачи тока базы bо, частоты единичного усиления f т и величины индуктивности эмиттерного вывода LЭ. При прочих равных условиях КР будет тем больше, чем выше значение bо, f T и меньше LЭ.
Из этих условий выберем транзистор КТ927А, который имеет следующие параметры:
Параметры идеализированных статических характеристик.
Сопротивление насыщения транзистора на высокой частоте rнас ВЧ=0.4 Ом.
Сопротивление утечки эмиттерного перехода R у.э>0.1 кОм.
Коэффициент усиления по току в схеме с ОЭ на низкой частоте (f→0) βо=15..50.
Сопротивление материала базы 0.2 Ом.
Сопротивление эмиттера 0.01 Ом.
Граничная частота усиления по току в схеме с ОЭ fт=100..200 МГц.
Барьерная емкость коллекторного перехода Ск=120..190 пФ при Ек=28В.
Барьерная емкость эмиттерного перехода Сэ=1700..2500 пФ при Еэ=5В.
Индуктивность вывода эмиттера 5 нГн.
Индуктивность вывода базы 5 нГн.
Допустимые параметры
Предельное напряжение на коллекторе Uкэ доп=70 В.
Обратное напряжение на эмиттерном переходе Uбэ доп=3.5 В.
Постоянная составляющая коллекторного тока Iко. макс. доп=20А.
Максимально допустимое значение коллекторного тока Iк. макс. доп=30А.
Диапазон рабочих частот 1.5..30 МГц.
Тепловые параметры
Максимально допустимая температура переходов транзистора tп.доп=200ºС.
Тепловое сопротивление переход – корпус Rпк=1.5ºС /Вт.
Энергетические параметры
Экспериментальные характеристики при работе в условиях, близких к предельно допустимым по какому-либо признаку (параметру) и ограничивающих мощность транзистора так, чтобы гарантировать достаточную надежность его работы;
f ' =30 МГц.
P'н >75 Вт.
К'н=13.4..16.
η'=40..52%.
Е'к=28 В.
Режим работы линейный < -30 дБ.
Выберем коэффициент полезного действия согласующей цепи ηсц=0.85.
Следовательно мощность на выходе одного плеча двухтактной схемы определится как
.
P1=44 Вт.
2.2 Расчет коллекторной цепиРасчет коллекторной цепи выходного транзисторного каскада проводится по методике, изложенной в (2, 5) – расчет ГВВ на заданную мощность, вернее расчет одного плеча симметричной двухтактной схемы на половинную мощность.
Особенность расчета в данном случае в том, что согласующий трансформатор можно выполнить лишь для определенного набора коэффициентов трансформации, поэтому рассчитаем выходное сопротивление коллекторной нагрузки одного плеча двухтактной схемы при напряжении питания Eк=28 В; выбрав коэффициент трансформации и соответствующее ему сопротивление коллекторной нагрузки, рассчитаем коллекторную цепь.
Крутизна линии граничного режима
![]()
Sгр=2.5 А/В
Коэффициент использования коллекторного напряжения
(2.1)

Амплитуда напряжения на коллекторе
Uк=ξгр·Eк (2.2)
Uк=0.9·28=25.2 В
Сопротивление коллекторной нагрузки
(2.3)
Rкэ=2·25.22/44=7.22 Ом
Выберем коэффициент деления
Сопротивление коллекторной нагрузки двух плеч двухтактного генератора 14.44 Ом
Сопротивление нагрузки, согласно заданию на проектирование 50 Ом.
Отношение двух сопротивлений и будет коэффициент трансформации 0.28. Ближайший коэффициент 0.25. Rкэ=6.25 Ом
Для определенного сопротивления нагрузки проведем расчет коллекторной цепи.
(2.4)
Uк=23.45 В
Амплитуда первой гармоники коллекторного тока
(2.5)
![]()
Постоянная составляющая коллекторного тока
, (2.6)
где:
α1(θ) – коэффициент Берга α1(90º)=0.5;
αо(θ) – коэффициент Берга α0(90º)=0.319
Iко=2.394 А
Максимальный коллекторный ток
(2.7)
Iк max =7.504 A
eк minгр =Iк max·rнас ВЧ (2.8)
eк minгр =7.504·0,4=3 В
Напряжение питания
Eк= eк minгр+Uк (2.9)
Eк=3+23.45=26.45 В
Потребляемая мощность от источника коллекторного питания
Pomax=EкIко (2.10)
Pomax=26.45·2.394=63.32 Вт
Коэффициент полезного действия коллекторной цепи
![]()
![]()
Максимальное напряжение на коллекторе не должно превышать допустимого значения Uкэ доп=70 В
Uк max=Eк+1.25·Uк
Uк max=26.45+1.25·23.45=55.76 Вт
2.3 Расчет базовой цепи
В широкодиапазонных двухтактных генераторах при работе транзисторов с углом отсечки θ=90º (класс В) важно, чтобы в импульсах ток перекосов не было так, как при этом отсутствуют нечетные гармоники (3ω, 5 ω,…) Устранение перекосов в импульсах достигается включением шунтирующего добавочного сопротивления Rд между выводами базы и эмиттера транзистора. Сопротивление Rд выбирают так, чтобы выровнять постоянные времени эмиттерного перехода в закрытом и открытом состояниях:

, (2.11)

(2.12)
![]()
Выберем из ряда номинальных значений
Rбк=249 Ом
![]()
χ=1.44
Амплитуда тока базы
(2.13)
Iб=2.186 А
Максимальное обратное напряжение на эмиттерном переходе
(2.14)
После расчета получаем:
, следовательно необходимо уменьшить добавочное сопротивление.
Rд =12.1 Ом
![]()
Постоянная составляющая базового тока
(2.15)
![]()
Постоянная составляющая эмиттерного тока
Iэо=Iко+Iбо
Iэо=2.462 А
Максимальное обратное напряжение на эмиттерном переходе
(2.16)
Еб= – 0.535 В
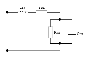
Значения Lвх ОЭ, rвх ОЭ, Rвх ОЭ и Свх ОЭ в эквивалентной схеме входного сопротивления транзистора (см рис 2.2):
(2.17)
Lвх.оэ =13.47 Гн
(2.18)
Ска – барьерная емкость активной части коллекторного перехода (Ска=(0.2..0.3) Ск)
rвхоэ=1.797 Ом
(2.19)
Rвхоэ=4.47 Ом
(2.20)



Рис 2.1 Схема замещения входной цепи
Активная и реактивная составляющие входного сопротивления транзистора Zвх=rвх + jXвх

(2.21)
rвх=1.886 Ом



(2.22)
Хвх=1.91 Ом
Входная мощность
![]()
Рвх=4.5 Вт
Коэффициент усиления по мощности одного плеча двухтактной схемы
![]()
Кр=9.78
2.4 Расчет цепи коррекции АЧХ
В диапазоне средних и высоких частот (f>0.3fт/βо), что наиболее характерно при построении широкодиапазонной входной цепи транзистора, надо, во-первых, учитывать снижение модуля коэффициента усиления β от частоты, во-вторых, использовать более сложную эквивалентную схему входного сопротивления транзистора.
Частотная зависимость коэффициента передачи тока базы β(jω) приведена на рис. 2.2, а. Передаточная характеристика каскада ШПУ (рис. 2.2) T(p) определяется произведением передаточных характеристик цепи коррекции Tк(р) и транзистора β(p). При заданной Т(р) в частотной или временной области задача заключается в отыскании аналитического выражения
и синтеза цепи коррекции.
Для плоской частотной характеристики мощности в нагрузке
при нижней частоте диапазона
выражение для Tк(р) существенно упрощается:
![]()
,
где βо – коэффициент передачи тока базы на низкой частоте,
ωβ – граничная частота по коэффициенту передачи тока базы.
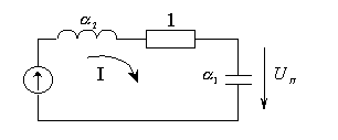
То есть цепь коррекции должна создать линейно увеличивающийся с частотой ток базы (рис. 2.2, б, прямая 1). Подобную частотную зависимость в ограниченном диапазоне частот можно сформировать с помощью последовательного контура, возбуждаемого от источника ЭДС (рис. 2.3). Структура контура совпадает со структурой входной цепи транзистора (часть рис. 2.4, обведенная пунктиром). Частотная зависимость тока контура (кривая 2 на рис. 2.2, б) близка к линейной. Напряжение на ёмкости контура при этом определяет напряжение на переходе база-эмиттер транзистора и частотную зависимость тока коллектора:
, (кривая 3, рис. 2.2, б).
Нормированные величины элементов контура, выраженные через неравномерность частотной характеристики мощности в нагрузке
, определяются по следующим соотношениям:
.
В частности, при значении параметра δ=0.1 α1=0.93, α2=0.68 ток коллектора на границе полосы пропускания уменьшается до значения
.
Определим значение добротности на верхней частоте входной цепи транзистора
, (2.23)
Qвх=1.415.
Так как Qвх >0.68, то последовательно с выводом базы нужно включить добавочный резистор
(2.24)
Rдоб=1.937 Ом
Емкость корректирующей цепи рассчитывается по формулам:
;
;
. (2.25)
r=3.734 Ом
С=1.32 нФ
Скор=1.57 нФ
Для того чтобы создать режим источника ЭДС для последовательного контура (рис. 2.3), сделать входное сопротивление каскада чисто активным и частотно-независимым, на входе цепи устанавливается дополняющая цепь с элементами (рис. 2.4):
;
R'д=3.734 Ом
;
;
.
L=13.47 нГн
Lд=18.4 нГн
Сд=966 пФ
Для двухтактной схемы после расчета корректирующих элементов у одного транзистора (на одно плечо схемы) значения Lд увеличивают в 2 раза, а Сд уменьшают в 2 раза, а для симметрии схемы оставляют два сопротивления Rд
Сд=483 пФ
Lд=36.8 нГн
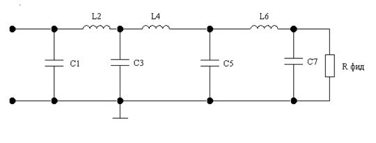
2.5 Расчет фильтра нижних частотДля фильтрации гармоник тока коллектора в широкополосных передатчиках применяют переключаемые фильтры (ФНЧ или полосовые) с коэффициентом перекрытия по частоте Kf не более 1.6-1.7, т.е. делят рабочий диапазон на несколько поддиапазонов и в каждый устанавливают свой фильтр, переключение, как правило, осуществляется синхронно с перемещением по диапазону.
Выберем аппроксимацию частотной характеристики – фильтр Чебышева.
Коэффициент перекрытия передатчика по частоте
(2.26)
Kfn=3.75
Число переключаемых фильтров:
(2.27)
k*=3
Разобьем весь диапазон, в котором работает радиопередатчик на три:
1. fн=8 МГц fв=12.5 МГц
2. fн=12.5 МГц fв=20.5 МГц
3. fн= 20.5 МГц fв=30 МГц
Рассчитаем фильтр нижних частот для первого диапазона.
Требуемый уровень подавления внеполосных излучений
aтр =40дБ.
При использовании двухтактной схемы уровень подавления высших гармоник
aдт=15 дБ.
Минимально допустимое затухание, которое должен обеспечить фильтр в полосе задержания:
![]()
aф=25 дБ.
Производится нормирование частот: при этом частота среза фильтра (fср=12.5 МГц) принимается равной
ωср =1
Частота гарантированного подавления (в данном случае должна подавляться вторая гармоника 2·8 МГц)
(2.28)
ωs=1.28
Из приложения 4 (6) определяем порядок фильтра и неравномерность в полосе пропускания.
Фильтр 7 порядка с неравномерностью 0.177 дБ.
Нормированные элементы фильтра:
С'1=1.335
L'2 =1.385
C'3 =2.240
L'4 =1.515
C'5 =2.240
L'6 =1.385
C'7 =1.335
Проведем денормировку параметров фильтра
С= Кс ·С'; L= КL·L';
;
(2.29)
Рис 2.6 Фильтр нижних частот
С1=339.891 пФ
L2=884.23 нГн
C3=570.30 пФ
L4=964 нГн
C5=570.30 пФ
L6=884.2 нГн
C7=339.891 пФ
На рис 2.7. изображен коэффициент усиления по напряжению ФНЧ
Для настройки фильтра каждая емкость представлена в виде параллельного соединения двух конденсаторов постоянного и подстроечного (см приложение 1)
2.6 Расчет трансформаторов на длинных линияхТДЛ в оконечном каскаде при использовании двухтактной схемы необходимы для подавления четных гармоник (T1) и согласования оконечного каскада с нагрузкой (Т2, Т3). Расчет ТДЛ производился по методике, изложенной в (5).
Выбор требуемых значений индуктивностей трансформаторов
Трансформатор Т1:
ωн·Lпр1>>Rкэ
Пусть ωн·Lпр1=15Rкэ=93.75 Ом, тогда
Lпр1=1.865 мкГн
Трансформатор Т2:
;
;
(2.30)
Lпр2=7.46 мкГн
Трансформатор Т3
;
(2.31)
Lпр3=2.49 мкГн
Выберем феррит 400НН‑1 с
μн=400±80
Допустимые удельные потери P'ф=0.2–1Вт/см3
fкр=3.9 МГц при Q=50
fкр=6.0 МГц при Q=10
Расчет Т1:
Выберем стандартный кольцевой ферритовый сердечник
D=25мм, d=12 мм, h=9мм
Выберем кабель РП‑6–7–11
Волновое сопротивлениеW=6.3 Ом
Погонная емкость Спог=780 пФ/м
Допустимое напряжение Uдоп=300 В
Допустимый ток Iдоп=11 А
Амплитуда магнитной индукции при допустимых потерях:
(2.32)
на частоте fн Q=40
B8раб ≤0.012–0.028 Тл
B30раб≤4.62·10-3-0.01 Тл
С запасом примем
B8раб=6·10-3 Тл
B30раб=2.3·10-3 Тл
Определяем минимальный объем сердечника на частоте fн=8 МГц:
(2.33)
Uпр =23.45 B
Vмин=1.629 см3
Выберем сердечник с:
внешним диаметром D=25 мм;
внутренним диаметром d=12 мм;
высотой h=9 мм.
Средний диаметр ферритового кольца Dcp=0.5 (D+d) (2.34)
Dср=1.85 см.
Сечение сердечника S=0.5h (D-d) (2.35)
S= 0.585 см2
Объем сердечника V=π·Dср·S (2.36)
V=3.4 см3
Число витков кабеля
(2.37)
ω1=2.76=3 витка
Продольная индуктивность
(2.38)
Lпр.расч=4.55 мкГн
Рассчитанная индуктивность получилась больше требуемой: уменьшим число витков
ω =2 витка
Lпр.расч=2.02 мкГн
Длина линии lл =(D-d+2h) ω (lл<0.02λ)
lл=6.2 см
Трансформатор Т3:
ТДЛ Т3 можно намотать на том же сердечнике, что и Т1. При этом необходимо использовать другой кабель.
Выбор кабеля
Волновое сопротивление
![]()
Rвх – сопротивление двухтактной схемы
W=25 Ом
Кабель КВФ‑25
a=2.49 мм; с=1 мм;
Амплитуда магнитной индукции при допустимых потерях была определена при расчете трансформатора T1.
Число витков определяется в соответствии с (2.37)
ω 3 =4 витка
Продольная индуктивность (2.38):
Lпр. расч=8.09 мкГн
Оценим величину магнитной индукции первого сердечника
(2.39)
ω – общее число витков трансформаторов Т1 и Т3
На частоте fн=8 МГц
B8раб=1.14·10-3 Тл
На частоте fв=30 МГц
B30раб=3·10-3 Тл
Удельные тепловые потери в феррите
(2.40)
На частоте fн=8 МГц
Р'ф 8=1.62·10-3 Вт /см3
На частоте fв=30 МГц
Р'ф30=4.3·10-4 Вт/см3
Мощность потерь в сердечнике
Pф = Р'ф·V (2.41)
Pф=9.5·10-4 Вт
Трансформатор Т2:
Возьмем ферритовый сердечник с такими же параметрами, что и у трансформатора Т1.
В соответствии с (2.37) определим необходимое число витков (Lпр2=7.46 мкГн, Uпр=3Uк)
ω2=4 витка
Lпр. расч=8.09 мкГн
Длина линии lл=12.4 см
Оценим величину магнитной индукции второго сердечника
ω – число витков второго сердечника
На частоте fн=8 МГц
B8раб=5.98·10-3 Тл
На частоте fв=30 МГц
B30раб=1.59·10-3 Тл
Удельные тепловые потери в феррите
На частоте fн=8 МГц
Р'ф 8=45·10-3 Вт /см3
На частоте fв=30 МГц
Р'ф30=24·10-4 Вт/см3
Мощность потерь в сердечнике
Pф=26·10-3 Вт
2.7 Расчет катушек индуктивности и блокировочных элементовРасчет катушек индуктивности фильтра.
Определим диаметр провода по известному току I (в амперах), допустимому перегреву (40–60) ºС поверхности провода и частоте f (МГц).
(2.42)
d=0.67 мм
Выберем из стандартный диаметр провода d=0.69 мм
Индуктивность однослойной цилиндрической катушки со сплошной намоткой:
L= Lo n·D·10-3 (2.43)
Lo– параметр, зависящий от l/D
l/D=1.5
D=1 см
Для L =964 нГн в соответствии с (2.43) определим число витков
n=14 витков
Шаг намотки
τ=l/n
τ=1.07 мм
Для L =884.2 нГн в соответствии с (2.43) определим число витков
n=13 витков
Шаг намотки
τ=1.15 мм
Блокировочный дроссель L (L) выберем из стандартных на ток Iко=2.4А
ДМ – 2,4–20
Конденсаторы C выбираются из условия

С =159 нФ
Выберем из ряда конденсатор с емкостью С=0.15 мкФ
Конденсаторы С выбираются из условия

С =0.33мкФ
2.8 Вторичный источник питания
Блок питания должен обеспечивать постоянное напряжение Uист=26.45В
Ток Iист=15 А.
Схема вторичного источника должна содержать следующие элементы:
- понижающий трансформатор
- диодный мост с фильтром
- стабилизатор
К142ЕН‑9В с выходным напряжением 27В
Нестабильностью по напряжению 0.05%
- эмиттерный повторитель для усиления по току
Библиографический список
1. Методические указания к курсовому проектированию по дисциплине «Устройства формирования сигналов» / Л.И. Булатов, Б.В. Гусев. Екатеринбург: Изд-во УГТУ, 1998, 35 с.
2. Методические указания к курсовому проектированию по дисциплине «Устройства формирования радиосигналов» / Л.И. Булатов, Б.В. Гусев. Екатеринбург: Изд-во УГТУ, 1998, 30 с.
3. Радиопередающие устройства: Учебник вузов / В.В. Шахгильдян, В.Б. Козырев, А.А. Луховкин и др.; Под ред. В.В. Шахгильдяна. М: Радио и связь, 1990. – 432 с.
4. Проектирования радиопередающих устройств: Учеб. Пособие для вузов / В.В. Шахгильдян, В.А. Власов, А.А. Козырев и др.; Под ред. В.В. Шахгильдяна. М: Радио и связь, 1993, 512 с.
5. Шумилин М.С., Власов В.А., Козырев А.А. Проектирование транзисторных каскадов передатчиков. М: Радио и связь, 1987, 320 с.
6. Ханзел Г.Е. Справочник по расчёту фильтров. США, 1969: Пер. с англ. под ред. Знаменского М.: Сов. Радио, 1974.