Приготовление сорбентов и колонок для высокоэффективной жидкостной хроматографии
Реферат на тему:
Приготовление сорбентов и колонок для высокоэффективной жидкостной хроматографии
1. СОРБЕНТЫ ДЛЯ ВЭЖХ
Сорбенты для ВЭЖХ представляют собой, как правило, очень узко фракционированные силикагели разного типа с химически привитыми фазами. Хотя исходный кусковой силикагель или размолотый и грубо сепарированный для ТСХ стоят недорого, цены на сорбенты для ВЭЖХ довольно высоки. Это связано с высокой стоимостью и малой производительностью установок для получения узких фракций силикагеля, с высокими ценами на реактивы для получения привитых фаз и сложностью прививки. Следует также отметить, что технология прививки конкретной фазы к определенному виду силикагеля может сильно различаться и давать при тех же исходных компонентах совершенно разный конечный сорбент. Поэтому технология получения сорбентов каждого вида составляет «ноу-хау» фирм-производителей и держится в строгом секрете. Не следует поэтому, не имея сорбента, использованного в методике, которую вы намерены воспроизвести, удивляться и огорчаться тем, что методику не удается воспроизвести. Понятие «силикагель с привитым октадецилсиланом» является столь же общим и неопределенным, как в обиходной речи, например, понятие «прибор».
Даже тот же сорбент, полученный от одного производителя, как и всякий сложный химический продукт, может в определенных пределах варьироваться по своим свойствам и хроматографическим качествам в зависимости от партии, времени выпуска и т.д. Часто фирмы, выпускающие сорбенты и заполненные ими колонки, используют для заполнения колонок сорбент улучшенного фракционного состава или просто более мелкий с целью убедить хроматографистов в невозможности полудня «самодельных» колонок со столь же высокими параметрами эффективности, симметрии пиков, проницаемости и т.д.
Следует принять за правило, что наилучшим путем для получения воспроизводимых результатов анализа является использование для заполнения колонок одного и того же сорбента, желательно одной партии. Технология упаковки колонок этим сорбентом также не должна изменяться. Если есть возможность получать готовые заполненные колонки, это существенно упрощает работу и позволяет сосредоточиться на самой хроматографии. То же относится и к использованию готовых сорбентов для ВЭЖХ.
К сожалению, даже хорошо оснащенные лаборатории редко имеют широкий выбор сорбентов и колонок для ВЭЖХ ввиду их высокой стоимости и очень широкого ассортимента. Кроме того, часто в научной практике возникает необходимость иметь, например, силикагель с определенным размером и объемом пор и силикагель со специфическими привитыми фазами, которые могут обеспечить требуемое разделение. В этом случае наиболее быстрым и рациональным является получение сорбента и упаковка колонок своими силами, что требует, конечно, определенной квалификации.
1.1 ПОЛУЧЕНИЕ УЗКИХ ФРАКЦИЙ ДЛЯ ВЭЖХ ИЗ СИЛИКАГЕЛЯ ДЛЯ ТСХ И ПРОМЫШЛЕННОГО СИЛИКАГЕЛЯ КСК-2
Оборудование, необходимое для получения узких фракций силикагеля в количествах, достаточных для ВЭЖХ, может быть очень несложным: несколько одинаковых термостойких химических стаканов, стеклянные палочки с резиновыми наконечниками, секундомер или часы, сушильный шкаф, дистиллятор для получения воды в достаточных для работы количествах. Желательно, но не обязательно иметь систему для ультразвуковой обработки суспензий. Если исходный силикагель кусковой, нужно иметь для помола мельницу достаточной производительности, не загрязняющую размалываемый силикагель (например, даровую фарфоровую).
Если исходный силикагель берут в готовом виде, например, силикагель для ТСХ марки Л 5/40 производства ЧССР (он должен быть без связующего гипса и без УФ-индикатора), то процесс его размола отпадает. Перед тем, как начинать седиментацию этого или другого молотого силикагеля, желательно рассмотреть под микроскопом каплю его суспензии при увеличении в 100—500 раз с мерной шкалой с целью установить, присутствуют ли в достаточном количестве частицы размером от 3 до 2 мкм. Если они практически отсутствуют, значит, необходим дополнительный размол.
Сорбент получают следующим образом. В стакан вместимостью около 1 л засыпают исходный силикагель слоем около 3 см, заливают его водой, тщательно перемешивают и доводят высоту слоя суспензии точно до 12 см. Тщательно перемешав суспензию, оставляют ее стоять 15 мин, выпавший осадок отбрасывают, а суспензию переливают в другой стакан. Добавив воду снова до высоты слоя суспензии 12 см, оставляют ее стоять 1 ч. Выпавший осадок оставляют в стакане, суспензию переливают в другой стакан, добавляют воду до высоты слоя 12 см. Тщательно перемешав, оставляют суспензию стоять еще 2 ч. Выпавший осадок оставляют в стакане, суспензию переливают в новый стакан и добавляют воду до высоты слоя суспензии 12 см. Перемешивают, оставляют на 4 ч, выпавший осадок оставляют в стакане, а суспензию выливают. В результате проделанных операций получают одно-, двух- и четырехчасовые осадки.
Одночасовой осадок суспендируют, осторожно перемешивая стеклянной палочкой с резиновым наконечником в воде, доливают воду до высоты слоя 12 см и оставляют на 20 мин. Осадок отбрасывают, суспензию переливают в другой стакан, доливают воду до 12 см, перемешивают и оставляют на 1 ч. Выпавший одночасовой (второй) осадок оставляют в стакане, суспензию переливают в другой стакан, доливают воду до высоты слоя 12 см, перемешивают и оставляют на 2 ч. Выпавший осадок оставляют, а суспензию выливают. Выпавшие за 20 мин и за 2 ч осадки, которые уже имеют заметно суженный фракционный состав, собирают отдельно и в дальнейшем, по мере их накопления, сужают дальше или же используют для высокоэффективной ТСХ или препаративной ЖХ.
Второй одночасовой осадок обрабатывают как первый одночасовой, получая конечный сорбент — третий одночасовой осадок, который имеет средний размер частиц около 14 мкм и узкий фракционный состав, что хорошо видно при рассмотрении под микроскопом капли его суспензии при увеличении в 100—200 раз.
Аналогичная обработка двухчасового осадка (интервалы времени соответственно меняются на 40 мин, 2 и 4 ч) позволяет получить конечный сорбент — третий двухчасовой осадок, который имеет средний размер частиц около 9 мкм и узкий фракционный состав. При такой же обработке четырехчасового осадка (интервалы времени 80 мин, 4 и 8 ч) получают третий четырехчасовой осадок, представляющий собой узко фракционированный конечный сорбент с частицами размером около 5 мкм.
Полученные сорбенты сушат в стаканах при температуре около 150 °С в сушильном шкафу 6 ч до постоянной массы, после чего охлаждают в эксикаторе и аккуратно пересыпают в широкогорлые склянки, плотно закрывающиеся пробкой. Пересыпать сорбенты следует под вытяжкой, так как они пылят, а пыль вредна для органов дыхания.
Из 1 кг исходного силикагеля для ТСХ получается по 20—40г. каждого из сорбентов, т.е. около 70—80 г. При дальнейшем сужении промежуточных фракций тем же способом выход их еще несколько повышается. Промежуточные фракции можно использовать и для других видов хроматографии (ТСХ) или других вариантов ЖХ (полупрепаративные или препаративные разделения, очистка образцов и т. п.).
Описание получения сорбентов для ВЭЖХ, представленное выше, показывает, что процесс несложен и достаточно производителен. Полученные сорбенты по качеству не уступают имеющимся в продаже, а иногда превосходят их.
Однако при получении сорбентов этим способом следует тщательно соблюдать ряд условий. Прежде всего, все операции необходимо проводить с одной партией исходного силикагеля. Нужно строго соблюдать постоянство высоты слоя суспензии в стаканах и интервалы времени. В случае ошибки всегда лучше снова взмутить суспензию и повторить седиментацию правильно. Не следует применять больших усилий при взмучивании осадка, так как это может привести к раздавливанию большого количества частиц и ухудшению фракционного состава осадка. Наконец, при возможности нужно проводить ультралевую обработку каждой суспензии, так как это способствует разрушению слипшихся частиц (комочков) и отделению от частиц прилипших к ним субмикронных пылевидных частиц наличие которых ухудшает проницаемость и эффективность колонок с таким сорбентом.
Из силикагеля марки КСК-2 узкие фракции сорбентов для ВЭЖХ получают аналогичным способом, добавляя стадию размола исходного кускового силикагеля. Выбирая мельницу для размола, всегда обращайте внимание не только на ее производительность и степень измельчения, но и на материал ее конструкции. Продукты износа корпуса и мелющих тел мельницы должны присутствовать в размолотом силикагеле в минимальном количестве. Требования к материалам мельницы несколько менее жестки, если предполагается в дальнейшем химическое облагораживание полученных сорбентов кипячением с хлороводородной, азотной кислотами или их смесью. При этом удаляются соединения металлов переменной валентности, присутствовавшие в исходном
силикагеле (в первую очередь железа, окрашивающего КСК-2 в цвета от светло-желтого до коричневого), и внесенные в процессе размола. Такую деминерализацию силикагеля часто проводят фирмы, производящие сорбенты: при этом цвет сорбента становится белым, его каталитическая активность сводится к минимуму и одновременно гидроксилируется поверхность, что необходимо для дальнейшей полной химической прививки.
Любой ли силикагель можно использовать для получения сорбентов для ВЭЖХ таким образом? Нет, не любой. Следует учитывать не только физико-химические характеристики, приведенные в паспорте и важные для использования силикагеля в качестве осушителя, носителя катализаторов или сорбентов для ГХ. Очень важной характеристикой является его стабильность в водных суспензиях и механическая прочность, так как, если силикагель непрочен в силу технологии его получения или теряет прочность в процессе размола и приготовления суспензии, он непригоден для ВЭЖХ. Прежде всего это относится к силикагелям, нашедшим широкое применение в ГХ в качестве адсорбентов, получаемым из частиц аэросила и имеющим марки силохром С-80, С-120 и др. Приступающим к работе с новым видом силикагеля следует обратить особое внимание на размер пор, объем пор и технологию получения силикагеля данного вида. Чем больше объем пор и их размер, тем, как правило, менее прочен силикагель, но и тем больший интерес он представляет для такого применения, как получение сорбентов для эксклюзионной хроматографии, для анализа больших молекул в ионообменном и обращенно-фазном вариантах ВЭЖХ (белки, полипептиды и др.). Иногда сорбенты с одинаковыми или близкими характеристиками по размеру и объему пор, но полученные по разной технологии (или при нарушениях технологии), могут различаться по прочности в 2—10 раз. Особенно это относится к сорбентам, получаемым из тетраэтоисисилана формованием микросфер с последующим отверждением (сорбенты типа лихросфер фирмы «Мерк»).
Поэтому можно принять за правило, начиная работу по получению сорбентов для ВЭЖХ из силикагеля новых видов или партий, не делать сразу большую порцию, а получить 4—6 г сорбента и испытать его, заполнив несколько колонок при разных давлениях и испытав их характеристики. Если, например, уже при давлении набивки около 20 МПа колонка имеет резко увеличенное (по сравнению с другим сорбентом из механически прочного силикагеля той же фракции) сопротивление потоку растворителя, то трудно рассчитывать на то, что удастся получить высокоэффективные колонки, заполненные сорбентом этого вида с частицами размером около 5 мкм. Если же колонки, заполненные при 20, 40 и 60 МПа, имеют близкую проницаемость, можно делать большую партию сорбента и быть уверенным в ее качестве.
1.2 СУСПЕНЗИОННЫЕ МЕТОДЫ ПРИГОТОВЛЕНИЯ КОЛОНОК ДЛЯ ВЭЖХ
Приготовление колонок для ВЭЖХ из частиц сорбента размером от 3 до 12 мкм долго было для специалистов по ВЭЖХ труднопреодолимой проблемой. Так как при измельчении любых твердых тел их поверхность контакта резко возрастает, мелкие частицы приобретают способность заряжаться, слипаться в трудно разрушаемые комочки либо отталкиваться друг от друга с образованием неравномерно распределенных пустот.

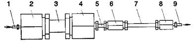
Рис .5.1. Схема устройства для суспензионного заполнения колонок:
1—капилляр для подачи растворителя от насоса; 2—верхний фитинг резервуара; 3—резервуар для суспензии; 4—нижний фитинг резервуара; 5—предколонка; 6—рассверленный под наружные диаметры колонки и предколонки фитинг; 7—колонка; 8—фитинг колонки; 9—слив растворителя в мерный цилиндр
Сорбент в заполненной традиционным методом «насыпай и уплотняй постукиванием» колонке для КХ после того, как в нее подавали растворитель, уплотнялся с образованием пустот в начале колонки, при этом форма пиков получалась неправильной, а эффективность колонки — низкой.
Разработка суспензионных методов приготовления колонок позволила резко поднять эффективность и использовать сорбенты размером 10 мкм и меньше. Однако суспензионный метод еще недостаточно отработан, и существует множество его вариантов, каждый из которых имеет свои особенности. Часто тот вариант, который описан в литературе, не дает в других руках хороших результатов, так как невозможно описать и воспроизвести все детали процесса суспензионной упаковки.
Вкратце процесс суспензионной упаковки выглядит следующим образом. Взвешивают требуемое для колонки данного размера количество сорбента, заливают его растворителем и приготавливают суспензию, тщательно перемешивая смесь, нередKO с использованием ультразвука. После этого суспензию помещают в резервуар, соединенный с колонкой, на конце которой установлен фитинг с фильтром (рис. 5.1), и под давлением 20—60 МПа продавливают суспензию через колонку, подавая резервуар насосом растворитель. Суспензия фильтруется на фильтре колонки, формируя упорядоченный слой сорбента, обеспечивающий эффективное разделение при ВЭЖХ. Останавливают поток растворителя, дают давлению упасть до нуля и снимают колонку. Аккуратно удаляют избыток сорбента с конца колонки, присоединявшегося к резервуару, и присоединяют второй фитинг с фильтром. Полученную таким образом колонку устанавливают на хроматограф, прокачивают через нее до установления равновесия рабочий растворитель, после чего она готова к работе.
При всей кажущейся несложности процесса суспензионной упаковки колонок для ВЭЖХ у начинающего хроматографиста, так же как и у имеющего опыт, но начинающего работать с новым сорбентом, возникает ряд вопросов. Какой растворитель взять для приготовления суспензии? Какую концентрацию суспензии использовать? Как лучше диспергировать сорбент? Какой формы и объема применить резервуар для суспензии? Какой насос лучше для подачи растворителя? Какое направление потока растворителя выбрать и какой взять растворитель? Какое давление использовать и сколько растворителя подавать? Сколько времени снижать давление? Как выравнивать слой сорбента и устанавливать фитинг и фильтр? На каждый вопрос существует ряд ответов, а выбор удачной комбинации вариантов всегда обусловлен не только собственным опытом, но и какими-либо общими представлениями, литературными данными и, наконец, имеющимся в наличии оборудованием.
Начать целесообразно с сорбента, который упаковывают в колонку. Прежде всего желательно под микроскопом при увеличении в 200—600 раз рассмотреть каплю суспензии сорбента в подходящем растворителе. Этот простейший тест покажет, есть ли в сорбенте пыль (она может быть из-за недостаточно узкого сепарирования на фирме-производителе или вследствие измельчения сорбента в процессе транспортировки или прививки фазы), узко ли сорбент сепарирован, какова форма частиц. Если много пылевидных или крупных частиц, целесообразно провести седиментацию сорбента с целью сужения фракционного состава.
Растворитель для приготовления суспензии часто является определяющим фактором для качества упаковки. Так как суспензия должна сохранять стабильность, начиная от переноса ее в резервуар в течение всей упаковки, необходимо замедлить седиментацию или исключить ее. Для этого существует ряд способов. Один, называемый «методом сбалансированной плотности» и широко используемый, заключается в выборе растворителя с той же плотностью, что имеет силикагель. Этот растворитель состоит из смеси полигалогензамещенных углеводородов (обычно смесь тетрабромэтана и тетрахлорида углерода); так как плотность его равна плотности силикагеля, седиментации не происходит сколь угодно долго. Недостатком этого способа является высокая токсичность, дороговизна и трудность удаления из колонки полигалогенированных растворителей. Другой способ, называемый «методом высокой вязкости», состоит в выборе растворителя с высокой вязкостью, в котором седиментация сорбента происходит достаточно долго. Обычно это растворители, содержащие глицерин, этиленгликоль или циклогексанол. Недостатком этого способа является длительность упаковки, доходящая до нескольких часов. Третий способ, называемый «динамическим», состоит в использовании растворителей малой вязкости, упаковка при этом протекает быстро; для улучшения стабильности и уменьшения седиментации иногда используют перемешивание суспензии магнитной мешалкой в процессе всей упаковки.
Существует множество комбинированных методов, в которых используют элементы трех указанных способов в разном сочетании и с добавлением ПАВ, кислых и щелочных агентов, солей и др. При выборе растворителя следует иметь в виду, что он может давать с разными сорбентами истинные суспензии, осаждающиеся в соответствии с законом Стокса (в них частицы распределены в виде индивидуальных частиц), и «склеенные» суспензии, осаждающиеся много быстрее и содержащие комочки из нескольких частиц сорбента.
Истинные суспензии осаждаются в виде плотного, трудно диспергируемого осадка. «Склеенные» суспензии осаждаются в виде рыхлого и легко диспергируемого осадка. Предпочтение следует отдавать растворителям, дающим с данным сорбентом истинную суспензию. Растворитель не должен химически взаимодействовать с привитой фазой и менять ее природу. Так, привитая аминопропильная фаза легко вступает в реакцию с альдегидными и кетонными группами, давая основания Шиффа. Применяя кислые или щелочные агенты, следует учитывать Ложность гидролиза привитой фазы, растворения силикагелевой матрицы. Полибром- и полихлорсодержащие соединения могут в присутствии влаги подвергаться разложению или гидролизу (особенно при воздействии света и тепла) с выделением токсичных и реакционноспособных веществ. Образующиеся при разложении полигалогенуглеводородов агрессивные химические вещества вызывают коррозию высококачественной нержавеющей стали и других коррозионно-стойких материалов. Особенно осторожно следует применять полигалогенпроизводные в комбинации со спиртами, кетонами и другими гигроскопичными полярными добавками. Химическое взаимодействие полигалогенуглеводородов с привитыми сильными анионообменниками разрушает их.
Выбирая растворитель для приготовления суспензии, необходимо учитывать условия работы колонки. Так, силикагель разует устойчивые суспензии в воде, особенно при добавлении к ней для стабилизации аммиака до 0,001 М раствора. Однако после упаковки силикагель будет полностью дезактивирован водой и для применения в качестве адсорбента потребуется его тельная активация с использованием больших объемов абсолютного метанола или других растворителей.
Мнения о концентрации суспензии, оптимальной для упаковки колонок расходятся: некоторые авторы получают наилучшие результаты с очень разбавленными суспензиями (1—5%), другие — с концентрированными (10—30%). Очевидно, для каждой системы растворитель—сорбент существует диапазон концентраций суспензии, дающий наилучшую упаковку слоя сорбента.
Для диспергирования сорбента в суспензии успешно применяют энергичное встряхивание или перемешивание, которое не должно приводить к измельчению сорбента. Для лучшего диспергирования применяют ультразвуковые ванны, при этом указывают как на преимущество на дегазацию суспензии. Однако длительное использование ультразвукового излучателя большой мощности, погруженного в суспензию для диспергирования, нежелательно ввиду возможного измельчения частиц сорбента при соударении и ухудшения при этом фракционного состава сорбента.
Резервуар, в который заливают суспензию для последующей подачи ее в колонку, прежде всего, должен быть прочным. Его рассчитывают и спрессовывают при давлении, не менее чем на 20 МПа превышающем давление при упаковке колонки. Его изготовляют обычно из трубки диаметром в 2-4 раза больше, чем у колонки, и стандартных фитингов-соединителей для трубок разного диаметра с применением обжимаемых конусов. Зная количество сорбента в колонке и концентрацию суспензии, рассчитывают требуемый объем резервуара и отрезают трубку нужной длины. Целесообразно иметь несколько резервуаров из трубок разной длины, но одного диаметра, к которым подходят два фитинга-соединителя. Переставляя фитинги, вы всегда будете иметь резервуар нужного для данной колонки объема.
Широко распространены резервуары для суспензии, выточенные из нержавеющей стали. Он представляет собой стакан с крышкой, к которой приварены или присоединены на конической резьбе фитинги для присоединения колонки и подвода растворителя. Крышка может соединяться с корпусом при помощи прокладок из инертных пластмасс или мягких металлов либо на конусах. Крышка соединяется с корпусом и герметизируется затяжкой болтов или же с помощью резьбы. Такие резервуары иногда устраивают по типу автоклавов с магнитными или механическими мешалками. Мешалку используют для приготовления суспензии в резервуаре и для поддержания ее в стабильном состоянии в процессе упаковки колонки. Это позволяет избежать седиментации сорбента из маловязких растворителей в процессе набивки, повышает однородность набивки и упрощает выбор растворителя.
Важно правильно выбрать насос для набивки колонки. Можно использовать для набивки насосы постоянного расхода или насосы постоянного давления. Однако как тот, так и другой тип насоса должен обеспечивать определенные минимальные данные по расходу и давлению растворителя.
Первый и наиболее распространенный вопрос, который приходится слышать от начинающего хроматографиста, — можно ли применять для упаковки колонок и предколонок тот насос, который уже есть в хроматографе. На современных хроматографах обычно устанавливают насос, способный подавать растворитель при давлении 30— 50 МПа и расходе 5—10 мл/мин. Безусловно, с помощью такого насоса можно упаковать современную высокоэффективную аналитическую колонку и предколонку. Однако учтите, что придется на время набивки отказаться от аналитической работы; насос при набивке будет работать на предельных режимах по давлению; полученные колонки будут стабильно работать при давлениях, примерно на 10—15 МПа ниже максимально возможных для вашего насоса. Поэтому решайте сами, приобретать ли отдельную систему, специально рассчитанную на работу в форсированном режиме для набивки колонок. Такая система включает насос постоянного расхода, рассчитанный на подачу растворителя с давлением 20—150 МПа и расходом 200—300 мл/мин. Такой насос работает по принципу пневмогидравлического усиления давления, в качестве источника энергии используется сжатый воздух под давлением 0,6— 1,2 МПа при коэффициенте усиления давления от 30 до 150. Он позволяет упаковывать колонки любого типа (аналитические, препаративные полупрепаративные и микроколонки).
Какое направление потока лучше при набивке колонок — снизу вверх или сверху вниз — оживленно обсуждается. Однако полученные результаты не позволяют предпочесть ни тот, ни другой вариант. Неизвестно, какой растворитель лучше для подачи суспензии в колонку — тот же, что использован для приготовления суспензии, или другой. Наилучшим следует признать такой растворитель, который дает упаковку хорошего
качества и позволяет быстро уравновесить колонку с рабочим растворителем. Однако когда стоит конкретный вопрос о выборе растворителя - только литературные данные или опыт могут дать ответ.
Выбрать давление при набивке колонки очень сложно. Есть авторы, заявляющие о превосходной упаковке при давлении 3 МПа, другие настаивают на необходимости работать при 100-200 МПа. Начинающий исследователь старается выбрать высокое давление, полагая, что упаковка при этом будет более плотной, а колонка - более эффективной. Исходить надо из следующих представлений. Конусные уплотнения на современных аналитических колонках достаточно надежно работают (при правильной затяжке) до давления 40-60 МПа. Некоторые силикагели, используемые в качестве матрицы, разрушаются при давлениях 20-30 МПа. Органические гели, как правило, могут работать при давлениях, не превышающих 5-10 МПа. Исходя из этого, следует принять для набивки колонок давление 20-60 МПа при использовании сорбента с силикагелевой матрицей.
При работе с новым видом сорбента или с новой партией следует упаковать сначала короткую колонку (10-12 см) при относительно невысоком давлении (20-25 МПа). При хорошем результате можно попытаться упаковать более длинную (200-250 мм) колонку при высоком давлении (40-60 МПа). Если эффективность увеличится примерно вдвое одновременно с увеличением сопротивления потоку в два раза, значит сорбент прочен, его можно использовать при таких параметрах набивки. Если сопротивление потоку возрастет в 2,5-6 раз, это значит, что сорбент непрочен и разрушается, образующаяся пыль резко увеличивает сопротивление колонки, нужно снижать давление при набивке. Особую осторожность следует проявлять при выборе давления для набивки силикагелей с широкими порами (более 10 нм) и с большим объемом пор, которые находят все более широкое применение в эксклюзионной хроматографии полимеров и в анализе биологических объектов - белков, полипептидов и др.
При упаковке колонки можно считать оптимальным объем поданного растворителя, в 4-6 раз превышающий объем резервуара для суспензии.
После того как нужный объем растворителя подан при упаковке колонки, следует перекрыть соответствующий кран. Поток растворителя останавливается тем медленнее, чем мельче зернение сорбента, длиннее колонка, более вязкий растворитель и больше объем резервуара для суспензии. До полной остановки потока из колонки, что отнимает обычно 1-6 мин, ни в коем случае не следует отсоединять колонку, так как слой сорбента в колонке может быть разрыхлен при резком снижении давления. После остановки потока растворителя следует отсоединить колонку от системы набивки, осторожно лезвием бритвы срезать выступающий слой сорбента заподлицо с концом колонки, снять излишки сорбента с трубки и конуса, положить фильтр на сорбент, аккуратно одеть фитинг, завернуть и затянуть гайку сначала от руки, а затем с помощью двух ключей. Затем устанавливают две заглушки, предотвращающие высыхание сорбента, после чего колонка считается готовой к хранению или тестированию.
При переходе к новой системе растворителей следует помнить, что она должна смешиваться с предыдущей системой, не вызывая при этом разделения на две несмешивающиеся фазы. Если это может произойти (например, при переходе от системы метанол - вода к системе гексан- изопропанол или от системы фосфатный буферный раствор к системе метанол - вода или ацетонитрил-вода), надо промыть колонку промежуточным растворителем, полностью смешивающимся с обеими системами растворителей. В противном случае выделившаяся гетерофаза (в приведенных примерах - это вода и соль) вызовет множество проблем: нестабильность характеристик удерживания; дрейф и нестабильность нулевой линии детектора; повышение давления на входе в колонку; искажение формы пиков; забивку капилляров и инжектора; «залипание» клапанов и т.д. Выбирая промежуточный растворитель, следует принимать во внимание его вязкость, поглощение в УФ-области и другие характеристики. Иногда приходится вести промывку даже двумя промежуточными растворителями, чтобы избежать разделения старой и новой систем растворителей на гетерогенные фазы.
Рассмотрим использование при набивке предколонки, которую устанавливают между резервуаром для суспензии и набиваемой колонкой. Некоторые исследователи считают, что такая предколонка играет важную роль в повышении качества получаемой колонки, так как она служит продолжением колонки и, имея тот же самый диаметр и соединение с колонкой «вплотную», позволяет избежать нарушения однородности слоя набивки в начале колонки, забирает излишек сорбента, предотвращает (частично) возможность выпадения сорбента из ковки обратно в резервуар и удерживает все примеси, попадающие из растворителя при его прокачке. Нам не удалось отметить заметной разницы в качестве колонок, заполненных с такой предколонкой и без нее; однако в некоторых случаях применение такой предколонки целесообразно. Ее можно использовать как предколонку, заполняемую одновременно с колонкой. Если при длительной работе такой системы верхний слой сорбента загрязняется или проседает, почти всегда можно отсоединить предколонку и, одев фитинг уже на колонку, восстановить ее работоспособность без замены сорбента.
Укажем три одинаково эффективных метода набивки колонок силикагелем.
I Набивку проводят при направлении потока «снизу вверх», используя маловязкие растворители.
1. Взвесить в конической колбе вместимостью 50 мл 2,6— 3,0 г (для колонки размером 4,6 мм Х25 см) силикагеля зернением 5, 7 или 10 мкм, добавить 20 мл метанола и закрыть крышкой.
2. Тщательно промыть и высушить колонку, резервуар для суспензии и все фитинги, пометить фитинги и концы колонки «к детектору» и «к инжектору».
3. Присоединить к колонке фитинг «к детектору», соединить его тефлоновым капилляром с мерным цилиндром вместимостъю 100 мл.
4. Собрать резервуар, присоединить его снизу к насосу капилляром и закрепить в тисках за верхний фитинг.
5. Тщательно перемешать силикагель и метанол, встряхивая И обрабатывая в ультразвуковой ванне колбу 3—4 мин.
6. Проверить, все ли ключи, колонка и воронка для заливания суспензии находятся в удобном положении и на месте.
7. Выключить ультразвуковую ванну, тщательно перемешать суспензию и через воронку залить ее в резервуар.
8. Немедленно присоединить колонку к верху резервуара, затянуть гайку ключом и подать метанол при давлении 20—50 МПа. Если течи нет, продолжать подачу растворителя до тех пор, пока в мерном цилиндре не соберется 80 мл метанола.
9. Выключить насос, подождать 1—4 мин до полной остановки потока, отсоединить верхний тефлоновый капилляр.
10.Отвернуть нижнюю гайку колонки, осторожно отсоединить колонку от резервуара, снять излишки силикагеля с торца колонки бритвой (если при разъеме образовался «кратер» на торце колонки—заполнить его шпателем из слоя уплотненного силикагеля с верха резервуара и срезать бритвой).
11.Установить фитинг «к инжектору».
12.Поставить заглушки на фитинги колонки, установить табличку с указанием направления потока сорбента, номера колонки, даты заполнения и т.п.
В таком виде колонку хранят до тестирования или работы с выбранным растворителем.
II Набивку проводят при направлении потока «сверху вниз», используя растворители повышенной вязкости.
1. Взвесить в конической колбе вместимостью 100 мл 4— 4,2 г силикагеля, добавить 50 мл 20%-ного раствора глицерина в метаноле.
2. К колонке присоединить фитинг «к детектору», установить заглушку, присоединить к резервуару колонку и предколонку и закрепить в тисках для подачи растворителя «сверху вниз».
3. Заполнить колонку раствором глицерина в метаноле.
4. Приготовить суспензию, тщательно перемешав силикагель и растворитель и поместив колбу на 5 мин в ультразвуковую ванну.
5. Залить суспензию в резервуар, долить до верха раствором глицерина в метаноле, чтобы не оставалось воздуха, завернуть фитинг резервуара и присоединить к нему капилляр от насоса.
6. Снять заглушку с колонки и сразу подать воду насосом под давлением 70 МПа.
7. Через 4—5 мин (для сорбента с частицами 10 мкм) вся суспензия будет продавлена через колонку. Подачу воды прекратить, дать давлению упасть до атмосферного и отсоединить колонку с предколонкой.
8. Отсоединить предколонку, выравнять сорбент на торце колонки шпателем и присоединить фитинг «к инжектору».
9. Пропустить через колонку 200 мл абсолютного метанола для удаления воды и глицерина.
10. Поставить заглушки на колонку и установить табличку с данными колонки. III Набивку проводят при направлении потока «сверху вниз», используя
растворитель сбалансированной плотности.
1. Взвесить в конической колбе вместимостью 100 мл 4— 4,2 г силикагеля, добавить 50 мл растворителя (60% масс. тетрабромэтана и 40% масс. тетрахлорэтилена).
2. К колонке присоединить фитинг «к детектору», установить заглушку, присоединить предколонку, заполнить колонку и предколонку тем же растворителем, присоединить к резервуару и закрепить в тисках для подачи растворителя «сверху вниз».
3. Приготовить суспензию, тщательно перемешав силикагель и растворитель и поместив колбу на 5 мин в ультразвуковую ванну.
4. Залить суспензию в резервуар, осторожно долить до верха гептаном, не оставляя воздуха.
5. Завернуть фитинг резервуара, присоединить капилляр от насоса, снять заглушку колонки и немедленно подать гептан насосом под давлением 50 МПа.
6. Прекратить подачу растворителя и дать давлению упасть до нуля как только вся суспензия будет продавлена через колонку и появится гептан.
7. Отсоединить колонку с предколонкой, отсоединить предколонку, выравнять слой силикагеля на торце колонки и присоединить фитинг «к инжектору».
8. Пропустить через колонку 200 мл абсолютного метанола.
9. Поставить на колонку заглушки и табличку с ее данными.
Все три метода дают возможность получить колонки с силикагелем, заполненные однородно и обеспечивающие высокую эффективность разделения. С сорбентом зернением 10 мкм удается получить колонки длиной 25 см, имеющие эффективность обычно от 4 до 8 тыс. т. т., имеющих приведенную высоту теоретической тарелки от 3 до 6. При использовании имеющихся в продаже не очень узко сепарированных сорбентов это является хорошим результатом. Если использовать очень узкие фракции силикагеля и хорошо их обеспылить седиментацией, удается получить колонки с эффективностью до 12 тыс. т. т., имеющих приведенную высоту теоретической тарелки, приближающуюся к 2.
Значительно сложнее набивка колонок сорбентами с химически привитыми фазами. Выбор методики заполнения колонок такими сорбентами основывают на использовании данных по набивке фирмы-производителя или применяют оригинальные методики, описанные в литературе.
Последние являются наиболее надежными, но зачастую не содержат подробностей, и поэтому дают неудовлетворительные результаты при попытке их воспроизвести. Так как химия поверхности сорбентов с привитыми фазами, особенно обращенно-фазных, сложна, можно обсуждать метод упаковки только конкретного сорбента. Попытка применить описанный в литературе или использовавшийся исследователем метод упаковки другого сорбента «с той же химически привитой фазой на той же матрице» (например, октадецилхлорсилан, привитый к силикагелю), как правило, приводит к неудаче и только как исключение — дает хороший результат.
Опыт автора подтверждает, что даже для новых партий одного сорбента той же фирмы может потребоваться серьезная корректировка методики заполнения колонок, так как химия их поверхности различается в деталях от партии к партии. Надо также учитывать тот факт, что фирмы, производящие и колонки, и сорбенты, не заинтересованы в разглашении секретов упаковки своих сорбентов. Следует с осторожностью относиться к «чудодейственным» жидкостям для приготовления суспензий обращенно-фазных и некоторых других сорбентов, составы которых не раскрываются фирмами-производителями. Утверждения об «универсальности» этих жидкостей для любого обращенно-фазного сорбента и о по