Конструктивные особенности и эксплуатация ЭЛТ мониторов
Начав со скромного отображения текста в монохромном режиме, мониторы усовершенствовались до такой степени, что стали обеспечивать вывод изображений с фотографическим качеством и цветностью.
Мониторы могут воспроизводить видеофильмы, графические изображения ошеломляющего качества, наполненные информацией рисунки, заменяющие интерфейс командной строки, бывший столь типичным всего несколько лет назад. В сущности, мониторы стали виртуальным окном в современный компьютер.
Поскольку сейчас эксплуатируются многие миллионы компьютеров, экономия на обслуживании и ремонте мониторов становится серьезной задачей как для специалистов, так и для любителей, увлекающихся компьютерами.
К счастью, основные принципы работы компьютерных мониторов за все это время практически не изменились.
1. ОПИСАНИЕ И ПАРАМЕТРЫ МОНИТОРОВ
Компьютеры описываются набором сравнительно хорошо известных характеристик, таких как объем оперативной памяти, емкость жестких дисков и тактовая частота.
А мониторы характеризуются целым набором физических параметров, не имеющих непосредственного отношения к компьютеру.
С учетом этих соображений наилучшим подходом к описанию способов разрешения затруднений, связанных с мониторами, будет предварительный рассказ о каждой из характеристик, влияющих на работу монитора.
1.1 Электронно-лучевая трубка
Электронно-лучевые трубки (ЭЛТ) — это, собственно, большие электронные лампы. Один конец ЭЛТ выполнен в виде длинной узкой горловины, а другой — в виде широкой практически плоской поверхности. Изнутри лицевая сторона ЭЛТ покрыта аккуратно уложенными крошечными кусочками (зернами) люминофора. Узкая часть ЭЛТ содержит элемент (называемый катодом), который раскален до высокой температуры (подобно нити обычных ламп накаливания).
При этом из катода вылетают электроны. Если к лицевой стороне ЭЛТ приложить высокое положительное напряжение, вылетевшие из катода электроны (частицы с отрицательным зарядом) будут с ускорением двигаться вперед.
Когда электроны ударяются о люминофор, они вызывают его свечение. Чтобы управлять движением электронов и формировать картинку, используются магнитные поля.
Конечно, для управления пучком электронов требуется множество разных элементов, но ядром монитора является именно ЭЛТ.
Размер лицевой части ЭЛТ {размер экрана) обычно измеряется по диагонали, то есть ЭЛТ с диагональю 43,2 см (17 дюймов) имеет расстояние между противоположными углами 43,2 см (17 дюймов).
ЭЛТ большего размера стоят дороже, но дают более крупное изображение, которое обычно вызывает меньшее напряжение глаз.
1.1.1 Точки и разрешение
Элемент изображения (точка) — это наименьшая светящаяся область, которую может сформировать ЭЛТ.
В монохромных дисплеях точка может быть только включена или выключена. В цветных мониторах точка может светиться одним из нескольких цветов. Точки расположены как в таблице — рядами и столбцами.
Количество точек в рядах и в столбцах определяет разрешение монитора. Например, монитор VGA имеет разрешение 640 точек по горизонтали и 480 точек по вертикали, то есть всего 307200 точек.
Типичное разрешение монитора SVGA составляет 800 точек по горизонтали и 600 точек по вертикали, то есть всего 480000 точек.
Современные мониторы легко обеспечивают разрешение 1280 точек по горизонтали и 1024 точки по вертикали (1310720 точек) и даже 1600 точек по горизонтали и 1200 точек по вертикали (1920000 точек).
Для компьютерных мониторов разрешение имеет большое значение, поскольку более высокое разрешение дает возможность получить более детальное изображение.
1.1.2 Триады и шаг точек
В то время как монохромные ЭЛТ имеют покрытие из однородного люминофора (как правило, дающего свечение белого, янтарного или зеленого цвета), в цветных мониторах используются зерна люминофоров трех цветов (красный, зеленый и синий), расположенные треугольником {триада).
На рис. 1.1. показан пример расположения люминофоров триадами.
В цветном мониторе каждая триада формирует одну точку изображения (хотя триада состоит из трех зерен люминофора).
Для возбуждения свечения каждой точки используется три электронных луча от трех электронных пушек — одна пушка для красного цвета, одна для зеленого и одна для синего, и таким образом может быть получен любой цвет. Три зерна люминофора, составляющие одну точку, должны быть расположены настолько близко друг к другу, чтобы невооруженный глаз воспринимал их как единое целое.
Качество цветного изображения напрямую связано с тем, насколько близко друг к другу находятся зерна люминофора трех цветов.
Чем они ближе, тем более чистым кажется изображение. Если зерна расположены относительно далеко друг от друга, то качество изображения ухудшается, поскольку глаз начинает воспринимать их как самостоятельные элементы изображения.

Рис.1.1. Расположение зерен люминофора вЭЛТ
Это приводит к тому, что линии в изображении перестают казать ся сплошными, а цвета перестают быть чистыми. Шаг точек — это расстояние между двумя зернами люминофора одного цвета.
Эта величина также равна расстоянию между отверстиями в теневой маске. Мониторы с шагом точек 0,28 мм или меньшим обеспечивают приемлемое качество изображения, хотя шаг точек 0,25 мм и менее является более предпочтительным.
1.1.3 Теневая и щелевая маски

Рис.1.2. Сведение в цветных мониторах (масштаб не соблюден)
Теневая маска — это тонкий перфорированный металлический лист, расположенный сразу за люминофорным покрытием.
Электронные лучи каждой из трех электронных пушек сформированы так, чтобы сойтись в отверстии маски, а не на слое люминофора (см. рис. 1.2.). Микроскопические отверстия обеспечивают попадание электронного луча только на зерна люминофора соответствующего цвета.
Электроны, отклонившиеся от своего пути, останавливаются маской, и это предотвращает ошибочную засветку не того люминофора, сохраняя чистоту цвета.
При разработке некоторых ЭЛТ теневая маска была заменена щелевой маской (называемой также апертурнойрешеткой), в которой, в отличие от теневой маски, проделаны не отверстия, а вертикально расположенные щели.
В ЭЛТ со щелевой маской шаг точки определяется как расстояние между щелями.
Обратите внимание, что монохромные ЭЛТ не нуждаются в теневой маске, поскольку слой люминофора однороден, и все его зерна дают свечение одного цвета.
1.2 Как работает электронно-лучевой монитор
Информация на мониторе может отображаться несколькими способами. Самый распространенный — отображение на экране электронно-лучевой трубки (ЭЛТ), такой же, как в телевизоре. ЭЛТ представляет собой электронный вакуумный прибор в стеклянной колбе, в горловине которого находится электронная пушка, а на дне — экран, покрытый люминофором.
Нагреваясь, электронная пушка испускает поток электронов, которые с большой скоростью движутся к экрану.
Поток электронов (электронный луч) проходит через фокусирующую и отклоняющую катушки, которые направляют его в определенную точку покрытого люминофором экрана.
Под воздействием ударов электронов люминофор излучает свет, который видит пользователь, сидящий перед экраном компьютера.
В электронно-лучевых мониторах используются три слоя люминофора: красный, зеленый и синий. Для выравнивания потоков электронов используется так называемая теневая маска — металлическая пластина, имеющая щели или отверстия, которые разделяют красный, зеленый и синий люминофоры на группы по три точки каждого цвета.
Качество изображения определяется типом используемой теневой маски; на резкость изображения влияет расстояние между группами люминофоров (шаг расположения точек).
На рис. 1.3. показан разрез типичного электронно-лучевого монитора.
Химическое вещество, используемое в качестве люминофора, характеризуется временем послесвечения, которое отображает длительность свечения люминофора после воздействия электронного пучка. Время послесвечения и частота обновления изображения должны соответствовать друг другу, чтобы не было заметно мерцание изображения (если время послесвечения очень мало) и отсутствовала размытость и удвоение контуров в результате наложения последовательных кадров (если время послесвечения слишком велико).
Электронный луч движется очень быстро, прочерчивая экран строками слева направо и сверху вниз по траектории, которая получила наименование растр. Период сканирования по горизонтали определяется скоростью перемещения луча поперек экрана.
В процессе развертки (перемещения по экрану) луч воздействует на те элементарные участки люминофорного покрытия экрана, в которых должно появиться изображение.

Рис. 1.3. Обычный электронно-лучевой монитор представляет собой большую вакуумную колбу, которая содержит три электронных пушки (красную, зеленую и синюю), проецирующих изображение на экран монитора. Высокое напряжение генерирует магнитное поле, управляющее электронным лучом, создающим изображение, которое отображается на экране монитора
Интенсивность луча постоянно меняется, в результате чего изменяется яркость свечения соответствующих участков экрана.
Поскольку свечение исчезает очень быстро, электронный луч должен вновь и вновь пробегать по экрану, возобновляя его. Этот процесс называется возобновлением (или регенерацией) изображения.
В большинстве мониторов частота регенерации, которую также называют частотой вертикальной развертки, во многих режимах приблизительно равна 85 Гц, т.е. изображение на экране обновляется 85 раз в секунду. Снижение частоты регенерации приводит к мерцанию изображения, которое очень утомляет глаза. Следовательно, чем выше частота регенерации, тем комфортнее себя чувствует пользователь.
Очень важно, чтобы частота регенерации, которую может обеспечить монитор, соответствовала частоте, на которую настроен видеоадаптер. Если такого соответствия нет, изображение на экране вообще не появится, а монитор может выйти из строя.
1.3 Многочастотные мониторы
В одних мониторах установлена фиксированная частота развертки.
В других поддерживаются разные частоты в некотором диапазоне (такие мониторы называются многочастотными — multiple-frequencymonitor). Большинство современных мониторов многочастотные, т.е. мoгут работать с разными стандартами видеосигнала, которые получили довольно широкое распространение.
Фирмы-производители для обозначения мониторов такого типа используют различные термины: синхронизируемые (multisync), многочастотные (multifrequency), многорежимные (multiscan), автосинхронизирующиеся (autosynchronous) и с автонастройкой (autotracking).
1.4. Тип экрана монитора
Экраны мониторов Moiyr быть двух типов: выпуклые и плоские.
Экран типичного дисплея выпуклый. Такая конструкция характерна для большинства ЭЛТ (в том числе и телевизионных кинескопов).
Обычно экран искривлен как по вертикали, так и по горизонтали.
В некоторых моделях (Sony FD Trinitron и Mitsubishi DiamondTron NF) используется конструкция Trinitron, в которой поверхность экрана имеет небольшую кривизну только в горизонтальном сечении. Кривизна вертикального сечения экрана равна нулю. На таком экране возникает гораздо меньше бликов и улучшается качество изображения. Недостаток этой конструкции — высокая себестоимость производства, а следовательно, и более высокая цена.
На рис. 1.4. показаны типичные электронно-лучевые мониторы выпуклого и плоского типов.
1.5 Цифровые сигналы для электронно-лучевых мониторов

Рис. 1.4. Выпуклый ЭЛТ-монитор (слева) и плоский монитор SonyTrinitronFD (справа)
Последнее слово в технологии электронно-лучевых мониторов — это использование цифрового входа в соответствии со стандартом DVI (Digital Video Interface), применяемым в плоскопанельных дисплеях.
Большинство производителей мониторов, например ViewSonic, NEC, ADC, Acer и Samsung, объявили о поддержке этого стандарта в своих электроннолучевых моделях мониторов. При использовании этого интерфейса пользователь получает следующие преимущества: более точная передача цветового спектра, общее улучшение качества изображения, точная автонастройка и др.
Поскольку большинство современных видеоадаптеров выпускаются с аналоговым разъемом VGA (DB-15), такие мониторы поддерживают оба интерфейса — аналоговый и 20-контактный DVI.
Скорее всего, в ближайшее время вся компьютерная индустрия перейдет на цифровую передачу данных между видеоадаптером и монитором.
2. ТИПЫ ВИДЕОАДАПТЕРОВ
Монитору необходим источник входных данных. Сигналы, подаваемые на монитор, поступают из видеоадаптера, встроенного в систему или подключаемого к компьютеру.
Существует три способа подключения компьютерных систем к электронно-лучевому или жидкокристаллическому монитору.
■ Отдельные видеоплаты. Этот метод, для реализации которого требуются разъемы расширения AGP или PCI, обеспечивает наиболее высокий уровень эффективности и максимальную эксплуатационную гибкость при выборе объема памяти и необходимых возможностей.
• Набор микросхем графического ядра, встроенный в системную плату. Эффективность этого метода ниже, чем при использовании отдельных видеоплат, а объем памяти изменить практически невозможно.
■ Набор микросхем системной платы с интегрированным видеоадаптером. Наиболее низкая стоимость любой графической конфигурации и довольно низкая эффективность, особенно для трехмерных игр или работы с графическими приложениями. Раз решающая способность и возможности цветопередачи ниже, чем при использовании отдельных видеоадаптеров.
Как правило, видеоадаптеры используются в большинстве систем, созданных на основе системных плат Baby-AT или АТХ, в то время как в системных платах LPX, NLX и Micro-АТХ обычно используются встраиваемые наборы микросхем графического ядра. Во многих современных недорогих компьютерах, созданных на базе системных плат формфактора Micro-ATX, Flex-ATX или NLX, используются наборы микросхем системной логики с интегрированной видеосистемой, как в серии Intel 810. Модернизация систем с интегрированным графическим ядром (содержащих набор микросхем видеосистемы или набор микросхем системной платы, включающий в себя графическое ядро) обычно осуществляется с помощью отдельной видеоплаты. Однако в системы такого типа разъем AGP, наиболее подходящий для современных быстродействующих видеосистем, обычно не включается.
Термин видеоадаптер (videoadapter) применим к интегрированной или отдельной видеосхеме.
2.1 Сведение лучей
В цветном мониторе используются три электронные пушки. Сами по себе электроны не имеют цвета, но каждая пушка возбуждает свечение люминофора определенного цвета. Все три электронных луча перемещаются по поверхности экрана вместе, и они сходятся в отверстиях теневой маски. Сведение лучей обеспечивает чистоту цветов на экране. В идеале каждый из лучей попадает только на зерна люминофора своего цвета, и результирующее свечение имеет в точности нужный цвет (например, чисто белый). Если один или несколько лучей сведены неточно, они будут засвечивать и зерна не «своего» люминофора, тогда цвет не будет передан правильно. В большинстве случаев плохое сведение приводит к образованию окрашенных теней. Например, рядом с белой линией может появиться красная, зеленая или синяя тень. Сильное нарушение сведения может привести к размытости или искажению изображения.
В документации к мониторам обычно упоминается допустимая величина нарушений сведения — расхождение лучей. Она обычно разная для центра экрана и его краев. Как правило, расхождение лучей в центре экрана не должно превышать 0,45 мм, а на краях — 0,65 мм. Чем больше расхождение лучей, тем хуже качество изображения. К счастью, сведение лучей можно регулировать; регуляторы, как правило, находятся внутри монитора.
2.2 Подушкообразные и бочкообразные искажения
Экран большинства ЭЛТ слегка выпуклый. А цифровое изображение абсолютно плоское (то есть двумерное). Когда плоское (двумерное) изображение проецируется на искривленную (трехмерную) поверхность, возникают искажения. В идеале отклоняющие устройства монитора полностью компенсируют эти искажения, так что при просмотре изображение кажется правильным. На практике, однако, это происходит редко. Границы изображения (верхняя, нижняя, левая и правая) могут быть вогнуты вовнутрь или выгнуты наружу. Эти искажения показаны на рис. 2.1 (в преувеличенном виде). Если границы вогнуты вовнутрь — это подушкообразные искажения. Искажения называются бочкообразными, если границы выгнуты наружу, и изображение напоминает пузатую бочку. В большинстве случаев эти искажения должны быть практически незаметны, не более двух-трех миллиметров. Некоторые специалисты называют бочкообразными все искажения такого типа, в том числе и подушкообразные, хотя это и неверно.
2.3 Развертка, растр, обратный ход луча
Чтобы понять, что такое развертка, вам следует сначала узнать, как формируется изображение на экране монитора. Изображение составляется из горизонтальных линий (строк), начиная с верхнего левого угла экрана (см. рис. 2.2.). Когда луч пробегает по строке, он вызывает свечение точек с яркостью, обусловленной содержимым соответствующего участка видеопамяти, находящейся на видеокарте. Когда строка заканчивается, луч выключается (гасится) и перемещается обратно (одновременно немного опускаясь вниз), к началу следующей строки. Затем рисуется следующая строка. Процесс продолжается, пока не будет нарисована последняя строка, и луч не окажется в правом нижнем углу экрана. Когда картинка на экране будет сформирована, луч выключается и снова перемещается в верхний левый угол экрана, чтобы начать рисование заново.

Рис. 2.1.. Бочкообразные и подушкообразные искажения

Рис. 2.2.. Формирование изображения на экране ЭЛТ
Частота, с которой рисуются горизонтальные линии (строки), называется частотой строчной развертки.
Частота, с которой формируется весь набор горизонтальных линий (кадр), называется частотой кадровой развертки.
Время, за которое луч (погашенный) возвращается в начало строки (или начало кадра) называется длительностью обратного ходалуча. Типичное время обратного хода луча по горизонтали составляет 5 мкс, по вертикали — 700 мкс.
Этот непрерывно формируемый набор горизонтальных линий обычно называется растром.
Приведем некоторые числа, чтобы пояснить соотношения между ними. Типичный монитор VGA с разрешением 640x480 точек работает с частотой строчной развертки 31,5 кГц.
Это означает, что каждую секунду рисуются 31500 строк, а одна строка, состоящая из 640 точек, рисуется за 31,7 мкс. Поскольку кадр состоит из 480 строк, он может быть нарисован за 15,2 мс (480x31,7 мкс). Если кадр рисуется за 15,2 мс, экран может обновляться с частотой 65,7 Гц. Это, грубо говоря, та частота кадровой развертки, которая может быть установлена для монитора VGA с разрешением 640x480 точек. На самом деле частота кадровой развертки принимается круглым числом, таким как 60 Гц, что дает достаточно времени на гашение луча для обратного хода и его синхронизацию. Еще раньше, при разработке телевизоров, было обнаружено, что выбор частоты кадров менее 60 Гц приводит к мерцанию изображения. Мерцание же вызывает напряжение глаз и быстро утомляет зрение. Вы можете сами наблюдать это, если неправильно установите частоту развертки. Следует выбирать такую частоту строчной развертки, которая обеспечивает обновление изображения на экране не менее 60 раз в секунду или даже более во избежание мерцания. В табл. 3.1 перечислены используемые разрешения и типичные для них частоты развертки.
Таблица 3.1. Разрешения и типичные частоты развертки
Разрешение | Частота строчной развертки, кГц | Частота кадровой развертки, Гц | Тип монитора | ||
| 720x348 | 18,43 | 50 | MDA | ||
| 320x200 | 15,85 | 60,5 | CGA | ||
| 640x350 | 21,8 | 60 | EGA | ||
| 640x350 | 31,5 | 70 | MCGA | ||
| 640x480 | 31,5 | 60 | VGA графический режим | ||
| 640x480 | 37,5 | 75 | EVGA | ||
| 640x480 | 43,3 | 85 | VESA | ||
| 720x400 | 31,5 | 70 | VGA текстовый режим | ||
| 720x400 | 37,9 | 85 | VESA | ||
| 800x600 | 37,9 | 60 | SVGA | ||
| 800x600 | 46,9 | 75 | ESVGA | ||
| 800x600 | 53,7 | 85 | VESA | ||
| 832x624 | 49,7 | 75 | «Макинтош» 41 см цветной | ||
| 1024x768 | 48,4 | 60 | VESA | ||
| 1024x768 | 56,5 | 70 | VESA | ||
| 1024x768 | 60,0 | 75 | EUVGA | ||
| 1024x768 | 60,2 | 75 | «Макинтош» 48 см цветной | ||
| 1024x768 | 68,7 | 85 | VESA | ||
| 1152x864 | 67,5 | 75 | VESA | ||
| 1152x870 | 68,7 | 75 | «Макинтош» 54 см цветной | ||
| 1280x960 | 60,0 | 60 | VESA | ||
| 1280x960 | 85,9 | 85 | VESA | ||
| 1280x1024 | 64,0 | 60 | VESA | ||
| 1280x1024 | 80,0 | 75 | VESA | ||
| 1280x1024 | 91,1 | 85 | VESA | ||
| 1600x1200 | 75,0 | 60 | VESA | ||
| 1600x1200 | 81,3 | 65 | VESA | ||
| 1600x1200 | 87,5 | 70 | VESA | ||
| 1600x1200 | 93,8 | 75 | VESA | ||
2.4 Прогрессивная и чересстрочная развертка
Изображения формируются на мониторе из горизонтальных строк, но последовательность, в которой это делается, может быть различной. Как показано на рис. 2.3. при прогрессивной развертке монитор рисует все строки одну задругой, и изображение полностью формируется за один проход луча.

Рис. 2.3.. Прогрессивная и чересстрочная развертка
Такое изображение меньше утомляет глаза, поскольку оно целиком обновляется с частотой кадровой развертки. То есть при частоте кадровой развертки 60 Гц изображение будет обновляться 60 раз в секунду. При чересстрочной развертке изображение рисуется в два прохода луча — при первом проходе рисуются нечетные строки, при втором — четные. В результате изображение полностью обновляется с частотой, вдвое меньшей кадровой частоты. Для мониторов SVGA, работающих с разрешением 1024x768 точек, типичной была частота кадровой развертки 87 Гц, но поскольку развертка при этом была чересстрочной, изображение обновлялось с частотой 43,5 Гц, и мерцание было гораздо более заметным.
2.5 Полоса пропускания
Говоря простым языком, полоса пропускания монитора — это максимальная скорость, с которой точки могут посылаться на монитор. Типичные мониторы VGA имеют полосу пропускания 30 МГц. Это означает, что монитор за секунду может отобразить на экране до 30 миллионов точек. Примем во внимание, что каждая строка состоит из 640 точек, а частота строчной развертки — 31,45 кГц, то есть ежесекундно рисуются 31450 строк. При этом монитор обрабатывает 20128000 точек в секунду. Новейшие цветные мониторы имеют полосу пропускания в 135 МГц. Такие мониторы, имеющие разрешение 1280x1024 точки и частоту строчной развертки 79 кГц должны обрабатывать ежесекундно 101120000 точек в секунду (1280 точек в строке, умноженные на 79000 строк в секунду), поэтому расширение полосы пропускания действительно необходимо для получения высоких разрешений.
2.6 Плавание, дрожание и дрейф
Электронный луч (лучи), формирующий изображение, направляется в нужный участок экрана с помощью магнитных полей. Эти поля создаются отклоняющими катушками, находящимися на горловине ЭЛТ. Аналоговый сигнал, подаваемый на отклоняющие катушки, формируется электрическими цепями отклонения (вертикального и горизонтального). В идеале цепи отклонения должны каждый раз направлять электронный луч в точности по одному и тому же маршруту. При этом изображение на экране будет устойчивым. В реальности изображение может смещаться в ту или иную сторону. Дрожанием называются такие отклонения, произошедшие за 15-секундный период. Плавание изображения — это отклонения, произошедшие за 30-секундный период. Дрейф — это отклонения, произошедшие за период в одну минуту. Обратите внимание, что эти три термина описывают, в общем-то, одно и то же явление, но за разный период времени. Степень этих искажений может быть выражена либо в точках, на которые происходит сдвиг, либо в миллиметрах.
3. ВИДЕОСИГНАЛ
Параметры видеосигнала включают в себя уровень сигнала и характеристики аналогового видеовхода.
В большинстве случаев используется видеосигнал с амплитудой 0,7 В.
Для электрических цепей, управляющих монитором, это сравнительно небольшая величина.
Видеовход характеризуется входным сопротивлением, которое обычно равно 75 Ом. Старые мониторы использовали цифровой дискретный сигнал с амплитудой до 1,5 В.
3.1 Синхронизация и полярность синхросигнала
После того, как строка изображения нарисована на экране, электронный луч выключается (гасится) и переводится к началу следующей строки.
Во время обратного хода никакая информация не отображается.
Чтобы начало движения луча по строке совпало с началом передачи данных этой строки, видеоадаптер посылает на монитор синхронизирующий импульс.
Вертикальная и горизонтальная синхронизация обеспечивается разными импульсами.
В подавляющем большинстве современных мониторов синхросигналы передаются с уровнями, принятыми для микросхем ТТЛ.
Полярность определяет, по какому фронту импульса — переднему (по нарастанию сигнала) или по заднему (по спаду) — синхронизируется развертка.
Знак «плюс» означает срабатывание по фронту, а знак «минус» — по спаду.
3.2 Цепи цветности

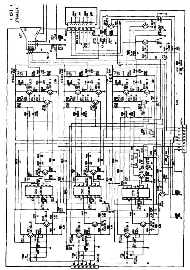
Рис.3.1.. Блок-схема цветного монитора (VGA) BENQ795FT
Если вы хотите разобраться в работе цветного монитора, лучше начать с блок-схемы. Блок-схема монитора VGA показана на рис. 3.1.
Необходимы три самостоятельных усилителя видеосигнала (для каждого цвета — красного, зеленого и синего).
В то время как ранние модели цветных мониторов для передачи видеосигнала использовали цифровые схемы, современные мониторы используют для этого аналоговый сигнал, который дает возможность изменять интенсивность каждого цвета.
Цветная ЭЛТ сконструирована так, чтобы формировать сразу три электронных пучка, каждый из которых вызывает свечение люминофора соответствующего цвета.
Изменением плотности этих электронных пучков можно получить любой цвет точки экрана. Для практической цели изучения цветного монитора можно поделить его на три блока: блок видеосигнала, блок строчной развертки и блок кадровой развертки.
3.3 Блок видеосигнала
Типичная схема блока видеосигнала показана на рис 3.2.
Это часть схемы цветного монитора LGFlatron 795FT.
На ней видны три одинаковые схемы видеоусилителей цветных сигналов. Элементы схем с номерами 5хх (например, IC501) составляют усилитель красного видеосигнала.
Номера бхх свидетельствуют о принадлежности детали к усилителю зеленого видеосигнала, 7хх — синего. Через детали с номерами 8хх подается сигнал на управляющую сетку ЭЛТ. Рассмотрим работу одного из видеоусилителей.
Аналоговый сигнал красного цвета проходит через фильтр F501. Ферритовые шайбы на входе и выходе фильтра и конденсатор небольшой емкости служат для уменьшения шумов.
Видеосигнал усиливается транзистором Q501. Переменный резистор VR501 служит для подстройки коэффициента усиления (степени, в которой усиливается сигнал). Затем сигнал поступает на дифференциальный усилитель, собранный на микросхеме IC501.
С него сигнал подается на транзисторы Q503 и Q504, а с них — на двухтактный усилитель на транзисторах Q505 и Q506.
Переменный резистор VR502 устанавливает уровень постоянного напряжения, которое складывается с усиленным сигналом для получения выходного сигнала.
Выходной сигнал подается непосредственно на соответствующую управляющую сетку ЭЛТ. Два других видеоусилителя работают точно так же.
Неисправности, возникающие в усилителях видеосигнала цветных мониторов, редко приводят к полному исчезновению изображения.
Даже если один усилитель выйдет из строя, два других будут управлять работой своих электронных пушек.
Конечно, исчезновение одного из цветов приведет к искажению цвета изображения, но оно все равно будет отображаться на экране.
Выход из строя видеоусилителя может привести к заполнению экрана соответствующим цветом или к полному исчезновению этого цвета. Например, если выйдет из строя усилитель сигнала красного цвета, изображение на экране будет либо перенасыщено красным цветом, либо красный цветбудет полностью отсутствовать, а изображение будет сине-зеленым.
3.4 Блок кадровой развертки
Блок кадровой развертки управляет кадровыми отклоняющими катушками. Чтобы дать представление о работе этого блока и взаимодействии его с другими блоками монитора, на рис. 3.3 приведена схема блоков кадровой и строчной развертки, высоковольтного выпрямителя и блока питания монитора LGFlatron 795FT.
Элементы схем с номерами 4хх (например, IC401) являются частью блока кадровой развертки.
Кадровые синхроимпульсы поступают на монитор через разъем СН202 (контакт, помеченный буквой V).
Для согласования полярности синхроимпульсов и выбора видеорежима используется микросхема «исключающее ИЛИ» (IC201).
Так какдля разных видеорежимов полярность строчных и кадровых синхроимпульсов разная, микросхема IC201 в соответствии с текущим режимом подает требуемые сигналы на аналоговый ключ IC401.
Он управляет задающим генератором кадровой развертки (IC402) для получения одного из трех размеров изображения по вертикали.
Тем самым достигается автоподстройка размера растра в зависимости от режима работы.
Кадровые синхроимпульсы, подаваемые на вывод 2 микросхемы IC402, запускают задающий генератор кадровой развертки, формирующий пилообразное напряжение.
Частота кадровой развертки устанавливается равной 60 Гц, но может быть подстроена переменным резистором VR404. Настоятельно рекомендуется не пытаться регулировать частоту кадровой развертки, если нет возможности контролировать настройки с помощью осциллографа.
Линейность изображения по вертикали регулируется переменным резистором VR405, центрирование — переменным резистором VR406. Настраивать линейность и центрировать изображение следует только по специальной испытательной табли це.
Интересно отметить, что в данном случае в выходном каскаде кадровой развертки не используются дискретные элементы.
Отклоняющая катушка (V-DY) подключена непосредственно к выходу усилителя, встроенного в микросхему IC402.
Цепь коррекции подушкообразных искажений связывает через трансформатор Т304 кадровые и строчные отклоняющие катушки. Транзисторы Q401 и Q402 образуют компенсирующую цепь, которая слегка модулирует ток, протекающий через строчные отклоняющие катушки.
Это предотвращает появление искажений при проекции плоского двумерного изображения на искривленную поверхность экрана ЭЛТ. Переменный резистор VR407 регулирует степень компенсации подушкообразных искажений.
Так же как и регулировку сведения, регулировку компенсации подушкообразных искажений следует выполнять только по специальной испытательной таблице.
Неисправности, которые могут возникнуть в блоке кадровой развертки, обязательно сказываются на изображении.
Серьезные неисправности могут привести к исчезновению кадровой развертки и появлению на экране узкой горизонтальной линии.
Как правило, это будет связано с выходом из строя микросхемы IC402, содержащей и задающий генератор, и усилитель кадровой развертки.
Если пропадает только верхняя или нижняя половина изображения, то, возможно, вышла из строя только часть выходного каскада микросхемы IC402.

Рис. 3.2. Принципиальная схема видеусилителя монитора BENQ795FT

Рис. 3.3. Принципиальная схема цепей развертки монитора BENQ 795FT
Однако любая неисправность, оказывающая воздействие на работу задающего генератора кадровой развертки, приведет к полному исчезновению этой развертки. Если искажения не слишком существенны (вытянутое или, наоборот, сжатое изображение), это может быть вызвано частичным выходом из строя микросхемы IC402 или подключенных к ней других деталей. Чрезмерно вытянутое изображение, как правило, отображается с «загнутыми» краями. Заметьте, что неисправности кадровой развертки не влияют на цвет изображения.
3.5 Блок строчной развертки
Блок строчной развертки управляет строчной отклоняющей катушкой. Именно этот узел обеспечивает перемещение луча по экрану слева направо и обратно. Чтобы понять, как он работает, снова изучите рис. 3.9. Все элементы схем с номерами Зхх (как IC301) относятся к блоку строчной развертки. Строчные синхроимпульсы поступают на монитор через разъем СН202 (контакт, помеченный буквой Н) и для согласования полярности поступают на микросхему «исключающее ИЛИ» (IC201). Преобразованные синхроимпульсы запускают генератор строчной развертки (IC301). Частота строчной развертки должна быть равна 31,5 кГц, для ее подстройки можно использовать переменный резистор VR3O2. Настоятельно не рекомендуется регулировать частоту строчной развертки, если нет возможности контролировать настройки с помощью осциллографа. Подстройка фазы строчной развертки выполняется резистором VR301. Настраивать частоту и фазу строчной развертки следует только по специальной испытательной таблице.
Микросхема IC301 разработана для формирования высокоточных прямоугольных импульсов, управляющих ключевыми транзисторами Q301 и Q302. С вывода 3 микросхемы 1С 301 управля