Исследование биполярного транзистора
ИССЛЕДОВАНИЕ БИПОЛЯРНОГО ТРАНЗИСТОРА (БТ)
Цель работы: исследование статических характеристик биполярного транзистора.
Краткие теоретические сведения
Транзистором называют электронный полупроводниковый прибор, предназначенный для усиления, генерирования и преобразования электрических колебаний. Обычно выделяют два класса транзисторов: биполярные транзисторы и полевые транзисторы.
В БТ ток через кристалл обусловлен движением носителей заряда обоих знаков (и электронов, и дырок).
В полевых транзисторах протекание тока через кристалл обусловлено движением носителей заряда одного знака (электронов или дырок).
БТ называют полупроводниковый прибор с двумя взаимодействующими p-n-переходами и тремя выводами. Он имеет структуру, состоящую из чередующихся областей с различными типами электропроводности: n-p-n или p-n-p (рис.2.1).
Принцип работы БТ обеих структур одинаков, они отличаются только полярностью подключения источников питания. Рассмотрим работу БТ на примере структуры n-p-n.
В пластину полупроводника p-типа с низкой концентрацией дырок наплавляются с двух сторон таблетки донорной примеси. Атомы донорной примеси проникают в кристалл, создавая n-области. Между n-областями и полупроводником p-типа образуются p-n-переходы. При этом в одной n-области создают большую концентрация примесей (на рис. – в левой n-области), чем в другой. Наименьшая концентрация примеси остается в средней области p-типа.
Наружная область с наибольшей концентрацией примеси называется эмиттером, вторая наружная область – коллектором, а внутренняя область – базой. Электронно-дырочный переход между эмиттером и базой называют эмиттерным переходом, а между коллектором и базой – коллекторным переходом. В соответствии с концентрацией основных носителей заряда база является высокоомной областью, коллектор – низкоомной, а эмиттер – самой низкоомной. Толщина базы очень мала и составляет единицы мкм; площадь коллекторного перехода в несколько раз превышает площадь эмиттерного перехода.

Рис. 2.1. Устройство и условные графические обозначения биполярных транзисторов: а – n-p-n-структуры; б – p-n-p-структуры (стрелка эмиттера направлена по направлению прямого тока в переходе база-эмиттер)
Применение БТ для усиления электрических колебаний основано на его принципе действия как управляемого электронного прибора. В схеме включения транзистора (рис.2.2) к эмиттерному переходу должно быть приложено прямое напряжение, а к коллекторному – обратное. Если на эмиттерном переходе нет напряжения, то через коллекторный переход протекает очень небольшой обратный ток Iкобр. По сравнению с рабочим током им можно пренебречь для упрощения рассуждений и считать, что в коллекторной цепи тока нет, т.е. транзистор закрыт.
При подаче на эмиттерный переход прямого напряжения от источника питания Еэ происходит инжекция носителей заряда из эмиттера в базу, где они являются неосновными. Для транзистора n-p-n этими носителями заряда являются электроны. Движение электронов в процессе инжекции через эмиттерный переход создает ток эмиттера Iэ. Электроны, перешедшие в базу, имеют вблизи p-n-перехода повышенную концентрацию, что вызывает диффузию их в базе. Толщина базы очень мала, поэтому электроны в процессе диффузии оказываются вблизи коллекторного перехода. Большая их часть не успевает рекомбинировать с дырками базы и втягивается ускоряющим электрическим полем коллекторного перехода в область коллектора. Происходит экстракция электронов под действием обратного напряжения из базы в коллектор. Движение электронов в процессе экстракции из базы в коллектор создает ток коллектора Iк. Незначительная часть инжектируемых из эмиттера в базу электронов рекомбинируют в области базы с дырками, количество которых пополняется из внешней цепи от источника Еэ. За счет этого в цепи базы протекает ток базы Iб. Он очень мал из-за небольшой толщины базы и малой концентрации основных носителей заряда – дырок. При этих условиях число рекомбинаций, определяющих величину тока базы, невелико.

Рис.2.2. Схема подключения БТ к источникам питания
Ток коллектора управляется током эмиттера: если увеличится ток эмиттера, то практически пропорционально возрастет ток коллектора. Ток эмиттера может изменяться в больших пределах при малых изменениях прямого напряжения на эмиттерном переходе.
Токи трех электродов транзистора связаны соотношением:
Iэ = Iк + Iб.
Ток базы значительно меньше тока коллектора, поэтому для практических расчетов часто считают Iк = Iэ.
Принцип действия p-n-p-транзистора аналогичен рассмотренному, но носителями заряда, создающими токи через p-n-переходы в процессе инжекции и экстракции, являются дырки; полярность источников Еэ и Ек должна быть изменена на противоположную, соответственно изменятся и направления токов в цепях.
На основании рассмотренных процессов можно сделать вывод, что БТ как управляемый прибор действует за счет создания транзитного (проходящего) потока носителей заряда из эмиттера через базу в коллектор и управления током коллектора путем изменения тока эмиттера. Таким образом, биполярный транзистор управляется током.
Ток эмиттера как прямой ток p-n-перехода изменяется значительно при очень малых изменениях напряжения на эмиттерном переходе и вызывает, соответственно, большие изменения тока коллектора.
На этом основаны усилительные свойства транзистора.
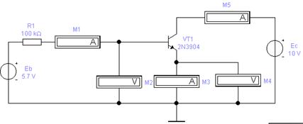
Исследуемая схема показана на рис.2.3. Статический коэффициент передачи тока
.
Коэффициент передачи тока
определяется отношением приращения
коллекторного тока к вызывающему его приращению
базового тока:
.
Дифференциальное входное сопротивление
БТ в схеме с общим эмиттером (ОЭ) определяется при фиксированном значении напряжения коллектор-эмиттер. Оно может быть найдено как отношение приращения напряжения база-эмиттер
к вызванному им приращению тока базы
:
.
Дифференциальное входное сопротивление БТ в схеме с ОЭ через параметры транзистора определяется следующим выражением:
,
где
- распределенное сопротивление базовой области,
- дифференциальное сопротивление перехода база-эмиттер, определяемое из выражения:
rЭ=25/IЭ, где IЭ - постоянный ток эмиттера (в мА).
Т.к.
<<
, то можно использовать формулу:
.

Рис.2.3
Дифференциальное сопротивление
для БТ сравнимо с дифференциальным входным сопротивлением БТ в схеме с общей базой
, которое определяется при фиксированном значении напряжения база-коллектор:
.
Через параметры БТ это сопротивление определяется выражением:
.
Т.к..
<< rэ, то можно считать, что
.