Електровимірювальна апаратура
Міністерство освіти та науки України
Державний вищий навчальний заклад
„Лисичанський нафтохімічний технікум”
ЖУРНАЛ
Лабораторні роботи
( звіти )
5.05130103.ЕОЕ.096.00.00.ЛР
Перевірив викладач
_______ З. І. Вахрамєєва
Виконав студент
_________ Д. I. Левченко
Лисичанськ
2009
ЗМІСТ
Лабораторна робота № 1 „Ознайомлення з правилами техніки безпеки, правилами збірки схем і правилами користування електровимірювальною апаратурою”
Лабораторна робота № 2 „Дослідження схем з’єднання резисторів”
Лабораторна робота № 3 „Перевірка амперметра і вольтметра”
Лабораторна робота № 4 „ Паралельне з’єднання індуктивної котушки і конденсатора. Компенсація потужності”
Лабораторна робота № 5 „Дослідження трифазного кола при з’єднанні споживача зіркою”
Лабораторна робота № 6 „Дослідження режимів однофазного трансформатора”
Лабораторна робота № 7 „Зняття робочих характеристик трифазного асинхронного двигуна з короткозамкненим ротором”
Лабораторна робота № 8 „Збірка і перевірка роботи схем релейно-контакторного управління трифазним асинхронним двигуном з короткозамкненим ротором”
Лабораторна робота №9 „Визначення втрат напруги і потужності у проводах ЛЕП”
Лабораторна робота № 10 „Дослідження роботи однонапівперіодного і двохнапівперіодного однофазного випрямлячів”
Лабораторна робота № 1
„Ознайомлення з правилами техніки безпеки, правилами збіркисхем і правилами користування електровимірювальною апаратурою”
Мета роботи: ознайомитися з правилами техніки безпеки, правилами збірки схем і правилами користування електровимірювальною апаратурою
ВИКОНАННЯ РОБОТИ
Ознайомитися з правилами техніки безпеки
Ознайомитися з правилами збірки схем
Ознайомитися з правилами користування вимірювальної апаратури:
Оглянути зовнішній вигляд пристрою
Визначити призначення пристрою
Ознайомитися з інструкцією; технічною характеристикою пристрою; правилами користування;
Визначити діапазон вимірювання, ціну поділки
4. Здати усний залік по правилам ТБ
Лабораторна робота № 2
„Дослідження схем з’єднання резисторів ”
Мета роботи: 1) навчитися складати послідовне, паралельне та мішане кола;
2) вивчити співвідношення між струмами і напругами при послі-
довному, паралельному і мішаному зєднаннях резисторів;
3)визначити опір електричного кола
Прилади і обладнання: міліамперметр А (- 50 мА), міліамперметр А (- 300 мА), амперметр А (- 1 А), вольтметр V1 (-50 В), вольтметр V2 (-15 В), резистори R2, R3, R4, R5, з’єднувальні проводи
Таблиця 2.1 Технічні характеристики приладів
| Найменування приладу, його шифр | Система приладу | Клас точності | Діапазон вимірювання | Рід струму |
І. Дослідження послідовного з’єднання резисторів

Рис.2.1 – Схема послідовного з’єднання резисторів
Таблиця 2.2 Результати дослідження послідовного з’єднання резисторів
№ досліду | Експериментальні дані | Результати обчислень | |||||||||||
Uзаг, В | U2, В | U3, В | U4, В | U5, В | Iзаг, А | U/заг, В | R2, Ом | R3, Ом | R4, Ом | R5, Ом | Rзаг, Ом | R/заг, Ом | |
| 1 | 10 | ||||||||||||
| 2 | 20 | ||||||||||||
| 3 | 30 | ||||||||||||
Перевіряємо виконання другого закону Кірхгофа:
![]()
Обчислюємо значення опорів:






ІІ. Дослідження паралельного з’єднання резисторів

Рис. 2.2 – Схема паралельного з’єднання резисторів
Таблиця 2.3 Результати дослідження паралельного з’єднання резисторів
№ досліду | Експериментальні дані | Результати обчислень | |||||||
Uзаг, В | Iзаг, А | I2, А | I3, А | I/заг, А | R2, Ом | R3, Ом | Rзаг, Ом | R/заг, Ом | |
| 1 | 10 | ||||||||
| 2 | 15 | ||||||||
| 3 | 20 | ||||||||
Перевіряємо виконання першогозакону Кірхгофа:
![]()
Обчислюємо значення опорів за формулами:
![]()




Лабораторна робота № 3
„Перевірка амперметра і вольтметра”
Мета роботи: навчитися перевіряти амперметри і вольтметри; виявляти відповідність перевіряємих приладів класу точності, позначеному на них
Прилади і обладнання: міліамперметр mA (~ 300 мА), зразковий міліамперметр mA (~300 мА з класом точності 0.5), вольтметр V1 ( - 15 В), зразковий вольтметр V (-15 В з класом точності 0.5), резистори R/1, R/2, з’єднувальні проводи
ВИКОНАННЯ РОБОТИ
Таблиця 3.1 Технічні характеристики приладів
| Найменування приладу, його шифр | Система приладу | Клас точності | Діапазон вимірювання | Рід струму |
ДОСЛІД І
mA mA1
~ 0÷ 6.3 В
грубо точно
R/1 R/2
Рис 3.1 – Схема перевірки амперметра
Таблиця 3.2 Результати перевірки міліамперметра
| Покази перевіряємого міліамперметра І, mA |
|
|
|
|
|
|
Покази зразкового міліамперметра Iзр, mA |
|
|
|
|
|
|
| Абсолютна похибка ∆І, mA |
|
|
|
|
|
|
Зведена похибка, γзв, % |
|
|
|
|
|
|
Лабораторна робота № 6
„Дослідження режимів однофазного трансформатора”
Мета роботи: визначити коефіцієнт трансформації і ККД трансформатора в різних режимах; побудувати зовнішню характеристику трансформатора і залежність його ККД від коефіцієнта завантаження
Прилади і матеріали: джерело живлення (мережа змінного струму), однофазний трансформатор ( 220/42 В), лабораторний автотрансформатор ЛАТР, два вольтметри V1 (~250 В), V2 (~50 В), два амперметри А1(~5 А) і А2 (~5 А) електромагнітної системи, ватметр Р1 (~1500 Вт), ламповий реостат на 6 ламп розжарювання, однополюсний вимикач S1, автоматичний вимикач QF, з’єднувальні проводи
ВИКОНАННЯ РОБОТИ
Таблиця 6.1 Технічні характеристики приладів
| Найменування приладу, його шифр | Система приладу | Клас точності | Діапазон вимірювання | Рід струму |

Рис. 6.1 - Схема для дослідження режимів однофазного трансформатора
Таблиця 6.2 Результати дослідження режимів однофазного трансформатора
| № п/п | Режим роботи трансформатора | Дані досліджень | Результати обчислень | ||||||
U1, В | I1, А | P1, Вт | U2, В | I2, А | P2, Вт | k3 | η, % | ||
| 1 | Холостий хід | ||||||||
| 2 | Увімкнуто 1 лампу | ||||||||
| 3 | Увімкнуто 2 лампи | ||||||||
| 4 | Увімкнуто 3 лампи | ||||||||
| 5 | Увімкнуто 4 лампи | ||||||||
| 6 | Увімкнуто 5 ламп | ||||||||
| 7 | Коротке замикання | ||||||||
Обчислюємо коефіцієнт трансформації К (тільки для холостого ходу), корисну потужність P2, коефіцієнт завантаження k3, , ККД трансформатора η за формулами:
;
; ![]()
де ![]()
![]()
де
= Р1 в першому досліді ( досліді холостого ходу),
= Р1 в сьомому досліді ( в досліді короткого замикання)
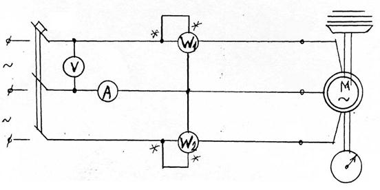
Лабораторна робота № 7
„Зняття робочих характеристик трифазного асинхронного двигуназ короткозамкненим ротором”
Мета роботи: виявити залежність параметрів двигуна від навантаження на його валу
Прилади і матеріали: джерело живлення (трифазна мережа змінного струму), трифазний асинхронний двигун з короткозамкненим ротором, вольтметр V (~250 В), амперметр А (~5 А) електромагнітної системи, два однофазних ватметри феродинамічної системи W1 i W2 (~1500 Вт), тахометр, механічне гальмо, автоматичний вимикач QF, з’єднувальні проводи
ВИКОНАННЯ РОБОТИ
Таблиця 7.1 Технічні характеристики приладів
| Найменування приладу, його шифр | Система приладу | Клас точності | Діапазон вимірювання | Рід струму |
QF C1 Гальмо
С2
С3
Рис. 7.1 - Схема для дослідження трифазного двигуна
Розрахунки:
![]()
![]()
![]()
![]()
![]()
![]()
Таблиця 7.2 Результати зняття робочих характеристик трифазного двигуна
№ п/ п | Режим роботи | Дані спостереження | Результати обчислення | ||||||||||
U, В | I, А | P, Вт | n, об/хв | l, м | m, кг | n0-n, об/хв | s, % | cosφ | M, Нм | P2, Вт | η , % | ||
| 1 | Холостий хід | ||||||||||||
| 2 | Під навантаженням | ||||||||||||
| 3 | Під навантаженням | ||||||||||||
| 4 | Під навантаженням | ||||||||||||

Рис. 7.2 Робо чі характеристики n=f(P2), I=f(P2), M=f(P2), s=f(P2), cosφ=f(P2), η=f(P2)
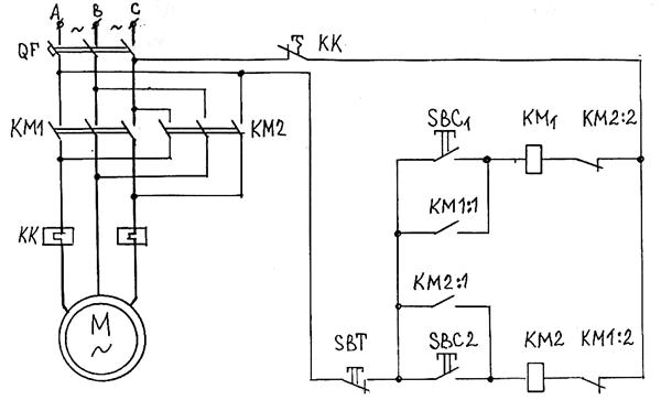
Лабораторна робота № 8
„Збірка і перевірка роботи схем релейно-контакторного управління трифазним асинхронним двигуном з короткозамкненим ротором”
Мета роботи: вивчити ДЕСТи на графічні і буквенні позначення на електричних схемах; вивчити будову і принцип дії пускової низьковольтової апаратури; здобути навички в збірці схем пуску двигунів; зібрати і перевірити схеми пуску нереверсивного і реверсивного трифазного асинхронного двигунів з короткозамкненими роторами
Обладнання: трифазний автоматичний вимикач, трьох кнопкова станція, два контактори, теплове реле, трифазний двигун з короткозамкненим ротором, з’єднувальні проводи
ВИКОНАННЯ РОБОТИ

Рис. 8.1 – Схема пуску нереверсивного трифазного асинхронного двигуна з короткозамкненим ротором

Рис.8.2 – Схема пуску реверсивного трифазного асинхронного двигуна з короткозамкненим ротором
Лабораторна робота № 9
„Визначення втрат напруги і потужності у проводах ЛЕП”
Мета роботи: вияснити, який вплив надає навантаження лінії і опір її проводів на напругу приймача; визначити потужність втрат в проводах і ККД лінії електропередач
Прилади і матеріали: двохпровідна лінія з мідними і сталевими проводами, лабораторний автотрансформатор ЛАТР, два вольтметри і амперметр електромагнітної системи, ламповий реостат на 3 лампи, з’єднувальні проводи
ВИКОНАННЯ РОБОТИ
Таблиця 9.1 Технічні характеристики приладів
| Найменування приладу, його шифр | Система приладу | Клас точності | Діапазон вимірювання | Рід струму |

Рис. 9.1 – Двох провідна лінія електропередач
Таблиця 9.2 Результати дослідження проводів ЛЕП
№ п /п | проводи | Опір проводу R, Ом | Дані спостережень | Результати обчислень | |||||
U1, В | U2, В | I, A | ∆U', В | ∆U", В | ∆P, Вт | η, % | |||
| 1 | 2 | 3 | 4 | 5 | 6 | 7 | 8 | 9 | 10 |
| 1 | Мідні | ||||||||
| 2 | |||||||||
| 3 | |||||||||
| 4 | сталеві | ||||||||
| 5 | |||||||||
| 6 | |||||||||
Обчислюємо втрати напруги ∆U', ∆U", втрати потужності ∆P, ККД η за формулами
![]()
![]()
![]()
![]()
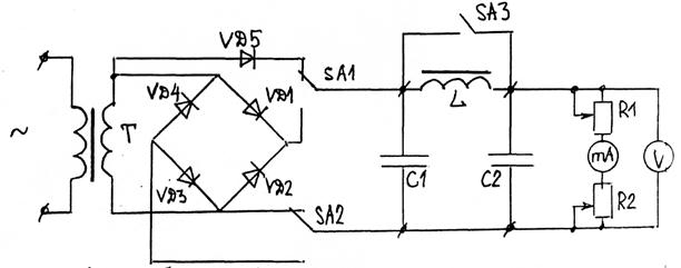
Лабораторна робота № 10
«Дослідження роботи однонапівперіодного і двохнапівперіодногооднофазного випрямлячів»
Мета роботи : вивчити роботу випрямлячів; виявити вплив згладжу вального фільтру на випрямлену напругу
Прилади і матеріали: генератор низької частоти ГНЧШ, осцилограф ОМШ-2-76, лабораторний макет випрямлячів, вольтметр і амперметр магнітоелектричної системи, з’єднувальні проводи
ВИКОНАННЯ РОБОТИ
Таблиця 10.1 Технічні характеристики приладів
| Найменування приладу, його шифр | Система приладу | Клас точності | Діапазон вимірювання | Рід струму |

Рис. 10.1 – Схема лабораторної установки для дослідження випрямлячів
Таблиця 10.2 Результати дослідження випрямлячів без фільтру
Тип випрямляча | Параметр випрямляча | Дані спостереження | |||||
Однонапівперіодний без фільтру | Напруга U, В | ||||||
| Струм І, mA | |||||||
Двохнапівперіодний без фільтру | Напруга U, В | ||||||
| Струм І, mA | |||||||
Таблиця 10.3 Результати дослідження випрямлячів з фільтром
Тип випрямляча | Параметр випрямляча | Дані спостереження | |||||
Однонапівперіодний з фільтром | Напруга U, В | ||||||
| Струм І, mA | |||||||
Двохнапівперіодний з фільтром | Напруга U, В | ||||||
| Струм І, mA | |||||||