Дослiдження цифрових iнтегральних мiкросхем
Міністерство освіти та науки України
Тернопільський державний технічний університет
імені Івана Пулюя
Кафедра автоматизації
Технологічних цесів
та виробництв
Лабораторна робота №
«Дослідження цифрових інтегральних мікросхем, які реалізують функції
'АБО', 'I-НЕ, 'НЕ' та їх комбінацій»
Тернопіль-2008
Мета роботи – Вивчити принципи роботи основних логiчних функцiй цифрової технiки на прикладi базових елементiв серii К155, побудувати їх таблицi iстинностi. Ознайомитись із правилами експлуатацiї комплекту лабороторного обладнання типу К – 32.

Рис.1. Умовні позначення логічних елементів одноступінчатої логіки: а)-"І" б)-"АБО" в)-"НЕ" г)-"І-НЕ" д)-"АБО-НЕ"

Рис.2. Умовне позначення логічного елемента "Виключаюче АБО"
Таблиця 1:

Таблиця 2:


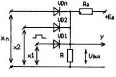
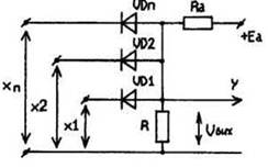
Рис.3. Схема логічного елемента “АБО” на діодах

Рис.4. Схема логічного елемента “І” на діодах.

Рис.5. Принципова схема логічного елемента “НЕ

Рис.6. Принципова схема побудови базових елементів 155 серії

Рис.7. Схема логічного елемента “АБО-НЕ” на уніполярних транзисторах
Експерементальна частина
| Для мікросхеми D1 | ||||
| X1 | 0 | 1 | 0 | 1 |
| X2 | 0 | 0 | 1 | 1 |
| Y1 | 0 | 1 | 1 | 1 |
| Для мікросхеми D2 | |||||
| X3 | 0 | 1 | 0 | 0 | 1 |
| X4 | 0 | 0 | 1 | 0 | 1 |
| X5 | 0 | 0 | 0 | 1 | 1 |
| Y2 | 1 | 1 | 1 | 1 | 0 |
| Для мікросхеми D3 | ||
| X6 | 0 | 1 |
| Значення напруги на виході | 0.5 | 3.93 |
| XS1 | 0 | 1 |
| Для мікросхеми D4 | ||||
| X7 | 0 | 1 | 0 | 1 |
| X8 | 0 | 0 | 1 | 1 |
| Y3 | 0 | 1 | 1 | 0 |
| Для мікросхеми D5 | ||||
| X9 | 0 | 1 | 0 | 1 |
| X10 | 0 | 0 | 1 | 1 |
| Y3 | 1 | 0 | 0 | 0 |
Висновки: на даній лабораторній роботі ми ознайомились з елементами серії К155. До найпростіших логічних елементів відносяться такі, як 'АБО', 'I-НЕ, 'НЕ' а також їх комбінації. Ознайомилися з принципами роботи цих елементів.