Генератор электрических колебаний высокой частоты
Для передачи сигналов электросвязи необходимо иметь генератор электрических колебаний высокой частоты- устройство, преобразующее энергию источника постоянного напряжения в энергию колебаний. Существуют генераторы с внешним возбуждением, в которых незатухающие колебания получают от внешнего источника, и генераторы с самовозбуждением (автогенераторы), для которых внешний источник не нужен. Колебания, получаемые в автогенераторах, называют автоколебаниями. Эти колебания могут быть гармоническими (синусоидальными) или релаксационными (несинусоидальными). Автогенераторы применяют не только в передающей, но и в приемной аппаратуре: в преобразователях частоты, демодуляторах и т.д. Независимо от назначения автогенераторов, они должны удовлетворять следующим общим требованиям: иметь достаточно высокое постоянство (стабильность) частоты колебаний и выходной мощности, а также возможно близкую с синусоидальной форму выходного напряжения. Для выполнения этих требований в схемах автогенераторов применяют ряд специальных мер.
1. Принципы работы автогенератора
1.1 Структурная схема автогенератора
В простейшем случае высокочастотные колебания можно получать с помощью обычного колебательного контура. Предположим, что контур получил от постоянного источника некоторый первоначальный запас энергии. При этом в нем возникают свободные (собственные) затухающие колебания. Чтобы сделать их незатухающими, необходимо все время пополнять запас энергии в контуре, поскольку часть её процессе колебаний необратимо преобразовать в тепло.
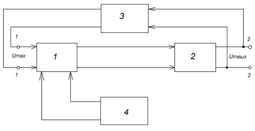
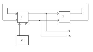
Реализовать источник энергии, необходимый для получения незатухающих колебаний в контуре, можно с помощью устройства рис. №1

Рис.№1. Структурная схема LC-автогенератора
Схема содержит усилительный элемент 1 (электронную лампу или транзистор), нагрузкой которого является колебательная система 2, например, колебательный контур с сосредоточенными параметрами. Часть напряжения с контура через цепь обратной связи 3 поступает на вход усилительного элемента. Устройство получает питание от источника напряжения 4.
Напряжение свободных колебаний, поступающих через элемент 3 на вход элемента 1, усиливается им и вновь подается на колебательную систему. Это напряжение должно быть после усиления достаточным для компенсации потерь в контуре. Кроме этого, цепь обратной связи должна вызывать такой сдвиг фазы колебаний, поступающих на вход элемента 1, при котором контур будет своевременно, т.е. в такт со свободными колебаниями в нем, получать энергию. При одновременном выполнении указанных условий данное устройство создает (генерирует) незатухающие колебания, т.е. представляет собой автогенератор.
1.2 Процесс самовозбуждения
В момент включения источника питания во всех цепях генератора проходят кратковременные импульсы токов. Так как одиночный импульс образует сплошной спектр колебаний, частота одного из них обязательно совпадает с собственной частотой колебательной системы генератора. Это колебание возбудит колебательную систему, и по цепи обратной связи на управляющий электрод усилительного элемента поступит напряжение данной частоты. Под действием этого напряжения выходной ток усилительного элемента станет изменяться с той же частотой. Переменная составляющая тока, проходя через колебательную систему, будет усиливать возникшие в ней колебания. Амплитуда колебаний будет нарастать до тех пор, пока энергия, поступающая в колебательную систему, станет равной энергии потерь, после чего схема переходит в стационарный режим, характеризующийся постоянной или стационарной амплитудой колебаний.
Если контуру сообщить некоторый первоначальный запас энергии, в нем возникают затухающие колебания. При подключении к контуру нагрузки, имеющий активное сопротивление, скорость затухания колебаний увеличивается, что свидетельствует об увеличении потерь в нем. Следовательно, можно считать, что если энергия потребляется от контура, в него как бы вноситься положительное активное сопротивление R+, увеличивающее сопротивление потерь контура Rп. Если же энергия поступает в контур, это эквивалентно уменьшению потерь в контуре, т.е. как бы внесению в него отрицательного активного сопротивления R-.
В колебательную систему автогенератора энергия поступает от усилительного элемента (отрицательное сопротивление) и одновременно потребляется цепью обратной связи и нагрузкой (положительное сопротивление). Следовательно, в колебательную систему вноситься некоторое эквивалентное сопротивление Rэк=R+ - R-. Если же знак этого сопротивления положительный (Rэк>0), потери в колебательной системе увеличиваются и колебания быстро затухают; если знак отрицательный (Rэк<0) и кроме этого
< Rп, происходит частичная компенсация потерь и скорость затухания колебаний уменьшается. При Rэк<0 и
> Rп энергия, поступающая в колебательную систему, больше энергии потерь, что приводит к непрерывному росту амплитуды колебаний. В стационарном режиме работы автогенератора отрицательное вносимое сопротивление становиться равным (по модулю) сопротивлению потерь колебательной системы. Это означает, что поступающая в неё энергия полностью компенсирует потери, вследствие чего амплитуда автоколебаний становится постоянной.
2. Условия самовозбуждения автогенератора
2.1 Баланс амплитуд и фаз
Разомкнем в точках 1-1 рис. №1 цепь обратной связи и запишем выражение для коэффициента усиления усилителя:
Kус=
= Kусexp iψус,
где Umвых и Umвх- соответсвенно комплексные амплитуды выходного и входного напряжения;
Kус=
- модуль коэффициента усиления;
ψус- его аргумент, учитывающий сдвиг фаз между входным и выходным напряжением усилителя. Предположим, что в качестве колебательной системы использован одиночный колебательный контур, резонансное сопротивление которого Rрез. Тогда
Umвых=Im1Rрез,
где Im1- амплитуда первой гармоники выходного тока усилительного прибора. Связь между значениями Im1 и Umвх устанавливается с помощью соотношения Im1≈Sср Umвх, в котором Sср – средняя крутизна вольт-амперной характеристики усилительного элемента. В любом реальном усилителе эта характеристика нелинейная, поэтому средняя крутизна Sср зависит от амплитуды входного напряжения Umвх. Так, при малых значениях Umвх крутизна характеристики Sср практически равна статической крутизне в рабочей точке, при увеличении Umвх она уменьшается.
Подставляя значение Im1 из последнего уравнения в выражение для Umвых, получаем:
Umвых= Sср Umвх Rрез.
Тогда
Kус= Sср Rрез и Kус= Sср Rрез exp jψус.
Коэффициент передачи цепи обратной связи
Kус=
= Kо.с.exp jψо.с.,
где Kо.с. =
– модуль коэффициента передачи; ψо.с. – его аргумент, определяющий сдвиг фаз между входным напряжением цепи обратной связи.
Результирующий коэффициент передачи усилителя, охваченного обратной связью, К=КусКос. Если в колебательной системе установятся синусоидальные колебания с постоянной амплитудой (стационарный режим),
К=КусКос=
= 1 (1)
Подставляя в уравнение (1) значения Кус и Kо.с., получаем
K= Sср Rрез exp(jψус) Кос exp (jψо.с)= Кос Sср Rрез exp(j(ψус+ ψо.с))=1. (2)
Уравнение (2) выражает условие стационарности автогенератора. Это уравнение распадается на два:
Кос Sср Rрез = 1, или КосКус=1 (3)
ψус+ ψо.с=0; 2π 4π; … (4)
1.Условие баланса амплитуд.
Соотношения (3) называют условием баланса амплитуд: в стационарном режиме коэффициент передачи по замкнутому кольцу генератора (элементы 1-3 на рис.№ 1) равен единице. В этом условии величины Кос и Rрез не зависят от амплитуды напряжения на входе усилительного элемента, а Sср- зависит (с увеличением Umвх средняя крутизна Sср уменьшается). Следовательно, условие баланса амплитуд выполняется лишь при определенном значении Umвх, т.е. при определенной амплитуде колебаний Umвых. Из (3) получаем
Кос = . (5)
Если Кос>, амплитуда колебаний на выходе автогенератора нарастает до тех пор, пока вновь не выполниться условие (3). При Кос< возникновение колебаний невозможно, поскольку энергия, поступающая в колебательную систему, недостаточна для компенсации потерь. Таким образом, условие баланса амплитуд определяет, с одной стороны, стационарную амплитуду выходных колебаний, а с другой – наименьший коэффициент передачи цепи обратной связи, обеспечивающий самовозбуждение генератора. Этот коэффициент Ко.с.кр называют критическими. Надежное самовозбуждение генератора возможно только при Кос> Ко.с.кр.
2. Условие баланса фаз.
Это условие определяется (4): в стационарном режиме суммарный угол сдвига фаз при обходе замкнутого кольца автогенератора должен быть равен нулю или целому числу 2π.
В цепях автогенератора могут быть следующие сдвиги фаз.
· Сдвиг фаз на угол ψ1=π, создаваемый усилительным элементом (например, транзистор при его включении по схеме с общим эмиттером), между его входным Umвх и выходным Umвых напряжениями.
· Сдвиг фаз на угол ψо.с. возникающий в цепи обратной связи между её входным Umвх и выходным Umвых напряжениями.
· Сдвиг фаз на угол ψ2 между напряжениями на входе усилительного элемента Umвх и первой гармоникой его выходного тока Im1. Этот сдвиг возникает на очень высоких частотах и при правильном выборе лампы или транзистора угол ψ2≈00.
· Сдвиг фаз на угол ψ3 между напряжением Umвых и током Im1. Если колебательный контур точно настроен на частоту первой гармоники выходного тока, угол ψ3≈00.
Таким образом, условие (4) можно переписать в следующем виде:
ψ1+ ψ2+ ψ3+ ψо.с= 1800+00+ ψо.с= 0; 3600;7200,… или ψо.с =±1800 (6)
Соотношение означает, что для выполнения условия баланса фаз цепь обратной связи должна изменять фазу подводимого к ней переменного напряжения Umвых и 1800. В большинстве автогенераторов существует лишь одна частота, на которой выполняется условие баланса фаз, т.е. на которой возможно генерирование колебаний. Следовательно, условие (4) определяет частоту автоколебаний ωавт.
2.2 Режимы самовозбуждения автогенератора
В зависимости от значений постоянных питающих напряжений, подведенных к электродам усилительного элемента, и от коэффициента Кос возможны два режима самовозбуждения: мягкий и жесткий.
1.Режим мягкого самовозбуждения.
В данном режиме рабочую точку А выбирают на линейном участке вольт-амперной характеристики усилительного элемента, что обеспечивает начальный режим работы усилительного элемента без отсечки выходного тока iвых (рис. №2).

Рис. № 2. Диаграмма, мягкого режима самовозбуждения.
В этих условиях самовозбуждение возникает от самых незначительных изменений входного напряжения Uвх, всегда имеющихся в реальных условиях из-за флуктуаций носителей заряда.
Сначала колебания в автогенераторе нарастают относительно быстро. Затем из-за нелинейности вольт-амперной характеристики усилительного элемента рост амплитуды колебаний замедляется, поскольку напряжение на его входе попадает на участки вольт-амперной характеристики со все меньшей статической крутизной, а это приводит к уменьшению средней крутизны Sср и коэффициента передачи Кос цепи обратной связи.
Нарастание колебаний происходит до тех пор, пока коэффициент передачи К уменьшится до единице. В результате в автогенераторе установиться стационарный режим, которому соответствует определенная амплитуда выходных колебаний, причем угол отсечки выходного тока 0>900. Частота этих колебаний очень близка к резонансной частоте колебательной системы.
Если бы усилительный элемент имел линейную вольт-амперную характеристику, нарастание амплитуды автоколебаний происходило бы до бесконечности, что физически невозможно. Поэтому в линейной цепи получить устойчивые автоколебания с постоянной амплитудой невозможно.
Из-за нелинейности воль-амперной характеристики форма выходного тока iвых усилительного элемента получается несинусоидальной. Однако при достаточно большой добротности (50…200) колебательной системы первая гармоника этого тока и, следовательно, напряжение на выходе автогенератора представляют собой почти гармонические колебания.
2. Режим жесткого самовозбуждения.
При этом режиме напряжение смещения U0 задают таким, чтобы при малых амплитудах входного напряжения ток через усилительный элемент не проходил. Тогда незначительный колебания, возникшие в контуре, не могут вызвать ток выходной цепи, и самовозбуждение автогенератора не наступает. Колебания возникают только при их достаточно большой начальной амплитуде, что не всегда можно обеспечить. Процесс возникновения и нарастания колебаний при жестком режиме самовозбуждения иллюстрирует с помощью рис.№3.

Рис.№ 3. Диаграмма жесткого самовозбуждения
Из рассмотрения этого рисунка видно, что при малых начальных амплитудах входного напряжения (кривая1) ток iвых=0 и автоколебания не возникают. Они возникают только при достаточно большой начальной амплитуде напряжения (кривая 2) и быстро нарастают до установившегося значения. В стационарном режиме усилительный элемент работает у углами отсечки выходного тока 0<900.
Для удобства эксплуатации автогенератора целесообразнее применить мягкий режим самовозбуждения, так как в этом режиме колебания возникают сразу после включения источника питания. Однако при жестком режиме колебаний с углом отсечки 0<900 обеспечиваются более высокий КПД автогенератора и меньшие тепловые потери. Поэтому в стационарном режиме автогенератора более выгоден именно режим с малыми углами отсечки выходного тока усилительного тока усилительного элемента.
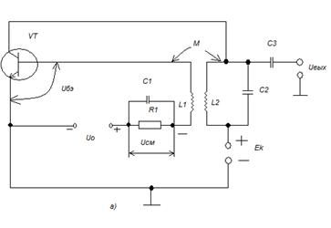
Автоматическое смещение. Его применение обеспечивает возможность работы автогенератора при первоначальном включении в режиме мягкого самовозбуждения с последующими автоматическим переходом в режим жесткого самовозбуждения. Этого достигают применением в автогенераторе специальной цепи автоматического смещения.
На рис.№ 4а изображена упрощенная принципиальная схема автогенератора на биполярном транзисторе VT, нагрузкой которого служит колебательный контур L2C2. Напряжение положительной обратной связи создается на катушке L1 и подводится между базой и эмиттером транзистора. Начальное напряжение6 смещения на базе транзистора создается источником включена цепь авто-смещения R1C1.
Процесс возникновения и нарастания колебаний иллюстрируется с помощью рис.№ 4б. В первый момент после включения генератора, т.е. в момент появления колебаний, рабочая точка А находится на участке максимальной крутизны вольт-амперной характеристики транзистора. Благодаря этому колебания возникают легко в условиях мягкого режима самовозбуждения. По мере возрастания амплитуды увеличивается ток базы, постоянная составляющая которого создает падение напряжения Uсм на резисторе R1 (переменная составляющая этого тока проходит через конденсатор C1). Так как напряжение Uсм приложено между базой и эмиттером в отрицательной полярности, результирующее постоянное напряжение на базе U0- Uсм уменьшается, что вызывает смещение рабочей точки вниз по характеристике транзистора и переводит автогенератор в режим работы с малыми углами отсечки коллекторного тока при этом токи коллектора iк и базы iб имеют видпоследовательности импульсов, а напряжение на выходе Uвых, создаваемое первой гармоникой коллекторного тока, представляет собой синусоидальное колебание с неизменной амплитудой.
Таким образом, цепь автоматического смещения R1C1в автогенераторе выполняет роль регулятора процесса самовозбуждения и обеспечивает в первоначальный момент условия мягкого самовозбуждения с последующим переходом в более выгодный режим с малыми углами отсечки.
3. Основные схемы LC- автогенераторов
3.1 Одноконтурные схемы автогенераторов на транзисторах
Маломощные автогенераторы, используемые в современной аппаратуре передачи сигналов электросвязи, выполняют обычно на транзисторах, имеющих по сравнению с электронными лампами большую экономичность, долговечность, надежность и компактность.
1. Автогенератор с трансформаторной обратной связью.
Принципиальная схема генератора показана на рис № 4а.


Рис. №4 а,б. Генератор с цепью автосмещения: а-схема; б- диаграммы, поясняющие регулирующие действие цепи автосмещения
Включение источника коллекторного напряжения Ек сопровождается первоначальным зарядом конденсатора контура С2 и последующим его разрядом через катушку L2. Так как катушки L2 иL1 представляют собой трансформатор высокой частоты, возникающий даже самый слабый ток в контуре наводит в катушке связи L1 переменную ЭДС взаимоиндукции. Эта ЭДС создает переменное возбуждающее напряжение между базой и эмиттером транзистора, которое управляет коллекторным током в такт с колебаниями, возникшими в контуре. Благодаря усилительным свойствам транзистора возникшие колебания нарастают и неустойчивый процесс первоначальной генерации переходит в стационарный, при котором амплитуды колебательных токов и напряжений, а также их частота устанавливаются неизменными.
Периодически меняющийся коллекторный ток может иметь различную форму в зависимости от угла отсечки 0. Однако первая гармоника этого тока всегда совпадает по фазе с напряжением возбуждения и напряжением на контуре. В режимах с отсечкой из-за частотной избирательности контура действие высших гармоник импульса коллекторного тока проявляется слабо и основным током, питающим колебательный контур, является ток первой гармоники. Таким образом, при наличии в контуре гармонических колебаний в коллекторной цепи автогенератора создается периодически меняющийся ток, способный поддержать эти колебания и сделать их незатухающими. Для получения незатухающих колебаний требуется, чтобы энергия, расходуемая коллекторным источником Ек, полностью компенсировала потери в контуре, включая и энергию, отдаваемую автогенератором во внешнюю цепь- нагрузку.
Основные количественные соотношения в схеме автогенератора с трансформаторной обратной связью: амплитуда выходного напряжения
Umвых=Im1ωавтL2,
где Im1- амплитуда первой гармоники коллекторного тока,
ωавт= – частота автоколебаний; амплитуда напряжения обратной связи Umвх=Im1ωавтМ, где М – взаимная индуктивность между катушками L1 и L2; коэффициент передачи цепи обратной связи
Ко.с.=
.
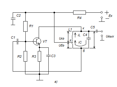
2. Генератор с автотрансформаторной обратной связью.
Принципиальная схема приведена на рис. №5а.

Рис.№5а. Принципиальная схема автогенератора с обратной автотрансформаторной связью
Схема содержит колебательный контур второго вида L1C4, к трем точкам которого к, э, б соответственно подключены коллектор, эмиттер (через блокировочные конденсаторы большой емкости C2, C3) и база (через разделительный конденсатор C1) транзистора VT. Начальное смещение на базе транзистора задается делителем напряжения R1, R2. Элементы R3, C4 образуют цепь смещения, создаваемого падения на резисторе R3при протекании по нему постоянной составляющей эмиттерного тока.
Напряжение обратной связи Umвх=Uбэ снимаетсяс части витков катушки L1, которая одновременно служит делителем напряжения Uкб, действующего на контуре. Как видно из схемы, условие баланса фаз выполняется потому, что напряжение Uбэ всегда изменяется в противофазе с переменным напряжением на коллекторе Umвых= Uкэ. В этом можно убедиться, рассмотрев направление токов в ветвях контура L1C4. Индуктивность катушки L1 в точке э делится на Lкэ, образующую левую (индуктивность) ветвь контура, и на Lбэ, которая с конденсатором C4 образует первую (емкостную) ветвь. Так как точки iLиiC в ветвях параллельного контура в любой момент времени противоположны по направлению, напряжения Uбэ и Uкэ противофазны.
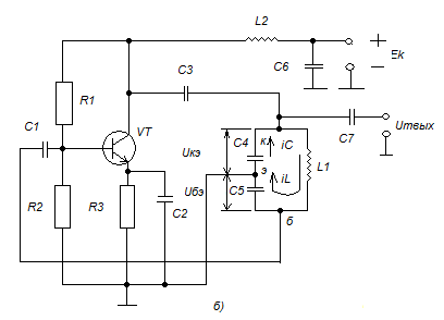
3.Автогенератор с емкостной обратной связью.
Схема такого генератора представлена на рис. № 5б.

Рис.№5 б. Принципиальная схема автогенератора с обратной емкостной связью
В этой схеме применен колебательный контур третьего вида L1C4C5, соединенный точками к, э, б соответственно через конденсаторы C3, C2 и C1с коллектором, эмиттером и базой транзистора VT. В автогенераторе применена схема параллельного коллекторного питания, колебательный контур и транзистор включены параллельно друг другу (схемах на рис. № 4а, 5а эти элементы включены последовательно, т.е. использовались схемы последовательного коллекторного питания). Для ослабления шунтирующего действия высокочастотные дросселя L2 на контур индуктивность дросселя выбирают исходя из соотношения L2=(10…20) L1.
Общую емкость контура составляют емкости двух конденсаторов: C4 и C5, причем C4 образует емкостную ветвь контура, а C5 и L1- индуктивную ветвь. Так как соответствующие токи iLиiC в любой момент времени направлены противоположно друг другу, напряжения Uкэ иUбэ противофазны. Следовательно, условие баланса фаз выполняется, поскольку напряжение Uбэ= Umвх, снимаемое с конденсатора C5, является напряжением обратной связи, а Uкэ= Umвых, снимаемое с C4, - выходным напряжением генератора.
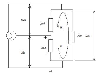
3.2 Обобщенная трехточечная схема
Схемы одноконтурных автогенераторов (с трансформаторной, автотрансформаторной и емкостной обратной связью) и большинство других, более сложных схем, могут быть приведены к упрощенной, так называемой трехточечной схеме рис. № 6.


Рис.№6. Трехточечные схемы автогенераторов: а- обобщенная; в- индуктивная; в- емкостная
Такое обобщение упрощает анализ и помогает при составлении схем автогенераторов. Оно возможно благодаря общим требованиям к схемам автогенераторов. Заключающимся в обязательном выполнении условий самовозбуждения (баланс фаз, баланс амплитуд).
В обощенной схеме, изображенной на рис. № 6а, колебательная система, состоящая из трех реактивных сопротивлений Хкб, Хбэ, Хкэ (активными сопротивлениями в большинстве случаев можно пренебречь), подключена к транзистору в трех точках: к, б, э, что определило название схемы. Отдельные элементы колебательной системы могут быть конденсаторами, катушками или более сложными электрическими цепями, например расстроенными параллельными контурами. Условимся также, что сопротивления Хкб, Хбэ, Хкэ включает в себя индуктивности соединительных проводов, междуэлекродные емкости, емкость монтажа и т.д. Таким образом, колебательная система приводится к контуру, состоящему из трех реактивных сопротивлений, по которым протекает контурный ток Ik. В такой схеме автогенератора колебания могут возбудиться на собственной частоте данного контура f0 (точнее, на очень близкой к ней частоте), определяемой из условия резонанса, т.е.
Хкб+Хбэ+ Хкэ =0.
Пусть в некоторой момент времени ток Ik направлен так, как показано на рис. № 6 а. Этот ток создает колебательные напряжения Uбэ= Ik Хбэ иUкэ= Ik Хкэ, которые для выполнения условия баланса фаз должны быть противофазными, что возможно только, когда реактивные сопротивления Хбэ и Хкэ имеютодинаковый характер. Разумеется, характер третьего сопротивления Хкб должен быть противоположным характеру первых двух сопротивлений, образующих контур, иначе резонанс в контуре будет невозможным.
Правильно составленная схема автогенератора должна обеспечить выполнение условий баланса фаз и баланса амплитуд на частоте, близкой к собственной частоте колебаний в контуре. Необходимый для самовозбуждения коэффициент передачи цепи обратной связи, обеспечивающий выполнение условия баланса амплитуд, определяется соотношением Кос Sср Rрез = 1, или КосКус=1, а при самовозбуждении на частоте, близкой к f0, удовлетворяется также условие ψус+ ψо.с=0; 2π 4π; …
Коэффициент
Кос=
=
=
при самовозбуждении должен быть вещественным и положительным, т.е. >0, а это еще раз подтверждает, что реактивные сопротивления Хбэ и Хкэ обязательно должны быть одного знака.
Можно составить два варианта трехточечных схем: индуктивную рис. №6 б, в которой напряжение обратной связи снимается с катушки L1, и емкостную рис. № 6 в, в которой это напряжение снимается с конденсатора C1. Сравнивая рис. №6б и рис. № 6в убеждаемся, что генератор с автотрансформаторной обратной связью представляет собой индуктивную трехточечную схему, а генератор с емкостной обратной связью- емкостную трехточечную схему.
4. Автогенераторы типа RC
4.1 Целесообразность использования RC- генераторов на низких частотах
Генераторы с колебательным контуром незаменимы как источники синусоидальных высокочастотных колебаний. Для генерирования колебаний с частотами меньше 15…20 кГц они неудобны, так как колебательный контур получается слишком громоздким.
Другим недостатком низкочастотных LC – генераторов является трудность их перестройки в диапазоне частот. Все это обусловило широкое применение на указанных выше частотах RC- генераторов, в которых вместо колебательного контура используются частотные электрические RC-фильтры. Генераторы этого типа могут генерировать достаточно стабильные синусоидальные колебания в относительно широком диапазоне частот от долей герца до сотен килогерц. Они имеют малые размеры и массу, причем эти преимущества RC- генераторов наиболее полно проявляются в области низких частот.
4.2 Структурная схема RC-генератора
Данная схема изображена на рис. № 7.

Рис.№ 7. Структурная схема RC-автогенератора.
Схема содержит усилитель 1, нагруженный резистором и получающий питание от источника постоянного напряжения 3. Для самовозбуждения усилителя, т.е. для получения незатухающих колебаний, необходимо подать на его вход часть выходного напряжения, превышающее входное (или равное ему) и совпадающее с ним по фазе. Иначе говоря, усилитель необходимо охватить положительной обратной связью, причем четырехполюсник обратной связи 2 должен иметь достаточный коэффициент передачи. Эта задача решается в том случае, когда четырехполюсник 2 содержит фазосдвигающую цепь, состоящую из резисторов и конденсаторов сдвиг фаз между входным и выходным напряжениями 1800.
4.3 Принцип работы фазосдвигающей цепи
Схема которой показана на рис. № 8а, иллюстрируется с помощью векторной диаграммы рис. № 8б.


Рис.8. Фазосдвигающие цепи: а- принципиальная схема; б- векторная диаграмма; в,г- трехзвенные цепи
Пусть ко входу этой цепи RC подведено напряжение U1. Оно вызывает в цепи ток I, создающий падения напряжения на конденсаторе
UC=IXC=![]()
(где ω-частота напряжения U1) и на резисторе UR=IR, которое одновременно является выходным напряжением U2. При этом угол сдвига фаз между током I и напряжением Uс равен 900, а между током I и напряжением UR – нулю. Вектор напряжения U1 равен геометрической сумме векторов UC и UR и составляет с вектором U2 угол φ. Чем меньше емкость конденсатора С, тем ближе угол φ к 900.
4.4 Условия самовозбуждения RC – автогенератора
Наибольший угол φ, который можно получить при изменении значений элементов RC- цепи, близок к 900. Практически элементы схемы R и C подбирают так. Чтобы угол φ=600. Следовательно, для получения угла сдвига фаз φ=1800, необходимого для выполнения условия баланса фаз. Требуется последовательно включить три звена RC.
На рис. № 8 в,г показаны два варианта схем трехзвенных фазосдвигающих цепей. Сдвиг фаз между выходным и входным напряжением на угол 1800 при R1=R2=R3=R и C1=C2=C3=C обеспечивается на частотах: f01≈
(в схеме на рис. № 8в) и f02≈
(в схеме на рис. № 8г), где R выражено в омах, C- в фарадах, а f0- в герцах. Значения f01 иf02 одновременно частоту автоколебаний.
Для обеспечения баланса амплитуд коэффициент усиления усилителя Кус не должен быть меньше коэффициента передачи цепи обратной связи Ко.с.=
. Расчеты показывают, что для приведенных схем Ко.с=. Таким образом, автоколебания в RC- генераторах, содержащих трехзвенные фазосдвигающие цепи с одинаковыми звеньями, возможно лишь при выполнении условий
fавт= f01 (или fавт= f02); Кус≥29.
4.5 RC- автогенераторы с согласующим каскадом
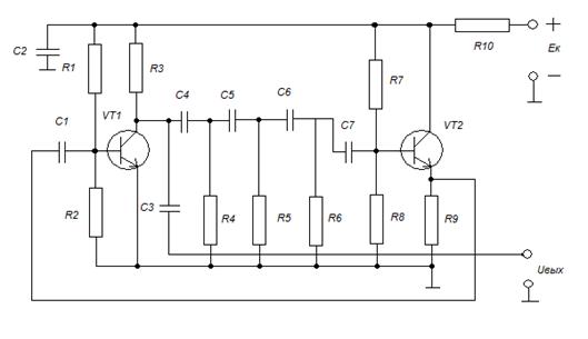
Схема такого генератора представлена на рис. 9.

Рис.№9. Принципиальная схема RC-автогенератора с согласующим каскадом и трехзвенной фазосдвигающей цепью
Усилитель собран на транзисторе VT1. Нагрузкой усилителя является резистор R3. Фазосдвигающая цепь состоит из элементов C4-C6, R4-R6. Резисторы R4-R6 включены по переменному току параллельно нагрузке усилителя- резистору R3-и шунтирует её, что приводит к уменьшению усиления каскада. Для уменьшения шунтирующего действия рекомендуется выбирать сопротивление резистора RC- звеньев фазосдвигающей цепи значительно больше R3.
С точки зрения обеспечения баланса фаз данный автогенератор можно было бы выполнить только на одном транзисторе VT1. Однако в этом случае небольшое входное сопротивление транзистора будет шунтировать цепь обратной связи и резко уменьшать её коэффициент передачи. Поэтому целесообразно разделить выход фазосдвигающей цепи и вход усилителя с помощью специального согласующего каскада на транзисторе VT2, называемым эмиттерным повторителем. Нагрузкой этого каскада служит резистор R9, включенный в цепь эмиттера транзистора VT2. Эмиттерный повторитель имеет большое входное сопротивление и поэтому мало шунтирует фазосдвигающую цепь.
Автогенераторы с фазосдвигающими цепями обычно применяют для генерирования синусоидальных колебаний фиксированный частоты, что связано с трудностью перестройки частоты в широком диапазоне.
4.6 RC- автогенератор с мостом Вина
Если усилитель изменяет фазу входного сигнала на 2π (например, усилитель, имеющий четное число каскадов), введение в него положительной обратной связи обеспечивает возможность генерирования колебаний без включения специальной фазосдвигающей цепи. Для выделения колебаний требуемой частоты, содержащихся в выходном напряжении такого генератора, в цепи обратной связи включают четырехполюсник, имеющий частотно-избирательные свойства. Принципиальная схема такого четырехполюсника, представляющего собой одну из ветвей моста Вина, изображена на рис. № 10.

Рис.10. Принципиальная схема частотно-избирательного четырехполюсника
Для генерирования автоколебаний необходимо, чтобы такой четырехполюсник не вносил сдвига между напряжениями U1и U2, что возможно, если отношение
=![]()
-положительное вещественное число. В последнем уравнении сопротивление Z1образовано последовательным соединением элементов R1 и C1, а сопротивление Z2-параллельным соединением R2 и C2. Так как
Z1=R1+=Z1ejψ1, а Z2= =Z2ejψ2,
.
Отсюда видно, что если ψ2=ψ1, отношение
выражается вещественным числом, следовательно сдвиг фаз между напряжениями U1 и U2 равен нулю. Частота, на которой ψ1= ψ2, определяется соотношением
f0=. Удобно выбрать R1=R2=R, C1=C2=C. В этом частотном случае
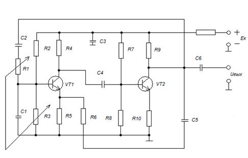
Принципиальная схема автогенератора с мостом Вина изображена на рис. № 11.

Рис.№ 11 Принципиальная схема RC-автогенератора с мостом Вина.
Автогенератор содержит два транзистора VT1и VT2, на которых собран двухкаскадный резисторный усилитель. Нагрузкой первого каскада является резистор R4, а второго- R9. Выходное напряжение усилителя поступает на его вход через цепь C2R1C1R3, являющуюся одной из ветвей моста Вина. Вторая ветвь, образованная резисторами R6,R5, соединена с выходом усилителя через конденсатор C5 большой емкости, благодаря чему цепь R6R5 не создает заметного сдвига фаз.
При этом минимальный коэффициент усиления, требуемый для выполнения баланса амплитуд, Кус=3. Последнее требование выполняется достаточно легко, так как реальный двухкаскадный усилитель имеет коэффициент усиления напряжения, намного превышающий значение Кус=3. Поэтому целесообразно наряду с положительной обратную связь, которая, снижая коэффициент усиления, существенно уменьшает нелинейные искажения генерируемых колебаний. Отрицательная обратная связь в рассматриваемой схеме осуществляется с помощью элементов R5, R10 и цепи C5R6.частота автоколебаний изменяется одновременно регулировкой емкости конденсаторов C1,C2 или сопротивления резисторов R1,R3. В обоих случаях диапазон регулировки, получается значительно больше того, который может быть достигнут в LC-генераторах.
4.7 Принцип получения релаксационных автоколебаний
Если условия самовозбуждения в RC-автогенераторе выполняются на на одной частоте, а в широком диапазоне частот, выходное напряжение генератора будет представлять собой последовательность импульсов, характеризующихся быстрым нарастанием и резким спадом. Такие генераторы называют импульсными. Эти генераторы не содержат колебательных систем, поэтому стабильность колебаний в них значительно хуже, чем в синусоидальных автогенераторах.
Литература
1. Шинаков Ю.С., Колодяжный Ю.М. Теория передачи сигналов электросвязи: Учебник для техникумов. -М.: Радио и связь.1989.-288 с.: ил.
2. Вайсбург Ф.И., Панаев Г.А., Савельев Б.Н. Электронные усилители и приборы. Учебник для техникумов. –М.: Радио и связь.1987.-472 с.: ил.
3. Добротворский И.Н. Теория электрических цепей: Учебник для техникумов. -М.: Радио и связь.1989.-472 с.: ил.
4. Гусев И.Г., Гусев В.М.Электроника: Учебное пособие. - М.: Высш.шк., 1991.- 662 с.