Выпрямительные устройства и их характеристики
Выпрямительные устройства и их характеристики
1. Структурная схема и параметры выпрямителей
ВЫПРЯМИТЕЛЬ - это устройство, преобразующее переменный ток в постоянный.
Структурная схема выпрямителя

Трансформатор регулирует напряжение до необходимой величины.
Вентильная группа содержит элементы с односторонней проводимостью: выпрямительные диоды в неуправляемых выпрямителях и тринисторы - в управляемых выпрямителях.
Сглаживающие фильтры предназначены для уменьшения пульсаций выпрямленного напряжения.
Стабилизатор напряжения поддерживает неизменным напряжение на нагрузочном резисторе Rн.
Существуют однофазные и трехфазные, управляемые и неуправляемые выпрямители.
2. Однофазные выпрямители. Схемы, принцип действия, параметры и характеристики
Для выпрямления однофазного переменного напряжения применяют три схемы:
1) однополупериодная;
2) двухполупериодная мостовая;
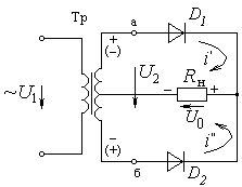
3) двухполупериодная трансформаторная (с выводом средней точки).
Однополупериодная схема - в которой ток проходит через вентиль только в течение одного полупериода переменного напряжения источника.
Двухполупериодные схемы - в которых ток проходит через вентильную группу в течение двух полупериодов переменного напряжения источника.
Рассмотрим соотношения параметров в выпрямителях при следующих допущениях:
1) Индуктивное сопротивление рассеяния трансформатора и активное сопротивление его обмоток равны нулю;
2) Сопротивление вентиля в прямом направлении равно нулю, а в обратном равно бесконечности.
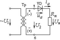
Однополупериодный однофазный выпрямитель
Временные диаграммы напряжений и токов:
Определим постоянную составляющую выпрямленного тока:


.
Так как
, то

.
Но так как
, т.е.
, то
![]()
или
.
Постоянная составляющая напряжения, выраженная через максимальное значение:
.
Постоянная составляющая напряжения, выраженная через действующее значение:
![]()
Таким образом, в данной схеме максимальное напряжение на диоде
,
т.е. напряжение на диоде в три раза больше, чем на нагрузке.
Среднее значение тока диода в этой схеме
.
Величину пульсаций выпрямленного напряжения характеризуют коэффициентом пульсаций
,
где U1m – амплитуда переменной составляющей напряжения, изменяющегося с частотой повторения импульсов, т.е. амплитуда первой гармоники.
Для однополупериодной схемы
, а
.
Недостатки схемы:
1) большое значение коэффициента пульсаций
;
2) напряжение на нагрузке почти в 3 раза меньше, чем на диоде;
3) постоянная составляющая выпрямленного тока
значительно меньше тока
во вторичной обмотке трансформатора, что приводит к его недостаточному использованию по току.
Двухполупериодная мостовая схема


I0 в 2 раза больше, чем в однополупериодной схеме. Поэтому:
![]()
;
;
Частота выпрямленного тока в 2 раза больше, чем у сети.
.
Двухполупериодная схема с выводом средней точки вторичной обмотки трансформатора


Это фактически сочетание двух однополупериодных выпрямителей, включенных на нагрузочный резистор Rн в различные фазы.
Соотношения параметров в данной схеме такие же, как и в мостовой схеме.
Преимущества двухполупериодных выпрямителей по сравнению с однополупериодным:
Среднее значение выпрямленных тока и напряжения в 2 раза больше, а пульсации меньше.
Но двухполупериодные выпрямители имеют более сложную конструкцию и стоимость.
Сравнение двухполупериодных схем:
1) Мостовая схема конструктивно проще, ее габариты, масса и стоимость ниже, чем трансформаторной схемы.
2) Максимальное обратное напряжение на закрытых диодах в мостовой схеме в 2 раза меньше (на каждый из двух диодов приходится половина напряжения).
3) Но в мостовой схеме необходимо в 2 раза больше диодов.
При выпрямлении токов I >Iпрmax для одного диода параллельно включают однотипные диоды с добавочными сопротивлениями:

Величины токов определяются их сопротивлениями в прямом направлении. Но сопротивления диодов в прямых направлениях Rдпр даже для однотипных диодов различны. Для выравнивания токов диодов последовательно включают добавочные сопротивления. Причем Rд в 5…10 раз больше Rдпр.

При выпрямлении напряжения, превышающего максимально допустимое для диода Uобр.max, используют последовательное соединение диодов, шунтированных резисторами.
При этом обратное напряжение на диодах распределяется в соответствии с их обратными сопротивлениями Rд.обр. Для выравнивания обратных напряжений параллельно диодам включают шунтирующие резисторы Rш, величина которых равна:
Rш=(0,1…0,2) Rд.обр.
3. Сглаживающие фильтры
Схемы, принцип действия, параметры и характеристики
Для уменьшения пульсаций выпрямленного напряжения применяют сглаживающие фильтры (СФ).
Снижение пульсаций оценивается коэффициентом сглаживания
,
где Kп и Kп’ – коэффициенты пульсаций до и после фильтра.
Основными требованиями к сглаживающим фильтрам является максимальное уменьшение высокочастотных составляющих токов в сопротивлении нагрузки.
У индуктивного элемента
, а у емкостного элемента
,
где k – номер гармоники.
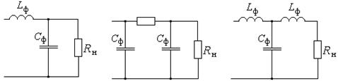
Поэтому индуктивность устанавливают последовательно, а емкость – параллельно нагрузке.
Емкостной фильтр


Конденсатор заряжается до напряжения U2, когда U2 > Uс (интервал t1 – t2). В течение интервала времени (t2 – t3) напряжение Uс > U2 – диод закрыт, а конденсатор разряжается через резистор Rн с постоянной времени
.
С момента времени t3 Uс < U2 – конденсатор заряжается и т.д.
То есть, когда диод пропускает ток конденсатор заряжается, а когда к диоду приложено обратное напряжение – конденсатор разряжается на нагрузку Rн.
Индуктивный фильтр


В течение положительного полупериода напряжения u2, когда ток i нарастает, индуктивная катушка Lф запасает энергию, а в отрицательный полупериод – энергия расходуется на поддержание тока.
Длительность импульсов тока iн определяется постоянной времени
. Чем больше индуктивность Lф, тем больше затягивается импульс и его амплитуда снижается из-за индуктивного сопротивления
. Падает и среднее значение тока.
Обычно индуктивность Lф в однополупериодных схемах не применяют, а используют в двухполупериодных:

Разновидности сглаживающих фильтров:

LC- RC-фильтры; Г-, П-, Т- образные фильтры.
4. Внешние характеристики выпрямителей
Сопротивление нагрузки Rн при работе изменяется, что вызывает изменение нагрузочного тока Iн.
Трансформаторы и вентили (диоды) имеют определенные величины активных сопротивлений Rтр и Rпр. На этих сопротивлениях происходит падение напряжения от тока Iн, приводящее к изменению напряжения на нагрузке Uн.
Внешняя характеристика выпрямителя Uн(Iн).
,
где Uхх – выпрямленное напряжение при Iн=0;
- среднее значение падения напряжения на сопротивлении диода в прямом направлении;
- среднее значение падения напряжения на активном сопротивлении вторичной обмотки трансформатора.
Внешняя характеристика определяет границы изменения нагрузочного тока, при котором выпрямленное напряжение не снижается ниже допустимой величины.

1 – выпрямитель без фильтра (характеристика нелинейна из-за Rпр);
2 – Выпрямитель с емкостным фильтром;
В режиме ХХ (Iн=0) выпрямленное напряжение равно амплитудному значению Umхх, а без фильтра – среднему значению.
Для однополупериодного выпрямителя
;
Для двухполупериодного -
.
При росте тока нагрузки кривая 2 падает более резко, поскольку падение происходит также за счет более быстрого разряда конденсатора на меньшее сопротивление, что снижает напряжение на нагрузке.
3 – Выпрямитель с Г-образным RC-фильтром. Дополнительное снижение напряжения вызвано падением напряжения на последовательно включенном резисторе Rф.