Аппаратура для терапии постоянным электрическим полем
БЕЛОРУССКИЙ ГОСУДАРСТВЕННЫЙ УНИВЕРСИТЕТ ИНФОРМАТИКИ И РАДИОЭЛЕКТРОНИКИ
Кафедра ЭТТ
РЕФЕРАТ
На тему:
«АППАРАТУРА ДЛЯ ТЕРАПИИ ПОСТОЯННЫМ ЭЛЕКТРИЧЕСКИМ ПОЛЕМ, АЭРОИОНАМИ И ЭЛЕКТРОАЭРОЗОЛЯМИ»
МИНСК, 2008
1. Физические обоснования и методика проведения процедур терапии постоянным электрическим полем и аэроионами
Исторически одной из первых электролечебных процедур был «электростатический душ», или франклинизация, при которой больной помещался в постоянное электрическое поле между электродами с высокой разностью потенциалов (30-40 кВ), получаемой с помощью электрической машины. Процедура сохранила свое значение до нашего времени. Изменился только источник высокого напряжения.
Франклинизация проводится в виде общей или местной процедуры. При общем воздействии (рис. 1) пациент усаживается на стул, касаясь ногами (при снятой обуви) металлического листа 2, соединенного с одним из полюсов источника высокого напряжения. Над головой больного устанавливается второй электрод 1 в виде звезды или полусферы, усаженный остриями, и соединенный с другим полюсом источника высокого напряжения.

Рис.1 Схема проведения процедуры общей франклинизации.
В аппаратах для франклинизации прежних выпусков полярность электродов могла выбираться по желанию и пациент вместе с ножным электродом изолировался от земли с помощью подставки 3. В современных аппаратах на головной электрод подается отрицательный потенциал и ножной электрод заземляется. Это соответствует установившейся методике проведения процедур и исключает накопление на пациенте статических зарядов, создающих неприятные искры при случайном касании пациента.
При местной процедуре один из электродов в виде полусферы малого диаметра или прямоугольной пластины, усаженной остриями, или шарика (для воздействия на малые участки) устанавливается на расстоянии нескольких сантиметров над поверхностью тела в области, подлежащей воздействию (рис. 2). Второй электрод - гладкая пластинка - подкладывается снизу - контактно.

Рис 2 Схема проведения процедуры местной франклинизации.
При франклинизации практически все приложенное к электродам напряжение падает на воздушном промежутке, отделяющем активный (с остриями) электрод от поверхности тела пациента. Это объясняется высокой по сравнению с воздухом проводимостью тканей тела. На остриях головного электрода имеет место высокая напряженность поля, и происходит тихий электрический разряд, интенсивность которого зависит от напряжения, приложенного между электродами. Напряженность электрического поля в тканях тела пациента, как уже указывалось, невелика, однако достаточна, чтобы вызвать явления поляризации молекул в тканях-диэлектриках и микротоки в тканях-проводниках. Эти процессы являются одним из первичных механизмов лечебного действия франклинизации. Особых ощущений при франклинизации больной не испытывает. Однако ионный поток, распространяющийся от остриев, увлекает за собой частицы воздуха и образует так называемый «электрический ветерок», который может ощущаться на открытых поверхностях тела больного. При большой интенсивности разряд проявляется также легким шипением, иногда потрескиванием.
Дозировка процедур франклинизации заключается в регулировании напряженности электрического поля. Принципиально это может быть осуществлено изменением как напряжения между электродами, так и расстояния между ними (практически между активным электродом и телом пациента). При общей франклинизации головной электрод устанавливается обычно на расстоянии 12-15 см над головой пациента, при местной франклинизации воздушный зазор составляет 5-7 см. При меньших расстояниях может возникнуть опасность искрового разряда на тело пациента. Увеличивать же это расстояние не имеет смысла, так как тогда надо соответственно увеличивать и напряжение между электродами. Таким образом, дозировка производится изменением только напряжения, подаваемого на электроды. Минимальное напряжение составляет 5 кВ, максимальное при общей процедуре - 50 кВ, при местной – 15-20 кВ.
Большое значение в механизме действия франклинизации придается аэроионному потоку, который образуется на остриях активного электрода и падает на поверхность тела, а также действию на организм вдыхаемого пациентом ионизированного и частично озонированного воздуха.
Лечебное применение аэроионов - аэроионотерапия, является самостоятельным методом лечения.
Аэроионы образуются за счет потери электрона внешней орбитой ионизируемого атома или молекулы (в основном, азота) и связывания электрона нейтральным атомом или молекулой (в основном, кислорода). Вокруг образующихся при ионизации ионов сосредоточиваются нейтральные молекулы газа. В результате образуются так называемые «легкие» аэроионы с радиусом порядка 10-4 мкм. При соединении легких ионов с мельчайшими твердыми и жидкими частичками, взвешенными в воздухе, образуются «тяжелые» аэроионы с радиусом порядка 10-1 мкм. Легкие аэроионы, группируя вокруг себя молекулы воды, превращаются в промежуточные по величине «средние» аэроионы.
Аэроионы характеризуются подвижностью – скоростью перемещения (в сантиметрах на секунды) в электрическом поле напряженностью 1 В/см. Подвижность легких аэроионов составляет 0,5-2 см2/В.с, тяжелых – в тысячу раз меньше.
Важное значение имеет коэффициент униполярности аэроионов, т.е. отношение количества положительных аэроионов в единице объема воздуха к количеству отрицательных аэроионов.
В естественных условиях в нижних слоях атмосферы в 1 см2 содержится от сотен до тысячи легких аэроионов и от сотен до десятков тысяч тяжелых. Количество тяжелых аэроионов увеличивается с запыленностью и с отрицательной стороны характеризует гигиеническое состояние атмосферы.
Коэффициент униполярности легких аэроинов для нижних слоев атмосферы составляет 1,1-1,2, что объясняется вертикальным перемещением отрицательных ионов из-за влияния отрицательного заряда земли.
Для проведения процедур аэроионотерапии, помимо аппаратов для франклинизации, которые снабжают специальным большим сферическим электродом с остриями, применяют специальные генераторы аэроионов. Но принципу действия эти генераторы подразделяются на: а) электроэффлювиальные, основанные на создании высокой напряженности электрического поля около находящегося под напряжением металлического острия; б) радиоактивные, основанные на ионизирующем действии альфа- или бета-излучения радиоактивных изотопов (в аэроионизаторе Штейнбока бета-излучение прометия; в) гидроаэроионизаторы, основанные на так называемом баллоэлектрическом эффекте, заключающемся в образовании при разбрызгивании воды отрицательно заряженных капелек (гидроаэроионы); г) термические ионизаторы, использующие термоэлектронную эмиссию раскаленных металлов (например, нихромовая проволока, нагретая до желто-белого каления, т.е. примерло до 12000С, и находящаяся под отрицательным потенциалом, составляющим несколько сотен вольт); д) фотоионизаторы, обеспечивающие ионизацию воздуха помещения за счет действия на него ультрафиолетового излучения. Наибольшее применение из перечисленных получили электроэффлювиальные и гидроаэроионизаторы.
Аэроионы используются как для ингаляции, так и для воздействия на открытую поверхность тела в рефлексогенных зонах, либо в области ран, язв, ожогов. В процессе дыхания аэроионы оседают на слизистой поверхности верхних дыхательных путей и передаются в кровь и лимфу.
В результате электрохимических процессов, вызванных зарядами аэроионов, снижается местная возбудимость нервных окончаний, проявляется общее нормализующее действие аэроионов на организм.
При дозировке процедур азроионизации исходят из того, что лечебная доза за процедуру составляет 10-15 млрд. ионов. При 14-18 вдохах в минуту (5-7 л воздуха) и длительности процедуры 10 мин в 1 см3 воздуха должно содержаться несколько сотен тысяч ионов. В зависимости от производительности генератора, которая указывается в его паспорте, может быть рассчитана необходимая длительность процедуры.
Аэроионизаторы различных типов на расстоянии полуметра создают в 1 см2 от десятков тысяч до нескольких миллионов аэроионов.
2. Аппараты для франклинизации и аэроионотерапии
За последние три десятилетия аппараты для франклинизации претерпели значительные изменения, превратившись из громоздких устройств с высоковольтным масляным трансформатором и кенотроном, заимствованными из рентгеновской аппаратуры, в современные электротехнические устройства с выпрямителем-умножителем, питаемым повышенной частотой. Московский завод ЭМА выпускает модернизированный аппарат для франклинизации и аэроионотерапии АФ-3-1. Аппарат предназначен для проведения процедур общей и местной франклинизации, а также групповой и индивидуальной аэроионотерапии.
Основные технические данные аппарата: наибольшее выходное напряжение при нагрузке 2500 МОм составляет 50 кВ; регулировка выходного напряжения 10-ю ступенями через 5 кВ; ток короткого замыкания выхода аппарата не превышает 400 мкА; питание от сети переменного тока частотой 50 Гц напряжением 220 В+5%,-10%; мощность, потребляемая из сети, не более 50 ВА; по защите от поражения электрическим током аппарат выполнен по классу 01; габаритные размеры 670х560х375 мм; масса аппарата не более 35 кг.
Для проведения процедур групповой аэроионотерапии в держателе на аппарате укрепляют сферический электрод. При размещении пациентов следует учитывать, что при максимальном напряжении на электроде на расстоянии 1,5 м от него в секторе с углом 1500 в 1см2 воздуха содержится около 1,3.106 отрицательных аэроионов.
Индивидуальную местную аэроионотерапию проводят с плоским или удлиненным электродом. Электрод крепят в держателе на аппарате или в электрододержателе для местных процедур.
Перед каждой сменой электрода необходимо разряжать конденсаторы выпрямителя-умножителя с помощью разрядной ручки.
Портативный индивидуальный аэроионизатор. Основные технические данные: производительность около 1,4 млн. ионов в 1 см2 воздуха на расстоянии 25 см от передней крышки; заряд ионов отрицательный, напряжение на ионизирующих электродах 3,5 кВ; питание от сети переменного тока частотой 50 Гц напряжением 127 и 220±10.
Принципиальная электрическая схема аппарата приведена на рис. 3. Выпрямитель собран по схеме восьмикратного умножения напряжения на селеновых столбах V1-V8 и конденсаторах С1-С8. Отрицательный полюс выпрямителя через ограничительный резистор R1 соединен с электродом.
В корпусе аппарата единым блоком смонтированы детали его электрической cхемы – автотрансформатор, конденсатор и селеновые столбы выпрямителя. Перед пятью отверстиями пластмассовой крышки установлены электроды - заостренные металлические стержни, укрепленные на общем основании в виде кольца.
Аэроионизатор создает направленный поток отрицательных аэроионов. Содержание ионов в 1 cм2 воздуха на расстоянии 15 cм от аэроионизатора достигает 5,4 млн., на расстоянии 50 cм – 200 тыс. и на расстоянии 100 cм – 30 тыс.

Рисунок.3 – Принципиальная электрическая схема аппарата «АИР-2».
Введение аэроионов с помощью аэроионизатора АИР-2 производится путем ингаляции. При проведении процедуры пациент сидит в удобной позе на стуле перед аэроионизатором (на расстоянии 30-40 cм) и дышит не напрягаясь.
3. Физические обоснования и методики проведения процедур терапии электроаэрозолями
Аэрозолями называются твердые или жидкие частицы, взвешенные в газообразной среде. В аэрозольтерапии наибольшее применение находят аэрозоли жидких лекарственных веществ с частицами, радиусы которых лежат в пределах от 0,5 до 25 мкм. При этом условно аэрозоли с радиусом частиц, превышающим 4 мкм, называют грубодисперсными, а с частицами, радиус которых меньше 4 мкм – высокодисперсными. От размеров частиц в сильной степени зависит глубина проникновения аэрозоля в легкие. Если радиус частиц аэрозоля превышает 50 мкм, то они, попадая в ротовую и носовую полость, не доходят до трахеи. В трахею проникают частицы с радиусом меньше 25 мкм, при этом в крупные бронхи проходят частицы с радиусом, не превышающим 15 мкм. Бронхов второго и третьего порядка достигают частицы с радиусом меньше 10 мкм и, наконец, в альвеолы попадают частицы, радиус которых не превышает нескольких мкм.
За счет большой суммарной поверхности частиц аэрозоля они, коснувшись стенок дыхательного пути, очень быстро всасываются и переходят в кровь и лимфу, что обеспечивает высокую эффективность их лечебного действия. Для лучшего представления о влиянии распыления на общую поверхность частиц приведем следующий пример. Поверхность жидкости, имеющей форму шара объемом 1 мл, составляет 4,84 см2. При распылении ее на частицы с радиусом 5 мкм поверхность жидкости увеличивается до 6000 см2, т.е. более чем на три порядка.
Наибольшая скорость всасывания имеет место в альвеолах, поэтому если целью аэрозольтерапии является общее воздействие на организм или местное воздействие на нижние участки легких, то стремятся обеспечить как можно более глубокое прохождение аэрозоля в легкие и применяют высокодисперсные аэрозоли. Если объектом воздействия являются верхние дыхательные пути, то применяют грубодисперсные аэрозоли.
В последнее время широкое применение находят заряженные аэрозоли жидких лекарственных веществ - электроаэрозоли. При введении в дыхательные пути электроаэрозолей происходит их более полное осаждение. Это объясняется в основном взаимным отталкиванием одинаково заряженных частиц. Ускоряется и всасывание лекарственных веществ по сравнению с незаряженными аэрозолями. Применение электроаэрозолей приводит к увеличению концентрации лекарственного вещества в тканях и жидкостях организма примерно в 1,5-2 раза по сравнению с обычными аэрозолями. Соответственно возрастает и время сохранения лечебных концентраций лекарственных веществ. Установлено, что электроаэрозоли (как правило, отрицательно заряженные), так же как и аэроионы, оказывают положительное нормализующее влияние на различные органы и системы организма, включая центральную нервную систему.
Ингаляции аэрозолей проводят как индивидуально с помощью респираторной маски или мундштука, так и группам пациентов в специальных помещениях-ингаляториях. В последнем случае применяются камерные ингаляторы большой производительности, создающие в ингалятории достаточную плотность аэрозоля.
Помимо ингаляций аэрозолей и электроаэрозолей, возможно также прицельное воздействие ими на открытые участки тела при ожогах в других поражениях.
В качестве генераторов аэрозолей жидких лекарственных веществ обычно применяются пневматические (форсуночные) распылители.
Находят применение также центробежные распылители, у которых под действием центробежной силы пленка жидкости срывается с вращающегося диска, образуя аэрозольные частицы, уносимые воздушным потоком. Центробежные распылители обладают высокой производительностью, но с их помощью трудно обеспечить узкий спектр размеров аэрозольных частиц.
С развитием ультразвуковой техники появились распылители, использующие энергию ультразвука. Создаваемый параболическим пьезопреобразователем сходящийся пучок ультразвуковых колебаний проходит снизу через распыливаемый раствор и фокусируется на его поверхности. В результате образуется фонтан жидкости, с поверхности которого срываются частицы аэрозоля.
Важным преимуществом ультразвуковых распылителей является относительно узкий спектр размеров частиц аэрозоля, которые зависят, в основном, от частоты ультразвуковых колебаний. При этом ультразвуковые распылители обладают на порядок более высокой производительностью по распыливаемой жидкости, чем пневматические. Однако производительность зависит от плотности жидкости и снижается при распыливании вязких жидкостей, что ограничивает возможности ультразвукового распыления.
Все аэрозоли, получившиеся в результате распыления, имеют электрический заряд. При распаде струи жидкости, отрыве капель происходят электризация частиц. Однако величина зарядов обычного аэрозоля невелика. Для повышения заряда частиц применяют их дополнительную электризацию, в результате чего получают электроаэрозоль.
Рассмотрим принципиальную схему пневматического электроаэрозольного распылителя, работающего по принципу эжекции (рис. 4).

Рисунок 4 – Схема устройства генератора электроаэрозолей.
Сжатый воздух от компрессора (или кислород из баллона) поступает в сопло форсунки 1. Струя воздуха, вытекая с высокой скоростью из сопла, сжимается, в результате чего создается разрежение около отверстия трубки 2. Жидкость 3 засасывается по трубке 2 и смешивается с потоком воздуха. При этом образуются аэрозольные частицы, попадающие на сферический сепаратор 5. Крупные частицы осаждаются на сепараторе и стекают в резервуар.
Для придания частицам аэрозоля заряда и получения электроаэрозоля на воздушное сопло и на соединенную с сепаратором, опущенную в жидкость трубку подается постоянное напряжение. За счет электростатической индукции на поверхности жидкости, вытекающей из трубки, наводятся заряды. Эти заряды остаются на возникающих при распылениях капельках - образуется электроаэрозоль, который выходит из распылителя по патрубку 4.
Генератор аэрозоля характеризуется следующими основными параметрами: производительность по воздуху, т.е. расход воздуха в литрах в минуту; производительность по распыливаемой жидкости, т.е. расход лекарственного раствора (в граммах в минуту); дисперсность аэрозоля (обычно указываются предельные радиусы частиц, составляющих подавляющую часть аэрозоля). Для генератора электроаэрозоля дополнительными параметрами являются полярная объемная плотность заряда аэрозоля, выражаемая в количестве элементарных зарядов (как правило, отрицательных) в единице объема аэрозоля, а также производительность по заряду, т.е. величина заряда, сообщаемая частицам за единицу времени. Важное значение имеет коэффициент униполярности, т.е. модуль отношения объемной плотности положительных зарядов к объемной плотности отрицательных зарядов.
В процессе распыления лекарственных веществ происходит охлаждение воздуха, в частности за счет расширения сжатого воздуха при выходе из форсунки. Кроме того, испарение осевших частиц аэрозоля также приводит к охлаждению дыхательных путей. Во избежание этого аэрозоль обычно подогревают и температура аэрозоля (около 38°С) - также важный параметр аэрозольного генератора.
4. Аппараты для электроаэрозольтерапии
Аппарат применяется для индивидуальной ингаляции злектроаэрозолей водных лекарственных растворов, а также незаряженных аэрозолей масел и масляных растворов. С помощью аппарата аэрозоли могут наноситься на поверхность пораженных частей тела, например, при ожогах.
Основные технические данные аппарата: производительность по жидкости не менее 0,4 г/мин; расход сжатого воздуха 4,5 л/мин при давлении 1,5 кгс/см2); производительность по заряду 10-9А; дисперсность аэрозоля: частицы с радиусом в пределах 0,5-2,5 мкм составляют не менее 70%; остальные имеют радиус 2,5-5 мкм; температура аэрозоля 35±7°С; питание от сети переменного тока частотой 50 Гц, напряжением 220В±10%; потребляемая мощность не более 100 ВА; по защите от поражения электрическим током аппарат выполнен ко классу II.
Генератор состоит из распылителя с подогревателем, выпрямителя и держателя для крепления распылителя. Распылитель (рис. 5) представляет собой изготовленный из изоляционного материала корпус 4, к которому присоединены: снизу – стакан 7 с распыливаемой жидкостью 8 и выходным патрубком 6; сверху – корпус 1 нагревателя в виде спирали 13, питаемой через кабель 14.
В корпусе распылителя вдоль его оси установлено газовое сопло 2, соединяемое через штуцер 12 с воздуховодом 11. Перпендикулярно газовому соплу установлено жидкостное сопло 5, соединенное с опущенной в жидкость трубкой 9.

Рисунок 5 – Схема устройства распылителя аппарата ГЭИ-1.
Для управления распылением предусмотрена кнопка 10, при нажатии которой перекрывается отверстие, соединяющее жидкостное сопло с атмосферой.
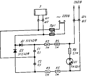
На жидкостное и газовое сопла с помощью шнура 3 от выпрямителя подается постоянное напряжение 350 В (см. рис. 6). Выпрямитель питается от сети переменного тока по бестрансформаторной схеме. Выпрямитель собран по схеме удвоения на диодах Д1, Д2 и конденсаторах С1, С2. В цепи выпрямленного напряжения включена цепочка резисторов R1-R4, обеспечивающих безопасность при случайном касании жидкостного или газового сопла. Индикатором наличия напряжения на электродах является неоновая лампа Л1, включенная последовательно с резистором R6. При случайных межэлектродных замыканиях напряжение на выходе выпрямителя падает и лампа гаснет.

Рисунок 6 – Принципиальная электрическая схема аппаратаэдектроаэрозольтерапии.
Аппарат работает следующим образом. Сжатый воздух, вытекая из газового сопла, обтекает жидкостное сопло, подсасывает жидкость и распыливает ее. Поток аэрозоля в центральном канале корпуса образует эжектор, подсасывающий воздух из корпуса нагревателя. Таким образом обеспечивается нагрев аэрозоля и увеличивается производительность генератора. Подача жидкости производится только при нажатой кнопке на корпусе генератора. Это уменьшает расход лекарственных средств, так как пациент нажимает на кнопку только в момент вдоха.
Постоянное напряжение, приложенное к соплам, приводит к индуцированию на частицах аэрозоля зарядов. Знак зарядов может измениться переключением полярности вилки, подключаемой к гнездам выпрямителя.
ЛИТЕРАТУРА
| 1. | Системы комплексной электромагнитотерапии: Учебное пособие для вузов/ Под ред А.М. Беркутова, В.И.Жулева, Г.А. Кураева, Е.М. Прошина. – М.: Лаборатория Базовых знаний, 2000г. – 376с. | 2000 |
| 2. | Электронная аппаратура для стимуляции органов и тканей /Под ред Р.И.Утямышева и М.Враны - М.: Энергоатомиздат, 2003.384с.. | 2003 |
| 3. | Ливенсон А.Р. Электромедицинская аппаратура. :(Учебн. пособие) - Мн.: Медицина, 2001. - 344с. | 2001 |