Анализ процессов в электрических цепях с ключевыми элементами на основе компьютерных технологий
Описание схемы
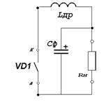
Дана схема рис.5-16(16 1 2 40):

Даные элементов схемы:
VD1 и VD2 -- диоды
Rн – сопротивление нагрузки
Lдр – индуктивность дросселя
Сф – емкость выходного фильтра
С1 - ёмкость конденсатора, включаемого между зажимами источника питания
Еп – ЭДС
VT1 - транзистор
Данная схема является однотактным широтно-импульсным преобразователем (ШИП) постоянного напряжения (последовательный конвертор).
Схема замещения: транзисторы и диоды заменяем на ключи.
Схема примет вид:
Рассмотрим вариант схемы, когда VT1 остаётся открытым до и после коммутации.
Схема примет вид:

Задание 1
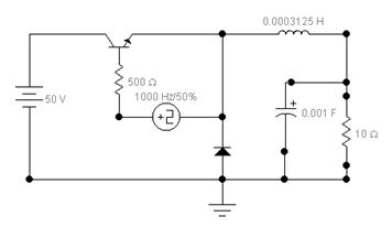
Рассчитаем вышеприведённую схему в пакете MATHcad на промежутке времени (t1,t2):
Исходные данные:
E=k1*50 E=1*50 E=50в
Rн=kr*5 Rн=2*5 Rн=10 Ом
fт=kf*500 fт=32*500 fт=16000
Lдр=0,0003125 Гн
Сф=0,001 Ф

Временная диаграмма сигнала управления транзистором в ШИП:
t1=0
t2=0,0003
t3=0,001
t4=0,0013
t5=0,002
t6=0,0023
T=0,001-период Кз=0,3
Расчёт:


Задание 2
Рассчитаем схему на промежутке времени (t2,t3):
В момент времени t>0,0003 схема примет вид:



Расчёт:

3адание 3
Рассчитаем схему на промежутке времени (t3,t4):
В момент времени t>0,001 схема примет вид:

Расчёт:


Задание 4
Рассчитаем схему на промежутке (t4,t5):
В момент времени t>0,0013 схема примет вид:



Расчёт:

Ток быстро спадает, конденсатор начинает разряжаться и ток начинает бежать в другую сторону.
Посмотрим поведение схемы на промежутке времени (0,00155;0,0023).Схема на этом промежутке принимает вид:




Задание 5
Посмотрим поведение нашей схемы в виде диаграмм. Для этого воспользуемся программой для черчения, расчёта, симуляции и анализа любых схем аналоговой и цифровой электроники – Electronic WorkBench.
Для этого нарисуем свою схему и зададим для неё параметры:


