Усилитель приёмного блока широкополосного локатора
Министерство образования Российской Федерации
ТОМСКИЙ ГОСУДАРСТВЕННЫЙ УНИВЕРСИТЕТ
СИСТЕМ УПРАВЛЕНИЯ РАДИОЭЛЕКТРОНИКИ (ТУСУР)
Кафедра радиоэлектроники и защиты информации (РЗИ)
УСИЛИТЕЛЬ ПРИЁМНОГО
БЛОКА ШИРОКОПОЛОСНОГО ЛОКАТОРА
Пояснительная записка к курсовому проекту по дисциплинеСхемотехника и АЭУ
Студент гр. 148-3__________Воронцов С.А.
24.04.2001
Руководитель
Доцент кафедры РЗИ_____________Титов А.А.
_____________
2001
Реферат
Курсовой проект 18 с., 11 рис., 1 табл.
КОЭФФИЦИЕНТ УСИЛЕНИЯ (Кu), АМПЛИТУДНОЧАСТОТНЫЕ ХАРАКТЕРИСТИКИ (АЧХ), ТЕРМОСТАБИЛИЗАЦИЯ, РАЗДЕЛИТЕЛЬНЫЕ ЁМКОСТИ, ДРОССЕЛИ, КОМБИНИРОВАННЫЕ ОБРАТНЫЕ СВЯЗИ.
Объектом проектирования является проектирование усилителя приёмного блока широкополосного локатора. Цель работы – приобретение навыков аналитического расчёта усилителя по заданным к нему требованиям. В процессе работы производился аналитический расчёт усилителя и вариантов его исполнения, при этом был произведён анализ различных схем термостабилизации, рассчитаны эквивалентные модели транзистора, рассмотрены варианты коллекторной цепи транзистора.
В результате расчета был разработан широкополосный усилитель с заданными требованиями.
Полученный усилитель может быть использован как усилитель высокой частоты
в приёмных устройствах.
Курсовая работа выполнена в текстовом редакторе Microsoft Word 7.0.
ТЕХНИЧЕСКОЕ ЗАДАНИЕ
на курсовое проектирование по курсу “Аналоговые электронные устройства”
студент гр. 148-3 Воронцов С.А.
Тема проекта: Усилитель приёмного блока широкополосного локатора.
Исходные данные для проектирования аналогового устройства.
1. Диапазон частот от 100 МГц до 400 МГц.
2. Допустимые частотные искажения Мн 3 dB, МВ 3 dB.
3. Коэффициент усиления 15 dB.
4. Сопротивление источника сигнала 50 Ом.
5. Амплитуда напряжения на выходе 1 В.
6. Характер и величина нагрузки 50 Ом.
7. Условия эксплуатации (+10 +50)ºС.
8. Дополнительные требования: согласование усилителя по входу и выходу.
Содержание
1 Введение ------------------------------------------ ----------------------------- 5
2 Основная часть ---------------------------------------------------------------- 6
2.1 Анализ исходных данных -------------------------------------------------- 6
2.2 Расчёт оконечного каскада ----------------------------------------------- 6
2.2.1 Расчёт рабочей точки ---------------------------------------------------- 6
2.2.2 Расчёт эквивалентных схем замещения транзистора ------------- 9
2.2.2.1 Расчёт параметров схемы Джиаколетто -------------------------- 9
2.2.2.2 Расчёт однонаправленной модели транзистора ------------------ 9
2.2.3 Расчёт и выбор схемы термостабилизации --------------------------10
2.2.3.1 Эмитерная термостабилизация -------------------------------------- 10
2.2.3.2 Пассивная коллекторная ---------------------------------------------- 11
2.2.3.3 Активная коллекторная ----------------------------------------------- 12
3 Расчёт входного каскада по постоянному току ------------------------ 13
3.1 Выбор рабочей точки ------------------------------------------------------ 13
3.2 Выбор транзистора --------------------------------------------------------- 13
3.3 Расчёт эквивалентной схемы транзистора------------------------------- 14
3.3.1 Расчёт цепи термостабилизации-----------------------------------------14
4.1 Расчёт полосы пропускания выходного каскада-----------------------15
4.2. Расчёт полосы пропускания входного каскада------------------------ 17
5 Расчёт ёмкостей и дросселей ---------------------------------------------18
6 Заключение --------------------------------------------------------------------20
7 Список использованных источников---------------------------------------- 21
1 Введение
Цель работы – приобретение навыков аналитического расчёта широкополосного усилителя по заданным к нему требованиям.
Всё более широкие сферы деятельности человека не могут обойтись без радиолокации. Следовательно, к устройствам радиолокации предъявляются всё более жёсткие требования. В первую очередь это хорошее согласование по входу и выходу, хорошая повторяемость характеристик усилителей при их производстве, без необходимости подстройки, миниатюризация.
Всеми перечисленными выше свойствами обладают усилители с отрицательными комбинированными обратными связями (1), что достигается благодаря совместному использованию последовательной местной и параллельной обратной связи по напряжению
2 Основная часть
2.1 Анализ исходных данных
Исходя из условий технического задания, наиболее оптимальным вариантом решения моей задачи будет применение комбинированной обратной связи.(2)
Вследствие того, что у нас будут комбинированные обратные связи, которые нам дадут хорошее согласование по входу и выходу, в них будет теряться 1/2 выходного напряжения, то возьмём Uвых в 2 раза больше заданного, т.е. 2В.
2.2 Расчёт оконечного каскада
2.2.1 Расчёт рабочей точки
Возьмём Uвых в 2 раза больше чем заданное, так как часть выходной мощности теряется на ООС.(2)
Uвых=2Uвых(заданного)=2 (В)
Расчитаем выходной ток:
Iвых=
==0,04 (А)
Расчитаем каскады с резистором и индуктивностью в цепи коллектора:
![]() |
Расчёт резистивного каскада при условии Rн=Rк=50 (Ом) рис(2.2.1.1).

Рисунок 2.2.1.1- Резистивный каскад Рисунок 2.2.1.2- Нагрузочные прямые.
по переменному току.
Расчитаем выходной ток для каскада с резистором в цепи коллектора:
Iвых~=
==0,08 (А)
Расчитаем ток и напряжение в рабочей точке:
Uкэ0=Uвых+Uост, Uост примем равным 2В. (2.2.1)
Iк0=Iвых~+0,1Iвых~ (2.2.2)
Uкэ0=3 (В)
Iк0=0,088 (А)
Расчитаем выходную мощность:
Pвых=
==0,04 (Вт)
Напряжение питания тогда будет:
Eп=Uкэ0+URк=Uкэ0+ Iк0×Rк=7,4 (В)
Найдём потребляемую и рассеиваемую мощность:
Pрасс=Uкэ0×Iк0=0,264 (Вт)
Рпотр= Eп×Iк0=0,651(Вт)
![]() |
Для того чтобы больше мощности шло в нагрузку, в цепь коллектора включаем дроссель.(2)
![]() |
Расчёт каскада при условии что в цепь коллектора включен Lк рис(2.2.1.3).
Рисунок 2.2.1.3- Индуктивный каскад Рисунок 2.2.1.4- Нагрузочные прямые.
по переменному току.
Расчитаем выходной ток для каскада с индуктивностью в цепи коллектора:
Iвых=
==0,04 (А)
По формулам (2.2.1) и (2.2.2) расчитаем рабочую точку.
Uкэ0=3 (В)
Iк0=0,044 (А)
Найдём напряжение питания, выходную, потребляемую и рассеиваемую мощность:
Pвых=
==0,04 (Вт)
Eп=Uкэ0=3 (В)
Рк расс=Uкэ0×Iк0=0,132 (Вт)
Рпотр= Eп×Iк0=0,132 (Вт)
| Еп,(В) | Ррасс,(Вт) | Рпотр,(Вт) | Iк0,(А) | |
| С Rк | 7,4 | 0,264 | 0,651 | 0,088 |
| С Lк | 3 | 0,132 | 0,132 | 0,044 |
Таблица 2.2.1.1- Характеристики вариантов схем коллекторной цепи
Из энергетического расчёта усилителя видно, что целесообразнее использовать каскад с индуктивностью в цепи коллектора.
Выбор транзистора осуществляется с учётом следующих предельных параметров:
1. граничной частоты усиления транзистора по току в схеме с ОЭ
;
2. предельно допустимого напряжения коллектор-эмиттер
;
3. предельно допустимого тока коллектора
;
4. предельной мощности, рассеиваемой на коллекторе
.
Этим требованиям полностью соответствует транзистор КТ996А. Его основные технические характеристики приведены ниже.
Электрические параметры:
1. Граничная частота коэффициента передачи тока в схеме с ОЭ МГц;
2. Постоянная времени цепи обратной связи пс;
3. Статический коэффициент передачи тока в схеме с ОЭ ;
4. Ёмкость коллекторного перехода при В
пФ;
5. Индуктивность вывода базы
нГн;
6. Индуктивность вывода эмиттера
нГн.
Предельные эксплуатационные данные:
1. Постоянное напряжение коллектор-эмиттер В;
2. Постоянный ток коллектора
мА;
3. Постоянная рассеиваемая мощность коллектора Вт;
2.2.2 Расчёт эквивалентных схем замещения транзистора.
![]() |
2.2.2.1Расчёт параметров схемы Джиаколетто.
Рисунок 2.2.2.1.1- Эквивалентная схема биполярного
транзистора (схема Джиаколетто).
Найдём параметры всех элементов схемы:(2)
Пересчитаем ёмкость коллектора из паспортной: Ск(треб)=Ск(пасп)*=1,6×
=2,92 (пФ)
Найдём gб=
, причём rб= :
rб=
=2,875 (Ом); gб==0,347 (Cм);
Для нахождения rэ воспользуемся формулой rэ=
, где Iк0 в мА:
rэ=
=1,043 (Ом);
Найдём оставшиеся элементы схемы
gбэ=
=0,017,где ß0=55 по справочнику;
Cэ=
=30,5 (пФ),где fТ=5000Мгц по справочнику;
Ri=
=100 (Ом), gi=0.01(См),где Uкэ(доп)=20В Iко(доп)=200мА.
2.2.2.2Расчёт однонаправленной модели транзистора.
![]() |
Данная модель применяется в области высоких частот.
Рисунок 2.2.2.2.1- Однонаправленная модель транзистора.
Параметры эквивалентной схемы расчитываются по приведённым ниже формулам.(2)
Входная индуктивность:
, (2.2.2.1)
где
–индуктивности выводов базы и эмиттера.
Входное сопротивление:
, (2.2.2.2)
где
, причём ,
и – справочные данные.
Выходное сопротивление:
. (2.2.2.3)
Выходная ёмкость:
. (2.2.2.4)
В соответствие с этими формулами получаем следующие значения элементов эквивалентной схемы:
Lвх= Lб+Lэ=1+0,183=1,183 (нГн);
Rвх=rб=2,875 (Ом);
Rвых=Ri=100 (Ом);
Свых=Ск(треб)=2,92 (пФ);
fmax=fт=5 (ГГц)
2.2.3 Расчёт и выбор схемы термостабилизации.
2.2.3.1 Эмитерная термостабилизация.
![]() |
Эмитерная термостабилизация широко используется в маломощных каскадах, так как потери мощности в ней при этом не значительны и её простота исполнения вполне их компенсирует, а также она хорошо стабилизирует ток коллектора в широком диапазоне температур при напряжении на эмиттере более 3В.(1)
Рисунок 2.2.3.1.1- Каскад с эмитерной термостабилизацией.
Рассчитаем параметры элементов данной схемы.
Uэ=4 (В);
Eп=Uкэ0+Uэ=7 (В);
Rэ=
==90,91 (Ом);
Rб1=
, Iд=10×Iб, Iб=, Iд=10×
=10×
=0,008 (А);
Rб1=
=264,1 (Ом);
Rб2=
=534,1 (Ом).
Наряду с эмитерной термостабилизацией используются пассивная и активная коллекторная термостабилизации.(1)
2.2.3.2Пассивная коллекторная термостабилизация:
Ток базы определяется Rб. При увеличении тока коллектора напряжение в точке А падает и следовательно уменьшается ток базы, а это не даёт увеличиваться дальше току коллектора. Но чтобы стал изменяться ток базы, напряжение в точке А должно измениться на 10-20%, то есть Rк должно быть очень велико, что оправдывается только в маломощных каскадах(1).
![]() |
Рисунок 2.2.3.2.1- Схема пассивной коллекторной термостабилизации
Rк=
=159.1(Ом);
URк=7 (В);
Eп=Uкэ0+URк=10 (В);
Iб=
=0.0008(А);
Rб=
=2875 (Ом).
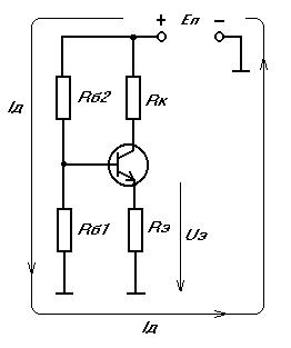
2.2.3.3 Активная коллекторная термостабилизация.
Можно сделать чтобы Rб зависило от напряжения в точке А см. рис.(2.2.3.2.1). Получим что при незначительном уменьшении (увеличении) тока коллектора значительно увеличится (уменьшится) ток базы. И вместо большого Rк можно поставить меньшее на котором бы падало порядка 1В см. рис.(2.2.3.3.1).(1)
b2=100;
Rк=
==22,73 (Ом);
Eп=Uкэ0+UR=4 (В);
Iд2=10×Iб2=10×=0.00008 (A);
R3=
=28,75 (кОм);
R1=
=21,25 (кОм);
R2=
=4.75 (кОм).
![]() |
Рисунок 2.2.3.3.1- Активная коллекторная термостабилизация.
Данная схема требует значительное количество дополнительных элементов, в том числе и активных. Если Сф утратит свои свойства, то каскад самовозбудится и будет не усиливать, а генерировать.Основываясь на проведённом выше анализе схем термостабилизации выберем эмитерную.
3 Расчёт входного каскада по постоянному току
3.1 Выбор рабочей точки
При расчёте требуемого режима транзистора промежуточных и входного каскадов по постоянному току следует ориентироваться на соотношения, приведённые в пункте 2.2.1 с учётом того, что заменяется на входное сопротивление последующего каскада. Но, при малосигнальном режиме, за основу можно брать типовой режим транзистора (обычно для маломощных ВЧ и СВЧ транзисторов
мА и
В). Поэтому координаты рабочей точки выберем следующие мА,
В. Мощность, рассеиваемая на коллекторе мВт.
3.2 Выбор транзистора
Выбор транзистора осуществляется в соответствии с требованиями, приведенными в пункте 2.2.1. Этим требованиям отвечает транзистор КТ3115А-2. Его основные технические характеристики приведены ниже.
Электрические параметры:
1. граничная частота коэффициента передачи тока в схеме с ОЭ ГГц;
2. Постоянная времени цепи обратной связи пс;
3. Статический коэффициент передачи тока в схеме с ОЭ ;
4. Ёмкость коллекторного перехода при В
пФ;
5. Индуктивность вывода базы
нГн;
6. Индуктивность вывода эмиттера
нГн.
7. Ёмкость эмиттерного перехода
пФ;
Предельные эксплуатационные данные:
1. Постоянное напряжение коллектор-эмиттер В;
2. Постоянный ток коллектора
мА;
3. Постоянная рассеиваемая мощность коллектора Вт;
3.3 Расчёт эквивалентной схемы транзистора
Эквивалентная схема имеет тот же вид, что и схема представленная на рисунке 2.2.2.2.1 Расчёт её элементов производится по формулам, приведённым в пункте 2.2.2.1
нГн;
пФ;
Ом
Ом;
Ом;
пФ.
3.3 Расчёт цепи термостабилизации
Для входного каскада также выбрана эмиттерная термостабилизация, схема которой приведена на рисунке 3.3.1.

Рисунок 3.3.1
Метод расчёта схемы идентичен приведённому в пункте 2.2.3.1 с той лишь особенностью что присутствует, как видно из рисунка, сопротивление в цепи коллектора
. Эта схема термостабильна при В и
мА. Напряжение питания рассчитывается по формуле
В.
Расчитывая элементы получим:
Ом;
кОм;
кОм;
4.1 Расчет полосы пропускания выходного каскада
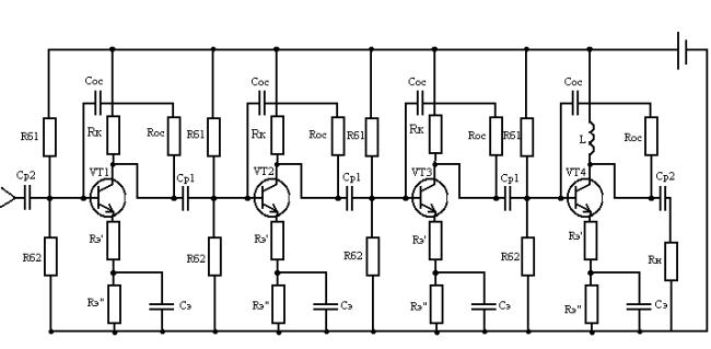
Поскольку мы будем использовать комбинированные обратные (1), то все соответствующие элементы схемы будут одинаковы, т.е. по сути дела расчёт всего усилителя сводится к расчёту одного каскада.

Рисунок 2.3.1 - Схема каскада с комбинированной ООС
Достоинством схемы является то, что при условиях
и (4.1.1)
схема оказывается согласованной по входу и выходу с КСВН не более 1,3 в диапазоне частот, где выполняется условие ³0,7. Поэтому практически отсутствует взаимное влияние каскадов друг на друга при их каскадировании (6).
При выполнении условия (1.53), коэффициент усиления каскада в области верхних частот описывается выражением:
, (4.1.2)
где
; (4.1.3)
;
.
Из (2.3.1), (2.3.3) не трудно получить, что при заданном значении
. (4.1.4)
При заданном значении
, каскада равна:
, (4.1.5)
где
.
Нагружающие ООС уменьшают максимальную амплитуду выходного сигнала каскада, в котором они используются на величину
.
При выборе
и из (4.1.3), ощущаемое сопротивление нагрузки транзистора каскада с комбинированной ООС равно
.
Расчёт Kо:
Для реализации усилителя используем четыре каскада. В этом случае коэффициент усиления на один каскад будет составлять:
Ко=
=4.5дБ или 1.6 раза
(Ом);
Rэ=
(Ом);
;
;
Общий уровень частотных искажений равен 3 дБ, то Yв для одного каскада примем равным:
;
;
![]() |
Подставляя все данные в (4.1.5) находим fв:

Рисунок 4.1.1- Усилитель приёмного блока широкополосного локатора на четырёх каскадах.
4.2. Расчёт полосы пропускания входного каскада
Все расчёты ведутся таким же образом, как и в пункте 4.1 с той лишь разницей что берутся данные для транзистора КТ3115А-2.Этот транзистор является маломощным,
тем самым, применив его в первых трёх каскадах, где уровень выходного сигнала небольшой, мы добьемся меньших потерь мощности.
(Ом);
Rэ=
(Ом);
;
;
Так каr в усилителе 4 каскада и общий уровень частотных искажений равен 3 дБ, то Yв для одного каскада примем равным:
;
;
Подставляя все данные в (4.1.5) находим fв:

,
Все требования к усилителю выполнены
5 Расчёт ёмкостей и дросселей.
Проводимый ниже расчёт основан на (2).
![]()
(нФ);
![]()
(мкГн);
На нижних частотах неравномерность АЧХ обусловлена ёмкостями Ср и Сэ, поэтому пусть 1,5 dB вносят Ср и столько же Сэ.
, где (5.1)
R1 и R2 сопротивления соответственно слева и справа от Ср
Yн допустимые искажения вносимые одной ёмкостью.
(dB), (раз), для Ср1 и
(раз), для Сэ.
R1=Rвых(каскада), R2=Rвх(каскада)=Rн=50 (Ом), для Ср1 (межкаскадной),
R1=Rг=Rвых(3-го каскада)=50 (Ом), R2=Rвх(каскада)=Rн=50 (Ом), для Ср2,
,
, ,
,
(Ом),
По формуле (2.4.1) рассчитаем Ср.
(пФ),
(пФ),
,
,
(нс),
(нФ).
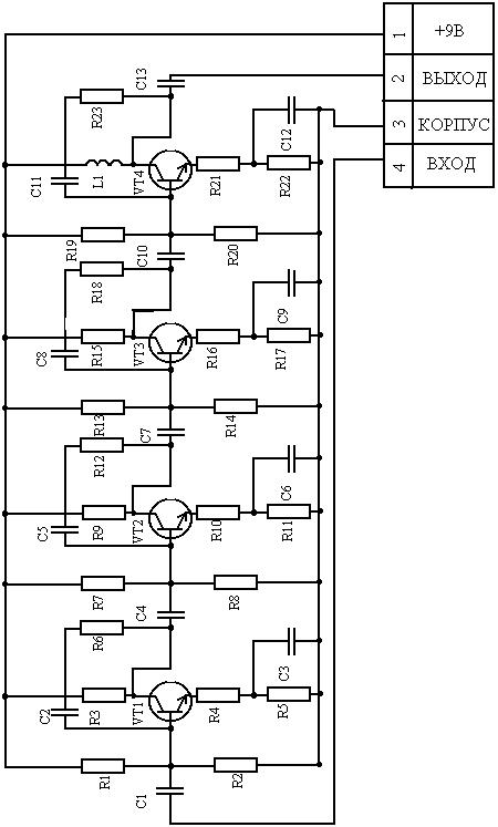
| ||||||||||||||
РТФ КП 468730.001.ПЗ | ||||||||||||||
| усилитель приёмного | Лит | Масса | Масштаб | |||||||||||
| Изм | Лист | Nдокум. | Подп. | Дата | блока широкополосного | |||||||||
| Выполнил | Воронцов | локатора | ||||||||||||
| Проверил | Титов | |||||||||||||
| Лист | Листов | |||||||||||||
| ТУСУР РТФ | ||||||||||||||
| Принципиальная | Кафедра РЗИ | |||||||||||||
| схема | гр. 148-3 | |||||||||||||
| С1,С13 | КД-2-60 пФ±10% | 2 |
| Позиция Обозн. | Наименование | Кол | Примечание |
| Конденсаторы ОЖ0.460.203 ТУ |
| С2,С5, С8,С11 | КД-2-1200 пФ±10% | 4 | ||||||||||||||||||||
| С3,С6 С9,С12 | КД-2-0.3 нФ±10 | 4 | ||||||||||||||||||||
| С4,С7, С10 | КД-2-33 пФ±10% | 3 | ||||||||||||||||||||
| Катушки индуктивности | ||||||||||||||||||||||
| L1 | Индуктивность 8 мкГн±10% | 1 | ||||||||||||||||||||
| Резисторы ГОСТ 7113-77 | ||||||||||||||||||||||
| R19 | МЛТ–0,125-264 Ом±10% | 1 | ||||||||||||||||||||
| R20 | МЛТ–0,125-535 Ом±10% | 1 | ||||||||||||||||||||
| R4,R10 R16,R21 | МЛТ–0,5-18 Ом±10% | 4 | ||||||||||||||||||||
| R22 | МЛТ–0,5-73 Ом±10% | 1 | ||||||||||||||||||||
| R6,R12, R18,R23 | МЛТ–0,25-142 Ом±10% | 4 | ||||||||||||||||||||
| R1,R7, R13 | МЛТ–0,125-2200 Ом±10% | 3 | ||||||||||||||||||||
| R2,R8, R14 | МЛТ–0,125-1700 Ом±10% | 3 | ||||||||||||||||||||
| R5,R11, R17 | МЛТ–0,125-880 Ом±10% | 3 | ||||||||||||||||||||
| Транзисторы | ||||||||||||||||||||||
| VT3 | КТ996А | 1 | ||||||||||||||||||||
| VT1,VT2 VT3 | КТ3115А-2 | 3 | ||||||||||||||||||||
| РТФ КП 468730.001 ПЗ | ||||||||||||||||||||||
| Лит | Масса | Масштаб | ||||||||||||||||||||
| Из | Лист | Nдокум. | Подп. | Дата | УСИЛИТЕЛЬ ПРИЁМНОГО БЛОКА | |||||||||||||||||
| Выполнил | Воронцов | |||||||||||||||||||||
| Проверил | Титов | ШИРОКОПОЛОСТНОГО ЛОКАТОРА | ||||||||||||||||||||
| Лист | Листов | |||||||||||||||||||||
| ТУСУР РТФ | ||||||||||||||||||||||
|
Подобные работы:
Актуально:
| ||||||||||||||||||||||









