Регулировка цветных кинескопов
Введение
Стационарные цветные телевизоры УПИМЦТ, 3УСЦТ и 3УСЦТ-П-51 выполнены полностью на полупроводниковых приборах и микросхемах (за исключением кинескопа и индикаторов). Рассмотрим их особенности.
В телевизорах УПИМЦТ имеются 15 съёмных модулей. Каждый такой модуль представляет собой функционально законченную часть телевизора. В восьми модулях наряду с дискретными деталями находится одна или две микросхемы. Модули смонтированы на отдельных платах и устанавливаются вместе с крупногабаритными деталями на кроссплату соответствующего блока. Модуль строчной развёртки выполнен на тиристорах, а в блоке питания применён силовой трансформатор с обычной мостовой схемой выпрямления сетевого напряжения.
В телевизорах 3УСЦТ использованы микросхемы с большой степенью интеграции, фильтры на поверхностных акустических волнах, транзисторная строчная развёртка и импульсный модуль питания. По сравнению с телевизорами УПИМЦТ в них уменьшено число дискретных деталей, снижена потребляемая от электрической сети мощность, повышена надёжность. В телевизорах 3УСЦТ пять съёмных модулей, соединённых с помощью жгутов. Небольшие изменения в схемах модулей позволяют выпускать модели на кинескопах с самосведением электронных лучей и размером экрана по диагонали 51, 61 и 67 см, а также на кинескопе с дельтаобразным расположением ЭОП.
Телевизоры 3УСЦТ-П-51 являются переходной моделью. В них применены импульсный блок питания, транзисторная строчная развёртка, модули радиоканала и канала цветности и яркости, аналогичные соответствующим модулям телевизоров УПИМЦТ.
КР-210308-11491-2007
Изм
Лист
№ докум.
Подп.
Дата
Разраб.
Регулировка цветных кинескопов
Лит.
Лист
Листов
Пров.
У
4
26
ГРК «Интеграл»
РТ-501
Н.контр.
Утв.
В стационарных цветных телевизорах применяют масочные трёхлучевые кинескопы.
Основными элементами конструкции масочных кинескопов являются три ЭОП, теневая маска и экран с нанесёнными на него люминофорными точками трёх цветов.
На рис.1 показано различие в положении ЭОП, устройстве теневой маски и размещении точек люминофора у кинескопов с дельтаобразным и компланарным расположением ЭОП. В кинескопах с дельтаобразным расположением ЭОП размещаются по углам разностороннего треугольника, а с компланарным – в одной плоскости. В кинескопах с компланарным расположением ЭОП в центре (совпадая с горизонтальной осью кинескопа) находится ЭОП зелёного, а по обеим сторонам – ЭОП красного и синего цветов (рис.1, а).
В кинескопах с дельтаобразным расположением ЭОП применён мозаичный экран, в котором в определённой последовательности нанесены точки люминофора красного, синего и зелёного цветов, что позволяет объединить их в триады. В кинескопах с компланарным расположением ЭОП (с самосведением) люминофоры нанесены в виде чередующихся полосок красного, зелёного и синего цветов.
Так как размеры точек люминофора очень малы (диаметр 0,3 мм), то с расстояния, на котором производится просмотр телевизионных изображений, разрешающая способность глаза не позволяет различить их отдельно друг от друга. В результате свечение точек люминофорной триады или расположенных рядом на каждой из нанесённых на экране чередующихся полосок люминофоров красного, зелёного и синего цветов воспринимается человеческим глазом как суммарное. Происходит пространственное аддитивное сложение, при котором яркость, насыщенность и цветовой тон результирующего цвета определяются суммарной энергией и взаимным соотношением составляющих излучения всех трёх электронных лучей.
Точки люминофора с внутренней стороны покрыты тонкой алюминиевой плёнкой, соединенной с анодом кинескопа. Такая плёнка необходима, прежде всего, для устранения скопления вторичных электронов на поверхности экрана, которые создают тормозящее поле, препятствующее увеличению яркости. Кроме того, алюминиевая плёнка увеличивает светоотдачу на 20…25% за счёт отражения света, направленного внутрь кинескопа, и защищает люминофор от разрушения отрицательными ионами, испускаемыми оксидными катодами.

Рис.1. Особенности конструкции кинескопов с дельтаобразным (верхний ряд) и компланарным (нижний ряд) расположением ЭОП.
Для того чтобы каждый из электронных лучей при своём движении в процессе развёртки попадал на люминофорные точки связанного с ним цвета, наряду с определённой технологией нанесения люминофоров и выбором углов наклона ЭОП по отношению к оси кинескопа применяют теневую маску.
Теневая маска, выполненная из стального листа сферической формы толщиной 0,15 мм, располагается в непосредственной близости от экрана. В кинескопах с дельтаобразным расположением ЭОП такая маска имеет круглые отверстия, а в кинескопах с самосведением – продолговатые отверстия – щели (см. рис.1, б).
Каждому отверстию маски диаметром 0,2…0,3 мм в кинескопах с дельтаобразным расположением ЭОП соответствует одна триада люминофоров, расположенных по углам равностороннего треугольника, а в кинескопах с самосведением – триада вертикальных люминофорных полосок (рис.1, в). Пересекаясь в отверстиях маски, электронные лучи слегка расходятся и попадают на соответствующие точки люминофоров. Теневая маска задерживает до 70% электронов, испускаемых катодами. Уменьшение количества электронов, попадающих на экран, компенсируется повышением напряжения на аноде.
На наружную поверхность конической части колбы нанесено проводящее графитовое покрытие, ёмкость которого по отношению к аквадагу, соединённому с анодом кинескопа, составляет несколько тысяч пикофарад.
Электронно-оптическая система кинескопов содержит три ЭОП, в каждый из которых входят подогреватель, катод, модулятор, ускоряющий электрод и анод. Модуляторы и ускоряющие электроды выполнены в виде диафрагм.
В кинескопах с дельтаобразным расположением ЭОП к верхней части анодов прикреплён цилиндр сведения, предназначенный для статического сведения электронных лучей. Фокусирующие электроды всех трёх ЭОП соединены вместе. В кинескопах с самосведением также соединены между собой все три ускоряющих электрода и все три модулятора.
1 Основная часть
1.1 Общие сведения о регулировке кинескопов
Регулировка кинескопов включает в себя статическое и динамическое сведение, регулировку чистоты цвета, баланс белого. Эти операции чаще всего проводятся после регулировки блока или модуля развёрток.
Необходимость статического сведения возникает при появлении рассовмещения цветных растров и окантовок в центре экрана; динамического сведения – при появлении рассовмещения на краях экрана. Чистота цвета регулируется при изменении окраски одноцветных предметов при их перемещении по экрану, особенно заметном на объектах, окрашенных в красный цвет (например, красной майке на футболисте), или при воспроизведении цвета человеческого тела. Необходимость в балансе белого возникает при появлении цветной окраски на светлых и серых частях чёрно-белого изображения.
Перед регулировкой режимов кинескоп должен быть предварительно размагничен с помощью специальной катушки. Для этого катушку размагничивания включают в электрическую сеть и плавно перемещают её вдоль плоскости экрана, совершая при этом круговые движения. Затем через 10…12 с начинают удалять катушку от телевизора и на расстоянии 2…3 м, когда её влияние не будет заметным (по вызываемой ею деформации растра), катушку поворачивают на 90 градусов и выключают. Наибольшее распространение получила катушка размагничивания диаметром 300 мм, содержащая 850 витков эмалированного медного провода диаметром 0,84…0,95 мм и хорошо изолированная несколькими слоями изоляционной ленты. Если требуемая однородность свечения растра, особенно заметная на красном поле, не восстановится, необходимо осуществить регулировку чистоты цвета. Регулировка чистоты цвета, статического и динамического сведения в кинескопах с дельтаобразным расположением ЭОП (в телевизорах УПИМЦТ) проводится с помощью магнитов частоты цвета, регулятора сведения и регуляторов, установленных на плате сведения.
При правильной регулировке статического сведения линии сетчатого поля в центральной части будут иметь цвет, близкий к белому, без цветных окантовок. Регулировку статического сведения можно осуществлять по изображению на экране телевизора одного из следующих сигналов: сетчатое поле, УЭИТ, ТИТ-0249. Предварительно необходимо убедиться в том, что центральная точка изображения, используемая для статического сведения, совпадает с геометрическим центром экрана, регулятор сведения РС-90 установлен без перекосов вплотную к отклоняющей системе и надёжно закреплён, как и сама отклоняющая система на горловине кинескопа. Полосные наконечники электромагнитов регулятора сведения должны быть расположены против соответствующих внутренних полюсных наконечников цилиндра сведения.
Рис.2. Расположение органов регулировки на БОС со стороны печати.
Статическое сведение регулируется дважды: предварительно – до регулировки чистоты цвета и окончательно – после получения необходимой чистоты цвета. Регулировку следует проводить в следующем порядке. Установить удобную для работы контрастность изображения и оптимальную фокусировку в центре экрана. Пользуясь имеющимися для этого перемычками на плате БОС телевизора УПИМЦТ (см. рис.2), выключить синий луч. Переменным вращением постоянных магнитов статического сведения красного и лучей свести эти лучи до получения жёлтой точки или линии в центре. Включить синий луч и магнитом статического сведения синего луча совместить жёлтую точку с синей точкой. Если же получить такое совмещение не удаётся, то следует с помощью статического сведения синего луча вывести синюю точку на одну горизонталь с жёлтой точкой, после чего совместить их, пользуясь предназначенным для этой цели резистором R1 на блоке сведения.
При невозможности получить требуемое количество статического сведения следует проверить, не выпали ли П-образные ферритовые сердечники из электромагнитов регулятора сведения красного и зелёного лучей, а так же обратить внимание на отсутствие отклеивания от ручек регулировки статического сведения перемещающихся ферритовых сердечников цилиндрической формы. Кроме того, если регулировка проводится после замены регулятора сведения, необходимо осуществить его правильную юстировку. Для этого регулятор сведения поворачивают вокруг оси кинескопа в пределах 8 градусов до получения зеркальной симметрии синего растра относительно жёлтого на экране кинескопа, после чего регулятор прочно закрепляют путём завинчивания винтов на корпусе отклоняющей системы.
Для статического сведения можно использовать таблицу ТИТ-0249. В этом случае необходимо добиваться такого совмещения каждого из лучей с чёрными малыми окружностями и точкой в центре таблицы, чтобы за ними не просматривался ни один из первичных цветов.
Регулировку чистоты цвета проводят на засинхронизированном растре, используя для этого сигнал белого поля, а при его отсутствии – испытательную таблицу ТИТ-0249 или УЭИТ.
Порядок регулировки:
Выключить зелёный и синий ЭОП. Ослабить барашки, крепящие отклоняющие катушки в корпусе отклоняющей системы, и сдвинуть их назад (на себя) до предела.
Расположить указатель полюсов одного кольца магнита чистоты цвета с противоположной стороны по отношению к указателю полюсов второго магнита чистоты цвета так, чтобы получить минимальную напряжённость магнитного поля. Это соответствует совмещению выступа на одном из колец с выемкой на другом (см. рис.3). При правильной установке указателей равноимённых полюсов одновременное вращение обоих колец не будет влиять на частоту цвета.

Рис.3. Смещение электронных лучей по отношению к оси кинескопа при вращении колец в противоположном (а) и в одном (б) направлениях.
Проверить чистоту цвета на красном растре, предварительно уменьшив его яркость до 10…15% нормальной (ручной регулировкой яркости). Однородность красного цвета указывает на правильность расположения колец магнита. При неоднородности цвета необходимо слегка раздвинуть кольца магнита чистоты цвета для получения слабого магнитного поля. Затем, изменяя направление магнитного поля поворотом обоих колец, добиться наилучшей однородности красного цвета в середине экрана.
Отрегулировать напряжённость магнитного поля (раздвиганием выступа и выемки колец) и его направление (одновременным поворотом обоих колец) до получения однородного красного цвета в центре экрана.
Перемещая отклоняющую систему вдоль горловины кинескопа, получить наилучшую чистоту красного цвета по всему растру.
Отрегулировать вновь чистоту цвета кольцами магнита чистоты цвета до получения максимально однородного цвета по всему экрану.
Выключить красный и включить зелёный ЭОП. На экране должно быть равномерное зелёное поле.
Выключить зелёный и включить синий ЭОП. На экране должно быть равномерное синее поле. Если при проверке чистоты зелёного или синего поля обнаружится неоднородность окраски какого-либо из них, необходимо произвести дополнительную регулировку с помощью магнита чистоты цвета, после чего проверить чистоту красного поля, которая не должна ухудшаться.
Закрепить отклоняющие катушки, завернув барашки на кожухе отклоняющей системы, фиксирующие их положение.
Если регулировка чистоты цвета не даёт требуемых результатов, необходимо дополнительно размагнитить кинескоп с помощью внешней катушки.
Динамическое сведение в телевизоре УПИМЦТ-61 проводится на чёрно-белом изображении по сигналу сетчатого поля, УЭИТ или ТИТ-0249. Динамическое сведение не должно нарушать совмещения линий в центре экрана. Если такое явление будет замечено, следует повторить операцию статического сведения. Регулировка начинается со сведения красных и зелёных линий, для чего перестановкой перемычки X23.2 на печатной плате БОС, из положения 1 в положение 2, выключается синий луч.Регулировкапроводится в последовательности (обозначенной цифрами 1 16), показанной на рис.4. Отметим некоторые особенности сведения симметрично расположенных линий на краях растра друг относительно друга. Сведение красных и зелёных горизонтальных линий в верхней части экрана производится переменным резистором R17, а в нижней – R11.

Рис.4. Расположение органов регулировки на плате блока сведения БС-11.
Если такое сведение осуществить полностью не удаётся, необходимо установить эти линии параллельно и на одинаковом расстоянии друг от друга в одном и том же порядке, а затем совместить магнитами статического сведения. Сведение красных и зелёных вертикальных линий в правой и левой части экрана производится соответственно вращением сердечника катушки L3 и поворотом движка переменного резистора R9. При невозможности полного сведения красных и зелёных линий их следует установить параллельно на одинаковом расстоянии в одном и том же порядке, а затем подвести красные и зелёные линии магнитами статического сведения. Сведение синих и жёлтых горизонтальных линий в верхней части экрана производится переменным резистором R24, а в нижней части – R27. При невозможности полного сведения синих и жёлтых линий нужно установить их параллельно на одинаковом расстоянии и одном и том же порядке, а затем вращением движка переменного резистора R1 совместить синие и желтые линии. Для устранения перекрещивания этих линий вдоль центральной горизонтали помимо регулировки переменным резистором R14 необходимо подобрать положение перемычки X7.2 на соединителе X7.1.
В телевизорах ЗУСЦТ, в которых используются кинескопы с дельтаобразным расположением ЭОП, применяют блок сведения БС-21. Расположение органов регулировки в этом блоке показано на рис.5. Последовательность регулировок, обозначенная на рисунке цифрами 1 – 16, не учитывает дополнительного статического подсведения, которое неизбежно возникает при регулировке динамического сведения.

Рис.5. Расположение органов регулировки на плате блока сведения БС-21.
1.2 Регулировка баланса белого в кинескопах с дельтаобразным расположением ЭОП
Для регулировки баланса белого в домашних условиях может быть использована градационная шкала, которая создаётся в нижней части УЭИТ (горизонтальные полосы 14 и 15) при выключенном канале цветности. Перед началом регулировки необходимо установить регуляторы цветового тона в среднее положение и убедиться в отсутствии цветных пятен на растре, обусловленных нарушением чистоты цвета. Расположение регулировок на кроссплате БОС телевизора УПИМЦТ-61 показано на рис.2.
Для телевизоров УПИМЦТ рекомендуется следующий порядок регулировки баланса белого:
1. Установить уровень чёрного на катодах кинескопа. Для этого регулятор цветового тона поставить в среднее положение, а регуляторы яркости и контрастности – в положение наибольшей яркости и контрастности. Контакт 7 модуля яркостного канала и матрицы AS8 соединить с корпусом. Тумблер SA1 «Цвет» установить в положение «Выключено». Подключая вольтметр последовательно к контактам X5B, X5G и X5R, установить напряжение 170В на каждом из них переменными резисторами R37, R38 и R41.
2. Контакт 7 модуля отсоединить, а контакт 6 соединить с корпусом.
3. Изменить напряжение на контакте 9 модуля; оно должно составлять 2В.
4. С помощью осциллографа проверить размах сигнала на соединителях X5B, X5G,X5R и при необходимости подрегулировать его переменными резисторами R21 и R23 таким образом, чтобы он составлял 70В (от уровня чёрного до уровня белого).
5. Разомкнуть контакт 6 модуля и измерить напряжение на нём, оно должно составлять 1,4…1,6В. Переменным резистором R13 установить на контакте 9 модуля AS8 напряжение на 0,6В больше, чем измеренное на контакте 6.
6. Установить регулятор контрастности в положение, соответствующее минимальной контрастности. Регулируя напряжение на ускоряющих электродах переменными резисторами R32 – R34 в блоке сведения (рис.4), добиться баланса белого в тёмном (на едва светящемся экране).
7. Установить регулятор контрастности в положение максимальной контрастности.
8. Оценить цвет свечения в светлой части экрана. Для этого рекомендуется использовать участки таблицы или испытательных сигналов, расположенных в центральной части экрана, где нарушение чистоты цвета и сведения проявляется в меньшей степени. При преобладании красного цвета необходимо в небольших пределах уменьшить размах сигнала E`r, пользуясь переменным резистором R23, сигнала E`b – R21 и сигнала E`g – R22.
9. Тумблер включения канала цветности SA1 установить в положение «Включено».
Отличие регулировки баланса белого в телевизоре УПИМЦТ-67 от регулировки в телевизоре УПИМЦТ-61 обуславливается применением в нём кинескопа с самосведением электронных лучей A67-270X, у которого ускоряющие электроды соединены. После повторения первых пяти регулировок для регулировки баланса белого в телевизоре УПИМЦТ-61 необходимо установить регулятор «Контрастность» в положение, соответствующее минимальной контрастности. Регулируя напряжение на ускоряющих электродах переменным резистором R8, установленным на плате кинескопа, следует добиться баланса белого в тёмном, т.е. чтобы крайняя правая полоса была чёрной, а следующая за ней – серой. При отсутствии баланса белого его необходимо установить одним или двумя переменными резисторами (R37, R38 и R41) в БОС, после чего повторить регулировку переменным резистором R8. Регулятор «Контрастность» нужно установить на максимум. Пользуясь переменными резисторами R21 – R28, устранить появление цветной окраски на белом. После окончания регулировки необходимо вновь включить канал цветности.
1.3 Регулировка баланса белого в кинескопах с компланарным расположением ЭОП
Отличие в регулировке баланса белого в кинескопах с компланарным расположением ЭОП от регулировки в кинескопах с дельтаобразным расположением ЭОП обуславливается тем, что в них ускоряющие электроды соединены вместе. Рекомендуется следующий порядок регулировки в телевизорах 3УСЦТ:
Выключить канал цветности и установить регуляторы цветового тона в среднее положение.
Регулятором ускоряющего напряжения R9 (см. рис.6) на плате кинескопа добиться видимости не менее восьми полос на шкале градаций яркости (восьмая горизонталь УЭИТ при выключенном канале цветности).
Рис.6. Расположение органов регулировки на модулях телевизоров 3УСЦТ при использовании кинескопов с самосведением 51ЛК2Ц, 61ЛК5Ц, 67QQ22 (а) и с дельтаобразным расположением ЭОП - 61ЛК4Ц (б).
Регулятор яркости (переменный резистор R3 на блоке управления) установить таким образом, чтобы были видны две-три вертикальные полосы (слева).
Незначительной регулировкой переменных резисторов R54, R64, R69 в модуле МЦ-3 (см. рис.7, а), R51 – R53 в МЦ-2 (см. рис.8) и R60, R61, R59 в МЦ-31 (см. рис.7, б) добиться отсутствия цветной окраски на тёмных полосах.
Рис.7. Расположение органов регулировки в модулях цветности МЦ-3 (а) и МЦ-31-1 с субмодулем (б).
Увеличить яркость до максимально возможной и проверить, сохраняется ли баланс белого. При наличии какого-либо оттенка – устранить его незначительной подрегулировкой переменных резисторов R55, R60 в МЦ-3, R42, R39, R43 в МЦ-2 и R56, R57 в МЦ-31.
Рис.8. Расположение органов регулировки в модуле цветности МЦ-2.
1.4 Регулировки статического и динамического сведения и чистоты цвета кинескопов с компланарным расположением ЭОП
Необходимость регулировки статического и динамического сведения кинескопов с компланарным расположением ЭОП возникает при нарушении крепления отклоняющей системы, отклейке опорного кольца или смещении магнитостатического устройства. Наряду с этим в кинескопах 61ЛК5Ц такие регулировки приходится производить при установке кинескопа, который поставляется отдельно от отклоняющей системы и МСУ.
Во избежание поражения электрическим током при регулировке МСУ (на плате кинескопа присутствуют опасные для жизни напряжения) необходимо изготовить переходной кабель, соединяющий плату кинескопа с его выводами. Длина кабеля должна быть достаточной для размещения платы в месте, исключающем её касание с корпусом или другими элементами.
Магниты МСУ (см. рис.10, а) надеты на обойму и закреплены с помощью гайки. До начала регулировки выступы каждой пары колец должны быть совмещены вместе и установлены в «нулевое» положение, как показано на рис.10, г, а гайка их крепления слегка ослаблена для возможности поворота колец. Регулировка проводится при выключенной цветности по сигналу белого поля, УЭИТ или ТИТ-024.
Предварительно необходимо размагнитить кинескоп с помощью внешней петли.
Порядок регулировки чистоты цвета:
Выключить красный и синий лучи.
Передвигая отклоняющую систему вдоль горловины кинескопа, добиться появления на экране пятна, окрашенного в зелёный цвет.
Раздвигая магниты чистоты цвета друг относительно друга, установить зелёное пятно в центре экрана.
Передвигая отклоняющую систему вдоль горловины кинескопа, найти такое её положение, при котором возможно получение оптимальной чистоты цвета на большей части поверхности экрана. Если при этом будет наблюдаться нарушение чистоты цвета в углах, необходимо повторить регулировку, пользуясь магнитами чистоты цвета. Затем следует установить отклоняющую систему так, чтобы стороны растра были параллельны краям обрамляющей рамки, и закрепить её винтом. Закрепляя отклоняющую систему, следует поддерживать её за переднюю часть, что позволит избежать сдвига растра от ранее выбранного положения. Перед регулировкой статического сведения необходимо точно настроить телевизор (в положении АПЧГ «Ручная») так, чтобы на экране отчётливо воспроизводились вертикальные линии. Затем и в среднем положении регуляторов контрастности и яркости произвести фокусировку зелёного луча растра.
Для возможности совмещения линий трёх растров необходимо, чтобы сведение производилось при возможно меньшей ширине горизонтальных и вертикальных линий. Это достигается уменьшением яркости и контрастности.
Статическое сведение – совмещение вертикальных линий трёх цветов производится в следующей последовательности:
Включить синий луч при выключенном красном.
Раздвигая магниты статического сведения синего луча друг относительно друга, и поворачивая их вместе вокруг горловины кинескопа, добиться сведения синего луча с зелёным в центре экрана.
Выключить синий луч и включить красный. Раздвигая магниты статического сведения красного луча, и поворачивая их вместе вокруг горловины кинескопа, свести красный луч со сведёнными синим и зелёным.
При невозможности получить оптимальное сведение в центре, необходимо повернуть на 90 градусов, относительно первоначального положения, кольцо магнита коррекции сведения синего и красного лучей и повторить регулировки статического сведения синего луча с зелёным и красного со сведёнными синим и зелёным в центре. После проведения этих регулировок проверить визуально чистоту цвета на красном, синем и зелёном растрах. При необходимости следует повторить регулировку чистоты цвета и статического сведения. В заключение кольцо МСУ стягивают зажимной гайкой.
1.5 Регулировка динамического сведения
Регулировка динамического сведения включает в себя операции, предназначенные для устранения несведения лучей типа «перекрещивание боковых лучей» (см. рис.9, а) и «несимметричное расположение растров» (рис.9, б).

Рис.9. Нарушение сведения в кинескопах с компланарным расположением ЭОП.
Регулировка производится по сигналу сетчатого растра при включённых синем и красном лучах и выключенном зелёном луче.
Порядок регулировки динамического сведения:
Для устранения перекрещивания боковых лучей необходимо отпустить регулировочные винты 21 и 23 на фланце хвостовика (см. рис.10, б, в). При этом винт 8 на горизонтальной оси должен быть затянут.
Поворотом фланца хвостовика (не допуская вращение самой отклоняющей системы) смещать её относительно горловины кинескопа по вертикали, обеспечивая наилучшее симметричное сведение по горизонтали центральных вертикальных линий сбоку.
Добившись наилучшего сведения, затянуть винт 23 (см. рис.10, в) по вертикальной оси.
Для устранения несимметричного расположения растров красного и синего лучей (см. рис.10, в) винт 8 отпускают. Постепенно поворачивая фланец хвостовика, и также, не допуская вращения отклоняющей системы, смещают её по горизонтали, добиваясь наилучшего сведения крайних горизонтальных линий, после чего затягивают винты 8 и 21.
Проверить чистоту цвета и при необходимости смещением отклоняющей системы вдоль горловины добиться оптимальной чистоты цвета. В заключение затягивают винты 5 и 9 хомутом опорного кольца и отклоняющей системы.

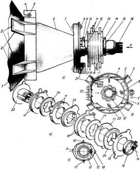
Рис.10. Расположение отклоняющей системы и МСУ на горловине кинескопа. Элементы узлов кинескопа.
1 – кинескоп; 2 – липкая лента; 3 – лапки опорного кольца; 4 – опорное кольцо; 5 – крепёжный винт опорного кольца; 6 – ОС; 7 – фланец хвостовика ОС; 8, 21, 23 – регулировочные винты; 9 – крепёжный винт хомута ОС; 10 – хомут ОС; 11 – кольцевые магниты сведения синего луча; 12 – МСУ; 13 – зажимная гайка МСУ; 14 – крепёжный винт хомута МСУ; 15 – хомут МСУ; 16 – цоколь кинескопа; 17 – кольцевой магнит коррекции сведения красного и синего лучей; 18 – кольцевые магниты сведения красного луча; 19 – магниты чистоты цвета; 20 – корпус МСУ; 22 – соединитель ОС; 24 – картонная прокладка; 25 – эксцентриковая прокладка.
Заключение
Данная курсовая работа работа посвящена описанию кинескопов и методам их регулировки. Как уже было сказано мной выше, существует два вида кинескопов – дельтаобразные и компланарные (с самосведением). Их отличие заключается в различном расположении ЭОП. Необходимо заметить, что регулировка кинескопов с компланарным расположением ЭОП осуществляется намного проще, нежели кинескопов с дельтаобразным расположением ЭОП, в виду прямолинейности расположения прожекторов.
Многие люди предпочитают старым телевизорам научно-технический прогресс – новые жидкокристаллические и плазменные панели. Это легко объяснимо, ведь старые громоздкие кинескопы (и телевизоры в целом) не идут в сравнение с новыми телевизионными аппаратами – это их главный недостаток. Главным же их достоинством, на мой взгляд, является то, что описанные мною выше телевизоры намного проще в регулировке, настройке и ремонте.
Список литературы
Ельяшкевич С. А. Цветные стационарные телевизоры и их ремонт. – 2-е изд., перераб. и доп. – М.: Радио и связь, 1990. – 240 с.
Ельяшкевич С. А. Цветные телевизоры 3УСЦТ: Справ. пособие. – М.: Радио и связь, 1989. – 144 с.
Ельяшкевич С. А., Пескин А. Е. Телевизоры 3УСЦТ, 4УСЦТ, 5УСЦТ. Устройство, регулировка, ремонт. – 9 выпуск. – М.: Символ – Р, 1993. – 224 с.
Сотников С. К. Регулировка и ремонт цветных телевизоров. – 3-е изд., перераб. и доп. – М.: Радио и связь, 1991. – 96 с.