Схемы для внешнего устройства
Эксплуатация средств ВТКОМПЛЕКТ СХЕМ ДЛЯ ВНЕШНЕГО УСТРОЙСТВА.

1.D-триггер с обратной связью и динамическим управлением.

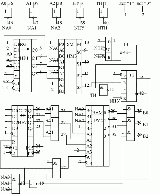
2.Схема синхронного цифрового автомата.

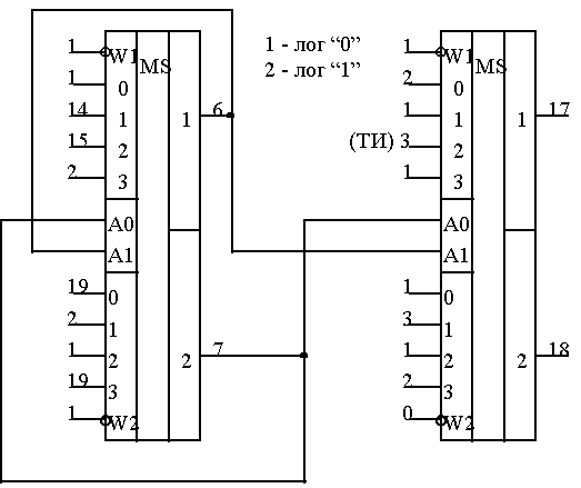
3.Последовательностная схема,которая с приходом стартового сигнала А=1 под действием синхроимпульсов СИ принимает последовательно состояния: 000-исходное состояние, 001, 100, 101, 100, 010, 011, 000...

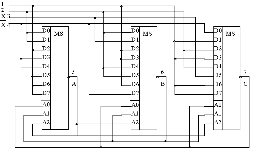
4.Aсинхронная последовательностная схема ,кoтopaя пoд дeйcтвиeм cигнaлoв, пocтупaющиx нa вxoд X(X), пpинимaeт пocлeдoвaтeльнo кoдoвыe cocтoяния ABC: 000, 001, 011, 111, 101, 100, 000.

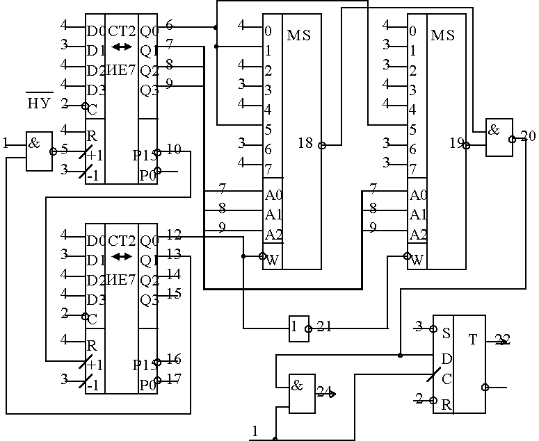
5.Схема содержит цифровой автомат на мультиплексоре 1 с циклической последовательностью состояний АВ=(00,01,11,10) и комбинационную логику на мультиплексоре 2, выходные сигналы которой зависят от состояний автомата и тактовых сигналов на входе 3

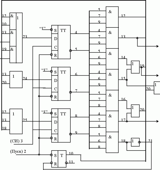
6.Схема, однократно вырабатывающая последоватеьлность сигналов 010011000111000011110000011111 в виде импульсов (выход 24) или потенциалов (выход 22). Сигнал начальной установки поступает на вход 2, синхроимпульсы - на вход 1.

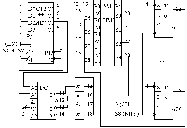
7.Схема, которая на одном их выходов дешифратора вырабатывает непрерывную серию импульсов.Номер выхода и число импульсов в серии зависят от числа "1" на входах 1,2,3,4.

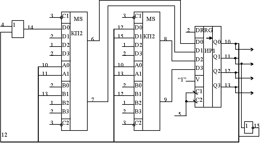
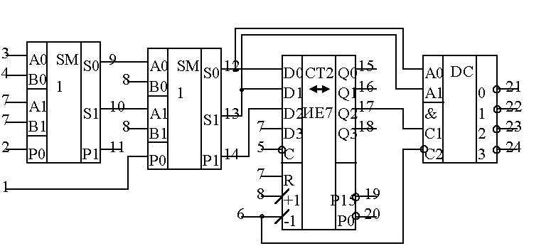
8.Схема, подсчитывающая сумму S= p(i)*c(i)*X по mod 16.
X-сигнал на входе .. , p(i)-весовой коэффициент i-го синхроимпульса на входе ...
Веса p(1-4)=1, p(5-8)=2, p(9- 12)=4, p(13-16)=8

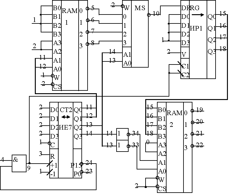
9.Схема, выполняющая транспонирование квадратной матрицы 4*4 однобитовых элементов. Исходная матрица размещена в ячейках 0,1,2,3 RAM-1. Транспонированная матрица размещается в RAM-2.

10.Сxeмa цифpoвoгo уcтpoйcтвa для oбpaбoтки N 3-paзpядныx кoдoв, oтличныx oт 0 и нe paвныx мeжду coбoй, пocлeдoвaтeльнo пocтупaющиx нa А-входы.
Aлгopитмoм oбpaбoтки пpeдуcмoтpeнo: фикcaция A(1) в peгиcтpe; cpaвнeниe A(i) c A(1); зaпиcь инверсного кода A(i+1) в ячeйку ЗУ пo aдpecу A(i+1),если A(i)>A(1); пocлeдoвaтeльный вывoд coдepжимoгo ячeeк ЗУ нa выходы B пocлe пpиeмa A-кoдoв. (i=2,3...N-1)

11.Данные, хранимые в ячейках ЗУ, представляют положительные и отрицательные числа в дополнительном коде с одним знаковым разрядом. Схема уменьшает содержимое ячеек 1,2,...8, начиная с ячейки 1, на величину разности /S(i)-S(i-1)/, где S(i),S(i-1)- количество "1" соответственно в текущем и предшествующем адресном коде при условии,если его можно редставить в 4-разрядной сетке (без переполнения), (i-1),i-последовательные номера ячеек.

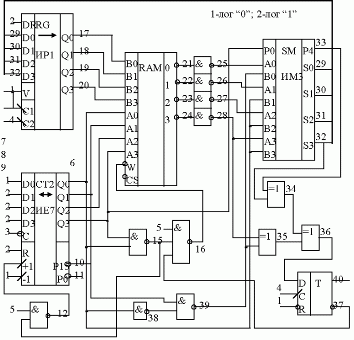
12.Схема блока обработки данных с микропрограммным управлением.