Свойства синхротронного излучения
Основные .Синхротронное излучение (СИ) испускается заряженными частицами (электронами, протонами, позитронами), движущимися с релятивистскими скоростями по искривленным траекториям. Генерация СИ обусловлена наличием у частицы центростремительного ускорения. Предсказанное в конце прошлого века и открытое почти 50 лет назад (1945г.) СИ рассматривалось вначале как “помеха” в работе циклических ускорителей - синхротронов. Только в последние 10ј15 лет СИ привлекло внимание исследователей исключительным богатством своих специфических свойств и возможностью их применения.
Структура накопителя электронов.

ПМ - поворотные магниты; В - магнитное поле; Р - вектор поляризации фотонов, излучаемых в плоскости орбиты электронов; Щ - щель канала вывода, ограничивающая ширину пучка СИ по горизонтали.
СИ обладает следующими уникальными свойствами:
СИ - излучение с исключительно высокой коллимацией пучка. Пучок СИ испускается электроном по касательной к траектории и имеет угловую расходимость y»g-1, где g - релятивистский фактор (отношение энергии электронов Е в накопителе к энергии покоя электрона Е0=0.511МэВ); для типичных значений Е»1ГэВ имеем g»103 и y»1мра¶.
СИ обладает широким, непрерывным, легко перестраиваемым спектром, перекрывающим практически весь рентгеновский диапазон и область ультрафиолетового излучения (0.1ј100нм). Для описания спектральных свойств СИ вводится понятие критической длины волны lс. Это длина волны, которая делит энергетический спектр СИ на две равные части (суммарная энергия излучаемых фотонов с длинами волн меньше lс равна суммарной энергии фотонов с длинами волн больше lс).
СИ обладает очень высокой интенсивностью. Интенсивность СИ в наиболее важном для исследований и технологии рентгеновском диапазоне более чем на пять порядков превышает интенсивность рентгеновских трубок.
СИ обладает естественной поляризацией: строго линейной на оси пучка (вектор электрического поля лежит в плоскости орбиты электронов) и строго циркулярной на его периферии. Поляризация СИ играет важную роль во многих прецизионных методах исследования материалов и структур микроэлектроники.
Перечисленные выше уникальные свойства синхротронного излучения позволяют поднять на новый качественный уровень субмикронную микротехнологию и аналитические методы диагностики субмикронных функциональных структур.
Контраст в системах экспонирования с применением синхротронного излучения.
Рентгенолитография с применением синхротронного излучения - это многофакторный технологический процесс, в котором важную роль играют параметры многих компонентов литографической системы: источника излучения, канала вывода, рентгеношаблона, рентгенорезиста.
Главный фактор, определяющий потенциальные возможности того или иного литографического метода в микротехнологии СБИС - разрешение или минимальный размер надежно воспроизводимого в резисте элемента рентгеношаблона. В рентгенолитографии разрешение определяется, с одной стороны, волновой природой рентгеновского излучения (дифракционные искажения), с другой стороны, нелокальным характером формирования реального скрытого изображения (генерация фото- и оже- электронов рентгеновскими фотонами и вторичное экспонирование резиста этими электронами). Кроме того, реальное технологическое разрешение очень сильно зависит от процесса проявления полученного скрытого изображения.
Для оценки эффективности работы рентгенолитографической системы экспонирования в той или иной области спектра нужно учитывать не только спектральную эффективность рентгенорезиста, но и рентгеновскую прозрачность, то есть оптические характеристики литографического канала вывода СИ. Поэтому в системах экспонирования с применением рентгеновского излучения (например, в рентгенолитографических системах экспонирования) одним из важных параметров является контраст получаемого рентгеновского изображения (например контраст скрытого изображения в рентгенорезисте).
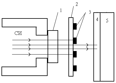
Схема рентгенографической системы экспонирования в пучках СИ.

1-вакуумное окно; 2-мембрана рентгеношаблона; 3-маска; 4-резист; 5-рабочая пластина.