Расчет радиочастотной части радиовещательного транзисторного приемника длинных волн и УРЧ радиовещательного приемника
Балтийский Государственный технический университетим. Д.Ф.Устинова (“Военмех”) | ||
Кафедра И4 | ||
Курсовая работаРасчет радиочастотной части радиовещательного транзисторного приемника длинных волн и УРЧ радиовещательного приемника | ||
| Группа | ||
| Студент | ||
| Преподаватель | Соколов В.К. | |
Санкт-Петербург | ||
Электрический расчет УРЧ радиовещательный приемников
УРЧ с автотрансформаторным включением контура
Исходные данные берем из эскизного расчета приемника:
Минимальная частота диапазона fmin = 200 кГц
Максимальная частота диапазона fmax = 400 кГц
Эквивалентная добротность контура Qэ = 12
Данные транзистора П423:
Y21 = 30 мСм; Rвх = 1,5 кОм; C12 = 5 пф; h21э = 30
Напряжение источника питания Ek = 10 В
- Определяем коэффициент перекрытия по частоте
Kf = fmax/fmin = 400/200 = 2
- Определяем коэффициент перекрытия по емкости

Cнmax = 280 пф
Cнmin = 9 пф
С0 = 40 пф
Спср = 20 пф
Так как Kc>Kf, то условие (26) выполняется
- Определяем индуктивность контура
![]()
Для ДВ C0 = 40 пф
- Определяем устойчивый коэффициент усиления

- Определяем коэффициент включения контура в цепь базы транзистора следующего каскада (смесителя)

где Rвх = 1,5 кОм
Rэмах = 6.28 ∙ 0.4 ∙ 106∙ 2360 ∙ 10-6∙ 12 = 71∙103 Ом
- Определяем коэффициент включения контура в цепь коллектора
![]()
![]()
- Определяем резонансный коэффициент усиления на fmin
K0min = Pk ∙ Pб ∙ Y12 ∙ Rэmin = 0.12 ∙ 0.14 ∙ 10 ∙ 35 = 5.88
Rэmin = Rmin Qэ = 3.5 ∙ 103 Ом
- Определяем резонансный коэффициент усиления на fmax
K0max = Pk ∙ Pб ∙ Y12 ∙ Rэmax = 0,12 ∙ 0,14 ∙ 10 ∙ 71 = 11,93
Так как K0max>Kуст, то условие (2) выполняется
- Определяем сопротивление резистора Rф
Rф = 0.1Eк / Iобщ = 280 Ом,
где Iобщ = Iко + Iбо + Iд = 3.6 мА
Iко = 3 мА
Iбо = Iко/h21 = 0,1 мА
Iд = 5 ∙ Iбо = 0.5 мА
- Определяем конденсатор фильтра
Сф = 100/2πfminRф = 0.28 мкФ
- Определяем постоянное напряжение на делителе Rб1, Rб2
E`к = Eк – Iобщ ∙ Rф = 9 В
- Определяем сопротивление резистора в цепи эмиттера
Rэ = 0.1 E`к/ (Iко + Iбо) = 290 Ом
- Определяем емкость конденсатора в цепи эмиттера
Сэ =100 / 2πfminRвх = 0.24 мкФ
- Определяем емкость разделительного конденсатора
Сб = 20 / 2πfminRвх = 0.008 мкФ
- Определяем сопротивление резистора делителя
![]()
E/к = 9 В
Eбо = 0.23 В
ERэ = 0.1 ∙ 9 = 0.9 В
Iд = 0.5 мА
Iбо = 0.1 мА
- Определяем сопротивление резистора делителя
Rб2 = (Eбо + ERэ) / Iд = 2.26 кОм
Сводная таблица результатов
| Параметр | Величина параметра | Параметр | Величина параметра | ||
| расчет | по стандарту | расчет | по стандарту | ||
K Kc Cнmin, пФ Lk, мкГ Kуст Pб Pк K0min K0max | 2 2,2 67 2360 12 0,14 0,12 5,88 11,9 | - - - - - - - - - | Rф, Ом Сф, Ом Ек, В Rэ, Ом Сэ, мкФ Cб, пФ Rб1, кОм Rб1, кОм | 280 0,28 9 290 0,24 6000 13,1 2,26 | 270 0,33 - 300 0,22 5800 13,0 2,2 |
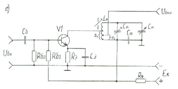
Принципиальная электрическая схема УРЧ с автотрансформаторным включением контура

Выбор элементов.
резисторы МЛТ-0,125;
конденсаторы: КМ5 или КМ6.
Резисторы МЛТ-0,125

Конденсаторы КМ6

Электрический предварительный расчет радиочастотной части транзисторного приемника
Исходные данные:
- Тип радиоприемника – транзисторный
- Источник питания – батарея (с номинальным напряжением 9В)
- Оконечное устройство – громкоговоритель
- Номинальная выходная мощность 0.6 Вт при коэффициенте гармоник по напряжению УЗЧ не более 7%.
- Чувствительность УЗЧ не хуже 0.25 В
- Неравномерность частотной характеристики по напряжению УЗЧ не более 3.5 дБ в диапазоне частот 200-4000 Гц
- Диапазон настройки приемника – ДВ
- Поддиапазон частот настройки приемника, для которого необходимо выполнить расчет – 200-400 кГц
- Тип антенны – наружная.
- Чувствительность приемника ( в телефонном режиме при коэффициенте модуляции 30%, выходной мощности 50 мВт и отношении сигнала к собственным шумам не менее 20 дБ) при приеме на наружную открытую антенну не хуже 150 мкВ.
- Полоса пропускания тракта ВЧ 8 кГц при неравномерности усиления в пределах полосы не более 6 дБ
- Ослабление соседнего канала (т.е. канала, отстающего от полезного на ±10 кГц) не менее 38 дБ при полосе пропускания 8 кГц
- Ослабления дополнительных каналов приема: зеркального канала – не менее 40 дБ, канала промежуточной частоты – не менее 30 дБ
- Действие АРУ: при увеличении э.д.с. в антенне на 28 дБ, напряжение на выходе не должно изменяться более чем на 8 дБ
- Выбор промежуточной частоты
В соответствии с требованиями к промежуточной частоте, а также ГОСТ 5651-64, выбираем промежуточную частоту fпр = 465 кГц
- Выбор транзисторов тракта радио- и промежуточной частот
f0max = 400 кГц
f0min = 200 кГц
Из табл. 1.1 выбираем транзистор П423, который имеет наименьшую емкость ОС C12 = 5 пФ и высокую предельную частоту fs = 66 Мгц
![]()
![]()
=> ВЧ y-параметры транзистора П423
S|y12| = 25 мА/В
R11 = 1.5 кОм
С11 = 120 пФ
R22 = 120 кОм
С22 = 8 пФ
С12 (Ск) = 5 пФ
rб/ = 80 Ом
- Выбор параметров избирательной системы тракта радиочастоты
Исходные данные:
f0max = 400 кГц
f0min = 200 кГц
dзк = 40 дБ
dк.пр. = 30 дБ
fпр = 465 кГц
П = 8 кГц
Fв = 4 кГц
Определяем эквивалентную добротность контуров преселектора Qэ


![]()
Δfсопр = 2кГц
Мк = 0.7
Выбираем величину эквивалентной добротности
Qэп > Qэ > Qэи
Qэ = 12
Определяем фактическую избирательность по зеркальному каналу

d зкфакт = 41.58 > d зкзад = 40 дБ
Определяем ослабление соседнего канала контурами преселектора

Определяем фактически вносимые частотные искажения Mk контурами преселектора:

Определяем ослабление канала промежуточной частоты контурами преселектора

- Выбор избирательной системы тракта промежуточной частоты
fпр = 465 кГц
dскзад = 34 дБ
П = 8 кГц
Выбираем четырехзвенный ФСС, который при П=8 кГц дает ослабление соседнего канала 28 дБ
Определяем величину ослабления соседнего канала, приходящуюся на остальные каскады УПЧ
dск/ = dскз -dскФСС – dскпр = 4.06 дБ
Определяем ослабление соседнего канала каскадом УПЧ с одиночным резонансным контуром

Определяем ослабление соседнего канала каскадом УПЧ с двухконтурным фильтром

Определяем общее ослабление соседнего канала всеми контурами приемника
dскобщ = 28+1.94+10.4 = 38.4 дБ
Условие dскобщ> dскз выполняется
- Определение числа каскадов тракта радиочастоты и распределение усиления по каскадам
Выбираем тип детектора – диодный
Напряжение диодного детектора
Uвхд = Uвх(узч) / Кдm = 0.25 / 0.15 = 1.67 В
Определяем общий коэффициент радиочастотной части приемника от антенны до входа детектора

Определяем общий коэффициент усиления тракта радиочастоты
Ктрч = 0.5 ∙ 10 ∙ 10 ∙ 1 ∙ 15 ∙ 15 = 11.2 ∙ 103
- Выбор схемы АРУ
Исходные данные:
q = 28 дБ (25 раз) – изменение входного напряжения в антенне приемника
p = 8 дБ (2.51 раза) – изменение выходного напряжения приемника
Определяем требуемое изменение коэффициента усиления приемника под действием системы АРУ
Tп = q / p =25 / 2.51 = 10
Определяем необходимое число регулируемых каскадов УПЧ
NАРУ = lgTп / lgVT1 = 0.5
Выбираем в качестве регулируемого каскада приемника апериодический каскад УПЧ
1. Методические указания по предварительному расчету радиочастотной части радиовещательного транзисторного приемника ДВ, СВ и КВ. –ЛРПТ, 1985.
2. Методические указания по электрическому расчету УРЧ радиовещательных приемников. –ЛРПТ, 1988.
3. Резисторы, справочник. М: Энергоиздат, 1981.
4. Справочник по электрическим конденсаторам. М: Радио и связь, 1983.