Управление цикловой автоматикой
ИНИСТЕРСТВО ОБЩЕГО И ПРОФЕССИОНАЛЬНОГО ОБРАЗОВАНИЯ РОССИЙСКОЙ ФЕДЕРАЦИИ
МОСКОВСКИЙ ГОСУДАРСТВЕННЫЙ ТЕХНОЛОГИЧЕСКИЙ УНИВЕРСИТЕТ «СТАНКИН»
![]()
ОТЧЕТ
ПО
Лабораторным работам № 3, 4
ПО КУРСУ
УПРАВЛЕНИЕ ЦИКЛОВОЙ
АВТОМАТИКОЙ
Выполнил ст. гр. КС-9-8:
Копычев Е.А.
Москва 2000
Задача № 1
Имеются две автоматические линии. На пульте управления имеется шесть кнопок.
Существует возможность управления линиями:
первая и вторая кнопки используются для включения и выключения первой линии, соответственно;
третья и четвертая кнопки используются для включения и выключения второй линии, соответственно;
пятая и шестая кнопки используются для включения и выключения, соответственно двух линии одновременно.

Задача № 2
Имеется реверсивный привод, управляемый тремя кнопками:
пуск по часовой стрелке;
пуск против часовой стрелки;
стоп.
Вариант а):Напишите управляющую программу, которая разрешает реверсирование двигателя только через кнопку `Стоп`.

I 0.0 – кнопка включения двигателя по часовой стрелке;
I 0.1 – кнопка включения двигателя против часовой стрелке;
I 0.2 – кнопка выключения двигателя;
Q 0.0 – светодиод, имитирующий работу двигателя по часовой стрелке;
Q 0.1 – светодиод, имитирующий работу двигателя против часовой стрелке.
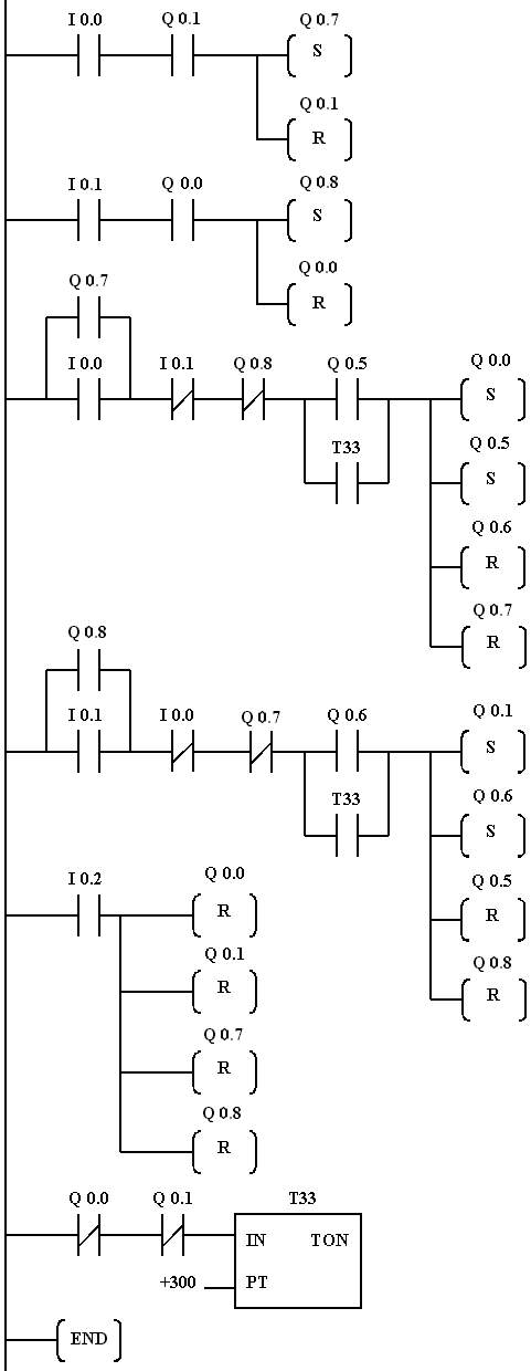
Вариант б):Напишите УП в которой, реверс двигателя через кнопку `Стоп` был бы возможен только с истечением трехсекундной выдержки, а перезапуск в том же направлении осуществлялся без задержки после остановки кнопкой `Стоп`.

I 0.0 – кнопка включения двигателя по часовой стрелке;
I 0.1 – кнопка включения двигателя против часовой стрелке;
I 0.2 – кнопка выключения двигателя;
Q 0.0 – светодиод, имитирующий работу двигателя по часовой стрелке;
Q 0.1 – светодиод, имитирующий работу двигателя против часовой стрелке;
Q 0.5 – светодиод, говорящий что до нажатия кнопки стоп двигатель вращался по часовой стрелке;
Q 0.6 – светодиод, говорящий что до нажатия кнопки стоп двигатель вращался против часовой стрелки;
T33 – таймер, осуществляющий задержку реверсирования двигателя.
Диаграмма работы двигателя при реверсировании

Вариант в):Напишите УП управления двигателем, расширив условие варианта `б` так, чтобы двигатель можно было реверсировать без использования кнопки `Стоп`: двигатель запускается в другом н
аправлении по истечению трехсекундной задержки.
Задача № 3

Тележка перемещается по рельсам от одного склада к другому. Тележка за один цикл должна съездить 5 раз туда – обратно и остановится. Запускается цикл с помощью кнопки без фиксации. Конечники имитируются любыми двумя кнопками. Время стоянки на усмотрение программиста. Самый простой вариант с нулевым временем стоянки. Три светодиода должны индицировать текущее количество сделанных перемещений туда – обратно. По окончании цикла должен гореть только один светодиод, который не горит во время выполнения цикла.
Подобные работы: